20200910梁板枕预制产品局级鉴定管理流程及说明.docx

上传人:p** 文档编号:745864 上传时间:2024-02-26 格式:DOCX 页数:4 大小:64.80KB
下载 相关 举报
20200910梁板枕预制产品局级鉴定管理流程及说明.docx_第1页
第1页 / 共4页
20200910梁板枕预制产品局级鉴定管理流程及说明.docx_第2页
第2页 / 共4页
20200910梁板枕预制产品局级鉴定管理流程及说明.docx_第3页
第3页 / 共4页
20200910梁板枕预制产品局级鉴定管理流程及说明.docx_第4页
第4页 / 共4页
亲,该文档总共4页,全部预览完了,如果喜欢就下载吧!
资源描述

《20200910梁板枕预制产品局级鉴定管理流程及说明.docx》由会员分享,可在线阅读,更多相关《20200910梁板枕预制产品局级鉴定管理流程及说明.docx(4页珍藏版)》请在第壹文秘上搜索。

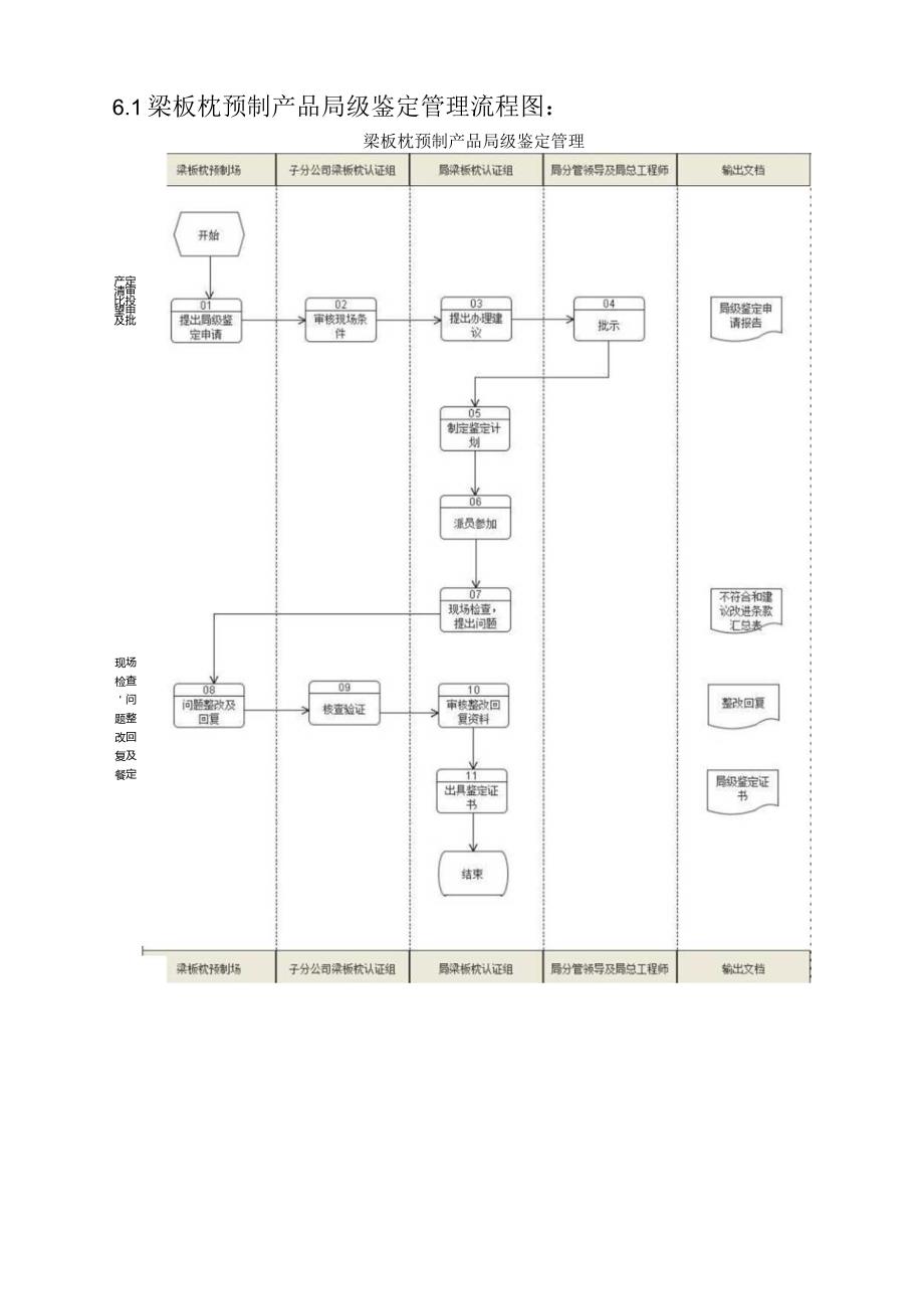
1、6.1梁板枕预制产品局级鉴定管理流程图:梁板枕预制产品局级鉴定管理产定清审比投望申及批场查问整回及定书发现检题改复餐证签6.2梁板枕预制产品局级鉴定管理流程说明:编号流程步骤责任岗位/人员流程步骤描述完成时间描述输出文档备注流程总说明梁板枕预制产品认证管理流程责任部门:局技术管理部本流程共有11个步骤,其目的是阐述中铁四局梁板枕预制产品局级鉴定申请及审批管理、现场检查、问题整改回复与鉴定证书签发管理流程,旨在确保梁板枕预制产品认证管理的规范性。Ol提出局级鉴定申请铁路梁/板/枕预制场公司确认制梁场具备局级鉴定基本条件后,按局文件管理流程向局提交局级鉴定申请至少提前7天1、公路(市政)简支梁产品

2、已完成总件数的30%及以上但尚未完成公司投产鉴定,全局通报。2、公路(市政)简支梁产品已完成总件数的30%及以上但尚未完成公司投产鉴定的,一年内累计达到三场次的,对公司分管领导、技术管理部门负责人各扣减绩效薪酬500元。02审核现场条件子分公司梁板枕认证组公司梁板枕认证组收到铁路梁板枕预制场申请,审核现场是否满足局级鉴定基本条件,确定满足条件后,由公司分管领导或主要领导签发局级鉴定申请报告报局办。局级鉴定申请报告1、简支梁及轨道板、轨枕预制产品申请局级鉴定但现场不具备条件,全局通报。2、简支梁及轨道板、轨枕预制产品申请局级鉴定但现场条件不具备的,一年内累计达到两场次的,对公司分管领导、技术管理

3、部门负责人各扣减绩效薪酬500元,对公司梁板枕认证组组员各扣减绩效薪酬200元。03提出办理建议局梁板枕认证组局梁板枕认证组对已经报送的局级鉴定申请,提出拟参加的部门的建议并报局分管领导及局总工程师批示。04批示局分管领导及局总工程师受分管领导及局总工程师批不O05制订鉴定计划局梁板枕认证组局梁板枕认证组制订现场鉴定的工作计划。06派员参加局梁板枕认证组局梁板枕认证组确定参加局级鉴定的成员。07现场检查,提出问题局梁板枕认证组局梁板枕认证组依据细则核查和检测,并出具局级鉴定实地核查不符合和建议改进条款汇总表,要求限期整改回复。不符合及检验改进条款汇总表1、简支梁及轨道板、轨枕预制产品局级鉴定不

4、合格,全局通报。2、简支梁及轨道板、轨枕预制产品局级鉴定不合格,一年内累计达到两场次的,对公司分管领导、技术管理部门负责人各扣减绩效薪酬500元,对公司梁板枕认证组组员各扣减绩效薪酬200元。3、属于国家或行业发证管理的预编号流程步骤责任岗位/人员流程步骤描述完成时间描述输出文档备注应力混凝土铁路桥简支梁及轨道板、轨枕预制产品,未一次性获取检验机构出具的合格产品检验报告的,对公司分管领导、技术管理部门负责人各扣减绩效薪酬1000元,对公司梁板枕认证组组员各扣减绩效薪酬500元。4、属于国家或行业发证管理的预应力混凝土铁路桥简支梁及轨道板、轨枕预制产品,生产的成品数量已达到一个检验批次及以上但尚

5、未获得相关证书的,对公司分管领导、技术管理部门负责人各扣减绩效薪酬1000元,对公司梁板枕认证组组员各扣减绩效薪酬500元。5、对属于国家或行业发证管理的预应力混凝土铁路桥简支梁及轨道板、轨枕预制产品而未通过国家或行业组织的审查的,参照中铁四局集团有限公司工程项目施工管理问责办法执行。6、对因产品认证造成安全质量事故的,参照中铁四局集团有限公司安全质量环保及职业健康安全奖惩办法执行。08问题整改及回复铁路梁/板/枕预制场铁路简支梁/轨道板/轨枕预制场对局梁板枕认证组现场发现的问题制订整改措施、明确责任人,并在限定时间内完成整改回复。鉴束天级结15内局定后整改回复资料1、简支梁及轨道板、轨枕预制

6、产品局级鉴定结束后限期未完成整改闭合的,公路(市政)简支梁产品由公司组织投产鉴定结束后未向局报备的或限期未完成整改闭合的,全局通报。2、简支梁及轨道板、轨枕预制产品局级鉴定和公路(市政)简支梁产品投产鉴定结束后未按期完成整改闭合的,一年内累计达到三场次的,对公司分管领导、技术管理部门负责人各扣减绩效薪酬200元,对公司梁板枕认证组组员各扣减绩效薪酬100元。09核查验证子分公司梁板枕认证组公司梁板枕认证组督促并现场核查局级鉴定实地核查不符合和建议改进条款整改情况,确定全部整改完毕后,组长签字确认全部整改闭合后,将整改闭合材料报局技术管理部核备。编号流程步骤责任岗位/人员流程步骤描述完成时间描述输出文档备注10审核整改回复资料局梁板枕认证组局梁板枕认证组审核公司梁板枕认证小组报送的整改回复资料。11签发鉴定证书局梁板枕认证组局梁板枕认证组出具局级鉴定证书。局级鉴定证书

展开阅读全文
相关资源
猜你喜欢
相关搜索

当前位置:首页 > 行业资料 > 国内外标准规范

copyright@ 2008-2023 1wenmi网站版权所有

经营许可证编号:宁ICP备2022001189号-1

本站为文档C2C交易模式,即用户上传的文档直接被用户下载,本站只是中间服务平台,本站所有文档下载所得的收益归上传人(含作者)所有。第壹文秘仅提供信息存储空间,仅对用户上传内容的表现方式做保护处理,对上载内容本身不做任何修改或编辑。若文档所含内容侵犯了您的版权或隐私,请立即通知第壹文秘网,我们立即给予删除!