叠合板吊点计算书.docx

上传人:p** 文档编号:746536 上传时间:2024-02-26 格式:DOCX 页数:9 大小:60.11KB
下载 相关 举报
叠合板吊点计算书.docx_第1页
第1页 / 共9页
叠合板吊点计算书.docx_第2页
第2页 / 共9页
叠合板吊点计算书.docx_第3页
第3页 / 共9页
叠合板吊点计算书.docx_第4页
第4页 / 共9页
叠合板吊点计算书.docx_第5页
第5页 / 共9页
叠合板吊点计算书.docx_第6页
第6页 / 共9页
叠合板吊点计算书.docx_第7页
第7页 / 共9页
叠合板吊点计算书.docx_第8页
第8页 / 共9页
叠合板吊点计算书.docx_第9页
第9页 / 共9页
亲,该文档总共9页,全部预览完了,如果喜欢就下载吧!
资源描述

《叠合板吊点计算书.docx》由会员分享,可在线阅读,更多相关《叠合板吊点计算书.docx(9页珍藏版)》请在第壹文秘上搜索。

1、(2)钢筋参数钢筋类型钢筋规格钢筋排布间距沿板宽度方向HRB4008190沿板长度方向HRB4008190钢筋相对位置沿宽度方向钢筋在上(3)钢筋桁架参数桁架规格A80排列参数160,600X3,160桁架焊接点跨距(PS)200mm桁架截面高(三)80mm桁架跨宽(Bt)80nm上弦钢筋直径(dl)8上弦钢筋等级HRB400下弦钢筋直径(d3)8mm下弦钢筋等级HRB400腹杆钢筋直径(d2)6腹杆钢筋等级HPB300(4)板吊件参数吊件种类桁架加强筋钢筋等级HRB400吊件长度280mm钢筋直径8nun(5)计算参数混凝土强度等级C30混凝土容重25.0kNm,吊装动力系数1.5叠合板短暂

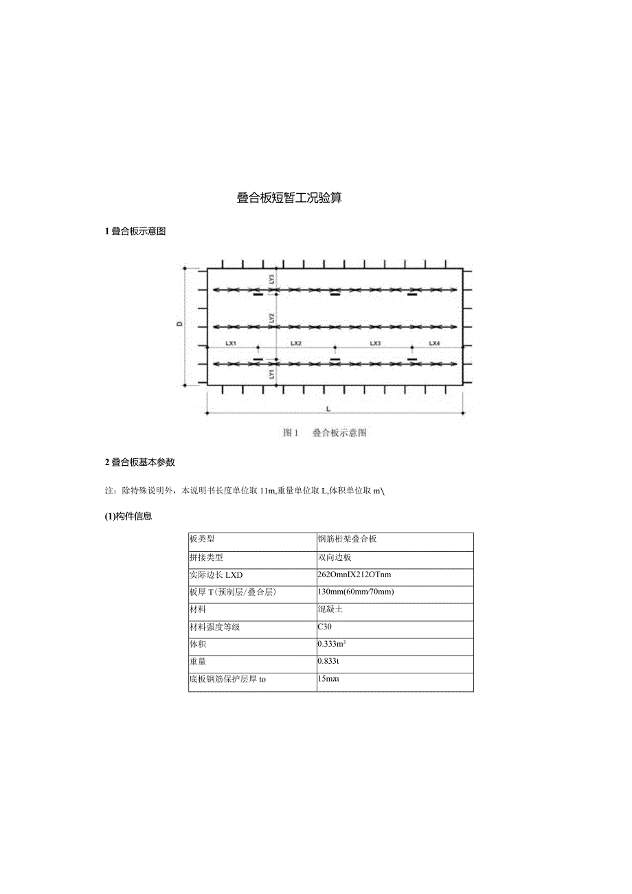
2、工况验算1叠合板示意图2叠合板基本参数注:除特殊说明外,本说明书长度单位取11m,重量单位取L,体积单位取m(1)构件信息板类型钢筋桁架叠合板拼接类型双向边板实际边长LXD262OmnIX212OTnm板厚T(预制层/叠合层)130mm(60mm70mm)材料混凝土材料强度等级C30体积0.333m3重量0.833t底板钢筋保护层厚to15m国R超合厢:气,度示意图组合梁的(当a0l时,ba=0.5a-0.3al公式3-2当aRO时,ba=0.2l0;相邻桁架下弦筋形心间距=600-80+8=528三Vlo=2620mm;b.=(0.5-0.3X528/2620)X528=232.078mm:

3、即B=232.0782+72=536.156mma=600ran,则B=536.156mm:板宽范围B内与桁架筋平行的板内分布钢筋配筋面积:A1=3JI820.25=150.8m钢筋与预制板混凝土的弹性模量之比:af=EsE,=200000/30000=6.71.中性轴(含桁驴筋合但乎可)Bt(h+(,h1+Ah)(ar-1)2IlssEy=h公式3-3Bt+(1+)(ar-1)+Xar1sEcE根据公式3-3,代入相关值求得y。=30.Imni2.惯性矩(含桁架筋合成截面)292In=Aa(h-yn)+y-(h-h)A+y-(h-h)A(a-1)VVC*UVJLUSSCt913+(y0工)X

4、BXt下XBXt公式3-4根据公式3-3及公式3-1,代入相关值得Io=llO694OOmn,3.截面抵抗矩(含桁架筋合成截面)1)混凝土截面上边缘:W,=I(t-y0)=370719mm2)混凝土截面下边缘:W,=Iay0=367257mn脱模吸附力1.5kNm2吊索与竖直方向的夹角B0.0预埋吊件安全系数Y)3.0脱模时混凝土强度百分比75.0%脱模动力系数1.23截面分析(1)平行桁架方向板截面分析图2桎合板截面分析上弦筋截面面积Av=11820.25=50.3un2下弦筋截面面积A,=11820.22=100.5mm2腹杆箭或亓而 A.= XO由!上里=28.3筋形心的距离h、与桎合筋

5、平行的板内分布钢筋形心到的形心距离h,:dh=t+d1H-dsdI、=h-%-公式3Td+dcSIA=H-根据公式3T,计算h、E、h,的值分别为:h=t+8+80-8-82三9Immh1=91-15-80.5=72mmh=80-(8+8)2=72mm支座时,截面抵抗矩:w=W2=370719nmr支座时,混凝土拉应力:Oek=W2=-O.62Nmm2脱模时按构件混凝土强度达到标准值的75.0%,经验算oa75.0%ftt=1.51N/W,满足要求!(2)垂直桁架方向脱模及吊装工况验算吊点第1列第2列跨长Ll(mm)160160跨长L2(nun)600600跨长L3(mm)12001200跨长

6、L4(mm)160160支座弯矩最大值Mllw=-O.23kNm跨中弯矩最大值Mmw=O.20kNm叠合板弹性抵抗矩:W=321694mmx混凝土拉应力:。&=MlHXW=-0.71Nmm?脱模时按构件混凝土强度达到标准值的75.0%,经验算cfc107)3)组合截面上边缘(上弦筋位置):W1=Io/(h-y0)=181885三,(2)垂直桁架方向板截面分析计算垂直.桁架方向,取任意板带混凝土底板的截面梁进行计算。为与平行桁架方向结果方便对比分析,板带宽度值取的有效宽度B值。截面抵抗矩:W=Bt76=32169411M4荷载计算根据装配式混凝土结构技术规程JGJ-2014第6.2.2条、6.2

7、.3条:板自重标潴值G=VX=0.333325.0=8.33kN脱模荷载1Q,=G1.2+1.5VH=8.331.2+1.5X0.33/0.06=18.33kN脱模荷载2Qg=GX1.5=8.33X1.5=12.50kN吊装荷载QW=G1.5=8.331.5=12.50kN荷载标准值Qt=max(QyQmdJ=18.33kN5预制板脱模吊装容许应力验算根据混凝土结构工程施工规范6850666-2011第9.2.3条(1)平行桁架方向脱模及吊装工况裂缝验第吊点跨长Ll(mm)跨长1.2(mm)跨长L3(mm)第1行5101600510第2行5101600510第3行5101600510计算线荷载

8、q=QkXBZ(LXD)XlOOO=1.769kNm平行桁架方向跨中弯矩最大值NU.1=0.34kNm平行桁架方向支座弯矩圾大值NU攵=-0.23kNm跨中时,截面抵抗矩:W=W0=367257m,跨中时,混凝土拉应力:Oth=QMW=0.92Nmmi求得腹杆钢筋失稳应力o,=269.95Nmm2则N=,rf=7632.77N因此:V=21.5Nsinsin=5.69kN(4)桁架筋验算结果验算内容验算容许值内力结果上弦筋屈服弯矩M.=7.28kNmMeKx=-0.23kN满足上弦筋失稳弯矩My=0.68kNmMb,1,=0.34kNm满足下弦筋屈服弯矩M1,=4.83kNmMbi,1=0.3

9、4kNm满足腹杆钢筋失稔剪力V=5.69kNV=1.42kN满足7吊件拉力验算吊装及脱模埋件选用吊桁架桁架腹杆直径6nun腹杆材质HPB300吊点数量6个单个吊件脱模吊装荷载计算:z=lcos=1.000Fl=Gzn=1.39kN桁架吊点许用承载力标准值腹杆钢筋类别承载力标准值(kN)HRB400、HRB500、CRB550或CRB600H20HPB300、CPB55015预埋吊件安全系数”=3.0桁架吊点许用承载力设计值:R0=R/1=5.00kNFdVR,桁架吊点满足要求。其中:却为上弦钢筋强度标准值:n为上弦钢筋长细比膨响系数,取值为2.1286:为上弦钢筋自由段长细比,=li=100.

10、0其中,1为上弦钢筋焊接节点间距,此值为20OnIn1.为上弦前截而回转半径,此值为2.Omm经计算,Mu=AatX。jch,=0.68kNm(2)叠合板下弦筋及板内分布筋用服弯矩Mcy=TT(1Xf1.Xh1+XflXh)公式6-21.51Iyk1ssykS代入相关值求得M1,=4.83kNm(3)腹杆钢筋失稳剪力V=Nsinsin其中:公式6-3=arctan(Hbh)=0.674741=arctan(2Hb)=1.10715注:为下弦筋外包距离,此时值为80mm;1为桁架焊接点跨度,此时值为20OnIn;l,n式划f-n(99)yk2O=99)ds其中:3为腹杆钢筋强度标准值:n腹杆钢筋长细比影响系数,取值0.9476;=0.71rif=31.7:Ir计致公式如下:IT=NB+(b02)2+(1/2)2Trsinsin=67.94mm

展开阅读全文
相关资源
猜你喜欢
相关搜索

当前位置:首页 > 建筑/环境 > 设计及方案

copyright@ 2008-2023 1wenmi网站版权所有

经营许可证编号:宁ICP备2022001189号-1

本站为文档C2C交易模式,即用户上传的文档直接被用户下载,本站只是中间服务平台,本站所有文档下载所得的收益归上传人(含作者)所有。第壹文秘仅提供信息存储空间,仅对用户上传内容的表现方式做保护处理,对上载内容本身不做任何修改或编辑。若文档所含内容侵犯了您的版权或隐私,请立即通知第壹文秘网,我们立即给予删除!