基础底板防水技术交底.docx

上传人:p** 文档编号:746777 上传时间:2024-02-26 格式:DOCX 页数:5 大小:65.53KB
下载 相关 举报
基础底板防水技术交底.docx_第1页
第1页 / 共5页
基础底板防水技术交底.docx_第2页
第2页 / 共5页
基础底板防水技术交底.docx_第3页
第3页 / 共5页
基础底板防水技术交底.docx_第4页
第4页 / 共5页
基础底板防水技术交底.docx_第5页
第5页 / 共5页
亲,该文档总共5页,全部预览完了,如果喜欢就下载吧!
资源描述

《基础底板防水技术交底.docx》由会员分享,可在线阅读,更多相关《基础底板防水技术交底.docx(5页珍藏版)》请在第壹文秘上搜索。

1、技术交底记录(表式C2-2-1)编号T5-1工程名称北京铁路局1#住宅楼工程施工单位铁建一处第四项目部交底提要:基础底板防水技术交底交底内容:一、概述:北京铁路局1#住宅楼工程基础底板采用SBSI型改性沥青防水卷材,两层,热熔法铺贴,防水卷材总面积232Om2。二、主要机具:长把滚刷、毛刷、喷灯、橡皮铁辑、扫帚、刮刀、灭火器材。三、材料要求:1、SBSl型改性沥青防水卷材,卷材厚度3mm,耐低温柔度-18。2、冷底子油。四、作业条件:1、铺贴防水层的基层平整、牢固,并无超砂、空鼓、开裂等现象,阴阳角处做成圆弧形,圆弧半径5cm。2、基层干燥的检验方法:在基层上置IXlm卷材,4小时后检查无水印

2、。3、防水层铺贴在非雨天、大风天施工,施工环境温度不低于5C。五、施工工艺:1、工艺流程:基层表面清理一涂刷冷底子油一转角处增补处理f铺贴第一层卷材一铺贴第二层卷材一转角处增补处理。2、基层清理:待垫层表面干燥后(含水率小于9%),将基层上的尘土、杂物清扫干净。3、根据卷材铺贴方向、卷材宽度,在地面上弹出卷材铺贴墨线。4、涂刷冷底子油:用长把滚刷均匀涂刷冷底子油,要求厚度一致,不得有漏刷和透底现象,阴阳角处用毛刷涂刷,待其手感不粘时即可进行下道工序。5、特殊部位的处理:在所有的卷材垂直面与水平面交接处及所有转角处最内侧及最外侧均铺贴一层相同材料的附加层,附加层每边宽度不小于250mm。技术负责

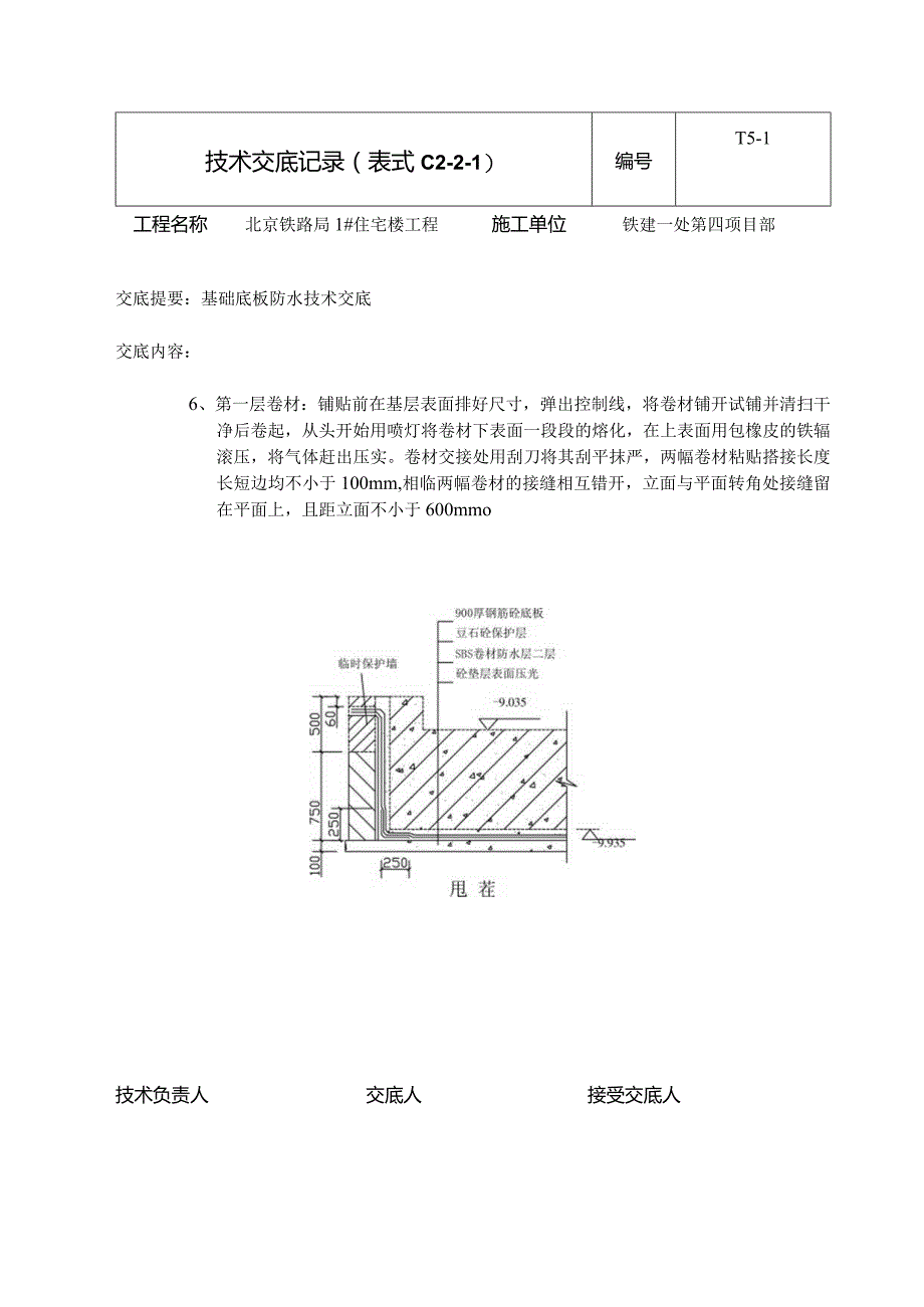
3、人交底人接受交底人技术交底记录(表式C2-2-1)编号T5-1工程名称北京铁路局1#住宅楼工程施工单位铁建一处第四项目部交底提要:基础底板防水技术交底交底内容:6、第一层卷材:铺贴前在基层表面排好尺寸,弹出控制线,将卷材铺开试铺并清扫干净后卷起,从头开始用喷灯将卷材下表面一段段的熔化,在上表面用包橡皮的铁辐滚压,将气体赶出压实。卷材交接处用刮刀将其刮平抹严,两幅卷材粘贴搭接长度长短边均不小于100mm,相临两幅卷材的接缝相互错开,立面与平面转角处接缝留在平面上,且距立面不小于600mmo技术负责人交底人接受交底人技术交底记录(表式C2-2T)编号T5-1工程名称北京铁路局1#住宅楼工程施工单位

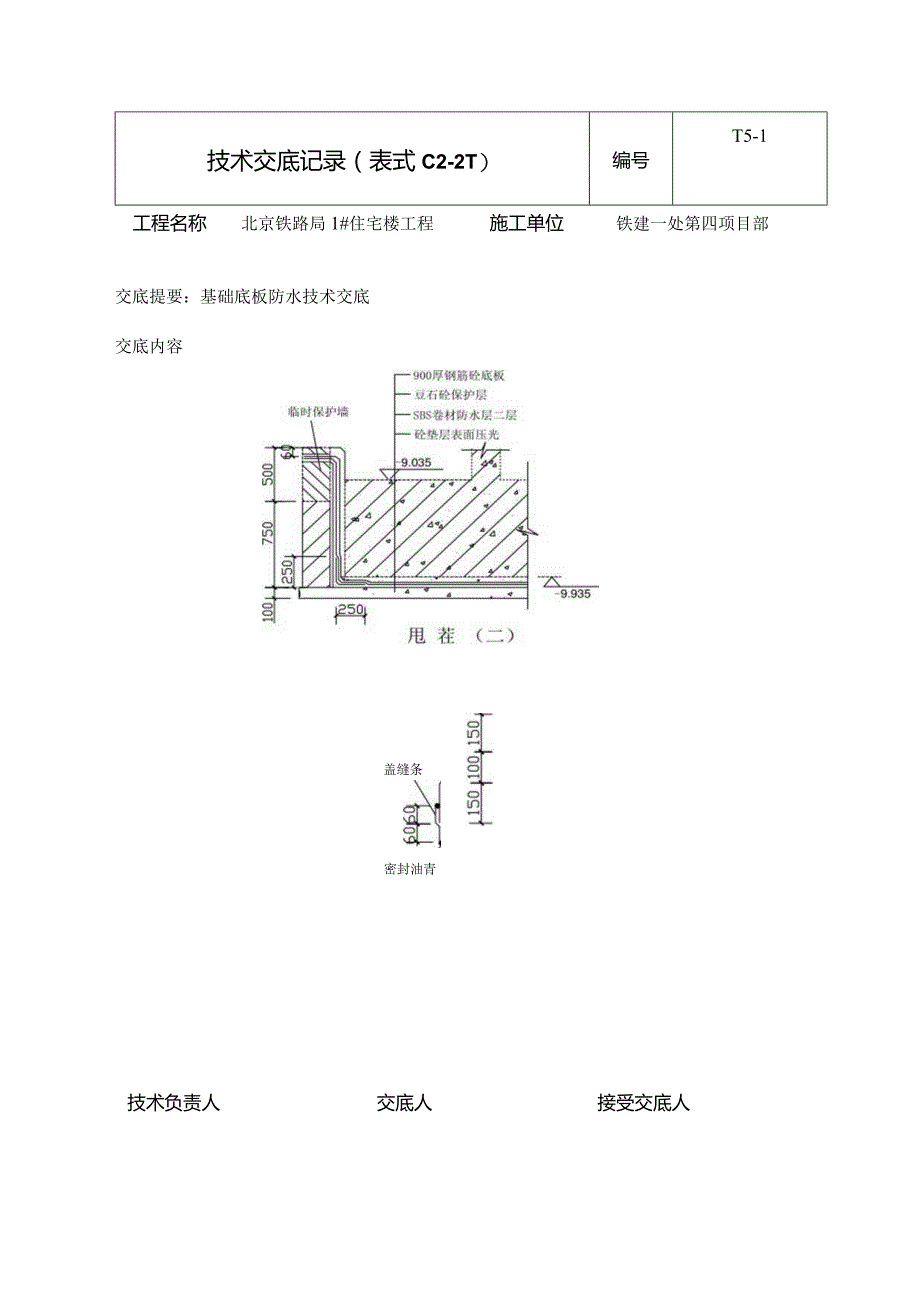
4、铁建一处第四项目部交底提要:基础底板防水技术交底交底内容盖缝条密封油青技术负责人交底人接受交底人技术交底记录(表式C2-2-1)编号T5-1工程名称北京铁路局1#住宅楼工程施工单位铁建一处第四项目部交底提要:基础底板防水技术交底交底内容:7、铺第二层卷材:将第一层卷材上表面清理干净,在其上铺贴第二层卷材,方法同第一层卷材的铺贴,上下两层卷材接缝相互错开,压边应错开1/3幅卷材宽,接头应错开不小于300mm,铺贴完后用喷灯和刮刀收口抹严。8、在永久保护墙以上45Omm高为临时保护墙,卷材采用点粘,以利于外墙防水接槎,卷材尾端留在保护墙顶面上,用多层板加以保护。8、防水层验收合格后浇筑豆石碎保护层

5、,保护层上表面控制标高为-9.935m。六、应注意的问题:1、基层应干燥、平整、牢固,不得有起砂现象。2、卷材铺贴时,展平、压实,卷材与基面和各层卷材之间必须粘结密实。3、上、下两层卷材不得垂直铺贴。4、已做好的卷材防水层,要及时采取措施,不得损伤碰坏。七、质量保证措施:1、卷材必须复试合格后方可使用。2、施工队伍必须具有防水施工资质,主要操作人员必须持证上岗。3、专人检查转角处的附加层铺贴情况。4、冷底子油必须涂刷均匀,涂刷处及时修补。5、专人检查接缝位置和粘贴情况。八、质量标准:1、卷材必须符合设计和施工规范规定。2、卷材防水层的基层表面应平整、牢固、洁净、阴阳角处呈圆弧形,冷底子油涂布均

6、匀,无漏涂。3、材防水层铺贴方法和搭接、收头应符合规范要求,粘结牢固、紧密、接缝封严,无损伤、空鼓等缺陷。卷材防水层与保护层应粘结牢固、结合紧密,厚度均匀一致技术负责人交底人接受交底人技术交底记录(表式C2-2-1)编号T5-1工程名称北京铁路局1#住宅楼工程施工单位铁建一处第四项目部交底提要:基础底板防水技术交底交底内容:九、安全注意事项:1、施工现场严禁吸烟。2、施工前检查喷灯是否漏油,工作状况是否良好,现场配备灭火器。3、卷材单独存放,杜绝火源,汽油单独存放,远离火种。4、现场配备灭火专用水管,保证随时供水。5、铺贴卷材时应顺风铺贴,以免喷灯回火伤人。6、卷材包装纸应及时清理干净,以免被火焰引燃。7、坑边应设警示牌,标明“坑下有人作业,严禁掷物”。8、由于基坑较深,施工人员应轮流作业,防止有毒气体导致窒吸和中毒。9、作业人员集中精力,佩带安全帽。10夜间施工要有充足的照明设施。技术负责人交底人接受交底人

展开阅读全文
相关资源
猜你喜欢
相关搜索

当前位置:首页 > 建筑/环境 > 设计及方案

copyright@ 2008-2023 1wenmi网站版权所有

经营许可证编号:宁ICP备2022001189号-1

本站为文档C2C交易模式,即用户上传的文档直接被用户下载,本站只是中间服务平台,本站所有文档下载所得的收益归上传人(含作者)所有。第壹文秘仅提供信息存储空间,仅对用户上传内容的表现方式做保护处理,对上载内容本身不做任何修改或编辑。若文档所含内容侵犯了您的版权或隐私,请立即通知第壹文秘网,我们立即给予删除!