008__长螺旋护坡桩施工技术交底.docx

上传人:p** 文档编号:747432 上传时间:2024-02-26 格式:DOCX 页数:6 大小:47.68KB
下载 相关 举报
008__长螺旋护坡桩施工技术交底.docx_第1页
第1页 / 共6页
008__长螺旋护坡桩施工技术交底.docx_第2页
第2页 / 共6页
008__长螺旋护坡桩施工技术交底.docx_第3页
第3页 / 共6页
008__长螺旋护坡桩施工技术交底.docx_第4页
第4页 / 共6页
008__长螺旋护坡桩施工技术交底.docx_第5页
第5页 / 共6页
008__长螺旋护坡桩施工技术交底.docx_第6页
第6页 / 共6页
亲,该文档总共6页,全部预览完了,如果喜欢就下载吧!
资源描述

《008__长螺旋护坡桩施工技术交底.docx》由会员分享,可在线阅读,更多相关《008__长螺旋护坡桩施工技术交底.docx(6页珍藏版)》请在第壹文秘上搜索。

1、技术交底记录表C2-1编号003工程名称二七剧场工程交底日期施工单位分项工程名称支护工程交底提要长螺旋护坡桩施工技术交底交底内容:护坡桩直径800mm,长度小于20米采用长螺旋成孔中心压灌混凝土倒插钢筋笼施工技术要求1、施工准备(1)材料准备1)混凝土采用和易性、泌水性较好的商品混凝土,混凝土为C25细石碎,初凝时间不少于6小时。灌注前坍落度宜为200240mm。2)钢筋品种、规格:护坡桩主筋为HRB33525、HRB33522,加劲箍筋为HRB33518,螺旋筋为HPB23568、HPB2356.5o(2)机械准备1)成孔设备:长螺旋钻机.动力性能满足工程地质水文地质情况、成孔直径、成孔深度

2、要求。2)灌注设备:混凝土输送泵,可选用4560m。规格或根据工程需要选用;连接混凝土输送泵与钻机的钢管、高强柔性管,内径不宜小于150mm。3)钢筋笼加工设备:电焊机、钢筋切断机、直螺纹机、钢筋弯曲机等。4)钢筋笼置人设备:振动锤、导入管、吊车等。5)其它满足工程需要的辅助工具。(3)作业条件准备1)地上、地下障碍物处理完毕,达到“三通一平”,施工用临时设施准备就绪。2)正式进场施工前应对整套施工设备进行检查,保证设备状态良好,禁止带故障没备进场。3)做好与灌注桩施工相关的水、电管线的布置工作。施工现场内道路、基坑坡道应符合设备运输车辆和起吊设备的行驶要求,对软弱地面进行碾压或夯实等加固处理

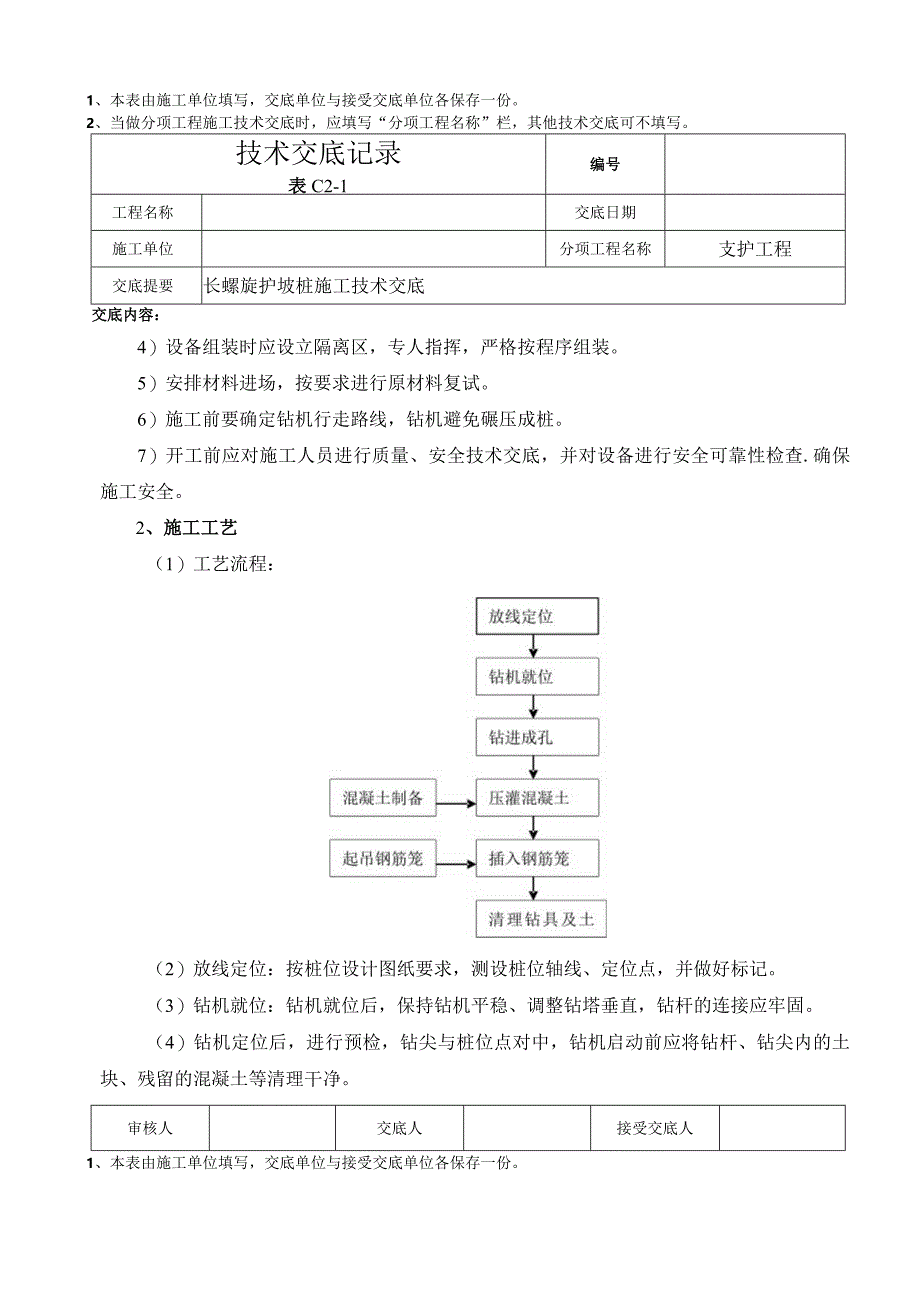
3、。审核人交底人接受交底人1、本表由施工单位填写,交底单位与接受交底单位各保存一份。2、当做分项工程施工技术交底时,应填写“分项工程名称”栏,其他技术交底可不填写。技术交底记录表C2-1编号工程名称交底日期施工单位分项工程名称支护工程交底提要长螺旋护坡桩施工技术交底交底内容:4)设备组装时应设立隔离区,专人指挥,严格按程序组装。5)安排材料进场,按要求进行原材料复试。6)施工前要确定钻机行走路线,钻机避免碾压成桩。7)开工前应对施工人员进行质量、安全技术交底,并对设备进行安全可靠性检查.确保施工安全。2、施工工艺(1)工艺流程:(2)放线定位:按桩位设计图纸要求,测设桩位轴线、定位点,并做好标记

4、。(3)钻机就位:钻机就位后,保持钻机平稳、调整钻塔垂直,钻杆的连接应牢固。(4)钻机定位后,进行预检,钻尖与桩位点对中,钻机启动前应将钻杆、钻尖内的土块、残留的混凝土等清理干净。审核人交底人接受交底人1、本表由施工单位填写,交底单位与接受交底单位各保存一份。2、当做分项工程施工技术交底时,应填写“分项工程名称”栏,其他技术交底可不填写。技术交底记录表C2-1编号工程名称交底日期施工单位分项工程名称支护工程交底提要长螺旋护坡桩施工技术交底交底内容:(5)钻机成孔:1)钻机钻进过程中,不要反转或提升钻杆,如需提升钻杆或反转应将钻杆提至地面,对钻尖开启门须重新清洗、调试、封堵。2)在钻进过程中,如

5、遇到卡钻、钻机摇晃、偏斜或发现有节奏的声响时,应立即停钻,查明原因,采取相应措施后方可继续作业、当需停钻时间较长时,应将钻杆提至地表。3)施工中严格控制钻进速度,刚接触地面时,下钻速度要慢。钻进速度应根据土层情况来确定:杂填土、粘性土、砂卵石层为O.20.5mmin;素填土、粘土、粉土、砂层为1.01.5mmino施工前应根据试桩结果进行凋整。4)施工23根后,应检查钻杆连接,必要时进行紧固。(5)碎灌注:1)达到设计桩底标高终孔验收后,进行压灌混凝土作业,首次泵送前或停工时间过长时,先开机润管。2)混凝土地泵的安放位置应与钻机的施工顺序相配合,尽量减少弯道,混凝土泵与钻机的距离宜控制在60m

6、以内。混凝土输送泵管尽可能保持水平,长距离泵送时,泵管下面要用垫木垫实。3)混凝土开始压灌时,宜先提升钻杆20030OmIIb开始泵送混凝土,确认钻头阀门打开后方可提钻。混凝土的泵送宜连续进行,边泵送混凝土边提钻,提钻速率按试桩工艺参数控制,控制提钻速率与混凝土泵送量相匹配。4)混凝土泵送开始时,要注意观察泵的压力表及各部件工作状态,如遇堵塞,拆除堵管部分,清除堵塞的混凝土后,方可重新进行泵送。审核人交底人接受交底人1、本表由施工单位填写,交底单位与接受交底单位各保存一份。2、当做分项工程施工技术交底时,应填写“分项工程名称”栏,其他技术交底可不填写。技术交底记录表C2-1编号工程名称交底日期

7、施工单位分项工程名称支护工程交底提要长螺旋护坡桩施工技术交底交底内容:5)压灌混凝土时提钻速度不可过快,保证钻尖埋人混凝土面100omm以上,防止产生缩径夹泥现象。6)混凝土的泵送宜连续进行,保持料斗内混凝土的高度不低于400mm,防止吸进空气造成堵管。7)混凝土堵管是经常发生的现象,产生的主要原因一般是:混凝土搅拌不匀、混凝土坍落度小、成桩时间过长导致混凝土初凝、水泥或粗骨料不合格,与水泥配合性不好等。8)灌注完毕后,碎面高出设计桩顶0.3m,混凝土灌注充盈系数不得小于LO5。9)混凝土试块留置应按有关规定执行。(6)钢筋笼插入1)桩身混凝土灌注完成后应立即进行钢筋笼插入作业。2)钢筋笼起吊

8、时必须夹紧,将钢筋笼对中及保持钢筋垂直,并保证将振动锤的击振力通过钢筋笼导人管传到钢筋笼底部。插入速度宜控制在1.21.5m/mino3)将振动用钢管在地面水平穿人钢筋笼内,并与振动装置可靠连接,钢筋笼顶部与振动装置应进行连接。钢筋笼吊装时,应采取措施,防止变形,安放时对准孔位,并保证垂直、居中。4)在插入钢筋笼时,先依靠钢筋笼与导管的自重缓慢插入,当依靠自重不能继续插入时,开启振动装置,使钢筋笼下沉到设计深度,断开振动装置与钢筋笼的连接,缓慢连续振动拔出钢管。钢筋笼要连续下放,不宜停顿,下放时禁止采用直接脱钩的方法。5)桩体达到一定强度(灌注后37天)后,方可进行开槽及桩间土挖除等土方清理工

9、作。3、质量标准1)施工前应对钢材等原材料进行检测,质量符合国家标准规定。2)施工过程中应对成孔、混凝土灌注、钢筋笼制作安装等进行全过程检查。审核人交底人接受交底人1、本表由施工单位填写,交底单位与接受交底单位各保存一份。2、当做分项工程施工技术交底时,应填写“分项工程名称”栏,其他技术交底可不填写。技术交底记录表C2-1编号工程名称交底日期施工单位分项工程名称支护工程交底提要长螺旋护坡桩施工技术交底交底内容:4)施工结束后应检查混凝土强度、桩体质量及其承载力。5)主控项目施工质量应满足下表的规定。项目序号内容允许偏差或允许值检查方法主控项目1钢筋笼主筋间距IOmm用钢尺量2钢筋长度50mm用

10、钢尺量3桩位支护桩延基坑侧壁方向50mm,垂直基坑侧壁方向50mm用钢尺和全站仪量测4孔深0,+300un测钻杆5混凝土强度满足设计要求查验试件报告或钻芯取样送检6桩身质量按桩基检测技术规范按桩基检测技术规范6)一般项目施工质量应满足下表的规定。项目序号内容允许偏差或允许值检查方法一般项目1钢筋笼箍筋间距士20mm用钢尺量2钢筋笼宜径士IOmm用钢尺量3钢筋笼安装深度士100nun用钢尺量4桩径0.+50mm用钢尺量5垂直度不大于1%用经纬仪/钻机水平尺6桩顶标高+30mm,-20mm用水准仪测量7保护层厚度20mm用钢尺量8混凝土坍落度18022Omm用坍落度仪量测9混凝土充盈系数1.01.

11、3检查每根桩的实灌量4、成品保护(1)施工前要确定钻机行走路线,钻机避免碾压成桩。(2)施工时.钻孔弃土宜及时清运,避免影响施工进度和弃土中的水浸泡槽。弃土清运应与灌注桩施工配合进行,严禁设备碰撞灌注桩。弃土清运时应注意保护桩位放线点。(3)桩顶保护长度不应小于O.3m,桩间土宜采用人工清运。审核人交底人接受交底人1、本表由施工单位填写,交底单位与接受交底单位各保存一份。2、当做分项工程施工技术交底时,应填写“分项工程名称”栏,其他技术交底可不填写。技术交底记录表C2-1编号工程名称交底日期施工单位分项工程名称支护工程交底提要长螺旋护坡桩施工技术交底交底内容:(4)桩间保护土层的清运如在灌注桩

12、施工期间进行,不影响灌注桩正常工作。桩间保护土层开挖、清运过程中,应合理安排开挖、清运顺序,禁止开挖和运输机直接在基底面上行走。如需在已开挖完成的基底面上行走,应采取铺设木板等保护措施。严禁机械碰撞桩头。5、安全注意事项(1)现场所有施工人员均必须戴好安全帽,高空作业系好安全带。(2)工地负责人及专职安全员应树立“安全第一”的思想,加强安全宣传管理工作。(3)各种机电设备的操作人员,都必须经过专业培训,领取驾驶证或操作证后方准开车。禁止其他人员擅自开车或开机。(4)所有操作人员应严格执行有关“操作规程,在桩机安装、移位过程中,注意上部有无高压线路。熟悉周围地下管线情况,防止物体坠落及轨枕沉陷。(5)总、分配电箱都应有漏电保护装置,各种配电箱、板均必须防雨,门锁齐全,同时线路要架空,轨道两端应设两组接地。(6)桩机所有钢丝绳要检查保养,发现有断股情况,应及时调换,钻机运转时不得进行维修。(7)施工时要注意对地下管线的保护,现场要有专人指挥作业。审核人交底人接受交底人1、本表由施工单位填写,交底单位与接受交底单位各保存一份。2、当做分项工程施工技术交底时,应填写“分项工程名称”栏,其他技术交底可不填写。

展开阅读全文
相关资源
猜你喜欢
相关搜索

当前位置:首页 > 建筑/环境 > 施工组织

copyright@ 2008-2023 1wenmi网站版权所有

经营许可证编号:宁ICP备2022001189号-1

本站为文档C2C交易模式,即用户上传的文档直接被用户下载,本站只是中间服务平台,本站所有文档下载所得的收益归上传人(含作者)所有。第壹文秘仅提供信息存储空间,仅对用户上传内容的表现方式做保护处理,对上载内容本身不做任何修改或编辑。若文档所含内容侵犯了您的版权或隐私,请立即通知第壹文秘网,我们立即给予删除!