02010402预应力制作与安装检验批质量验收记录(GB50204-2015)_emp.docx

上传人:p** 文档编号:747456 上传时间:2024-02-26 格式:DOCX 页数:1 大小:16.31KB
下载 相关 举报
02010402预应力制作与安装检验批质量验收记录(GB50204-2015)_emp.docx_第1页
第1页 / 共1页
亲,该文档总共1页,全部预览完了,如果喜欢就下载吧!
资源描述

《02010402预应力制作与安装检验批质量验收记录(GB50204-2015)_emp.docx》由会员分享,可在线阅读,更多相关《02010402预应力制作与安装检验批质量验收记录(GB50204-2015)_emp.docx(1页珍藏版)》请在第壹文秘上搜索。

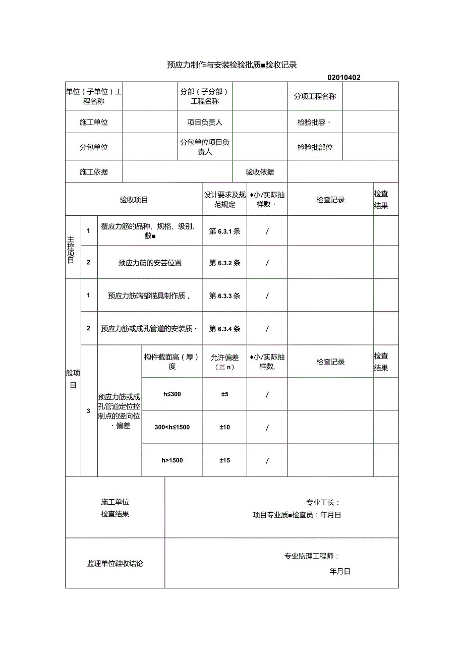
预应力制作与安装检验批质验收记录02010402单位(子单位)工程名称分部(子分部)工程名称分项工程名称施工单位项目负责人检验批容分包单位分包单位项目负责人检验批部位施工依据验收依据验收项目设计要求及规范规定小/实际抽样败检查记录检查结果主控项目1覆应力筋的品种、规格、级别、敷第6.3.1条/2预应力筋的安芸位置第6.3.2条/般项目1预应力筋端部锚具制作质,第6.3.3条/2预应力筋或成孔管道的安装质第6.3.4条/3预应力筋或成孔管道定位控制点的竖向位偏差构件截面高(厚)度允许偏差(三n)小/实际抽样数,检查记录检查结果h3005/300150015/施工单位检查结果专业工长:项目专业质检查员:年月日监理单位鞋收结论专业监理工程师:年月日

展开阅读全文
相关资源
猜你喜欢
相关搜索

当前位置:首页 > 行业资料 > 国内外标准规范

copyright@ 2008-2023 1wenmi网站版权所有

经营许可证编号:宁ICP备2022001189号-1

本站为文档C2C交易模式,即用户上传的文档直接被用户下载,本站只是中间服务平台,本站所有文档下载所得的收益归上传人(含作者)所有。第壹文秘仅提供信息存储空间,仅对用户上传内容的表现方式做保护处理,对上载内容本身不做任何修改或编辑。若文档所含内容侵犯了您的版权或隐私,请立即通知第壹文秘网,我们立即给予删除!