工程测量放线.docx

上传人:p** 文档编号:747633 上传时间:2024-02-26 格式:DOCX 页数:9 大小:64.86KB
下载 相关 举报
工程测量放线.docx_第1页
第1页 / 共9页
工程测量放线.docx_第2页
第2页 / 共9页
工程测量放线.docx_第3页
第3页 / 共9页
工程测量放线.docx_第4页
第4页 / 共9页
工程测量放线.docx_第5页
第5页 / 共9页
工程测量放线.docx_第6页
第6页 / 共9页
工程测量放线.docx_第7页
第7页 / 共9页
工程测量放线.docx_第8页
第8页 / 共9页
工程测量放线.docx_第9页
第9页 / 共9页
亲,该文档总共9页,全部预览完了,如果喜欢就下载吧!
资源描述

《工程测量放线.docx》由会员分享,可在线阅读,更多相关《工程测量放线.docx(9页珍藏版)》请在第壹文秘上搜索。

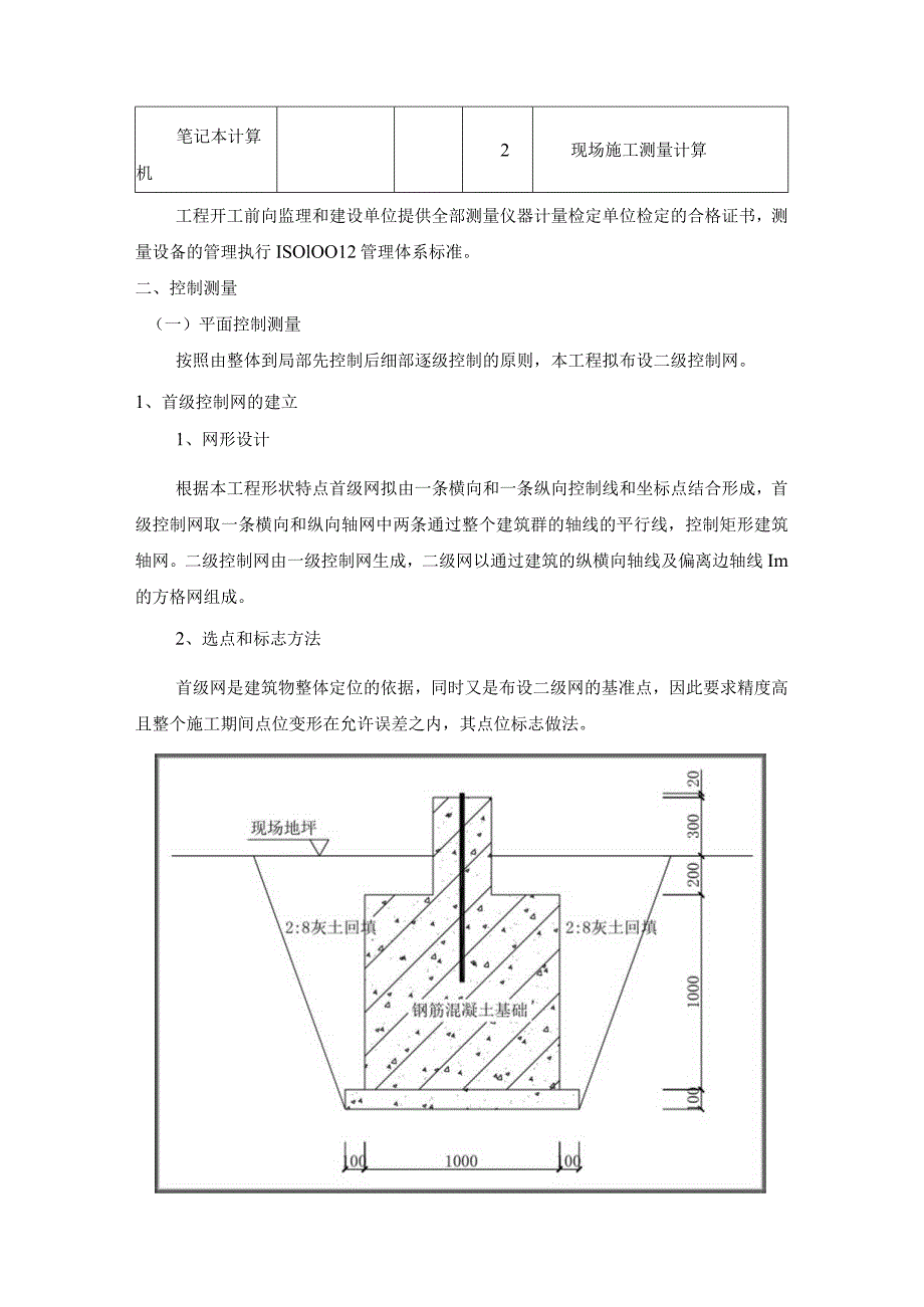
1、第一节工程测量放线我们将制定相应的针对性预案,在现场成立专职测量小组,配备相应精度、数量的测量仪器,制定专项方案,以ISo-IO012管理体系组织测量工作。针对工程特点,我们将制定两级平面控制网络来保证工程平面定位准确,从空间上现场总体设置两级高程控制网络,严格执行分级负责、复核验收的组织方法,确保各分项工程的安装准确。一、测量仪器设备的配置本着满足各阶段施工的精度要求,同时留有一定的技术储备的原则,本工程投入测量仪器11台套,见测量仪器设备表。仪器名称规格型号单位数量备注H级全站仪2”,2+2ppm套1工程测量Sl水准仪(配锢钢尺)1mm/km套1控制测量、变形观测S0.5水准仪(配锢钢尺)

2、0.5mmkm套1控制测量、变形观测J2电子经纬仪2”2施工测量S3水准仪3mmkm台4施工测量激光垂准仪1/45000台2点位及轴线传递50m钢尺二级把6施工测量对讲机Ikm对6通讯联络台式计算机2数据库管理,软件平台笔记本计算机2现场施工测量计算工程开工前向监理和建设单位提供全部测量仪器计量检定单位检定的合格证书,测量设备的管理执行ISOlOO12管理体系标准。二、控制测量(一)平面控制测量按照由整体到局部先控制后细部逐级控制的原则,本工程拟布设二级控制网。1、首级控制网的建立1、网形设计根据本工程形状特点首级网拟由一条横向和一条纵向控制线和坐标点结合形成,首级控制网取一条横向和纵向轴网中

3、两条通过整个建筑群的轴线的平行线,控制矩形建筑轴网。二级控制网由一级控制网生成,二级网以通过建筑的纵横向轴线及偏离边轴线Im的方格网组成。2、选点和标志方法首级网是建筑物整体定位的依据,同时又是布设二级网的基准点,因此要求精度高且整个施工期间点位变形在允许误差之内,其点位标志做法。3、观测技术要求水平角边长均采用II级全站仪进行测量,观测时打开全站仪双轴补偿系统,输入即时气象数据。水平角观测技术要求。仪器测回数半测回归零差2倍照准差方向值较差II级全站仪68139边长往返各两测回测定,每测回取5次测量平均值。单程各测回较差小于3mm,往返测较差小于2(a+bD)mm。4、平差方法及精度要求采用

4、南方ADJUST控制测量平差软件进行严密平差,各项指标符合工程测量规范2.1.3条四等点首级控制要求。即:测角中误差2.5;测距相对中误差1/80000;最弱边相对中误差1/40000;三角形最大闭合差9。2、首级网的五大特点:1、网形合理传统导线测量由于测量误差的存在,控制网容易扭曲变形,本网由于增测了两条对角线,图形强度较导线控制大为提高。经上机精度估算,其点位中误差小于土5mm,最弱边相对中误差小于1/50000,完全符合工程测量规范四等点的精度要求。2、点位稳定点位采用承台独立基础,设立围栏,保证点位稳定,满足施工全过程控制测量的需要。3、精度高仪器和棱镜采用观测墩强制对中,消除了对点

5、误差,观测过程仪器和目标稳定,不受风力等环境因素影响,提高了观测精度。4、控制有力,便于扩展首级网的对角线构成了整个工程的主控十字线,十字线均平行于工程的纵横轴线,使下级方格网和轴线的测设更为便捷。5、使用方便,投线精度高主控十字线偏离工程轴线,通视条件好投测方便。不受构件施工影响,投线精度高。3、二级控制网的建立二级网为轴线控制网,直接指导施工且在地面定位及各层施工过程中需多次布设,因此要求该网在满足施工精度要求前提下,做到简单,实用,方便放线。1、二级控制网的布设形式二级控制网为首级控制网下的轴网控制线。二级控制网以通过建筑物的纵横向边轴及中轴线为主要控制网,同时还要通过建筑边轴线。二级控

6、制网可有效控制建筑物的主要轴线定位。2、布设方法地面二级网的布设:在首级点上用全站仪坐标放样法,测设出既定点位,然后取任意闭合环交点设站,与其他某几点进行直角和距离进行检验。各项检验结果符合工程测量规范7.2.4条I级建筑方格网精度要求。即角度误差小于5,边长相对中误差小于l30000o3、基础垫层及承台上二级网的测设垫层二级网点用墨线标志,底板上二级网点在底板碎施工时在各点位上预埋200x200mm预埋件,在埋件上进行闭合差的归化改正,确定最终点位,钻2mm孔镶铜芯,作为二级网向上层传递的基准。4、主体二级网的测设主体利用内控法采用激光铅垂仪进行传递,高度较低处利用2kg垂球、对中器及经纬仪

7、进行向上传递。当基础施工完毕后,此时基坑底部已经基本稳定,在测量时首先进行基坑外围轴线、标高控制点的复核,确认控制点无误后,利用激光经纬仪J2-JDA,水准仪DS3将标高控制点、轴线施放到零层板表面上,并设立建筑物高程控制点和内控轴线控制网络系统。此时建筑物内形成独立系统,而外部标高、轴线控制点转换成为建筑物的变形比较系统,将作为建筑物沉降、不均匀沉降引起的倾斜、外墙装饰墙面控制的检验等基点。外部控制点须经常检验复核,保证系统的精确度。当内控轴线、高程系统完成后,将由基础向上进行整个结构内控轴线施放。内控轴线上移采用高精度激光经纬仪进行内控轴线测设。交汇点垂直向上的楼板均每层留200200的测

8、量孔,利用激光经纬仪通过辐线交汇点向上垂直投射至上层空洞处的透明靶上,确定上一层楼四角控制轴线交汇点,再利用J2经纬仪将四点转角交汇复核,即可得到上层楼层的控制轴线平面,利用该平面控制体系即可控制上层楼的施工位置。由于激光经纬仪的高精度,楼层平面位置始终控制在精度范围内。(1)主体施工控制放线及垂直度控制A.主体各控制点可根据其基础施工完成情况陆续埋设完成作为各楼层平面放线、垂直引升的依据。各控制点的精度要求必须符合多层建筑施工规范要求。B.本工程主体由于总高不高,各控制点向上传递可采用2kg垂球及对中器进行向上传递至同一楼层平面,再用经纬仪检查无误后进行各轴线的放线工作。C.在主体平面外能通

9、视的轴线上(两个方向)设置明显的投测标志作为外控点的检查依据。2、装修与外墙的竖向测量控制内部装修的局部平面位置的确定可从已经在结构施工中确定的结构控制轴线中引出,高程同样从结构施工高程中用水准仪转移至各需要处。在转移时尽量遵循仪器使用过程中保持等距离测量的原则,以提高测量精度。从而使装修工作有明确的控制依据。外墙垂直轴线与高程均由内控轴线和高程点引出,转移到外墙立面上,弹出竖向、水平控制线,以便外墙装修。在轴线点引出后,务必注意,内控法是逐层实施的,而外墙是从上至下的全长线条。因此,此时需用J2经纬仪在外控点的辅助下,从上至下进行一次检测,逐层修正测量引起的间接微小误差,使垂直线贯穿于建筑物

10、的整个外墙面,从而达到准确的测量外墙控制效果。(二)高程控制测量高程控制测量分两级进行,其主要功能见下表。控制网分级布设形式测量等级功能首级控制网附和水准路线三等施工及监测二级控制网附和水准路四等高程传递线1、施工水准网点布置施工现场三个首级平面控制点兼作首级水准点,与已知水准点组成附和水准线路。本工程二级水准点均布置在首层结构柱上,与首级水准点组成附和水准线路。2、水准网布设方法及技术要求两级水准网均按工程测量规范四等水准测量技术要求施测。用DSl水准仪锢钢水准尺往返测定。各项技术指标符合工程测量规范3.2.1条,3.2.6条规定。观测技术要求下见。T级仪器观测次数视线长前后视较差前后视累计

11、差基辅分划读数差u差较差闭合差等DS1锢钢尺往返各一次75ITl5mIOm3mm5mm20L二级水准网布设方法是,首先在拟定的首层柱面上初测出结构+50Cm线,并将所有点与地面上首级水准点组成附和水准路线,按工程测量规范四等水准测量技术要求进行观测平差,以平差成果对初测标志进行改正,作出最终标志。上部各层施工标高均以二级水准点为准向上引测。三、工程平面位置的测量放线(一)轴线及构件位置的放线工程纵横轴线的测设均以二级控制网为准,为提高放线速度,轴线的测设采用全站仪,经纬仪钢尺同时进行。全站仪分轴间距不大于50m,中间轴线由经纬仪配合钢尺进行定位。轴线定位偏差小于5mm,轴线定位后依设计图纸用小

12、钢尺进行构件位置的放线。(二)工程的预埋件定位对于直线上的埋件主要控制两端点埋件,水准仪测定标高,全站仪测定坐标,用两点间距离进行校核。中间埋件用经纬仪视准线法配合钢尺定位。独立埋件全部用水准仪、全站仪定位,并用轴线或埋件间距离进行校核。碎浇筑完后进行二次定位,在埋件上弹出十字线,相应结构上弹出标高控制线,作为安装工程施工依据。四、工程标高位置的测量放线(一)基础施工阶段的标高放线挖槽后以首级水准点为起算点,采用水准仪悬挂钢尺法将标高传递到维护结构上。至少独立传递3个点,到槽底进行闭合检验,闭合差小于5mm时,取中数作为最终成果,用来指导施工。水准仪悬挂钢尺法标高传递示意图。水准尺占基坑/坑内

13、水准广深基高程传递示意图根据业主提供的高程水准点采用往返测回法,用DS3型水准仪将高程水准点引测到基坑上口。在基坑边建立控制高程点标,用红油漆作好标记,并良好保护。在引测过程中尽量减少转点次数,避免误差累计。在标点处设置一条铅垂线,用钢卷尺从标点沿该铅垂线竖直向下尺量设置高程控制点并作好标识。然后将标点进行高程控制点相互校核,达到规定要求后,在基坑侧壁上另外重新抄测两个临时高程控制点标(临1)和标(临2),在开始抄测基础基坑(槽)标高时,必须先利用基坑侧壁上设置的两个临时高程控制点进行相互校核后,再开始该层标高的施测控制,才能展开基坑(槽)的抄测工作,避免偶然误差和误差累计。(二)主体施工阶段

14、的标高测量1、以施工图纸给定的0.00标高作为水平标高依据,从建筑外引测至建筑内以利向上传递的部位,管道井的内墙上(不少于两点)作好明显标记作为结构施工向上引测的标高依据,每个楼层标高以此依据作为原始点用经校检后的50m钢尺向上丈量,并作好标记作为本层的水平标高依据。2、本工程由于占地面积较大,在施工中引测多个水平点依据,因此必须采用闭合法检查多个水平依据点满足施工测量规范要求。五、建筑物的沉降观测建筑物的沉降观测执行建设部建筑变形测量规程JGJ8-2007o按变形测量二级技术要求施测。(注:规程第2.0.5条规定,一级沉降观测点高差中误差W0.15mm,二级沉降观测点高差中误差W0.50mm

15、,考虑施工现场仪器等级,按二级沉降观测要求施测)(一)点位的布设点位布置详见沉降观测点位布设表。名称点位要求作用娄量基准占八、变形影响范围以外,能长期保存的稳定位置监测工作基点2工作基点靠近观测点,便于观测的较稳定位置沉降观测起算点4观测点能反映建筑物沉降特征点确定建筑物沉降量利用已知水准点或沉降已稳定的建筑物突出部位建点。现场4个首级水准点作为工作基点。观测点布置在建筑物大角和外檐间隔15m左右位置。(二)沉降观测技术要求1、每季度对基准点和工作基点联测一次,冬雨季期间每月联测一次。依据联测结果对工作基点高程进行修正。2、沉降观测在基础柱拆模后进行,观测时间间隔随施工加荷情况而定,每层至少观测一次,装

展开阅读全文
相关资源
猜你喜欢
相关搜索

当前位置:首页 > 建筑/环境 > 测绘

copyright@ 2008-2023 1wenmi网站版权所有

经营许可证编号:宁ICP备2022001189号-1

本站为文档C2C交易模式,即用户上传的文档直接被用户下载,本站只是中间服务平台,本站所有文档下载所得的收益归上传人(含作者)所有。第壹文秘仅提供信息存储空间,仅对用户上传内容的表现方式做保护处理,对上载内容本身不做任何修改或编辑。若文档所含内容侵犯了您的版权或隐私,请立即通知第壹文秘网,我们立即给予删除!