土建结构施工 .docx

上传人:p** 文档编号:749261 上传时间:2024-02-26 格式:DOCX 页数:23 大小:290.15KB
下载 相关 举报
土建结构施工 .docx_第1页
第1页 / 共23页
土建结构施工 .docx_第2页
第2页 / 共23页
土建结构施工 .docx_第3页
第3页 / 共23页
土建结构施工 .docx_第4页
第4页 / 共23页
土建结构施工 .docx_第5页
第5页 / 共23页
土建结构施工 .docx_第6页
第6页 / 共23页
土建结构施工 .docx_第7页
第7页 / 共23页
土建结构施工 .docx_第8页
第8页 / 共23页
土建结构施工 .docx_第9页
第9页 / 共23页
土建结构施工 .docx_第10页
第10页 / 共23页
亲,该文档总共23页,到这儿已超出免费预览范围,如果喜欢就下载吧!
资源描述

《土建结构施工 .docx》由会员分享,可在线阅读,更多相关《土建结构施工 .docx(23页珍藏版)》请在第壹文秘上搜索。

1、第一节土建结构施工一、第一小节结构施工流程施工准备一砖模及抹灰一地下室防水及保护层一底板下层钢筋绑扎一劲性钢柱脚预埋一底板上层钢筋、柱插筋f地下室墙脖、后浇带一底板混凝土f地下室外墙、顶板施工一上层结构施工二、第三小节模板工程(一)第一条模板工程施工要点及其分析.施工要点:1.l基础底板侧模及加固体系1.2楼板模板支撑体系1. 3模板加工及模板通病防止1.4梁支模及加固体系2要点分析:本工程主楼基础形式桩基承台筏板筏式基础,底板厚600mm,底板侧模采用砖模。部分柱中含有型钢,如何加固模板是本工程的重点。施工时要特别注意结合以往施工经验和范例,综合确定模板工程的施工方案,确保施工中模板的安全和

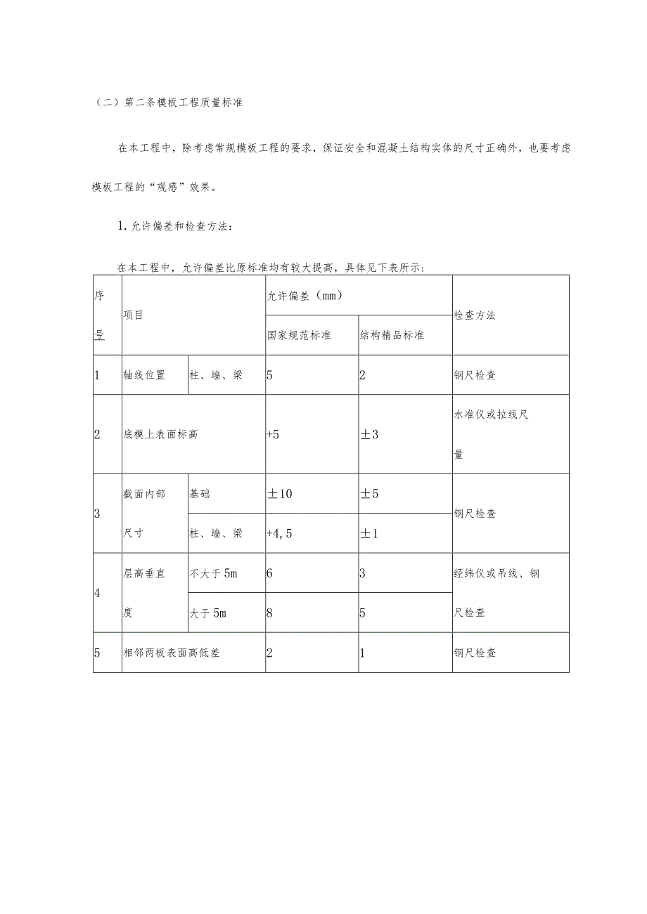
2、施工质量。3.模板、支撑的选用:本工程各构件尺寸较多,型式各异,加上目前市场上各种材料众多,质量差异很大。为此在本工程模板、支撑及胶粘剂等材料的选用上必须慎之又慎。除按施工需要进行选择外,更要特别注意原材料的选用。(二)第二条模板工程质量标准在本工程中,除考虑常规模板工程的要求,保证安全和混凝土结构实体的尺寸正确外,也要考虑模板工程的“观感”效果。1.允许偏差和检查方法:在本工程中,允许偏差比原标准均有较大提高,具体见下表所示:序号项目允许偏差(mm)检查方法国家规范标准结构精品标准1轴线位置柱、墙、梁52钢尺检查2底模上表面标高+53水准仪或拉线尺量3截面内部尺寸基础105钢尺检查柱、墙、梁

3、+4,514层高垂直度不大于5m63经纬仪或吊线、钢尺检查大于5m855相邻两板表面高低差21钢尺检查6表面平整度522m靠尺和塞尺检查7阴阳角方正一2方尺、塞尺顺直一2线尺8预留孔洞中心线位置+105拉线、尺量尺寸+10,0+5,09门窗洞口中心线位置一2拉线、尺量宽、高一5对角线一+52.模板本身标准:模板工程要保证结构的几何尺寸和观感质量,首先要保证模板本身的质量。为此,在本工程混凝土的施工中,模板的材料选择是我们首先要控制的一个关键的、基础性的的环节,也是保证模板工程质量的一个首要环节。在这一环节中,我们主要考虑模板自身的刚度、平整度、造价、周转次数和可回收程度、施工难易程度以及对功效

4、和质量的影响程度,为此,我们制定了本工程选择模板的标准。因此,本工程必须选用自身刚度大、平整度对角误差小,能可靠保证混凝土结构表面观感质量的模板。序号项目国家规范标准允许偏差检查方法1刚度抗压强度静载抗弯强度静载2平整度53几何尺寸(对角线误差)5钢尺检查4厚度2卡尺检查5表面光洁度5检查6抗变形能力温胀干缩性一方尺、塞尺温度变形(热胀冷缩)一线尺7施工难易程度是否易于加工一是否便于现场搬运一支设是否方便可靠一8周转次数与可回收性一3.模板及支撑系统选型:3.1 模板选型:结合本工程结构特点、工期和质量要求,我们对本工程的模板选择如下:剪力墙大截面框架柱使用18mm厚双面覆膜多层模板,其余部位

5、模板为15mm厚双面覆膜多层模板,该模板重量轻、幅面大、不翘曲、易脱模、耐腐蚀等特点。模板配置按地下两层配置。承台、底板外侧模采用240Inin砖墙,M5混合砂浆砌筑。表面抹IOmm厚水泥砂浆找平层。3.2 支撑系统选型:剪力墙和柱、梁、顶板的支撑系统采用中48碗扣式脚手架支撑系统,支撑系统剪刀撑使用48X3.5mm钢管。剪力墙和大截面梁模板使用成品对拉螺栓加固。(三)第三条模板加工1 .墙体模板制作在木工棚进行,地面硬化时做出一块不小于3(2的平地,并制作加工平台。2 .模板分规格、类型编号及标识明确。3 .对模板加工的管理与验收的具体要求:3.1 墙体模板均使用双面覆膜多层板、50X10O

6、mm木方制作。3.2用于制作模板支撑体系的木方选用顺直、无木节、无劈裂的新木方,每根木方必须保证足够的截面尺寸,用于中间木方贴板面一侧及贴龙骨一侧上压刨刮平,模板边龙骨木方三面刮平。3.3模板切割采用高速锯片,木方固定在不飞边的一侧。切割后的多层模板开口处刮平,刷封闭漆以防面板遇水变形。3.4木方与模板连接采用平头木螺钉从正面固定,木螺钉长度为50mm,螺钉间距控制在600Inln左右,钉木螺钉前先在模板上用手电钻钻一小孔,然后再钉木螺钉,模板表面平整,不得有锤印。3.5木方与模板采用螺丝固定,螺钉帽处用腻子刮平。3.6剪力墙、大截面柱梁对拉螺栓孔提前在模板上标出,保证螺栓间距布置整齐。3.7

7、其他要求:A.支模、拆模必须人工传料,轻拿轻放,严禁抛扔,防止损坏成品。B.使用自然风干的方木,含水率不得大于18乐木龙骨使用前必须压刨,不规则截面木方进净刨刮平。保证规格一致、平整,平直度控制在1/1000以内。C.螺栓孔的排布应纵横对称,受力均匀,按间距600mm设置,墙厚超过600mm的在支模时内部加设顶杆,采用14钢筋,间距200mnD.模板面板的分割,必须有一定的规律,尽量使用整板制作模板,模板接缝必须水平、垂直,具有一定的装饰性。E.模板裁切、打孔后必须用专用封边漆封闭切口,以防模板吸水变形。所有木龙骨与面板之间的连接为电钻钻孔、螺丝固定。F.模板表面涂刷脱模剂,脱模剂选用色拉油,

8、不影响混凝土最终成型效果。G.板上钉钉、打孔时必须在板下垫木方,谨防悬空造成背面出现劈裂。模板使用时防止金属锐角划伤、碰伤、摔伤,确保模板表面质量。H.模板从加工制作到安装,建立模板验收程序管理规定,各施工队必须严格遵照执行,每一道工序都要安排专人进行检查,签认验收结果,如发现存在质量问题,任何人不得放行,专职质量员应对每一道工序的质量把关,对最终的质量负责。(四)第四条模板支设方法1 .模板配制:地下室墙柱与梁板按照一次支模、一次浇筑组织施工,外墙施工缝留在底板上皮40Onlm处。基础工程模板按总工程量的100%配制。2 .承台、地梁模板:本工程基础为下返承台,因承台侧壁需做防水,其侧模采用

9、120砖墙,M5混合砂浆砌筑,内侧抹IOmm厚水泥砂浆找平层。示意图如下:C15位垫层承台侧模示意图3 .墙脖模板:墙脖支模时采取吊模的方法,施工缝留在距底板上皮30Omm处,如下图所示:6 14止水蝶性4 .墙模板:地下室剪力墙模板采用15mm厚双面覆膜多层板模板,利用止水螺栓加固,止水螺栓水平间距、竖向间距均为600Inln一道。螺栓两端用圆锥型橡胶垫堵严,拆模后的圆洞用普通硅酸盐水泥和细砂按1:2比例封堵,并配加白水泥调色,保证墙体混凝土表面效果。地下室墙体模板从两端向中间排,模板拼缝处粘贴海绵条,防止漏浆。两端墙体模板拼缝处应对齐,保证拆模后墙体施工缝对齐,达到整齐的效果。拆模后混凝土

10、缝用砂纸打磨平整。板底标高25厚木垫块中14止水螺栓50X100木方48双管夹杠地下室外墙支模方法=15mm厚多层 )板模板板底标高地下室内墙支模方法墙厚-5040X40 X 4止水 钢板焊口满焊5 .柱模板:5.1 柱模板的找正:柱的标高通过50线控制,要求尽量减少立镜次数,且每次立镜尽量从同一控制点引出,以减少累计误差,柱模板利用预埋在楼面上的地锚及吊鼻通过中线顶、拉找正。柱模组拼时其接缝处粘贴海棉胶条,以防漏浆,影响工程质量。5 .2矩形柱模;外框柱模板采用18mm厚双面多层覆膜板,其它部位模板采用15mm厚双面覆膜多层板模板,小于Im截面柱采用双管夹杆及ei6对拉螺栓加固,大于80Om

11、m截面柱采用12#槽钢夹杠及16对拉螺栓加固。柱支模示意如下图所示:展 15mm厚敷膜 多层板模板,、16对 拉螺栓、RFIrELJ1一双管夹杠 400,50X100木J 方200800柱截面支模示意图6 .楼梯模:楼梯模板的支模方法与梁板基本相同,板底采用15mm厚敷膜多层板模板侧帮及台阶踢面采用50厚木模,其下采用钢管扣件支顶,楼梯踏步模板采用吊蹬支模,截面准确支撑牢固,支模示意图如下:楼梯底模支撑示意图框架梁支模示意图7.后浇带支模后浇带支模方法及后浇带封闭前施工期间的保护如下图所示。砖砌挡水沿8.梁板模板:梁板均采用碗扣脚手架支撑体系,早拆头及定型底托支顶调节梁、板底标高。梁板模一次支

12、齐,支模时板模顶着梁帮模,以便于楼板模拆除。梁、板模均采用双面覆膜多层模板,板模下采用50100木方做背楞,按250un间距摆放,梁起拱高度为跨度的l100031000。梁模采用帮加底形式,以便于梁帮拆除。9.集水坑模板:9.1 集水坑模板在模板加工区按照图纸尺寸预拼装而成,底面封闭并加设100X100mm排气及振捣孔,集水坑模板安装时使用汽车吊就位。9.2 集水坑模板使用15mm厚覆膜多层板,背楞采用50X10Omnl木方,模板每边中心位置安装吊环。并用IooXlOOnim木方顶住下口模板,压顶100XlOOnlm木方间距不大于600mmO(五)第五条梁柱节点处理本工程的梁柱节点较多,但类型

13、单一。梁柱节点模板采用散支散拆木模体系,柱节点模板共有四块面板为15丽厚多层板,根据具体梁进行豁口,次楞采用50XlOOmm木方,节点模板下包500mm,用槽钢或钢管进行加固。(六)第六条模板施工注意事项1.施工工艺:1.1 按照计算要求及以往施工经验确定的模板支设方案进行模板的施工。1. 2首先按规范要求及支撑布置方案搭设满堂红脚手架,并按图纸要求调整顺水杆和横杆的高度。然后安装早拆接头。1.3 在脚手架上铺设预先加工好的100X50Innl木方,特殊结构使用工字钢。1.4 在木方上铺设15厚模板,用螺丝紧固。1.5 使用早拆体系时对多层板进行调平,加固,使之符合常规模板验收标准。2.模板起

14、拱:2.1 当设计对模板起拱有明确要求时,严格按设计要求组织施工。2.2 当设计没有明确模板起拱要求,应按板不起拱、梁起1%。3%。的原则考虑模板起拱高度。2. 3模板起拱的检测:当梁底水平支撑钢管支设完毕后,立即拉通线检查模板起拱情况。3.模板支撑体系:3.1 模板架体施工前,弹出架体施工线。按线搭设架体。3. 2模板架体上层与下层的支撑要对应。4 .固定在楼板上的预埋件和预留洞在浇筑校前设专人进行检查,直至硅浇筑完毕,不得遗漏安装,并保证位置准确,其允许偏差应小于规范要求,严禁事后剔凿。5 .模板拼装后,应由工长和质量员按图纸对模板拼装尺寸和预留预埋进行复核,无误后方可进行下一道工序施工。(七)第七条模板工程验收方法首先模板使用前必须经施工人员挑选,不合格模板不得使用。模板拼装前必须刷隔离剂;拼装完毕后,在拼成构件内不许有杂物及木屑,必须清理干净,1.柱模板工

展开阅读全文
相关资源
猜你喜欢
相关搜索

当前位置:首页 > 建筑/环境 > 施工组织

copyright@ 2008-2023 1wenmi网站版权所有

经营许可证编号:宁ICP备2022001189号-1

本站为文档C2C交易模式,即用户上传的文档直接被用户下载,本站只是中间服务平台,本站所有文档下载所得的收益归上传人(含作者)所有。第壹文秘仅提供信息存储空间,仅对用户上传内容的表现方式做保护处理,对上载内容本身不做任何修改或编辑。若文档所含内容侵犯了您的版权或隐私,请立即通知第壹文秘网,我们立即给予删除!