聚苯乙烯泡沫塑料板外墙保温系统施工及方案.docx

上传人:p** 文档编号:749743 上传时间:2024-02-26 格式:DOCX 页数:16 大小:320.79KB
下载 相关 举报
聚苯乙烯泡沫塑料板外墙保温系统施工及方案.docx_第1页
第1页 / 共16页
聚苯乙烯泡沫塑料板外墙保温系统施工及方案.docx_第2页
第2页 / 共16页
聚苯乙烯泡沫塑料板外墙保温系统施工及方案.docx_第3页
第3页 / 共16页
聚苯乙烯泡沫塑料板外墙保温系统施工及方案.docx_第4页
第4页 / 共16页
聚苯乙烯泡沫塑料板外墙保温系统施工及方案.docx_第5页
第5页 / 共16页
聚苯乙烯泡沫塑料板外墙保温系统施工及方案.docx_第6页
第6页 / 共16页
聚苯乙烯泡沫塑料板外墙保温系统施工及方案.docx_第7页
第7页 / 共16页
聚苯乙烯泡沫塑料板外墙保温系统施工及方案.docx_第8页
第8页 / 共16页
聚苯乙烯泡沫塑料板外墙保温系统施工及方案.docx_第9页
第9页 / 共16页
聚苯乙烯泡沫塑料板外墙保温系统施工及方案.docx_第10页
第10页 / 共16页
亲,该文档总共16页,到这儿已超出免费预览范围,如果喜欢就下载吧!
资源描述

《聚苯乙烯泡沫塑料板外墙保温系统施工及方案.docx》由会员分享,可在线阅读,更多相关《聚苯乙烯泡沫塑料板外墙保温系统施工及方案.docx(16页珍藏版)》请在第壹文秘上搜索。

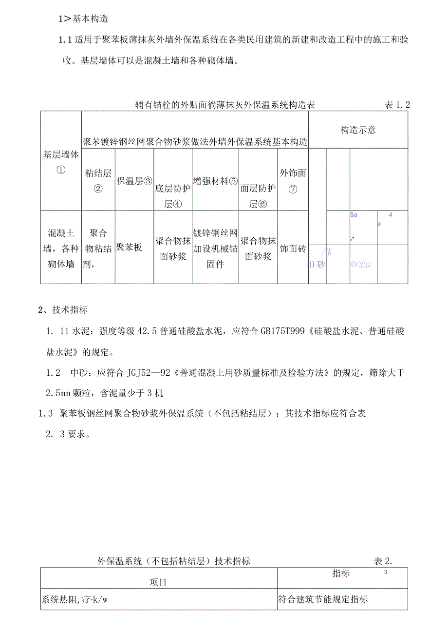
1、1基本构造1.1适用于聚苯板薄抹灰外墙外保温系统在各类民用建筑的新建和改造工程中的施工和验收。基层墙体可以是混凝土墙和各种砌体墙。辅有锚栓的外贴面徜薄抹灰外保温系统构造表表1.2基层墙体聚苯镀锌钢丝网聚合物砂浆做法外墙外保温系统基本构造构造示意粘结层保温层底层防护层增强材料面层防护层外饰面混凝土墙,各种砌体墙聚合物粘结剂,聚苯板聚合物抹面砂浆镀锌钢丝网加设机械锚固件聚合物抹面砂浆饰面砖$a,49/O砂W(J2、技术指标1. 11水泥:强度等级42.5普通硅酸盐水泥,应符合GB175T999硅酸盐水泥、普通硅酸盐水泥的规定。1.2 中砂:应符合JGJ5292普通混凝土用砂质量标准及检验方法的规定

2、,筛除大于2.5mm颗粒,含泥量少于3机1.3 聚苯板钢丝网聚合物砂浆外保温系统(不包括粘结层):其技术指标应符合表2. 3要求。外保温系统(不包括粘结层)技术指标表2.项目指标3系统热阻,疗k/w符合建筑节能规定指标透水性(24h),mlW3水蒸气湿流密度,g/m2-h,(包括外饰面,不含究石专)21.00抗冲击强度,J标准做法3无裂缝加强做法10无裂缝24h吸水量米,g/m2(不含饰面层)近1000冻融(25次)表面应无破损、裂纹、剥落现象如吸水量W500g/可不做冻融试验1. 4聚苯乙烯泡沫塑料板:其性能指标除应符合表2.4.1,表2.4.2的要求外,还应符合GB/T1080L12002

3、绝热用模塑聚苯乙烯泡沫塑料第【I类(阻燃型)的其他要求。膨胀聚苯板上墙前应在自然条件下陈化42d或在60C蒸汽中陈化5do聚苯乙烯泡沫塑料板技术指标R表2.4.1项目指标项目指标表观密度,kgm3222水蒸汽透湿系数,ngPa.m.SW4.5项目指标项目指标压缩强度,MPa20.1尺寸稳定性,%W0.2抗压强度,MPa20.1吸水率,%(v/v)W4断裂弯曲负荷,N225氧指数230弯曲变形,mm220导热系数,wm.kW0.041聚苯乙烯泡沫塑料板的允许偏差表2.4.2项目允许偏差项11允许偏差厚度,mm不大于501.5.1_?pmr+*-1.5大于502.0对角线差,mm3.0长度,mm9

4、001.5板边平直,mm2.012002.0版面平整度,mm1.02.5聚合物水泥砂浆胶粘剂:其技术指标见表2.5o聚合物水泥砂浆胶粘剂技术指标表2.5项目指标拉伸粘结强度,Mpa(与水泥砂浆)常温常态20.70耐水20.50拉伸粘结强度,Mpa(与18Ikg/rf聚苯板)常温常态20.10,或聚苯板破坏耐水20.10,或聚苯板破坏可操作时间,h222.6聚合物抹面砂浆:其技术指标见表2.60抹面砂浆总厚度宜控制在6mm9mm。聚合物抹面砂浆技术指标表2.6项目指标拉伸粘结强度,Mpa(与18kgm聚本板)常温常态20.10,或聚苯板破坏耐水20.10,或聚苯板破坏耐冻融20.10,或聚苯板破

5、坏柔韧性抗压强度/抗折强度(水泥基)W3.0开裂应变(无水泥基),%21.5可操作时间,h222.7耐碱型玻璃纤维网格布:其性能指标应符合表2.7的要求。耐碱型玻璃纤维网格布技术指标表2.7试验项目性能指标(标准网布)网孔中心距,mm46单位面积质量,gm22160断裂应变,W5耐碱断裂强力保留值(经纬向),%250耐碱断裂强力保留值,N50mm2750含胶量,%耐碱型玻璃纤维网格布28耐碱型玻璃纤维网格布2202.8镀锌钢丝网满足表2.8性能指标:镀锌钢丝网性能指标表2.8项目单位指标工艺热镀锌电焊网丝径mm1网孔大小mm12.5X12.5焊点抗拉力N65镀锌层重量gm221222. 8胺(

6、PA6或PA6.6)、聚乙烯(PE)或聚本烯(PP)等材料制成,不得使用回收的再生材.料。外保温系统与基层墙体的联结可以是粘结,也可以是粘结和机械锚固相结合。在以下情况时应当使用机械锚固件:1)基层墙体表面状况不易保证粘结强度;2)施工条件不适合粘结;3)设计要求采用机械锚固件或增设机械锚固件作辅助粘结手段。锚固件技术性能指标应符合表2.9的要求:有效锚固深度和螺钉长度根据基层墙体材料和设计要求并参照生产厂使用说明确定。锚固承载力应大于设计承载力。机械锚固件的主要技术性能指标表2.9序号试验项目技术指标1单个锚栓最大拉力承载力(已考虑安全系数)C25以上的混凝土中,20.60KN2单个锚栓对系

7、统传热增加值,w/kW0.0042.10其他材料1)发泡聚乙烯圆棒或条:用于填塞伸缩缝,作密封膏的背衬材料,其直径按缝宽的L3背选用。2)建筑密封膏:应采用聚氨酯、硅酮、本烯酸酯型建筑密封膏,其技术性能除应符合JC482聚氨酯建筑密封膏、GB16776建筑用硅酮结果密封膏、JC/T484本烯酸酯建筑密封膏的有关要求外,尚应与本系统有关产品进行相容试验。3施工准备2.1施工条件1)基层墙体经过工程验收达到质量标准的结构承重墙面或非承重墙面即可进行外墙外保温施Io对既有建筑墙体进行保温改造时,需对外墙外表面进行检查,空鼓处要彻底清除,开裂处应认真修补,通过检测确认其与所用胶粘剂有良好的附着力。如果

8、基层墙体的附着力不能满足要求,应对基层墙体外表面作彻底清理,或增加粘结面积率,或考虑加设机械锚固件。进行外墙外保温施工的墙体基面的尺寸偏差还应符合表3.1的规定。对于未达到以上标准的墙面应按照以下方法进行处理:对新建工程,墙面的混凝土残渣和脱模剂必须清理干净,墙面平整度超差部分应剔凿或修补。伸出墙面的(设备、管道)联结件已安装完毕,并留出外保温施工的余地。墙体基面的允许尺寸偏差表3.1工程做法项目允许偏差,W,mm砌体工程墙面垂直度每层5(2m托线板检查)全高10m20表面平整度52m直尺和楔形塞尺检查混凝土工程垂直度层身W5nl85m10全高H/100OOO且W30表面平整度2m长度82)门

9、窗口门窗洞口经过验收,洞口尺寸位置达到设计和质量要求;门窗框或辅框应已立完。3)气候条件操作地点环境和基底温度不低于5C,风力不大于5级,雨天不能施工。夏季施工,施工面应避免阳光直射,必要时可在脚手架上搭设防晒布,遮挡墙面。如施工中突遇降雨,应采取有效措施,防止雨水冲刷墙面。2.2材料准备材料进场后组织有关人员按照相关标准规定的技术要求进行查点验收。材料应分类挂牌存收。聚苯板应成捆立放,防雨防潮;钢丝网、网格布也应防雨存放;液态胶存放温度不得低于5;干混料存放注意防雨防潮和保质期。33施工机具外接电源设备、电动搅拌器、开槽器、角磨机、电锤、称量衡器、密齿手锯、壁纸刀、剪刀、钢丝刷、腻子刀、抹子

10、、阴阳角抿子、托线板、2m靠尺、墨斗等。一、施工工艺1、施工程序根据工程进度及现场情况,分两组同向“流水”作业,安装聚苯板由下到上施工,抹灰由上到下施工,常温施工时流水间隔24小时以上。本系统操作程序见下图:2、施工要点2. 1材料配制保温板粘结剂、保温板抗裂抹面砂浆的配制:保温板粘结剂、保温板抗裂抹面砂浆按产品使用说明书配合比配制。专人负责,严格计量,机械搅拌,确保搅拌均匀,要求无结块、粉团。搅好的浆料在静35分钟,再搅拌,从而打破初始的组合,才能更好发挥本系统的性能。配好的浆料应在两小时内用完,注意防哂避风,以免水分蒸发过快。一次配制量不易过多应在可操作时间内用完,禁止使用过时砂浆。2.2

11、 弹控制线根据建筑立面设计和外墙外保温技术要求,在墙面弹出外门窗水平、垂直控制线及伸缩线、装饰缝线等。2.3 3挂基准线在建筑外墙大角(阴角、阳角)及其他必要处挂垂直基准钢线,每个楼层适当位置挂水平线,以控制聚苯板的垂直度和平整度。2.4 配制聚合物砂浆胶粘剂2.6安装角钢托:角钢托按水平线安装每3米高度安装一道,其做法如图2、图3所示:每层楼板附近保温块接缝处设此角钢托1.404(d=7040ffl),L6DX5-50刷用),d60时用不等边角钢,长边=d+10,长L50,中距9D0r用图12镀锌侑钢托的胡海()二个06膨胀螺栓2.7粘贴聚苯板外保温用聚苯板或挤塑板尺寸为60OmmX90Om

12、n600mmX120Onln)两种,非标准尺寸或局部不规则处可现场裁切,但必须注意切口与板面垂直。整块墙面的边角处应用最小尺寸超过30Omnl的聚苯板。聚苯板的拼缝不得正好在门窗口的四角处。具体操作如图1所示:粘贴方式有点框法和条粘法。点框法适用于平整度小于8mm(2米范围内)的墙而,对于平整度大于8mm(2米范围内)的墙面,应采用1:2.5水泥砂浆找平,如不找平会导致粘结砂浆用量增加,当设计要求外饰面为面砖时,选用密度不小于22小/m、导热系数不大于0.041wm.k的聚苯板,粘结面积不小于50%。,加强处见个体工程设计;条粘法适用于平整度较好的墙面。不得在聚苯板侧面涂抹胶粘剂。具体做法如图

13、4、图5所示:图2聚/板点粘法图3聚苯板条粘法排板时按水平排列,上下错缝粘贴,阴阳角处做错茬处理。具体做法如图6所示:图I聚茶板转向排板小意图粘贴用专用工具轻柔、均匀挤压聚苯板,随时用2m靠尺和托线板检查平整度和垂直度。时用相应厚度的聚苯板填塞。拼缝高差不大于L5mm,否则用砂纸或专用打磨机具打磨平整,聚苯板安装的允许偏差见表2.7o聚苯板安装的允许偏差及检查方法表2.7项次项目允许偏差mm检查方法1表面平整3用2m靠尺,契形塞尺检查2立面垂直3用2m托线板检查3阴、阳角垂直3用2m托线板检查4阳角方正3用200mm方尺检查5接缝高差1.5用直尺检查2.8配制抗裂砂浆2.9抹底层抗裂砂浆在聚苯

14、板粘贴检验后,在聚苯板上薄抹一层抗裂砂浆,厚度为23mm,用杠尺搓去抹痕,要求平整,待抗裂砂浆凝固后即可铺贴四角钢丝网。2.11安装锚固件:应选用塑料固定盘式锚固件。设计要求采用机械锚固件固定聚苯板时,锚固件安装应至少在胶粘剂使用24h后进行,用电锤在聚苯板表面向内打孔,进墙深度按设计要求。拧入或敲入锚固钉,钉头和园盘不超过板面。锚固件数量,标高在20m以上50In以下的部位时不少于5个/n?;标高在50m以上时不少于6个/n?。大墙面锚固件的固定密度为间距50Omm,梅花状分布,在洞口、窗口侧口、女儿墙顶、阴阳角、沉降缝等部位,锚固件间距500洲,错位锚固,锚固件锚固深度不小于40cm。其做法如图7所示

展开阅读全文
相关资源
猜你喜欢
相关搜索

当前位置:首页 > 建筑/环境 > 保温建筑

copyright@ 2008-2023 1wenmi网站版权所有

经营许可证编号:宁ICP备2022001189号-1

本站为文档C2C交易模式,即用户上传的文档直接被用户下载,本站只是中间服务平台,本站所有文档下载所得的收益归上传人(含作者)所有。第壹文秘仅提供信息存储空间,仅对用户上传内容的表现方式做保护处理,对上载内容本身不做任何修改或编辑。若文档所含内容侵犯了您的版权或隐私,请立即通知第壹文秘网,我们立即给予删除!