基层特种设备安全监察员装备配备表、继续教育内容表.docx

上传人:p** 文档编号:75091 上传时间:2022-12-18 格式:DOCX 页数:4 大小:28.51KB
下载 相关 举报
基层特种设备安全监察员装备配备表、继续教育内容表.docx_第1页
第1页 / 共4页
基层特种设备安全监察员装备配备表、继续教育内容表.docx_第2页
第2页 / 共4页
基层特种设备安全监察员装备配备表、继续教育内容表.docx_第3页
第3页 / 共4页
基层特种设备安全监察员装备配备表、继续教育内容表.docx_第4页
第4页 / 共4页
亲,该文档总共4页,全部预览完了,如果喜欢就下载吧!
资源描述

《基层特种设备安全监察员装备配备表、继续教育内容表.docx》由会员分享,可在线阅读,更多相关《基层特种设备安全监察员装备配备表、继续教育内容表.docx(4页珍藏版)》请在第壹文秘上搜索。

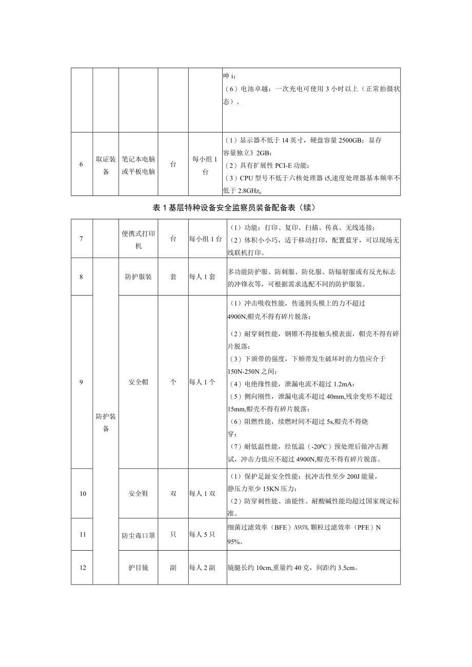
1、附录A(规范性)基层特种设备安全监察员装备配备表基层特种设备安全监察员装备配备要求见表1。表1基层特种设备安全监察员装备配备表序号类别名称计量单位配备要求主要技术参数1通讯指挥装备手持执法终端(手机)台每人1台(1)安全操作系统,中文操作界面,支持全网通讯运行商;(2)具备定位,内置GPS/北斗定位模块;(3)具备拍照与录音功能;(4)具备防爆功能。2对讲机台每人1台或每车1台(1)频道数量不低于16个,无阻碍环境理论距离不低于6公里;(2)IP54-55“强风雨”防水;(3)可进行写频及设置参数及记录存档、并可无线复制。3取证装备执法记录仪台每人1台(1)执法记录仪重量(外接设备除外)应W1

2、50g;(2)镜头广角不小于125;(3)摄录功能视频分辨率不低于1920X1080,视频分辨力不低于600线;(4)具备预摄录和延录功能;(5)内置16G(含)以上存储卡;(6)可持续连续摄录11小时以上动态视频,待机50小时以上;(7)具有防爆和具备大于3米高度抗跌落防损功能。4摄像机台每小组1台(1)具备防磁、防爆、音频无噪录制功能;(2)体积小、重量轻便于携带,支持三连拍、五连拍等,在固定区域内设置有物体移动可以自动录;(3)采用双滤光片切换装置,能切换红外、日夜模式,录制视频分辨率不低于720P,且支持多种设置。5照相机台每小组1台(1)具备防磁、防爆功能,5米防水、1.5米防震、-

3、20防冻、防尘,自带强闪光灯,恶劣环境正常使用;(2)具有MP4格式、20p高清摄像、光学防抖功能;(3)图片清晰:完全黑暗环境拍摄清晰图片,不低于1400万像素;(4)焦距可调:14.4倍变焦=3.6倍光学变焦*4倍数码变焦;(5)超级微距:最近拍摄距离4cm,细节拍摄更清呻i;(6)电池卓越:一次充电可使用3小时以上(正常拍摄状态)。6取证装备笔记本电脑或平板电脑台每小组1台(1)显示器不低于14英寸,硬盘容量2500GB;显存容量独立2GB:(2)具有扩展性PCI-E功能;(3)CPU型号不低于六核处理器i5,速度处理器基本频率不低于2.8GHzo表1基层特种设备安全监察员装备配备表(续

4、)7便携式打印机台每小组1台(1)功能:打印、复印、扫描、传真、无线连接;(2)体积小小巧,适于移动打印,配置蓝牙,可以现场无线联机打印。8防护装备防护服装套每人1套多功能防护服、防刺服、防化服、防辐射服或有反光标志的冲锋衣等,可根据需求选配不同的防护服装。9安全帽个每人1个(1)冲击吸收性能,传递到头模上的力不超过4900N,帽壳不得有碎片脱落;(2)耐穿刺性能,钢锥不得接触头模表面,帽壳不得有碎片脱落:(3)下颁带的强度,下颊带发生破坏时的力值应介于150N-250N之间:(4)电绝缘性能,泄漏电流不超过1.2mA:(5)侧向刚性,泄漏电流不超过40mm,残余变形不超过15mm,帽壳不得有

5、碎片脱落:(6)阻燃性能,续燃时间不超过5s,帽壳不得烧穿:(7)耐低温性能,经低温(-20C)预处理后做冲击测试,冲击力值应不超过4900N,帽壳不得有碎片脱落。10安全鞋双每人1双(1)保护足趾安全性能:抗冲击性至少200J能量,静压力至少15KN压力:(2)防穿刺性能、油能性、耐酸碱性能均超过国家规定标准。11防尘毒口罩只每人5只细菌过滤效率(BFE)N95%,颗粒过滤效率(PFE)N95%。12护目镜副每人2副镜腿长约10cm,重量约40克,间距约3.5cm。13防护手套副每人2副(1)全指防护手套,便于快速脱戴。手套背面具备TPR抗冲击性能,最大程度防护手背及手指;(2)材料:采用9

6、5%涤纶懿氨纶高强混编涤纶梯级布,320gm1.,具有颜色鲜艳醒目、吸湿透气、柔软舒适、防静电等性能。14救护包个每小组或每车1个装有止血药物、止血绷带、硝酸甘油等急救用品与药物,可根据需求选配不同的急救用品与药物。15应急包个每小组或每车1个装有包括移动电源、便携式车用充气泵、应急帐篷、冷暖风机、防水接线板、应急灯、汽油桶、净水装置、便携炊具、电热水壶、暖水壶、警示标志等,可根据需求选配不同的用品。18表1基层特种设备安全监察员装备配备表(续)防护装备可燃气体检测仪个每小组或每车1个(1)检测范围:OTOOppm,O-100ppm,0-50ppm,0-100ppm05000ppm;(2)采样

7、方式:内置泵吸式,流量0-500m1.min,响应时间T90W20$,恢复时间W30s,精准度士3(F.S);(3)显示单位:PPM、mgmVo1.%、1.E1.%xPPHM.ppb、mg1.,可切换显示:(4)线性度士2%,重复性W2%;(5)报警方式:声光报警、视觉报警、故障报警、欠压报警:(6)防爆,工作电源带过压、过充过放、短路保护功能:(8)数据存储:支持100条以上数据存储容量,可自由调节存储间隔保存数据,可支持本机存储、查看、删除历史数据及报警记录。其他防护用具套根据需求选配防噪音耳塞、肩灯等,可根据需求选配不同的防护用具。其他执法车辆等其他执法装备按照相关规定和工作需要合理配备

8、。附录B(规范性)特种设备安全监察员继续教育内容表特种设备安全监察员继续教育内容见表2。表2特种设备安全监察员继续教育内容表序号类型内容1特种设备安全监察知识特种设备安全监察体制、特种设备法规标准、特种设备责任体系与法律责任、特种设备行政许可、特种设备安全监督检查、特种设备应急处置、特种设备事故调查处理、特种设备行政处罚以及安全生产常识等方面的新要求。2特种设备知识特种设备新技术、新工艺、新方法、新要求等。3监督管理知识特种设备生产、使用单位、检验检测机构以及特种设备检验检测人员、作业人员监督管理要求等。4监察技能知识特种设备安全监督检查方案编制、检查记录填写、监察指令出具、监察案例分析、使用登记办理、监督检查技巧、监察装备使用、查封扣押操作方法以及特种设备信息化监管技能等。

展开阅读全文
相关资源
猜你喜欢
相关搜索

当前位置:首页 > 资格/认证考试 > 安全工程师考试

copyright@ 2008-2023 1wenmi网站版权所有

经营许可证编号:宁ICP备2022001189号-1

本站为文档C2C交易模式,即用户上传的文档直接被用户下载,本站只是中间服务平台,本站所有文档下载所得的收益归上传人(含作者)所有。第壹文秘仅提供信息存储空间,仅对用户上传内容的表现方式做保护处理,对上载内容本身不做任何修改或编辑。若文档所含内容侵犯了您的版权或隐私,请立即通知第壹文秘网,我们立即给予删除!