施工升降机.docx

上传人:p** 文档编号:750966 上传时间:2024-02-26 格式:DOCX 页数:19 大小:586.72KB
下载 相关 举报
施工升降机.docx_第1页
第1页 / 共19页
施工升降机.docx_第2页
第2页 / 共19页
施工升降机.docx_第3页
第3页 / 共19页
施工升降机.docx_第4页
第4页 / 共19页
施工升降机.docx_第5页
第5页 / 共19页
施工升降机.docx_第6页
第6页 / 共19页
施工升降机.docx_第7页
第7页 / 共19页
施工升降机.docx_第8页
第8页 / 共19页
施工升降机.docx_第9页
第9页 / 共19页
施工升降机.docx_第10页
第10页 / 共19页
亲,该文档总共19页,到这儿已超出免费预览范围,如果喜欢就下载吧!
资源描述

《施工升降机.docx》由会员分享,可在线阅读,更多相关《施工升降机.docx(19页珍藏版)》请在第壹文秘上搜索。

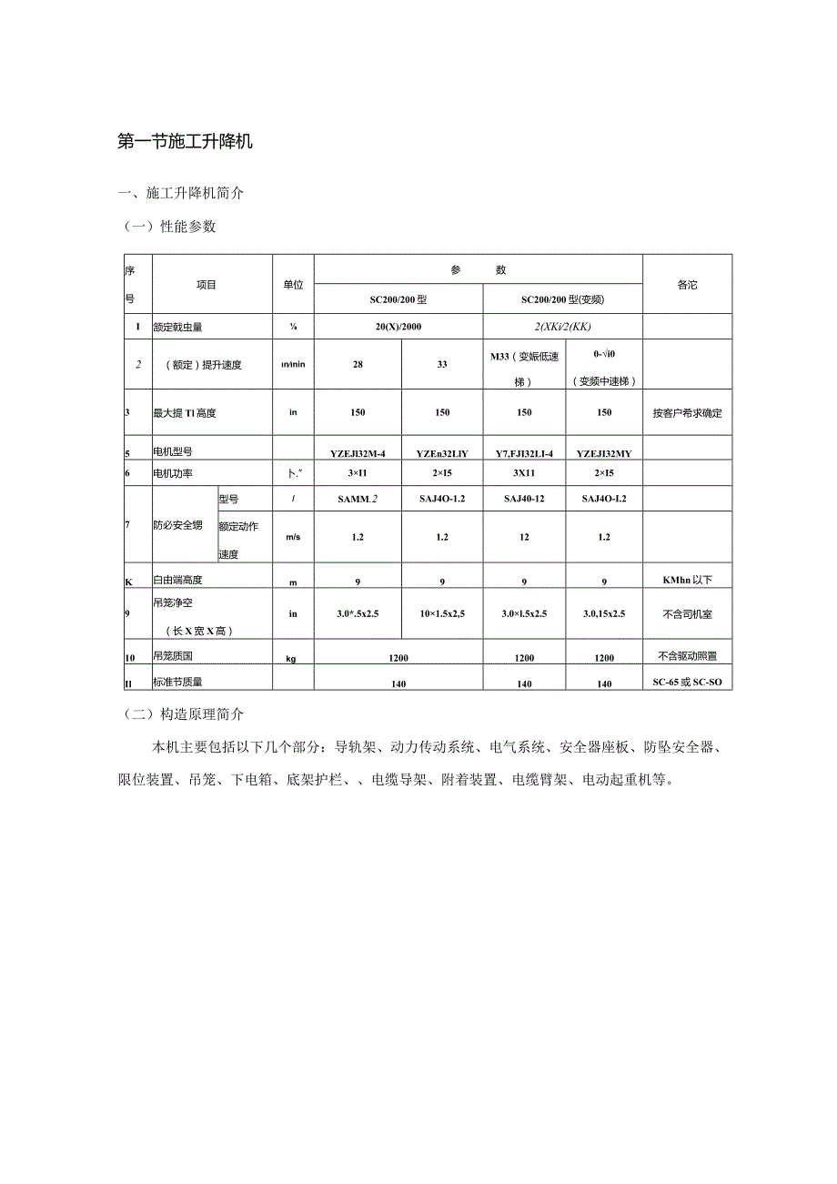
1、第一节施工升降机一、施工升降机简介(一)性能参数序号项目单位参数各沱SC200/200型SC200/200型(变频)I颔定戟虫量20(X)/20002(XKi2(KK)2(额定)提升速度nnin2833M33(变娠低速梯)0-i0(变频中速梯)3最大提Tl高度in150150150150按客户希求确定5电机型号YZEJl32M-4YZEn32LlYY7,FJI32LI-4YZEJI32MY6电机功率卜.”3I12I53X112I57防必安全甥型号/SAMM.2SAJ4O-1.2SAJ40-12SAJ4O-I.2额定动作速度m/s1.21.2121.2K白由端高度m9999KMhn以下9吊笼净空

2、(长X宽X高)in3.0*.5x2.5101.5x2,53.0l.5x2.53.0,15x2.5不含司机室10吊笼质国kg120012001200不含驱动照置Il标准节质量140140140SC-65或SC-SO(二)构造原理简介本机主要包括以下几个部分:导轨架、动力传动系统、电气系统、安全器座板、防坠安全器、限位装置、吊笼、下电箱、底架护栏、电缆导架、附着装置、电缆臂架、电动起重机等。1导轨架2限位碰块3驱动体4驱动单元5安仝器座板6电气系统7防坠安仝器8上电箱9吊笼10下电箱11底架护栏12电缆卷简13电缆导架M电缆卷筒】5电缆臂架16电动吊杆(三)导轨架导轨架是升降机的运行轨道,由长度为

3、1508Inin的标准节通过联接螺栓M24X230连接组成,螺栓预紧力不小于30kg.m。标准节由无缝钢管、角钢、钢管等焊接而成,其上装有齿条,通过三个内六角螺钉紧固,齿条可拆换。标准节四根主弦杆下端焊有止口,齿条下端设有弹簧柱销,以便标准节安装时准确定位。标准节截面尺寸为650X65OmIn的正方形截面。导轨架通过附着架与建筑物联接。1.齿条2标准节3.螺号M164.垫圈M165.平里L定位销2.M242203.平空M244.坐圈M24M166.内六角螺拴M16X657.定位销10X405.螺母M241、驱动系统由动力车架(图1中序2)和驱动单元(图1中序3)组成。动力车架下端用销轴与吊笼顶

4、部相边,并有二对滚轮贴着两立柱起导向作用。动力车架上端与导轨架两立柱有二对滚轮骑住立柱。动力车架上安装有二组/三组驱动单元。驱动单元是升降机运行的动力部分,该机由二组/三组驱动单元同时工作,共同作用,带动升降机吊笼及其载荷(或施工人员)上下运行。驱动单元由电动机、电磁制动器、弹性联轴器、减速器及传动齿轮等组成。电动机为YZEJl32L1-4(YZEJ132M-4)型起重用盘式制动三相异步电机,其制动器电磁铁可随制动盘的磨损实现自动跟踪调整,且制动力矩可调。减速器为平面包络环面蜗杆减速器,具有结构紧凑、承载能力高、机械效率高、使用寿命长、工作平稳等特点。弹性联轴器为挠爪式,两半联轴器间有弹性缓冲

5、块以减轻运行时的冲击和振动。(驱动系统出厂前分左右,安装时需按照需正确配置安装)1.驱动架2、减速器3、传动底板4、电动机5、连接销轴或传感果6,吊笼7,背靠轮8.齿条9,齿轮2、电气系统电气系统是升降机的机械指挥部分,升降机的所有动作都是由电气系统来指挥的,电气系统包括上电气箱、下电气箱、司机室操纵台及主控制电缆等。3、安全器座板由安全器座板和防坠安全器等组成。安全器座板固定于吊笼内侧壁,其上装有获国家专利的SAJ40T.2防坠安全器。安全器轴上的齿轮与导轨架上的齿条啮合,如果吊笼由于故障而引起超速下坠时,安全器座板可以承受制停吊笼所产生的冲击力。当吊笼意外超速下降时,安全器里的离心块克服弹

6、簧拉力,带动制动锥鼓旋转,与其相连的螺杆同时旋进,制动锥鼓与外壳接触逐渐增加摩擦力使齿轮轴停止转动,齿轮与齿条没有相对运动,将吊笼平稳制停在导轨架上,并切断控制电源,确保人员和设备的安全。安全器的动作速度在出厂时已调好并打好铅封,用户不得擅自打开,否则后果自负。防坠安全器起作用后,必须将安全器调整复位后,才能允许开动升降机。安全器的检定周期为两年。当铭牌上的标定日期满两年后,应将安全器送交生产厂家重新检定。1、安全底板2、压板3、总限位开关4、行程开关5、防安全坠器6、垫圈7、螺钉M20xl208、嘿母M209、垫圈M2010、减震条20x50x740Ik噱栓M16x6012、垫圈M164、限

7、位装置限位装置包括上、下行程限位碰块及上、下行程极限碰块,吊笼上、下行程限位碰块保证吊笼运行至上、下指定位置时自动切断电源使升降机停止运行。(见图17)极限碰块保证吊笼在运行至上、下限位后如因限位开关故障而继续运行时立即切断主电源,使吊笼制停,保证吊笼往上运行不冒顶、往下运行不撞底。极限开关为非自复位式,只有通过手工操作才能复位。应经常检查这些碰块和相应开关之间的位置是否准确,以保证各开关动作准确无误。5、吊笼吊笼是用型钢、冲孔板及花纹板等焊接而成的全封闭式结构,顶部设有出口门,供人员上下出入使用,吊笼进口门及出口门均为抽拉门。吊笼上装有电气联锁装置,当笼门开启时吊笼将停止工作,确保吊笼内人员

8、的安全。在吊笼一侧装有司机室,供司机操作时用。全部操作开关均设在司机室内。在吊笼上有14个导向滚轮沿导轨架运行。2OJ1918序号名称序号名称序号名称序号名称1吊笼骨架12撞块23螺栓M12x3534防震垫2滑轮13xn24螺栓M87035隔套3单彳门14犁圈25螺母M836螺钉Ml2x454安装起重机15压板26m837垫悔I125轮座16行程开关27螺栓M83538螺呼M126导向轮17安全装置28滑轮39而板7下行们18前护栏29轴承8020240螺栓M8258保险扣19侧护栏30螺栓M165041垫圈89对更滑轨20后护栏31犁圈16吊笼装配已在出厂前完成C10对重21卜导向轮32弹型

9、1611上行门22上导向轮33压板吊笼总成图8滚轮安装示意导向轮安装示意上导向轮下导向轮1滚轮2深沟轴承6206 3密封圈41.2x3.554弹簧挡圈62 5轴6弹性挡圈30 7闷 盖8油封1导向轮2托架3六角头螺栓M16x504平垫M165弹垫MI66压圈7轴套a8轴a9弹垫M20IO六角头螺栓M20xl3011螺母M2012轴套b13螺栓M20xl506、电缆卷筒电缆筒图9电缆吊臂图10电缆卷筒是用来收放主电缆的部件。当吊笼向上运行时,吊笼带动电缆卷筒内的主电缆向上运行,当吊笼向下运行时,主电缆缓缓收入电缆卷筒内,防止主电缆散落在地上被轧坏发生危险。7、电缆臂架电缆臂架是拖动主电缆上下运行

10、的装置,主电缆由电缆臂架拖动,可以安全地通过电缆护圈,防止电缆被刮伤而发生意外。另外,电缆臂架也可以将主电缆挑出底护栏外,使主电缆可以安全地收入电缆卷筒内。8、护着架附着装置是导轨架与建筑物之间的联接部件,用以保持升降机导轨架及整体结构的稳定。附着装置有多种型号,客户可根据需要选择其中任一型号,附着装置,可在一定范围内调节某些尺寸:沿导轨架高度一般每隔69m安装一个附着装置,在最高的一道附着装置以上的导轨架悬出高度不得超过9m(100米以上不得超过7.5m)。9、护栏主要包括底座和防护围栏两部分。(1)底架:四周与地面防护围栏相联接,中央为导轨架底座。它可承受由升降机传递的全部垂直载荷。安装时

11、,底架通过地脚螺栓与升降机的碎基础锚固在一起。(2)防护围栏:由角钢、钢板及钢丝编织网焊接而成,将升降机主机部分包围起来,形成一个封闭区域,使升降机工作时人员不得进入该区域。在防护围栏入口处设有护栏门,门上装有机电联锁装置。围栏总成图121围护撑杆2、后围栏3、左围栏4、左右围栏5右围栏6、缓冲弹簧7、底座8、右门框架9、围护底撑杆10、小门11、总电箱12、左门框架13外围护门14、底节15、第二节标节16、限位碰块17、限位调节块18、外围护限位器二、升降机的安装1、对安装人员的要求(1)安装人员必须经过专业培训,考核合格并取得国家技术质量监督部门颁发的“特种设备作业人员证”后才能上岗;必

12、须具有一定的文化水平,并熟悉本机的主要性能和特点,具备熟练的机械操作技能和排除一般故障的能力。(2)安装人员必须身体健康,无恐高症,无高血压、心脏病等疾病。(3)安装人员必须配戴必要的安全保护用品,如安全帽、安全带等,严禁酒后上岗。(4)施工作业应听从指挥,彼此配合协调,不得各行其是。(5)安装人员应在指定的岗位上工作,不得擅自离开或互相调换岗位。若因工作需要,中途调换人员,应做好交接工作。2、现场的准备(1)安装之前,应首先熟读使用说明书中有关内容。选择适当的安装位置,保证升降机安装符合质量和安全要求。(2)选定安装位置时,应尽量使升降机距离建筑物越近越好,以利于整机的稳定,但升降机的运动部

13、件与建筑物和固定施工设备(如脚手架等)之间的最小安全距离不得小于250mmo(3)选择基础时,应考虑地面具有一定的承载能力,同时还要考虑建筑物附着点处所能承受的最大作用力。事先应在建筑物上预埋好连接螺栓。(4)升降机的基础必须是专门浇注的混凝土基础,基础的大小及位置应符合使用说明书中对基础的有关要求,其基础座上框平面应与水平面平行误差不大于l100o(详见图23)(5)在浇注基础时,还应当考虑排水措施,不得使升降基础浸泡在水中。(6)现场供电状况应良好,保证足够的供电容量。必须配备一个专供升降机用的电源箱,每个吊笼均应由一开关控制。3、安装前的准备工作(1)安装场地应清理干净,并有标志杆围起来

14、,禁止非工作人员入内。(2)安装过程中必须有专人负责,统一指挥。(3)设备运抵现场,应首先检查设备在运输过程中有无损伤,各零、部件有无遗失现象。(4)安装前应将23套附着装置、电缆导向装置清点好,准备安装时使用。特别是附着装置用的各种联接件和标准件。(5)如施工现场已配有起重设备(如塔吊、汽车吊等)协助安装,可以先在地面上将4-6个导轨架标准节用8.8级高强度螺栓M24X220组装好(拧紧力矩不小于300Nm)o组装前,应将管接口处及齿条两端的泥土等杂物清理干净,在标准节立柱管的接口处涂以润滑脂防止生锈。(6)必要的辅助设备和量具:5t以上汽车吊(或塔吊)一台、经纬仪一台。4、正式安装(1)正式安装当上述各项工作准备就绪,确认基础符合要求、设备完好后,可以进行升降机的正常安装。如遇有雨、雪、大雾及风力超过五级时不得进行安装作业。1)用辅助起重设备将升降机底架安

展开阅读全文
相关资源
猜你喜欢
相关搜索

当前位置:首页 > 建筑/环境 > 施工组织

copyright@ 2008-2023 1wenmi网站版权所有

经营许可证编号:宁ICP备2022001189号-1

本站为文档C2C交易模式,即用户上传的文档直接被用户下载,本站只是中间服务平台,本站所有文档下载所得的收益归上传人(含作者)所有。第壹文秘仅提供信息存储空间,仅对用户上传内容的表现方式做保护处理,对上载内容本身不做任何修改或编辑。若文档所含内容侵犯了您的版权或隐私,请立即通知第壹文秘网,我们立即给予删除!