滤油注意事项检查卡.docx

上传人:p** 文档编号:751467 上传时间:2024-02-26 格式:DOCX 页数:3 大小:17.55KB
下载 相关 举报
滤油注意事项检查卡.docx_第1页
第1页 / 共3页
滤油注意事项检查卡.docx_第2页
第2页 / 共3页
滤油注意事项检查卡.docx_第3页
第3页 / 共3页
亲,该文档总共3页,全部预览完了,如果喜欢就下载吧!
资源描述

《滤油注意事项检查卡.docx》由会员分享,可在线阅读,更多相关《滤油注意事项检查卡.docx(3页珍藏版)》请在第壹文秘上搜索。

1、序号检查内容检查结果备注1检查施油是否办理对应工作票(工作票编号:)2检查工作票中工作内容及JSA是否与实际相符(JSA编号:)3检查就地滤油机是否设置封闭式围栏4检查确认虑油人员是否熟悉就近砂箱位置5检查确认所滤油箱油位是否记录(油箱油位:检查时间:)6检查滤油机进、出口软管连接处绑扎是否牢固可靠7检查电源接头处是否已更新临时用电信息卡8检查电源线是否用S钩(绝缘的)钩起9检查电源线挂起高度是否阻碍行人通行10检查滤油机电机接地线是否连接可靠11检查施油机上控制开关是否处于断开状态12检查施油机区域是否设置“严禁烟火”标示牌13检查滤油区域是否配置合格的灭火器材14检查滤油机接地线是否连接良

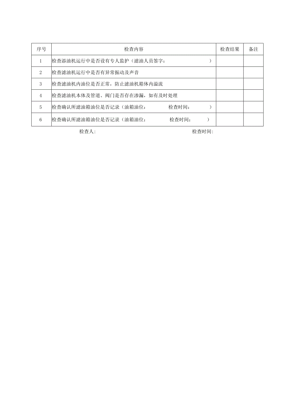
2、好检查人:检查时间:滤油过程检查表:序号检查内容检查结果备注1检查添油机运行中是否设有专人监护(滤油人员签字:)2检查滤油机运行中是否有异常振动及声音3检查滤油机内油位是否正常,防止滤油机箱体内溢流4检查滤油机本体及管道、阀门是否存在渗漏,如有及时处理5检查确认所滤油箱油位是否记录(油箱油位:检查时间:)6检查确认所滤油箱油位是否记录(油箱油位:检查时间:)检查人:检查时间:序号检查内容检查结果备注1检查滤油机进、出口门是否关闭到位2检查油箱至滤油机一次门、油箱入口隔离门是否关闭到位3检查所滤油箱油位,再次记录(油箱油位:检查时间:)4检查滤油过程中渗漏的油是否及时清理到指定废油桶5滤油机拆除后检查滤油用接口是否进行有效封堵6滤油机拆除后检查滤油区域是否符合“工完、料净、场地清”要求7检查滤油过程中产生的杂物(含易燃物)是否及时清理至指定存放点8检查滤油机控制开关及总电源是否断开9检查电源线是否已全部收回10检查油箱附近是否有人进行动火作业(动火负责人:检查时间)11对油箱附近动火人员进行安全提示检查人:检查时间:

展开阅读全文
相关资源
猜你喜欢
相关搜索

当前位置:首页 > 医学/心理学 > 眼科学

copyright@ 2008-2023 1wenmi网站版权所有

经营许可证编号:宁ICP备2022001189号-1

本站为文档C2C交易模式,即用户上传的文档直接被用户下载,本站只是中间服务平台,本站所有文档下载所得的收益归上传人(含作者)所有。第壹文秘仅提供信息存储空间,仅对用户上传内容的表现方式做保护处理,对上载内容本身不做任何修改或编辑。若文档所含内容侵犯了您的版权或隐私,请立即通知第壹文秘网,我们立即给予删除!