22运用QC方法提高外墙STP真空绝热板施工质量.docx

上传人:p** 文档编号:752243 上传时间:2024-02-26 格式:DOCX 页数:9 大小:316.61KB
下载 相关 举报
22运用QC方法提高外墙STP真空绝热板施工质量.docx_第1页
第1页 / 共9页
22运用QC方法提高外墙STP真空绝热板施工质量.docx_第2页
第2页 / 共9页
22运用QC方法提高外墙STP真空绝热板施工质量.docx_第3页
第3页 / 共9页
22运用QC方法提高外墙STP真空绝热板施工质量.docx_第4页
第4页 / 共9页
22运用QC方法提高外墙STP真空绝热板施工质量.docx_第5页
第5页 / 共9页
22运用QC方法提高外墙STP真空绝热板施工质量.docx_第6页
第6页 / 共9页
22运用QC方法提高外墙STP真空绝热板施工质量.docx_第7页
第7页 / 共9页
22运用QC方法提高外墙STP真空绝热板施工质量.docx_第8页
第8页 / 共9页
22运用QC方法提高外墙STP真空绝热板施工质量.docx_第9页
第9页 / 共9页
亲,该文档总共9页,全部预览完了,如果喜欢就下载吧!
资源描述

《22运用QC方法提高外墙STP真空绝热板施工质量.docx》由会员分享,可在线阅读,更多相关《22运用QC方法提高外墙STP真空绝热板施工质量.docx(9页珍藏版)》请在第壹文秘上搜索。

1、运用QC方法提高车外墙STP真空绝热板施工质量*工程QQ小组一、工程概况:*区棚户区改造项目3#地块标段,该工程位于*市东赵路北。*有限公司施工。本标段为1-4#楼及周边地下车库,总建筑面积为69074.74肝,地下两层、地上三十三层,车库为地下一层。外墙保温为STP真空绝热板,结构类型为:剪力墙结构。本工程现已获得*安全文明工地、*质结构杯工程,争创*杯奖项。二、小组简介:本小组成员有9名,成员情况如下表:小组名称*工程QC小组课题名称运用QC方法提高车外墙STP真空绝热板施工质量成立时间2020年8月小组类型现场型活动时间2020年9月-2020年11月姓名职称职务学历分工中级工程师项目经

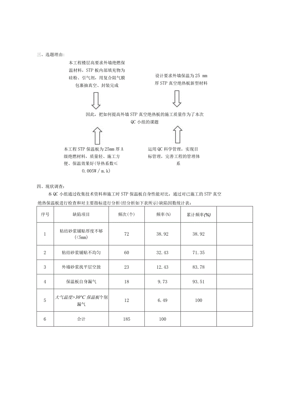
2、理大专组长中级工程师技术负责人大专副组长助理工程师施工员大专副组长中级工程师技术员大专组员中级工程师技术员大专组员助理工程师技术员大专组员中级工程师资料员大专组员助理工程师材料员大专组员助理工程师预算员大专组员三、选题理由:本工程楼层高要求外墙绝燃保温材料,STP板内部填充物为硅粉、引气剂,用复合阻气膜包裹抽真空、封装完成设计要求外墙保温为25 mm厚STP真空绝热板新型材料因此,把如何提高外墙STP真空绝热板的施工质量作为了本次QC小组的课题本工程STP保温板为25mm厚A运用QC科学管理,实现目级绝燃材料,质量轻、施工方标管理,完善工程的管理体便、保温效果好(导热系数系O.005Wm.k)

3、四、现状调查:本QC小组通过收集技术资料和施工时STP保温板自身性能对比,通过对已施工的STP真空绝热保温板进行检查和对主要指标进行分析(经分析如下表所示)缺陷因数统计表:序号缺陷项目频次(个)频率(%)累计频率(%)1粘结砂浆铺贴厚度不够(30C保温板个别漏气126.491006合计185100100.00%频数T一累计百分比制表时间:2020年9月15日制表人:*五、确定目标:1、本工程外墙STP真空绝热板黏贴施工合格率为100%。2、本工程目标为争创“泰山杯”,集团公司及项目部管理人员对工程质量高度重视。3、项目部对施工一线的工人进行施工技术培训、技术交底,严格按照公司的质量保证体系和质

4、量计划施工,确保工程质量合格。4、施工过程中无任何安全事故。5、通过本次开展的QC小组活动,项目部对外墙STP真空绝热板黏贴的施工积累了丰富的经验,同时也为项目部培养了一批年青富有经验的实干人才,为以后项目部的壮大鉴定了基础。uo%a合格率100%100%90%80%规范要求预期目标活动目标六、原因分析:因果分析图制表时间:2020年9月25日制表人:*七、要因确认:序号因素名称调查确认结论1施工工艺不熟对工人交底详细,能及时将现场的施工流程、注意事项对工人进行交底,对工程质量起关键作用,是非要因非要因2材料自身漏气材料出厂前抽真空后封闭严密造成漏气,是要因要因325mm厚STP板复合阻气膜材

5、料易破25mm厚STP板复合阻气膜施工时不易破损,是非要因非要因4钾钉镶入墙体深度不够保温板与保温板拼缝之间斜钉镶入墙体深度不小于30nun,是要因要因5粘结砂浆铺贴不均匀STP保温板粘结砂浆未用锯齿形抹刀均匀拉出锯齿状,是要因6未制定有效的施工方案工人施工时没有章程,随意铺贴空鼓、不平整,是要因7外界气候影响严格根据气候条件、温度高低、避免中午温度30度时施工,是要因8粘结砂浆厚度不够保温板黏贴时粘结砂浆厚度宜控制在3-5mm,厚度不够粘结强度达不到,是要因9机械未保养制定机械保养制度,相关人员进行考核,建立与经济效益挂钩制度,并组织落实,非要因非要因10工人对机械性能掌握不好对新机械的性能

6、掌握不足,需努力提高自身素质,掌握机械的有关性能,非要因11现场管理混乱、工人片面追求进度现场材料堆放乱、工人随意摆放,非要因12责任没落实到位管理人员责任未落实、措施未实施,非要因八、制定对策对策表序号要因对策目标措施责任人完成时间地点1未制定有效的施工方案制定有效可行的方案、使质量有保证指导性强、有针对性的施工方案集思广益、在满足现行规范的前提下、以专业工长带头,充分吸收大家的成功经验进行编写2020年10月1日施工现场2钾钉镶入墙体深度不够控制板边翘起、空鼓杜绝空鼓对操作人员进行教育培训,钾钉长度不够禁止使用,实行质量与经济效益相挂钩的管理制度2020年9月25日施工现场3粘结砂浆铺贴不

7、均匀控制成品空鼓、边角起皱铺贴后成品平整、美观STP保温板粘结砂浆未用锯齿形抹刀均匀拉出锯齿状2020年9月20日施工现场4粘结砂浆厚度不够确保板材粘结不牢固板材粘结面砂浆饱满,与墙体挤压时出现宜浆现象对工人进行技术较底、加强对工人施工时的质量控制,保温板黏贴时粘结砂浆厚度宜控制在35胸,使粘结强度达到要求2020年9月25日施工现场5外界气候影响禁止高温施工(温度高于30时,粘结砂浆未达到强度时水分已蒸发)避免高温施工、基层表面保持潮湿中午温度30度时禁止施工、基层表面铺贴保温板时清扫干净、保持湿润2020年10月3日施工现场6材料自身漏气严控材料出厂时漏气要求上墙材料IO0%合格要求厂家出

8、厂时加强检查,材料进场使用前发现漏气材料杜绝使用2020年10月20日施工现场制表时间:2020年10月21日制表人:*九、实施对策:实施一及时收集天气信息,禁止在阴雨、大风(严禁大风大于四级时施工)、高温(气温大于30)天气施工,万一施工时遇到阴雨天应采取必要的防护措施。实施二建立管理人员的岗位职责,施工前,技术负责人要求技术员认真编写作业指导书,向各班组进行详细的技术交底,必须落实到每一位工人。实施三加强全体施工人员的质量意识教育,提倡质量第一的方针,严格筛选经验丰富、技术水平较高的施工班组,建立奖罚制度,与经济利益相挂钩并督促落实。实施四根据项目部管理细则,完善材料的领料制度,要求工人严

9、格按量领用。落实责任制,谁施工谁负责,并加强现场检查,确保工程质量。实施五有项目部组织技术人员根据现行的规范技术要求及相关施工工艺,结合各自多年的施工经验编写。在编写过程中也吸取了现场工人的广泛有益建议,制定了有指导性、有针对性的施工方案。十、效果检查效果一:评价指标检查点数(个)合格点数(个)合格率(%)粘结砂浆铺贴不均匀26024995.7%粘结砂浆厚度不够26025196.5%粘结强度低、空鼓26025196.5%合格率:制表时间:2020年10月30日制表人:*效果二:外墙保温STP真空绝热板施工完毕后,经建设、设计、监理、施工等单位联合对外墙保温施工质量进行验收,合格率为100机该工

10、程现已获得“*优质结构杯奖”,为获得“*泰山杯”打下了坚实的基础。QC小组活动前后自我评价:通过本次QC小组活动,我们获得了关于外墙保温新型材料STP真空绝热板施工的宝贵经验。并对编制的专项施工方案进行修改、补充和完善,并以此作为项目部今后外墙STP真空绝热保温板施工的指导性文件。十二、总结及下一步打算通过本次QC小组课题的研究,预定的目标得以实现。外墙STP真空绝热保温板的施工质量进一步提高,达到了设计规范标准。由于本次QC小组活动的公关,施工过程中外墙STP真空绝热保温板每平米对比传统的聚乙烯保温板每平米节省15元(25三厚STP真空绝热保温板的保温隔热效果相当于聚乙烯保温板20Onlm厚的保温效果),总的工程下来大约节省48687X15:730305元,总的工期提前了35天,使工程的经济效益与质量目标取得了双赢。通过本次QC小组活动,使全体参与人员的积极性得以提高、遇到问题认真专研分析问题的能力得以提高、更增加了全项目部人员的凝聚力。

展开阅读全文
相关资源
猜你喜欢
相关搜索

当前位置:首页 > 建筑/环境 > 保温建筑

copyright@ 2008-2023 1wenmi网站版权所有

经营许可证编号:宁ICP备2022001189号-1

本站为文档C2C交易模式,即用户上传的文档直接被用户下载,本站只是中间服务平台,本站所有文档下载所得的收益归上传人(含作者)所有。第壹文秘仅提供信息存储空间,仅对用户上传内容的表现方式做保护处理,对上载内容本身不做任何修改或编辑。若文档所含内容侵犯了您的版权或隐私,请立即通知第壹文秘网,我们立即给予删除!