5某企业硝酸胍装置硝化工序安全自动化控制系统.docx

上传人:p** 文档编号:752946 上传时间:2024-02-26 格式:DOCX 页数:3 大小:17.97KB
下载 相关 举报
5某企业硝酸胍装置硝化工序安全自动化控制系统.docx_第1页
第1页 / 共3页
5某企业硝酸胍装置硝化工序安全自动化控制系统.docx_第2页
第2页 / 共3页
5某企业硝酸胍装置硝化工序安全自动化控制系统.docx_第3页
第3页 / 共3页
亲,该文档总共3页,全部预览完了,如果喜欢就下载吧!
资源描述

《5某企业硝酸胍装置硝化工序安全自动化控制系统.docx》由会员分享,可在线阅读,更多相关《5某企业硝酸胍装置硝化工序安全自动化控制系统.docx(3页珍藏版)》请在第壹文秘上搜索。

1、某企业硝酸服装置硝化工序安全自动化控制系统一、工艺简述硝酸铁、双氧胺按顺序加入反应釜,蒸汽加热,升温熔融,反应生成硝酸胭。化学反应方程式如下:NHNHIiH_nH2NCNCN+2NH4NO3A2H2NCNH2HNO3二、装置硝化工艺危险性分析1 .固有危险性装置涉及危险化学品主要是硝酸铁、硝酸服等,且属于易爆物质,火灾危险性为甲类。硝酸核具有强氧化性,与易燃物(如苯)和有机物(如糖、纤维素等)接触会发生剧烈反应,甚至引起燃烧。与碱能发生剧烈反应。2 .工艺过程的危险性物料输送过程中输送易燃物料的管道如因各种意外原因损坏造成泄漏,遇明火会发生火灾事故,如果泄漏物料与空气形成爆炸性混合物,遇点火源

2、就会发生爆炸事故。固体硝酸胭属于易爆物质,采用袋装,如果包装袋损坏,发生撞击,发生爆炸事故。可燃液体、粉体在输送过程中若流速过快、静电消除措施不足或失效,可导致火灾爆炸事故发生。硝化工艺中涉及的双氟胺如遇硝酸筱、氯酸钾及其盐类能发生强烈的反应,引起爆炸。受高热分解,产生氧化物和氮氧化物剧毒烟气。3 .装置硝化工艺安全控制方案综述硝化釜设紧急停车系统、紧急冷却系统、安全泄放系统。固体物料通过自动加料机加料,通过改变蒸汽流量和冷却水流量调节反应釜温度,反应温度高高报警联锁切断进料及加热蒸汽、打开紧急冷却系统、紧急停车系统,打开安全泄放系统。当搅拌系统发生故障时联锁切断蒸汽、打开紧急冷却系统、紧急停

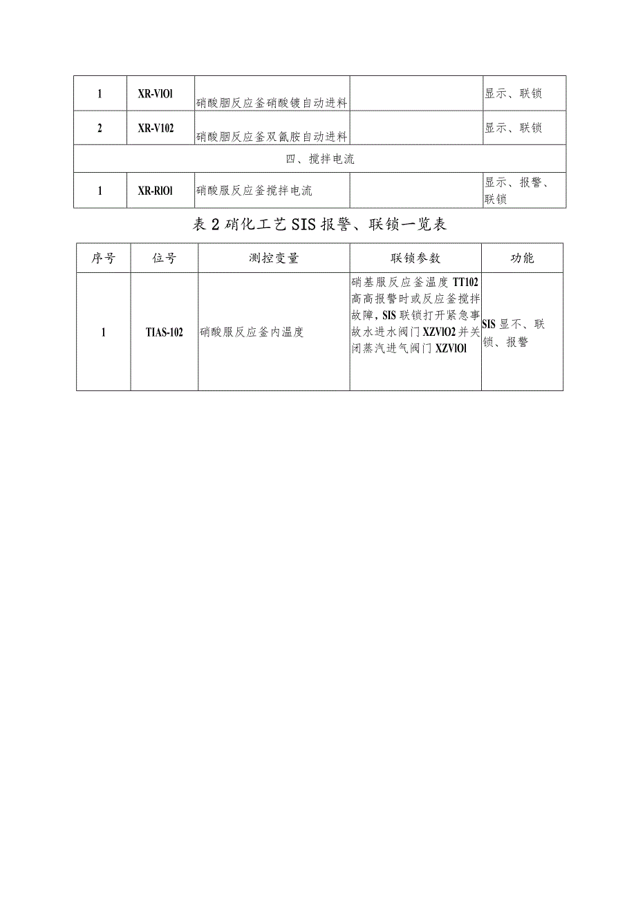
3、车系统。根据保护层分析(LOPA)及SIL定级报告,某企业硝酸胭装置的安全完整性等级采用SILl级。硝酸胭反应釜温度高高报警或搅拌故障联锁打开冷却水切断阀、关闭蒸汽切断阀。硝酸服反应釜冷却水回水压力低低报警联锁停加料机。本工序基本过程控制系统采用DCS系统,并配置了独立的安全仪表系统(SIS),以上控制、报警及联锁方式在控制室实现。控制、报警、联锁一览表见附表。表1硝化工艺DCS控制、报警、联锁一览表序号位号测控变量联锁参数功能一、温度控制、报警、联锁1TICAS-IO1硝酸服反应釜内温度硝基股反应釜温度TICAS101高高报警时,DCS联锁停加料机XlOkX102,联锁打开循环水回水阀XCV

4、lo3、TV101,关闭蒸汽加热TVIoIBoDCS显示、控制、联锁、报警2TIAS-103切片机温度切片机温度高高联锁停止切片机电机DCS显示、联锁、报警二、压力报警、联锁1PIAS-IOl硝酸胭反应釜夹套冷媒压力反应釜夹套冷媒压力低低联锁停止加料DCS显示、联锁、报警三、进料流量1XR-VlOl硝酸胭反应釜硝酸镀自动进料显示、联锁2XR-V102硝酸胭反应釜双氤胺自动进料显示、联锁四、搅拌电流1XR-RlOl硝酸服反应釜搅拌电流显示、报警、联锁表2硝化工艺SIS报警、联锁一览表序号位号测控变量联锁参数功能1TIAS-102硝酸服反应釜内温度硝基服反应釜温度TT102高高报警时或反应釜搅拌故障,SIS联锁打开紧急事故水进水阀门XZVlO2并关闭蒸汽进气阀门XZVlOlSIS显不、联锁、报警

展开阅读全文
相关资源
猜你喜欢
相关搜索

当前位置:首页 > 论文 > 大学论文

copyright@ 2008-2023 1wenmi网站版权所有

经营许可证编号:宁ICP备2022001189号-1

本站为文档C2C交易模式,即用户上传的文档直接被用户下载,本站只是中间服务平台,本站所有文档下载所得的收益归上传人(含作者)所有。第壹文秘仅提供信息存储空间,仅对用户上传内容的表现方式做保护处理,对上载内容本身不做任何修改或编辑。若文档所含内容侵犯了您的版权或隐私,请立即通知第壹文秘网,我们立即给予删除!