×600MW)新建工程主厂房区域爆破措施.docx

上传人:p** 文档编号:756692 上传时间:2024-02-26 格式:DOCX 页数:9 大小:66.55KB
下载 相关 举报
×600MW)新建工程主厂房区域爆破措施.docx_第1页
第1页 / 共9页
×600MW)新建工程主厂房区域爆破措施.docx_第2页
第2页 / 共9页
×600MW)新建工程主厂房区域爆破措施.docx_第3页
第3页 / 共9页
×600MW)新建工程主厂房区域爆破措施.docx_第4页
第4页 / 共9页
×600MW)新建工程主厂房区域爆破措施.docx_第5页
第5页 / 共9页
×600MW)新建工程主厂房区域爆破措施.docx_第6页
第6页 / 共9页
×600MW)新建工程主厂房区域爆破措施.docx_第7页
第7页 / 共9页
×600MW)新建工程主厂房区域爆破措施.docx_第8页
第8页 / 共9页
×600MW)新建工程主厂房区域爆破措施.docx_第9页
第9页 / 共9页
亲,该文档总共9页,全部预览完了,如果喜欢就下载吧!
资源描述

《×600MW)新建工程主厂房区域爆破措施.docx》由会员分享,可在线阅读,更多相关《×600MW)新建工程主厂房区域爆破措施.docx(9页珍藏版)》请在第壹文秘上搜索。

1、施工措施名称:电厂(2600MW)新建工程主厂房区域爆破措施编号:批准:审核:校核:编制:一、工程概况电厂位于江阳区江北镇境内,场地周围有较为发达的公路交通。厂区原始地貌属浅丘状剥蚀夷平面与宽缓沟谷相间排列,地形呈波状舒缓起伏。电厂新建(2X600MW)工程主厂房位于江北镇西北侧约IKM处,#2冷却塔以南,包括#1、#2机组汽机房、除氧间、煤仓间、锅炉房、集控楼,大开挖区域基坑底长199.0米,宽124.7米,0.000米相当于绝对标高297.20米,开挖标高为-3.0米,设计蓝图中大开挖工程量为73911(不包括施工道路)。爆破方量约为73000米3。据地质资料显示,该区域岩层为中风化砂岩,

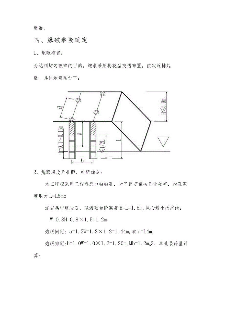
2、场平后主厂房区无覆盖层,主厂房基础将位于中等风化岩层上。因此,大开挖区域有大量爆破工作。二、施工方法确定爆破前,先用推土机和挖土机清除表层土,创造钻孔爆破工作面。由于本工程地处居民区附近,现场人员、车辆较多,为确保绝对安全,石方爆破应以控制震动和飞石为重点,拟采用浅孔松动爆破法进行施工。如距离建筑物较近,应打防震孔及采用铁皮覆盖。三、爆破材料选择为了提高爆破效果和保证安全施工,雷管选用即发电雷管和毫秒延时电雷管,炸药选用#2岩石硝核炸药,起爆器选用蓄电池起爆器。四、爆破参数确定1、炮眼布置:为达到均匀破碎的目的,炮眼采用梅花型交错布置,依次逐排起爆。具体示意图如下:2、炮眼深度及孔距、排距确定

3、:本工程拟采用三相煤岩电钻钻孔,为了提高爆破作业效率,炮孔深度取为L=L5mo泥岩属中硬岩石,取爆破台阶高度H=L=1.5m,贝心最小抵抗线:W=O.8H=0.81.5=1.2m炮眼间距:a=1.2W=1.21.2=1.44m,取a=L4m,炮眼排距:b=l.0W=l.0l.2=1.20m,Mb=1.2mo3、单孔装药量计算:砂岩属七、八类岩石,根据爆破工程施工与安全表81,取炸药单位耗药量q=0.35kg113;采用#2岩石硝铁炸药时,炸药换算系数e=1.0;炮眼梅花型布置依次起爆时,爆破临空面为两个,将以上参数代入松动爆破装药量计算公式得单孔装药量为:Q=eqw3=l.00.351.23=

4、0.61kg根据多个工程实际施工经验,取单孔装药量:Q=0.60kg装药结构:具体示意图如下.L.脚线黄泥堵孔2号岩药起爆药4、验算装药长度:三相煤岩电钻钻孔直径D=45m,取装药密度为P=O.95gcm3,则单孔装药长度为:1.1=Q/(Pr2)=6000.953.142.252=60cml3L=50cmLl=60cm2.OA采用串联电爆网路:选RI与n值电阻以符合准爆条件为准总电阻:R=R主+R支+nr总电流:I=U/R式中:R-电爆网路中的总电阻R主一主线的电阻R支一端线、联结线、区域线的电阻依据选定的下列网路形式与雷管总数,通过上式计算,电爆电源可依据现场具体选定的电爆母线、支线自行确

5、定。起爆能力:200发;电压峰值:2700-3000V;冲出能量28.7A211is;额定负载电阻:1220欧;电池电压6V;充电时间W20s6、爆破飞石安全距离计算:砂岩属中硬岩石,且爆破地点场地开阔,取系数K=L2,因采用浅孔松动爆破,故取爆炸作用指数n=0.5,则爆破飞石的最大距离为:R=20Kn2W=201.20.521.2=7.2m考虑3倍的安全系数,则安全距离为:3R=3X7.2=2L6m0为了保证绝对安全,参照爆破安全规程GB6722-2003,取爆破安全警戒范围为200mo7、满足震动要求的最大总装药量计算:参照工程爆破实用手册表122,振速v=0.8cm.根据现场实地踏勘,离

6、爆破点最近的建构筑物距离约为100m,则在距离建构筑物IOonI范围内石方爆破一次齐响的总装药量为:Q=R3v3/7k3/a=1003X0.83/L72003/L6=31.90kg根据实际经验,乘以0.8的系数。取25kg。为了确保绝对安全,实际施工中,当距建构筑物的距离为100m时,一次起爆的总装药量应小于或等于25kgo起爆电阻核算:依次起爆总装药量所对应的雷管发数:25/0.6-41.7,取41发。每个雷管及支线电阻约6欧,则:总电阻为416=246欧V起爆器额定负载电阻1220欧,电阻值满足要求。I=UR=2900246=lL7每个雷管的起爆电流(I2.0A),电流值满足要求。8、爆破

7、冲击波安全距离验算:根据爆破安全规程GB6722-2003,按公式Rk=253jQ验算空气冲击波对在掩体内避炮作业人员的最小安全距离为:Rk=253Q=25325=73.IOm实际施工时,点炮作业人员的避炮地点必须大于100iT1。五、质量保证措施1、爆破作业实施前,应进行现场爆破试验。单位药量以爆破试验确定值为准。2、 孔位、孔深按方案原则确定。3、 电雷管使用前应进行性能检验。4、 接线时要求接头清洁,接触良好,并用绝缘胶布包好扎牢。电雷管脚线长度需采用4米的规格。以保证线路电源稳定、可靠。5、 药后其堵塞长度不小于1/3孔深。六、爆破安全防护措施在距离建构筑物30m范围内进行石方爆破时,

8、应采用铁皮覆盖防护措施,严格控制一次起爆总装药量,避免爆破飞石与震动对附近建构筑物的影响。个别建筑物离爆破点小于IOnI时,应打防震孔予以保护隔离。防震孔间距500Cnb深度不小于炮孔深度。七、爆破施工工期根据本工程投标承诺工期安排,爆破施工工期初步定为2005年01月07日2005年08月30日。八、爆破材料总量计算理论上每个炮眼控制的岩石体积为:V=abL=1.41.21.5=2.52m3考虑施工降效系数0.8,则每个炮眼爆破岩石为:V=0.8V=0.8X2.52=2.Om3爆破67000?岩石所需的电雷管总量为:710002.0l.1=39050(发)所须#2岩石硝铁炸药总量为:7100

9、00.4=28400kg=28.4(T)九、安全施工注意事项1、参加爆破作业人员必须持有公安部门颁发的“四川省爆破员作业证”,并且报监理部备查,否则不准上岗。2、装药、堵塞、点炮等操作必须严格执行电力建设安全工作规程第七章“爆破作业篇”和国标爆破安全规程GB6722-2003的有关规定。3、点炮前,人员和机械必须全部撤出危险警戒范围。4、瞎炮未经处理不得进行挖掘作业。5、爆破工作应在爆破安全领导小组的统一指挥下进行。爆破作业必须有专人指挥,事先设立警戒范围及信号标志(同场平施工时相同),规定警戒时间,并派出警戒人员。6、开工前先进行试爆,试爆总装药量从50%开始逐步增加,试爆时必须通知有关部门

10、到场,发现问题及时纠正处理。7、严禁采用抛掷爆破,以控制飞石、控制震动作为爆破安全防范重点。8、由于本工程地处居民区附近,周围建筑物较多,且人流车辆来往频繁,为确保安全,不考虑在施工现场附近布置炸药库,每天使用的炸药、雷管当日购买运至现场。9、本工程使用的炸药、雷管全部委托当地公安机关代为购买和运输。10、开工前发出安民告示,在爆破区域四周广为张贴,作好宣传。11、放炮时间规定为秋冬季每天早晨7:30-8:30;中午11:00-12:00,下午5:30-6:30分;春秋季每天早晨7:00-8:00;中午11:00-12:00,下午6:00-7:00分。如施工需要可另行协商。12、放炮信号统一规定为警报器和口哨,具体信号在安民告示中规定(同场平施工时相同)。13、爆破作业必须办理安全施工作业票,须写安全技术交底卡并向作业人员交底并签字。14、如遇雷雨天气、大雪天气、大汛天气、浓雾天气、光线不足时现场不得起爆。

展开阅读全文
相关资源
猜你喜欢
相关搜索

当前位置:首页 > 建筑/环境 > 设计及方案

copyright@ 2008-2023 1wenmi网站版权所有

经营许可证编号:宁ICP备2022001189号-1

本站为文档C2C交易模式,即用户上传的文档直接被用户下载,本站只是中间服务平台,本站所有文档下载所得的收益归上传人(含作者)所有。第壹文秘仅提供信息存储空间,仅对用户上传内容的表现方式做保护处理,对上载内容本身不做任何修改或编辑。若文档所含内容侵犯了您的版权或隐私,请立即通知第壹文秘网,我们立即给予删除!