上线系统现场软件更新升级规范.docx

上传人:p** 文档编号:761122 上传时间:2024-02-26 格式:DOCX 页数:6 大小:20.49KB
下载 相关 举报
上线系统现场软件更新升级规范.docx_第1页
第1页 / 共6页
上线系统现场软件更新升级规范.docx_第2页
第2页 / 共6页
上线系统现场软件更新升级规范.docx_第3页
第3页 / 共6页
上线系统现场软件更新升级规范.docx_第4页
第4页 / 共6页
上线系统现场软件更新升级规范.docx_第5页
第5页 / 共6页
上线系统现场软件更新升级规范.docx_第6页
第6页 / 共6页
亲,该文档总共6页,全部预览完了,如果喜欢就下载吧!
资源描述

《上线系统现场软件更新升级规范.docx》由会员分享,可在线阅读,更多相关《上线系统现场软件更新升级规范.docx(6页珍藏版)》请在第壹文秘上搜索。

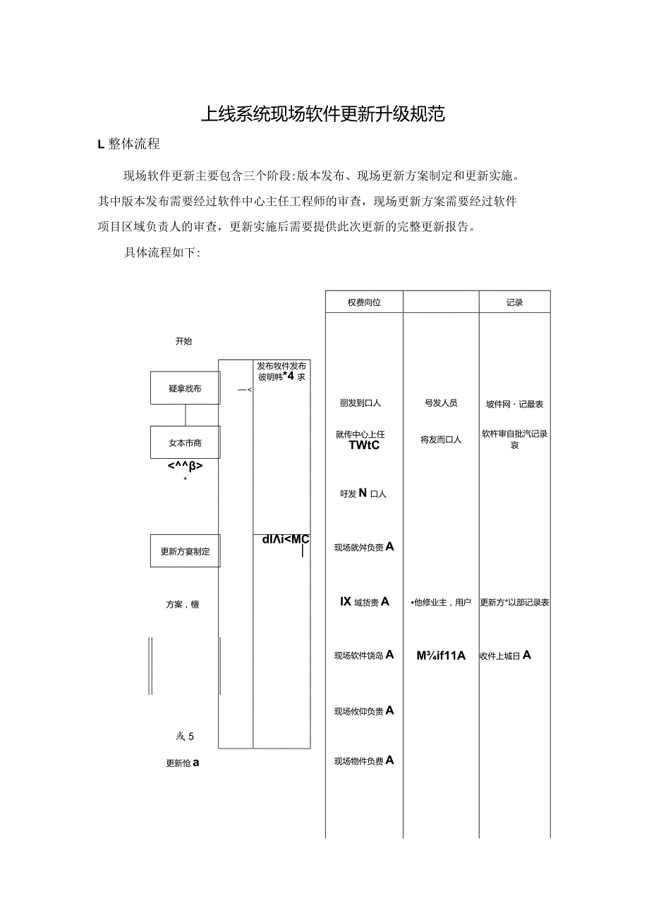
1、L整体流程上线系统现场软件更新升级规范现场软件更新主要包含三个阶段:版本发布、现场更新方案制定和更新实施。其中版本发布需要经过软件中心主任工程师的审查,现场更新方案需要经过软件项目区域负责人的审查,更新实施后需要提供此次更新的完整更新报告。具体流程如下:疑拿戕布女本市商*更新方宴制定开始方案,檀发布牧件发布彼明帏*4求dIiMC或5更新怆a权费向位记录丽发到口人号发人员坡件网记最表就传中心上任TWtC将友而口人软杵审自批汽记录哀吁发N口人现场就舛负赍AIX域货贵A他修业主,用户更新方*以部记录表现场软件饶岛AMif11A收件上城日A现场攸仰负贵A现场物件负费A其中阶段测试时更新实施中的工作内容

2、,若失败将执行回退操作。2.版本发布2.1. 责任人软件研发对口负责人2. 2.相关部门软件研发部3. 3.工作内容软件研发对口负责人负责当前的软件更新发布工作,需要完成相关的技术资料编写、收集、整理、汇总以及相关的开发组织、测试组织工作。并向分管主任工程师提交相关技术资料以便其对新版本软件进行审核批准4. 4.相关技术资料软件研发对口负责人需要汇总提交下述技术资料:软件发布说明(包括发布库的目录、基线、配套的环境要求)软件版本说明(包括软件更新的功能、修复的问题等)发布的软件测试报告(测试用例及测试记录)软件部署要求及部署步骤说明(含需要调整的配套环境、基础数据要求)3 .版本审核1. 1.

3、责任人软件中心分管主任工程师3. 2.相关部门软件研发部4. 3.工作内容新发布的软件版本需要有软件中心分管的主任工程师对这一版本的发布过程/内容进行审核,对2.4提到的技术资料是否齐全、是否按要求提交进行审核,并提供书面的审核批准文件。5. 4.相关技术资料审核过程结束后需要提交以下文件:发布审查批准记录表4 .更新方案4.1. 责任人现场软件负责人4. 2.相关部门软件项管部5. 3.工作内容现场软件负责人需要在接到软件版本审核批准文件后,结合现状及业主的需求,按照软件研发部提供的相关文档编写更新方案,更新方案中建议包括以下内容:本次更新的概述(可包含更新原因、等)本次更新的范围及内容本次

4、更新的影响范围评估本次更新的实施计划本次更新需要的人员本次更新的操作步骤本次更新后的测试方案,包含具体测试用例回退方案更新方案需要提交软件中心对应的区域协调批准后才可实施。若项目要求更新方案需提交业主、监理批准,应同步按照项目要求进行。6. 4.相关技术资料更新方案测试方案更新方案批准记录表5.更新实施5.1. 责任人现场软件负责人5. 2.相关部门软件项管部、软件研发部7. 3.工作内容由现场软件负责人按照更新方案的要求,组织相关人员实施软件更新活动,并详细记录更新过程中的操作。若更新后发现重大功能缺陷,应按照更新方案的要求进行回退操作。7.4. 相关技术资料更新实施中应编写更新实施报告,包括以下内容:上线日志,包含时间、做的事情、执行人、确认人观察结果,更新的程序是否能正常运行,是否有报错(软件更新后第一时间做)如有回退,记录回退的相关操作;必要时,记录对数据的检查结果8. 更新检查8.4. 责任人现场软件负责人6.2.相关部门软件项管部6.3.工作内容由现场软件负责人相关的技术资料,对更新后的结果进行检查,确认通过软件更新已完成,并产生更新确认报告,若发现相关系统有部分缺陷,在相应的报告中披露相关的内容。6.4.相关技术资料更新检查完成后应编写更新确认报告,即对此次更新的功能、修复的问题、提高的性能进行验证后的报告。如仍有缺陷,在此报告中披露。

展开阅读全文
相关资源
猜你喜欢
相关搜索

当前位置:首页 > 行业资料 > 国内外标准规范

copyright@ 2008-2023 1wenmi网站版权所有

经营许可证编号:宁ICP备2022001189号-1

本站为文档C2C交易模式,即用户上传的文档直接被用户下载,本站只是中间服务平台,本站所有文档下载所得的收益归上传人(含作者)所有。第壹文秘仅提供信息存储空间,仅对用户上传内容的表现方式做保护处理,对上载内容本身不做任何修改或编辑。若文档所含内容侵犯了您的版权或隐私,请立即通知第壹文秘网,我们立即给予删除!