工程质量保证措施.docx

上传人:p** 文档编号:767538 上传时间:2024-02-26 格式:DOCX 页数:6 大小:48.59KB
下载 相关 举报
工程质量保证措施.docx_第1页
第1页 / 共6页
工程质量保证措施.docx_第2页
第2页 / 共6页
工程质量保证措施.docx_第3页
第3页 / 共6页
工程质量保证措施.docx_第4页
第4页 / 共6页
工程质量保证措施.docx_第5页
第5页 / 共6页
工程质量保证措施.docx_第6页
第6页 / 共6页
亲,该文档总共6页,全部预览完了,如果喜欢就下载吧!
资源描述

《工程质量保证措施.docx》由会员分享,可在线阅读,更多相关《工程质量保证措施.docx(6页珍藏版)》请在第壹文秘上搜索。

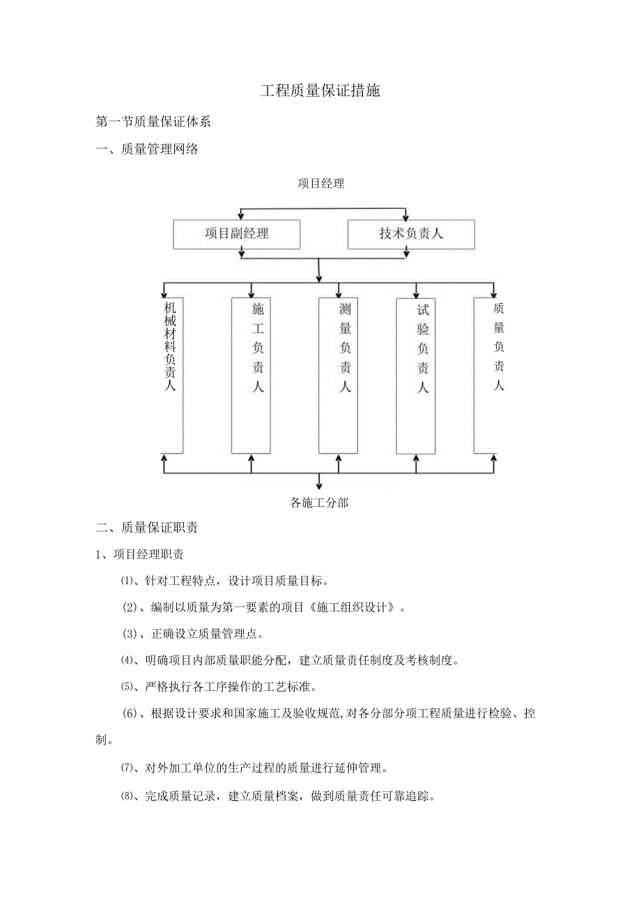
1、工程质量保证措施第一节质量保证体系一、质量管理网络各施工分部项目经理质 量 负 责 人机械材料负责人二、质量保证职责1、项目经理职责、针对工程特点,设计项目质量目标。(2)、编制以质量为第一要素的项目施工组织设计。(3)、正确设立质量管理点。、明确项目内部质量职能分配,建立质量责任制度及考核制度。、严格执行各工序操作的工艺标准。(6)、根据设计要求和国家施工及验收规范,对各分部分项工程质量进行检验、控制。、对外加工单位的生产过程的质量进行延伸管理。、完成质量记录,建立质量档案,做到质量责任可靠追踪。(9)、制定落实质量奖惩办法,实行质量一票否决权。(10)、对进场的设备、材料质量和数量进行严格

2、验收,妥善保管,合理利用。(11)、建立质量成本制度,提高建筑产品工序一次合格率和一次成优率。2、项目副经理职责、在项目经理的领导下,对工程施工和管理分工负责,作好项目经理的助手工作,在项目经理不在位时,代理行使项目经理职责。(2)、主抓施工生产计划的落实,处理施工出现的各项具体问题。3、技术负责人职责、负责图纸会审和技术交底工作。(2)、负责实施性施工组织设计、安全设计、各种技术组织措施的制定工作。、负责竣工文件的指导审查归档工作。、负责工程技术总结、科研和新工艺、新材料应用的收集、整理、总结工作。(5)、负责项目质量计划的管理、修订、更改和执行工作。、负责施工管理和技术管理中的作业指导书编

3、制、更改、实施工作。(7)、负责统计技术的运用管理和指导工作。4、测量负责人职责定期对测量仪器进行检验,认真做好定期巡视线的桩点保护情况,防止破坏丢失。5、材料负责人职责按照项目经理部上报的计划落实材料的供应,向质量负责人提供合格证,材质单等,明确材料的类别、型号、等级,安排存放地点,方法。6、试验负责人职责、负责原材料、构件、配件和施工过程的检验、试验工作,保管试验报告。对试验不合格的产品,及时上报总工、质检工程师,分析原因,通知施工班组改正。(2)、负责纠正措施所必须的试验工作,保管试验报告。、负责试验设备的校准、标识、保养与管理。7、质量负责人职责参加方案的制定,主持隐蔽工程验收,进行竣

4、工资料的整理。参加竣工验收,为完成质量目标,对施工队提出相应的质量要求,明确采用的质量标准。8、施工作业队负责人职责服从项目部工作安排,严格按技术规范施工,严格执行质量检验制度,将隐患控制在施工过程中。第二节主要部分、分项质量保证措施一、道路工程质量保证措施1、路基工程a、用于路基填方的主要填料,在开工前,结合施工路段选择一不小于100m的试验路段进行现场压实试验,并将试验结果报监理工程师审批。b、施工过程中,严格执行设计文件指示,确保路基施工质量达到创优工程质量标准。2、路面底基层、基层、测量放样:恢复路线中桩,保证路线位置的准确,复测路基标高,保证路线高程的准确,检测路基宽度,保证路面宽度

5、符合设计要求。(2)、所需各种原材料必须符合施工图设计和技术规范的要求,产品应有试验合格证书,所有的原材料必须经过工地试验室检测,试验合格报监理工程师检测认可后方能进场使用。、机械设备所需机械设备必须经维修保养后,状况良好,配套完整的。并有足够的零配件,在机械发生故障时能立即进行抢修,以保证施工的连续性。混合料配合比设计及备料、机械设备的配备、施工人员的安排等应报监理工程师检查认可后才能施工。(4)、混合料的拌制按经试验好的配合比进行配料拌和,严格控制水泥、各种规格碎石的投放比例及含水量等。(5)、混合料的碾压混合料摊铺后要尽快碾压,从拌和开始到碾压完毕必须在混合料终凝前完成。、路面基层的压实

6、度、宽度、厚度、平整度、横坡、纵断高程和弯沉值等主要技术指标应符合施工设计图和技术规范规定值或允许偏差。二、施工过程质量保证措施首先对所有参建人员进行技术交底,使每一个参建人员了解工艺流程,熟知本人的岗位职责,做好过程控制。对各种原材进行复验,按复验报告清单填入材料质量复验报告目录。施工前对道路的中线及高程进行复测合闭合。底基层掌握接近最佳含水量或较最佳含水量低2%以利压实,以达到最大干容重。使用机械压实要甩开路边50cm,防止溜坡,从路边压向路中间,并于路全宽内顺序均匀压实。无论采用何种机械压实,控制机械速度,掌握压实遍数,达到压实度要求。混和料配比必须准确,拌和必须均匀,严格掌握基层厚度和

7、高程,其路拱横坡应与面层一致,基层以上用静压力在18t以上的振动压路机碾压,如摊铺中断时间已超过2h,则应将最后摊铺的2-3米范围内混合料铲除,并将末端切成一横向(与道路中心线垂直)立茬,然后再摊铺新的混合料,并做好接茬处理。用3米直尺检测接茬处的平整度,人工结合压路机进行修整。道路表面层不留纵缝,由两台摊铺机全幅施工完成。采用浮动基准梁控制平整度和厚度的施工方法时,对滑靴部位进行全线的检查,高的打磨,低的衬补。施工现场的质量人员及时测定来料温度、摊铺温度、初压、复压及终压温度。(10)对组织全体施工人员进行成品保护宣传教育,增强成品保护意识,相互监督,做好成品保护。QD路口设专人负责管理,禁

8、止非施工人员和车辆入内,尤其是雨天。施工车辆限速行驶,不得急转弯和急刹车;运输车防止混合料泄漏,污染路面。禁止履带车在施工路面上行驶。预制件由专人负责搬运,搬运时轻拿轻放,防止断裂或掉角。预制件安装时,砂浆在厂外拌和运至现场,防止砂浆污染路面。面层上发现污染物时,及时清扫,有必要时用洒水车进行冲洗,以免影响上下层的结合;面层上防止泄漏柴油,损坏路面。三、保证物资、设备管理的措施详细审核施工图纸,发现问题,及时与监理工程师、设计人员联系,尽快处理解决。编制实施性施工组织设计,制定施工计划,安排施工顺序,向作业人员进行详细的技术交底,并对其进行技术培训。复测控制桩,编制详细的施工放样、施工监测方案

9、,测量放样必须执行复核制,对测量成果认真记录并妥善保存,对测量仪器定期维护检查,保证其精度。工程试验工作严格按有关规定进行,并确保试验设备状态良好,必有试验设备的校检,必须在有检验资格的单位进行,使用时,要按设备使用说明选择适当的操作方法。设专人管理文件,将其分类归档,对于指导施工的技术文件,必须经有关领导审批后,方可下发执行。关键工序实施前要编制详细的工艺细则及作业指导书,并有明确的技术要求和质量标准。严格执行隐蔽工程检查制度,报监理工程师,经监理工程师检查签认后,方可进入下道工序施工。加强施工监测工作,利用监测数据分析施工现状,并采取相应的处理办法。由主管生产的副经理定期组织技术人员、质检

10、人员、班组长等对施工现场进行检查,找出质量隐患因素,制定处理方案。四、保证竣工阶段质量的保证措施制定竣工阶段施工计划,对剩余工程数量、材料、机械、人员需求量做出具体安排。工程将要竣工时,由经理部主管生产的副经理组织有关管理人员及作业人员,按照天津市市政工程竣工管理办法对已完工程进行自检,找出漏洞及需要修补的项目,采取措施一项一项加以落实。组织技术人员对竣工资料进行全面整理、装订归档,其整理标准以天津市市政局下发文件为准。移交工程的同时,经理部要制定质量回访计划,对已完工程承担缺陷修补及保修责任。在保修期发生的问题,我公司将全力予以整修,确保业主满意。第三节创优保证措施一、在保证质量方面的保证措

11、施1、组织均衡生产,取得生产投入的最佳效益,并确保工程质量的稳定有序控制。坚决杜绝施工赶工期,仓促上马,疲劳作战,草率从事。避免管理失控和质量事故。并采用计算机编制施工进度网络计划,抓住网络计划的关键路线,组织人、财、物资源的有效配置,力求实现施工作业均衡生产。2、确保设备能力。加强设备管理,保证设备的配套、使用,合理调度和良好的性能状态。为达到质量目标起到重要基础保证作用。3、采用先进技术。先进的生产技术,对提高工程质量和生产效率会产生事半功倍的效果。4、提高人员素质。质量工作,以人为本。为了确保人员素质能适应本项目质量工作的目标要求,项目经理部关键的工作岗位实行持证上岗。二、一线质量管理方

12、面的有效控制1、程序控制对开工、作业实施、工序交接、竣工的工艺流程的每一个环节实行程序控制,建立开工申请单位批准书、施工日志、施工原始记录、测量与试验报告、中间交接证书、最终交验报告、质量检验评定证书等全套程序控制文件。明确每一个程序,每一份文件和责任人职责,并对程序控制的实施情况进行定期检查和随机抽查,力求及时准确地掌握每一个施工阶段,每一个工程部工程质量的真实情况,以确保施工作业按质量标准的规定要求组织实施。2、重点控制对施工中的弱点、难点和关键点实行重点控制,如设计图纸审查、施工技术方案确定、测量控制网布设、原材料与半成品质量检验、试验配合比的确定和实施、队伍管理等,均加大工作力度,予以重点关注、确保工作质量。

展开阅读全文
相关资源
猜你喜欢
相关搜索

当前位置:首页 > 管理/人力资源 > 质量管理

copyright@ 2008-2023 1wenmi网站版权所有

经营许可证编号:宁ICP备2022001189号-1

本站为文档C2C交易模式,即用户上传的文档直接被用户下载,本站只是中间服务平台,本站所有文档下载所得的收益归上传人(含作者)所有。第壹文秘仅提供信息存储空间,仅对用户上传内容的表现方式做保护处理,对上载内容本身不做任何修改或编辑。若文档所含内容侵犯了您的版权或隐私,请立即通知第壹文秘网,我们立即给予删除!