带电更换单相电能表作业指导书.docx

上传人:p** 文档编号:768916 上传时间:2024-02-26 格式:DOCX 页数:4 大小:26.21KB
下载 相关 举报
带电更换单相电能表作业指导书.docx_第1页
第1页 / 共4页
带电更换单相电能表作业指导书.docx_第2页
第2页 / 共4页
带电更换单相电能表作业指导书.docx_第3页
第3页 / 共4页
带电更换单相电能表作业指导书.docx_第4页
第4页 / 共4页
亲,该文档总共4页,全部预览完了,如果喜欢就下载吧!
资源描述

《带电更换单相电能表作业指导书.docx》由会员分享,可在线阅读,更多相关《带电更换单相电能表作业指导书.docx(4页珍藏版)》请在第壹文秘上搜索。

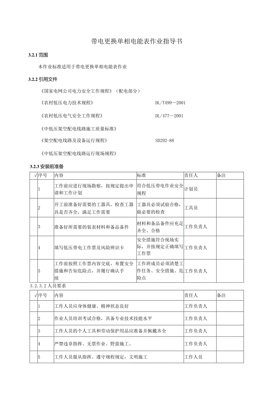
1、带电更换单相电能表作业指导书3.2.1范围本作业标准适用于带电更换单相电能表作业3.2.2引用文件国家电网公司电力安全工作规程(配电部分)农村低压电力技术规程DL/T4992001农村低压电气安全工作规程DL/4772001中低压架空配电线路施工质量标准架空配电线路及设备运行规程SD292-88中低压架空配电线路运行现场规程3.2.3安装前准备3.2.3.1 准备工作安装序号内容标准责任人备注1工作前应进行现场勘察,按规定提出申请和工作计划符合低压带电作业安全规程计划员2开工前准备好需要的工器具,检查工器具是否齐全,满足工作需要工器具必须试验合格,做必要的检查工具员3准备好所需要的装表材料和备

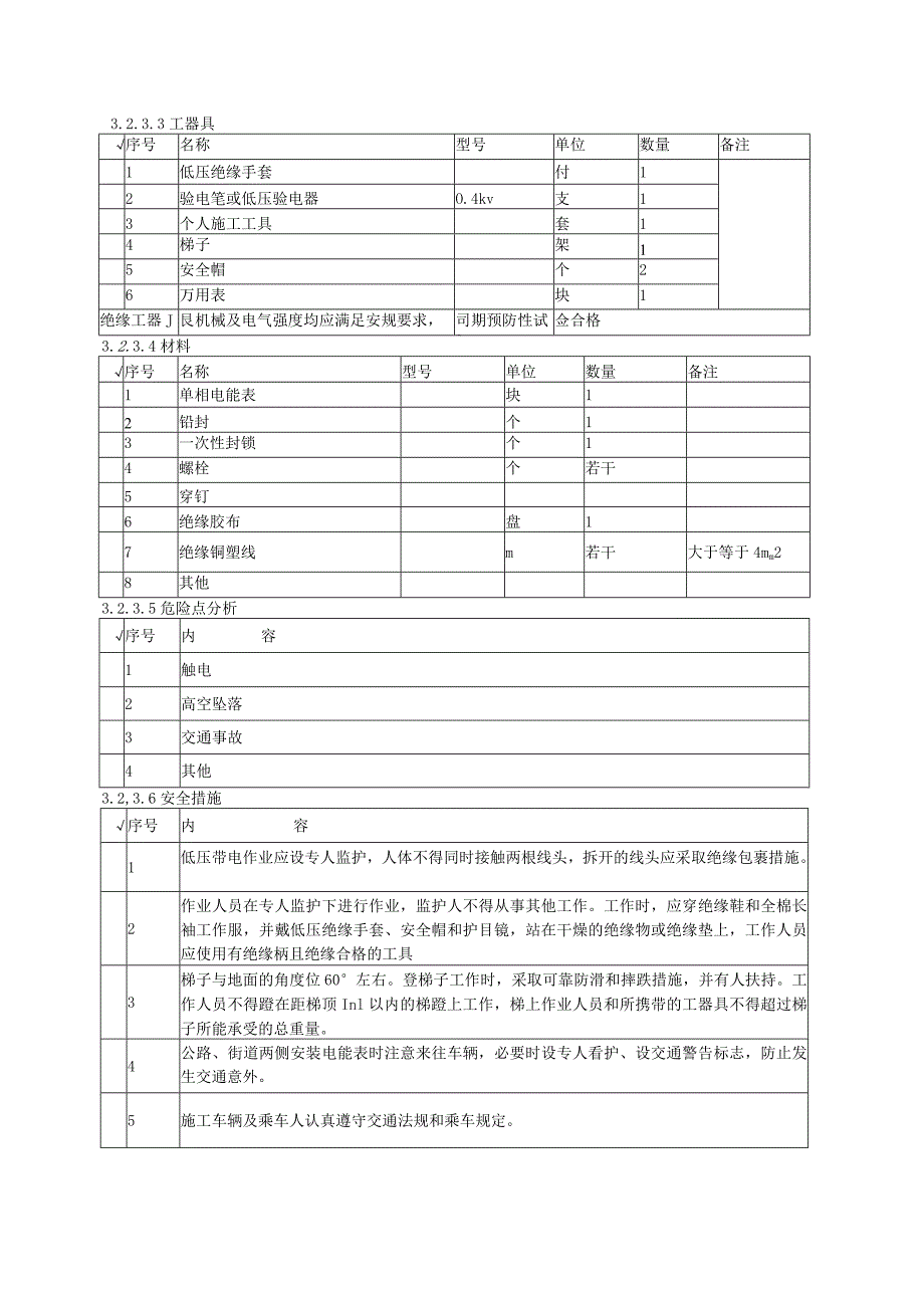
2、品备件材料和备品备件应充足齐全、合格工作负责人4填写低压带电工作票及风险辨识卡安全措施符合现场实际,并按规定正确填写工作票工作负责人5工作前按照工作票内容交底、布置安全措施和告知危险点,并履行确认手续工作班成员必须清楚工作任务、安全措施、危险点工作负责人3.2.3.2人员要求序号内容责任人备注1工作人员应身体健康、精神状态良好工作负责人2作业人员培训考试合格,具备专业技术技能水平工作负责人3工作人员的个人工具和劳动保护用品应准备并佩戴齐全工作负责人4严禁违章指挥、无票作业、野蛮施工。工作负责人5工作人员服从指挥、遵守规程规定,文明施工工作人员3.2.3.3工器具序号名称型号单位数量备注1低压绝

3、缘手套付12验电笔或低压验电器O.4kv支13个人施工工具套14梯子架15安全帽个26万用表块1绝缘工器J艮机械及电气强度均应满足安规要求,司期预防性试9佥合格3.2.3.4材料序号名称型号单位数量备注1单相电能表块12铅封个13一次性封锁个14螺栓个若干5穿钉6绝缘胶布盘17绝缘铜塑线m若干大于等于4mm28其他3.2.3.5危险点分析序号内容1触电2高空坠落3交通事故4其他3.2,3.6安全措施序号内容1低压带电作业应设专人监护,人体不得同时接触两根线头,拆开的线头应采取绝缘包裹措施。2作业人员在专人监护下进行作业,监护人不得从事其他工作。工作时,应穿绝缘鞋和全棉长袖工作服,并戴低压绝缘手

4、套、安全帽和护目镜,站在干燥的绝缘物或绝缘垫上,工作人员应使用有绝缘柄且绝缘合格的工具3梯子与地面的角度位60左右。登梯子工作时,采取可靠防滑和摔跌措施,并有人扶持。工作人员不得蹬在距梯顶Inl以内的梯蹬上工作,梯上作业人员和所携带的工器具不得超过梯子所能承受的总重量。4公路、街道两侧安装电能表时注意来往车辆,必要时设专人看护、设交通警告标志,防止发生交通意外。5施工车辆及乘车人认真遵守交通法规和乘车规定。6其他3.2.3.7作业分工序号内容工作负责人工作人员1专责监护人2装换表人员3辅助工作人员3.2.4作业程序3.2.4.1开工序号作业内容负责人作业人员I履行工作许可手续2工作负责人按带电

5、工作票内容向工作成员交待工作任务、现场安全措施、危险点3工作人员在清楚工作任务、现场安全措施、危险点等内容后,并签字确认,得到工作负责人的允许,方可开始工作4按照工作票所列内容,布置安全措施3.2.4.2作业内容及标准序号作业内容作业标准安全注意事项责任人签字1现场检查(1)核对户名、户号、电能表的安装地址(2)检查计量装置、计量箱钢封、表封有无破坏痕迹,检查有无窃电现象(3)根据工作凭证核对电能表厂名、厂号、规格、型号用低村验电笔检验表箱外壳是否带电2更换安装电能表(1)断开用户的电源开关(2)打开计量箱钢封并核对新旧电能表接线方式(3)打开表尾盖,先将电能表电源侧相线和零线撤出,并依次套上

6、绝缘帽或采取其他绝缘措施,然后依次撤出电能表出线,并做好标记,拆下旧电能表(4)将新电能表安装固定牢固,倾斜度不应大于1(5)恢复接线时与撤线时顺序相反,并将进出线螺丝拧紧(6)拧紧表尾电压封钩(7)检查装表质量,接线是否正确,安装表尾盖(8)记录厂名、厂号、填好装换表凭单(1)严格按计量装置接线图核对接线(2)使用封丝封钳严禁触碰带电部位(3)严禁带负荷更换电能表(4)表前接线应无接头(5)工作时,应采取防止相间短路和单相接地的措施,并使用可靠的绝缘工具(6)低压带电作业应设专人监护。监护范围不得超过一个作业点(7)电能表的表尾外不能有裸露的线芯,表尾螺丝必须全部紧固到位3完工(1)工作完后清理现场,检查无误后合上用户电源开关,检查表计运行是否正常,加装电能表铅封(2)关好箱(柜)门加装一次性封锁如发现计量装置异常,应查明原因,需要操作时一人监据、一人操作3.2.4.3竣工序号内容负责人员签字1计量装置安装更换完毕后,应符合安装标准2填写装换表工作凭证、电能计量装置台帐,无误后移交电费核算部门3.2.5验收总结序号安装总结1验收评价2存在问题及处理意见3.2.6作业标准执行情况评估评估内容符合性优可操作项良不可操作项可操作性优修改项良遗漏项存在问题改进意见

展开阅读全文
相关资源
猜你喜欢
相关搜索

当前位置:首页 > 通信/电子 > 电子电气自动化

copyright@ 2008-2023 1wenmi网站版权所有

经营许可证编号:宁ICP备2022001189号-1

本站为文档C2C交易模式,即用户上传的文档直接被用户下载,本站只是中间服务平台,本站所有文档下载所得的收益归上传人(含作者)所有。第壹文秘仅提供信息存储空间,仅对用户上传内容的表现方式做保护处理,对上载内容本身不做任何修改或编辑。若文档所含内容侵犯了您的版权或隐私,请立即通知第壹文秘网,我们立即给予删除!