型钢悬挑脚手架(扣件式)计算书阳角部位(悬挑长度2.662m6.0m长工字钢加8#槽钢斜撑).docx

上传人:p** 文档编号:770656 上传时间:2024-02-26 格式:DOCX 页数:21 大小:446.29KB
下载 相关 举报
型钢悬挑脚手架(扣件式)计算书阳角部位(悬挑长度2.662m6.0m长工字钢加8#槽钢斜撑).docx_第1页
第1页 / 共21页
型钢悬挑脚手架(扣件式)计算书阳角部位(悬挑长度2.662m6.0m长工字钢加8#槽钢斜撑).docx_第2页
第2页 / 共21页
型钢悬挑脚手架(扣件式)计算书阳角部位(悬挑长度2.662m6.0m长工字钢加8#槽钢斜撑).docx_第3页
第3页 / 共21页
型钢悬挑脚手架(扣件式)计算书阳角部位(悬挑长度2.662m6.0m长工字钢加8#槽钢斜撑).docx_第4页
第4页 / 共21页
型钢悬挑脚手架(扣件式)计算书阳角部位(悬挑长度2.662m6.0m长工字钢加8#槽钢斜撑).docx_第5页
第5页 / 共21页
型钢悬挑脚手架(扣件式)计算书阳角部位(悬挑长度2.662m6.0m长工字钢加8#槽钢斜撑).docx_第6页
第6页 / 共21页
型钢悬挑脚手架(扣件式)计算书阳角部位(悬挑长度2.662m6.0m长工字钢加8#槽钢斜撑).docx_第7页
第7页 / 共21页
型钢悬挑脚手架(扣件式)计算书阳角部位(悬挑长度2.662m6.0m长工字钢加8#槽钢斜撑).docx_第8页
第8页 / 共21页
型钢悬挑脚手架(扣件式)计算书阳角部位(悬挑长度2.662m6.0m长工字钢加8#槽钢斜撑).docx_第9页
第9页 / 共21页
型钢悬挑脚手架(扣件式)计算书阳角部位(悬挑长度2.662m6.0m长工字钢加8#槽钢斜撑).docx_第10页
第10页 / 共21页
亲,该文档总共21页,到这儿已超出免费预览范围,如果喜欢就下载吧!
资源描述

《型钢悬挑脚手架(扣件式)计算书阳角部位(悬挑长度2.662m6.0m长工字钢加8#槽钢斜撑).docx》由会员分享,可在线阅读,更多相关《型钢悬挑脚手架(扣件式)计算书阳角部位(悬挑长度2.662m6.0m长工字钢加8#槽钢斜撑).docx(21页珍藏版)》请在第壹文秘上搜索。

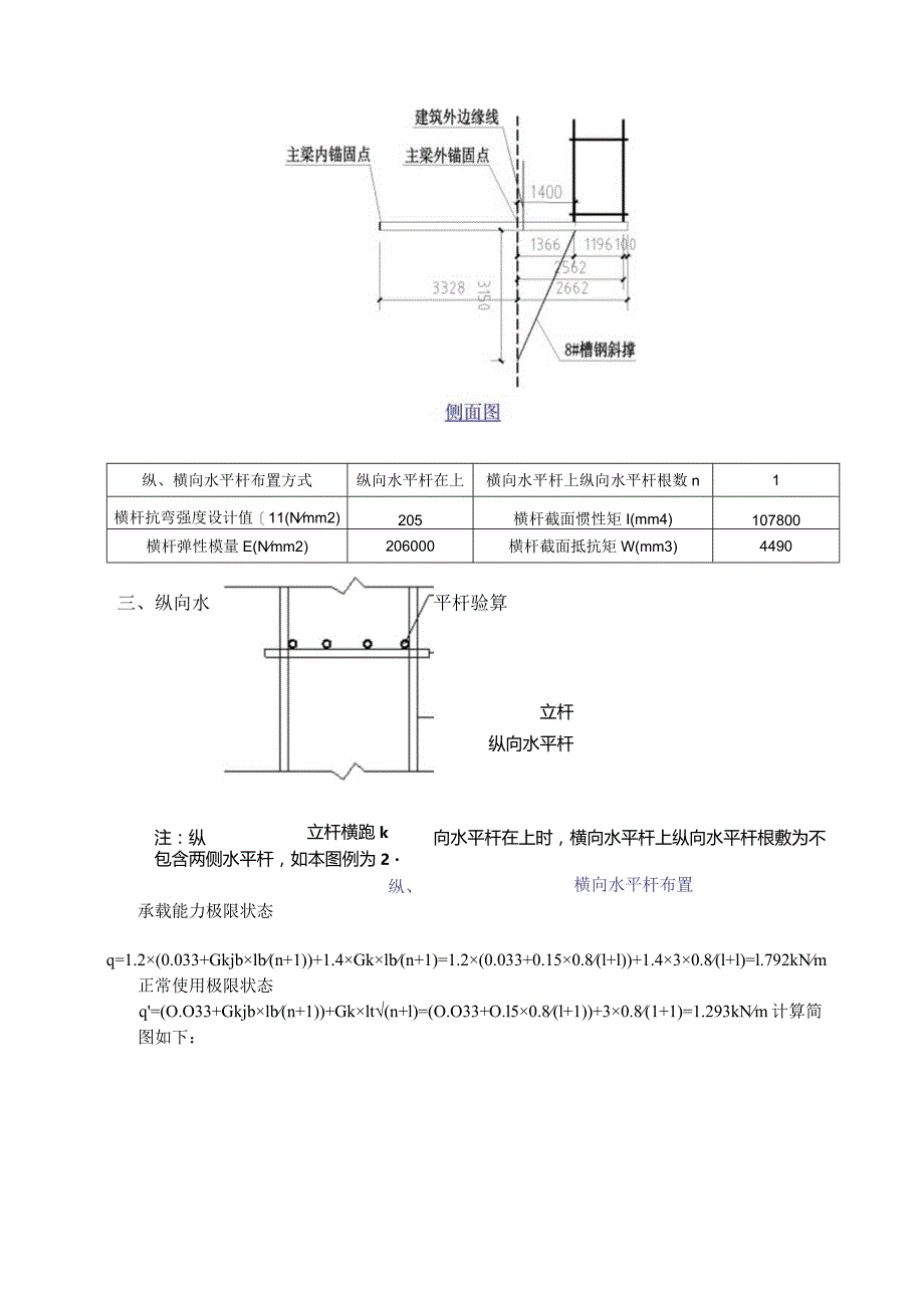
1、型钢悬挑脚手架(扣件式)计算书阳角部位(悬挑长度2.662m,6.0m长工字钢,加8#槽钢斜撑)计算依据:1、建筑施工扣件式钢管脚手架安全技术规范JGJ130-20112、建筑结构荷载规范GB50009-20123、钢结构设计规范GB50017-20034、混凝土结构设计规范GB50010-2010架体验算一、脚手架参数脚手架设计类型结构脚手架卸荷设置有脚手架搭设排数双排脚手架脚手架钢管类型483脚手架架体高度H(m)28.35立杆步距h(m)1.8立杆纵距或跨距la(m)1.5立杆横距lb(m)0.8内立杆离建筑物距离a(m)1.3双立杆计算方法不设置双立杆二、荷载设计脚手板类型钢笆网片脚手

2、板自重标准值Gkjb(kNm2)0.15脚手板铺设方式1步1设密目式安全立网自重标准值Gkmw(kNm2)0.01挡脚板类型竹串片挡脚板栏杆与挡脚板自重标准值Gkdb(kNm)0.17挡脚板铺设方式2步1设每米立杆承受结构自重标准值gk(kNm)0.12横向斜撑布置方式6跨1设结构脚手架作业层数面2结构脚手架荷载标准值Gkij(kN/m2)3地区广东广州市安全网设置全封闭基本风压3(kNm2)0.3风荷载体型系数s1.128风压高度变化系数z(连墙件、单立杆稳定性)1.5,0.65风荷载标准值k(kNm2)(连墙件、单立杆稳定性)0.508,0.22计算简图:三、纵向水平杆验算纵、横向水平杆布

3、置方式纵向水平杆在上横向水平杆上纵向水平杆根数n1横杆抗弯强度设计值11(Nmm2)205横杆截面惯性矩I(mm4)107800横杆弹性模量E(Nmm2)206000横杆截面抵抗矩W(mm3)4490纵向水平杆立杆横跑k立杆注:纵向水平杆在上时,横向水平杆上纵向水平杆根敷为不包含两侧水平杆,如本图例为2纵、横向水平杆布置承载能力极限状态q=1.2(0.033+Gkjblb(n+1)+1.4Gklb(n+1)=1.2(0.033+0.150.8(l+l)+1.430.8(l+l)=l.792kNm正常使用极限状态q=(O.O33+Gkjblb(n+1)+Gklt(n+l)=(O.O33+O.l5

4、0.8(l+1)+30.8(1+1)=1.293kNm计算简图如下:Q)1500150015001、抗弯验算Mma=0.1 qla2=0.1 X 1.792 1.52=0.403kNm=MmaW=0.403l 064490=89.798Nmm2f=205Nmm2满足要求!2、挠度验算Vmax=0.677qla4(l 00EI)=0.677 1.293X15004(l 002060 107800)= 1.996mmVmax= 1.996mmv = minl 150, 10=min 1500/150, 10 = IOmm满足要求!3、支座反力计算承载能力极限状态Rmax= 1.1 qla= 1.1

5、1.792 1.5=2.957kN正常使用极限状态Rma,=l.lqla= 1.11.293 1.5=2.134kN四、横向水平杆验算承载能力极限状态由上节可知FI=RmaX=2.957kN q=1.20.033=0.04kNm 正常使用极限状态由上节可知 F=Rma=2.134kNq=O.O33kNm1、抗弯验算计算简图如下:2.957kN004Nm800O0,595弯矩图(kNm)=MmaW=0.5951064490=132.428Nmm2f=205Nmm2满足要求!2、挠度验算计算简图如下:2.134kN0.033Nm1,033变形图(mm)Vmax=1.033mmv=minlb150,

6、10=min800150,10=5.333mm满足要求!3、支座反力计算承载能力极限状态Rnm=1.494kN五、扣件抗滑承载力验算横杆与立杆连接方式单扣件扣件抗滑移折减系数0.9扣件抗滑承载力验算:纵向水平杆:Rma=2.9572=1.478kNRc=0.98=7.2kN横向水平杆:Rmax=I.494kNFg=10.177kN满足要求!吊环最小直径dmin=(4A产=(4xFg(f)严=(4x10.177x103/(65兀)产=14.12mmd=20dmin满足要求!2、单独B号工字钢卸荷钢丝绳验算=arctan(lsHs)=arctan(60001366)=77.1742=arctan(

7、lsHs)=arctan(60002562)=66.878o钢丝绳竖向分力,不均匀系数KX取1.5P=KfKxNhj(11)HHla=0.81.510.89915.7528.351.5/1.5=7.266kNP2=KfKxNhj(ni)HHLla=O.81.513.97215.7528.351.5/1.5=9.315kN钢丝绳轴向拉力T=Psin=7.266sin77.174o=7.411kNT2=P2sina2=9.315sin66.878=10.129kN卸荷钢丝绳的最大轴向拉力Fg=maxT,T2=10.129kN绳夹数量:n=1.667Fg(2T)=1.66710.129(215.19)=1个n=4个满足要求!钢丝绳:查表得,钢丝绳破断拉力总和:Fg=125kNFg,=aFgk=0.85125/9=11.805kNFg=10.129kN满足要求!吊环最小直径dmin=(4A产=(4xFg(f7i)严=(4x10.129x103/(65兀)严=14.08mmd=20dmin满足要求!3、单独C号工字钢卸荷钢丝绳验算a1=arctan(lsHs)=arctan(30001000)=71.5652=a

展开阅读全文
相关资源
猜你喜欢
相关搜索

当前位置:首页 > 建筑/环境 > 施工组织

copyright@ 2008-2023 1wenmi网站版权所有

经营许可证编号:宁ICP备2022001189号-1

本站为文档C2C交易模式,即用户上传的文档直接被用户下载,本站只是中间服务平台,本站所有文档下载所得的收益归上传人(含作者)所有。第壹文秘仅提供信息存储空间,仅对用户上传内容的表现方式做保护处理,对上载内容本身不做任何修改或编辑。若文档所含内容侵犯了您的版权或隐私,请立即通知第壹文秘网,我们立即给予删除!