内接线检验规范.docx

上传人:p** 文档编号:773125 上传时间:2024-02-26 格式:DOCX 页数:3 大小:24.22KB
下载 相关 举报
内接线检验规范.docx_第1页
第1页 / 共3页
内接线检验规范.docx_第2页
第2页 / 共3页
内接线检验规范.docx_第3页
第3页 / 共3页
亲,该文档总共3页,全部预览完了,如果喜欢就下载吧!
资源描述

《内接线检验规范.docx》由会员分享,可在线阅读,更多相关《内接线检验规范.docx(3页珍藏版)》请在第壹文秘上搜索。

1、作业文件XX-QA-001-05外协外购件进料检验规范内接线检验规范lf-X-口AA-.UU版本号:第一版第1页共3页修订人:修订日期:1.目f2.范I3.检!4.职i5.检?依规范本公司外购外协零部件的检验,使其满足要求。a:适用于本公司所有内接线的检验。险依据:GB/T2828.1-2003;GB4706.1-2005;GB5013.1-5013.7-97;GB5023.1-5023.7-97乳品保部检验和试验人员负责按标准执行检验和试验。险项目检验项目缺陷类别检验要求和方法使用仪表备注外观MI表面清洁、无杂色,无伤痕及强行折痕。目视MA标识规格与标准相符,硅胶线耐温180C、耐电压600

2、V及认证证书号应标识齐全。尺寸MAO.5mm20.75mm2和1.0mm2线缆中单股导线最大直径为0.2Imn1;ISmn?线缆中单股导线最大直径为0.26mm:护套线其它要求见冲线图。千分尺颜色MA接地线黄绿组合颜色,其中一种颜色至少覆盖线芯表面的30%,且不大于70%o(美国和新西兰可以用绿色线代替黄绿线。)目视只对接地线阻燃CR用打火机点燃外皮15S后移开火源30S内应自熄。打火机附着力测试MA用酒精擦拭15S,字陵仍可清晰辨认(模压的字陵不需要测试附着力)酒精标识MA线缆护套上必须标有厂名或其代码、认证标记、线标(RVV300V/500V)清晰、完整。目视耐压CR需承受2000V5mA

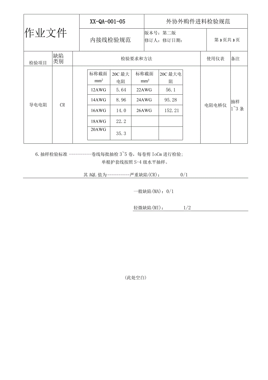
3、3S的高压测试而无闪络、击穿。耐压测试仪批准审核制订日期日期日期作业文件XX-QA-OO1-05外协外购件进料检验规范内接线检验规范版本号:第二版第2页共3页修订人:修订日期:检验项目缺陷类别检验要求和方法使用仪表备注导电电阻CR实测内接线导电电阻值乘以环温对应的校正系数后应不大于其线规最大导电电阻值(指20时的最大电阻)。电阻电桥仪抽样13条环温T(oC)校正系数Kt环温T(oC)校正系数K151.064210.99661.059220.99271.055230.98881.050240.98491.046250.980IO1.042260.977111.037270.973121.0332

4、80.969131.029290.965141.025300.962151.020310.958161.016320.954171.012330.951181.008340.947191.004350.943201.000标称截面mm220最大电阻标称截面(mm2)20C最大电阻0.539.01.019.50.7526.01.513.3批准审核制订日期日期日期作业文件XX-QA-001-05外协外购件进料检验规范内接线检验规范版本号:第二版修订人:修订日期:第3页共3页检验项目陷别缺类检验要求和方法使用仪表备注导电电阻CR电阻电桥仪抽样13条标称截面mm220C最大电阻标称截面mm220C最大电阻12AWG5.6422AWG56.114AWG8.9624AWG95.2816AWG14.026AWG152.2118AWG22.220AWG35.36.抽样检验标准卷线每批抽检35卷,每卷剪IoCm进行检验;单根护套线按照S-4级水平抽样。其AQL值为严重缺陷(CR):0/1一般缺陷(MA):0/1轻微缺陷(MI):1/2(此处空白)

展开阅读全文
相关资源
猜你喜欢
相关搜索

当前位置:首页 > 行业资料 > 国内外标准规范

copyright@ 2008-2023 1wenmi网站版权所有

经营许可证编号:宁ICP备2022001189号-1

本站为文档C2C交易模式,即用户上传的文档直接被用户下载,本站只是中间服务平台,本站所有文档下载所得的收益归上传人(含作者)所有。第壹文秘仅提供信息存储空间,仅对用户上传内容的表现方式做保护处理,对上载内容本身不做任何修改或编辑。若文档所含内容侵犯了您的版权或隐私,请立即通知第壹文秘网,我们立即给予删除!