华新阳新5500TPD水泥生产线—Ф4.2×12水泥磨施工技术方案.docx

上传人:p** 文档编号:779737 上传时间:2024-02-26 格式:DOCX 页数:7 大小:144.54KB
下载 相关 举报
华新阳新5500TPD水泥生产线—Ф4.2×12水泥磨施工技术方案.docx_第1页
第1页 / 共7页
华新阳新5500TPD水泥生产线—Ф4.2×12水泥磨施工技术方案.docx_第2页
第2页 / 共7页
华新阳新5500TPD水泥生产线—Ф4.2×12水泥磨施工技术方案.docx_第3页
第3页 / 共7页
华新阳新5500TPD水泥生产线—Ф4.2×12水泥磨施工技术方案.docx_第4页
第4页 / 共7页
华新阳新5500TPD水泥生产线—Ф4.2×12水泥磨施工技术方案.docx_第5页
第5页 / 共7页
华新阳新5500TPD水泥生产线—Ф4.2×12水泥磨施工技术方案.docx_第6页
第6页 / 共7页
华新阳新5500TPD水泥生产线—Ф4.2×12水泥磨施工技术方案.docx_第7页
第7页 / 共7页
亲,该文档总共7页,全部预览完了,如果喜欢就下载吧!
资源描述

《华新阳新5500TPD水泥生产线—Ф4.2×12水泥磨施工技术方案.docx》由会员分享,可在线阅读,更多相关《华新阳新5500TPD水泥生产线—Ф4.2×12水泥磨施工技术方案.docx(7页珍藏版)》请在第壹文秘上搜索。

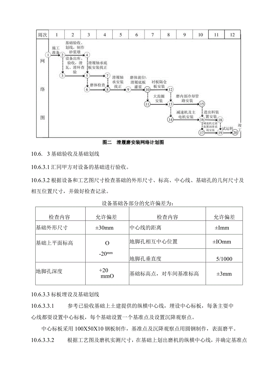
1、10,64.212水泥磨施工技术方案因无具体图纸,方案中的图示尺寸参考其他型号类似设备,实际施工中应参照设备图纸要求。10. 6.1概述该厂原料磨采用的是中4.2X12m滑履磨,该磨是目前国内外较为先进的一种磨型,其进料端、出料端均采用滑履轴承,传动采用边缘传动。106.2施工程序图(图一)及施工网络计划图(图二)图一施工工序流程图10.6. 3基础验收及基础划线10.6.3.1汇同甲方对设备的基础进行验收。10.6.3.2根据设备和工艺图尺寸检查基础的外形尺寸、标高、中心线、基础孔的几何尺寸及相互位置尺寸,并做好检查记录。设备基础各部分的允许偏差为:检查内容允许偏差检查内容允许偏差基础外形尺

2、寸30mm中心线的距离Imm基础上平面标高O-20mm地脚孔相互中心位置IOmm地脚孔垂直度5/1000地脚孔深度+20mmO基础标高点,对车间基准标高3mm10.6.3.3标板埋设及基础划线10.6.3.3.1 参考已验收基础上土建提供的纵横中心线,埋设中心标板,每条主耍中心线都耍设置中心标板,每个基础设置一个基准点及设置沉降观察点。中心标板采用100X50X10钢板制作,基准点及沉降观察点用圆钢制作,表面磨平。10.6.3.3.2根据工艺图及磨机实测尺寸,在基础上划出磨机的纵横中心线,并确定基准点的标高,在标板上打样冲眼作标记。10.6.3.3.3基础划线技术要求中心标板上所指示的纵向中心

3、线与设计图纸上的纵向中心线的偏差不得大于土3mmo两基础上横向中心线距离偏差不得大于05mm,对角线偏差不得大于1mm。同一中心线各标板的中心点0.5mm。基准点标高偏差不得大于05mm设备出库在计划安装某工序前,应先对该工序需要安装的设备进行出库。10.6.3.4设备开箱时清点零部件的数量,检查设备外观质量,并做好开箱记录。10.6.3.5设备运往现场后,应合理安放,妥善保管。10.6.4滑履轴承的安装1.1.1.1 6,4.1滑履检验,除外观质量外,应对瓦面进行探伤,并对瓦体进行水压试验。1.1.1.2 将已架高在基础纵向中心线附近的磨简体,用搭道木墩方式,滚至筒体最终位置上方。1.1.1

4、.3 将滑履放在滑环顶部,用塞尺检查在离滑履边缘大约20mm处间隙是否在0.050.1mm范围内,如不符,则需稍作刮削,注意刮削只能在两端最外面的2050mm区域内,以达到规定间隙。10.6.4.4辐子与止推块的安装(见图五)10.6.4.4.1 小心地清理干净底板,装上辐子(11),止推靴(IO)和滚道(09)o10.6.4.4.2检查隔件是否在根子与止推块的槽中都能自由移动。10.6.4.4.3检查辐子是否能在端导件处无约束地自由移动。注意:在靠近传动装置端滑环向上移动侧,固定滑履应靠在一个隔离块(17)上,而不是滚子。10.6. 4.5安装滑履:小心地放上滑履,使其位置与倾斜度靠近最终位

5、置。注意:滑履配有用于高压油的连接的一端,面向轴承中心方向,并应在落磨之前对滑履组件进行临时固定以防滑下。10.6.5磨体就位10.6.5.1 用千斤顶和自制鞍座配合,慢慢把筒体落至滑履瓦面上。注意:落磨前应清理干净滑环及滑履组件,落磨时拆除一切用于临时固定滑履的垫高块及其它附件,使滑履能相对于滑环自由调节。10.6.5.2 高压油系统安装:此工作必须在磨机找正前全部完成。磨机在找正过程中,用临时电源开启高压泵。10.6.5.3 磨体置于滑履上时的找正检查10.6.5.3.1在滑环顶端沿纵向放水平仪所测得的偏差应和旋转半周后重新放水平仪的偏差抵消(注:旋转时一定要启动高压泵)。10.6.5.3

6、.2两滑环顶部应在同一水平面内。如找正检查不合格,应重新调节底板的最终找正情况。10.6.5.3.3用塞尺检验滑环与滑履侧向导向件的间隙,要求不小于0.15mm。10.6.5.3.4用百分表测量滑环的轴向跳动,如跳动超过所测得的空隙,就应在滑履与侧向导向件间插填隙片,其厚度为跳动度加上0.15mm减去滑得间隙。10.6.6轴承底板灌浆在筒体找正正确后,就必须对底板进行灌浆。10.6.6.1所有斜垫铁斜面配合处必须用点焊焊住。10.6.6.2浇注开始之前,将和混凝土接触的底板的部件必须清理干净,混凝土基础上也必须无油或润滑脂等杂物。10.6.6.3灌浆时,始终要保证底板与基础中的空穴完全填充,使

7、用稳定容积特性的专用砂浆,灌浆应灌至高出各底板下边3040mm高度。10.6.7磨机油盘、油管与水管的安装10.6.7.1水路安装完后,要求系统经受工厂正常水压的压力测试,保持两小时无渗漏。10.6.7.2安装油盘时,必须使油盘顶边缘高于滑环底边缘20mm,各油管安装应清洗干净。10.6.7.3刮油器张力必须大于0.4KPa的张力.10.6.7.4低碳钢外罩安装时,应用橡皮密封件及密封胶安装好。注意:法兰焊接处,应清理干净焊缝,并在内侧涂上底漆和红色透平漆。10.6.7.5主轴承处加油10.6.8磨机隔仓板内衬的安装10.6.8.1严格按照施工图施工,注意衬板安装方向及排列方式。10.6.8.

8、2隔仓板与中心圈板位置要正确,间隙要均匀,并与筒体中心线垂直。注意:磨筒体上及滑环上所有多余的螺栓孔必须用橡胶塞封住。不得用焊接方法密封。10.6.9传动装置安装10.6.9.1大齿轮预组装把两半齿圈垫平,紧固联接螺栓;用0.04mm厚塞尺沿大齿圈接口四周检查两半齿圈接合是否紧密贴合,检查两半齿圈接合处的齿距,其偏差不得超过0005M(M为齿圈模数);检查大齿圈的椭圆度。10. 6.9.2大齿轮安装清洗处理大齿轮与磨体法兰的接合面;将大齿轮固定在磨体法兰上;检查大齿轮的轴向窜动和径向跳动,其允许偏差分别为Lomm和1.5mm。10.6.9.3 小齿轮安装小齿轮就位,一次灌浆;小齿轮与大齿轮的啮

9、合情况应符合图纸或规范要求;安装小齿轮时,应考虑热膨胀因素。10.6.9.4 减速机、主电机安装减速机和主电机的安装应用百分表测量两者联轴器的同轴度,精度应达到图纸或规范的要求。10.6.9.5 涧滑、冷却系统的安装所有管道的安装要求清洁、畅通、密封可靠;弯管要圆滑,禁止出现断面收缩或失圆,切口要平整;各油管要认真清洗,可先用20%硫酸或盐酸清洗,而后用10%的碱水清除管道中的残酸,再用清水冲洗,用压缩空气吹干后,浸入防锈油;管道的活接头,三通弯头等安装前要检查其完好性,安装过程中要严格注意这些部位的密封性,不得有泄漏;有需现场焊接的管子与法兰,要严格按要求施工,不得有漏焊、气孔等;安装调试后

10、,所有管道外表面均要刷漆。10. 6.10进出料装置安装进料装置安装时,应查对进料螺旋方向是否正确,然后对进料口与中空轴的径向间隙进行调整,使四周间隙均匀,同时,预留磨体轴向膨胀间隙。出料装置安装时,应对其与中空轴径向间隙进行找正,并注意四周间隙的密封装置。10.6. 11试运转10.7. 11.1试运转时间主电机单独空载运转4小时;电机带减速机一起运转8小时;带设备运转8小时(煤磨为4小时),轴承温升应符合产品说明书要求,轴承温度相对稳定后方可停机。10.6.11.2试运转前的检查各部位螺栓是否拧紧;磨体衬板装向是否正确,仓内是否有杂物;主轴承和减速机内部的清洁和油量情况;用压缩空气吹净主电机的定子和转子间的杂物C10.6.11.3试运转中的检查各管路是否畅通,有无泄漏;主轴承的供油情况是否良好,润滑系统的油压是否正常;各运转部位轴承的温度和冷却水温度情况;设备运转中的振动情况;进料和出料装置的处是否有磨擦现象;磨体的窜动量是否符合设计要求;试运转结束后,应重新检查所有的螺栓并拧紧。

展开阅读全文
相关资源
猜你喜欢
相关搜索

当前位置:首页 > 建筑/环境 > 设计及方案

copyright@ 2008-2023 1wenmi网站版权所有

经营许可证编号:宁ICP备2022001189号-1

本站为文档C2C交易模式,即用户上传的文档直接被用户下载,本站只是中间服务平台,本站所有文档下载所得的收益归上传人(含作者)所有。第壹文秘仅提供信息存储空间,仅对用户上传内容的表现方式做保护处理,对上载内容本身不做任何修改或编辑。若文档所含内容侵犯了您的版权或隐私,请立即通知第壹文秘网,我们立即给予删除!