报告编号:.docx

上传人:p** 文档编号:782471 上传时间:2024-02-26 格式:DOCX 页数:2 大小:29.50KB
下载 相关 举报
报告编号:.docx_第1页
第1页 / 共2页
报告编号:.docx_第2页
第2页 / 共2页
亲,该文档总共2页,全部预览完了,如果喜欢就下载吧!
资源描述

《报告编号:.docx》由会员分享,可在线阅读,更多相关《报告编号:.docx(2页珍藏版)》请在第壹文秘上搜索。

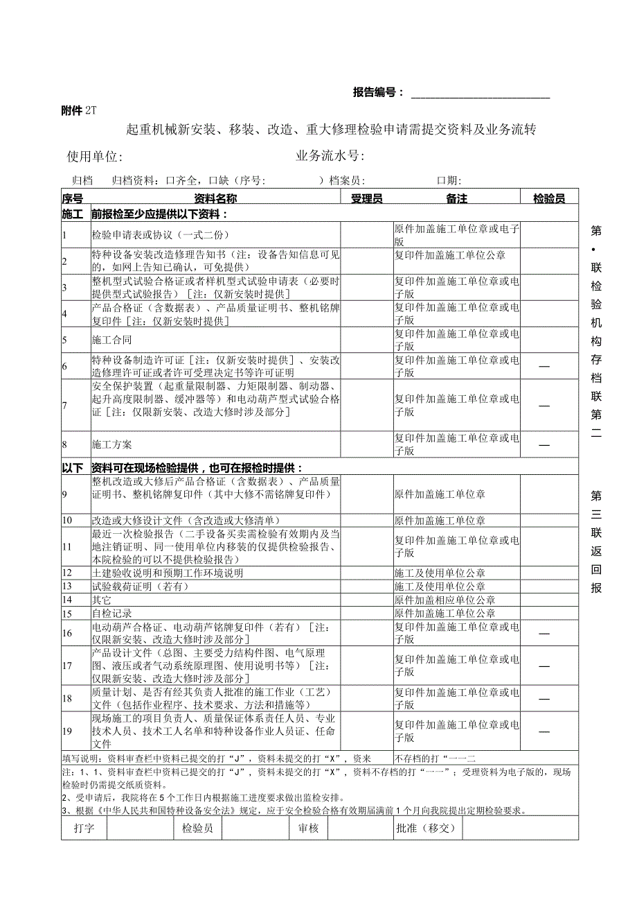
1、报告编号:附件2T起重机械新安装、移装、改造、重大修理检验申请需提交资料及业务流转使用单位:业务流水号:归档归档资料:口齐全,口缺(序号:)档案员:口期:序号资料名称受理员备注检验员施工前报检至少应提供以下资料:1检验申请表或协议(一式二份)原件加盖施工单位章或电子版2特种设备安装改造修理告知书(注:设备告知信息可见的,如网上告知已确认,可免提供)复印件加盖施工单位公章3整机型式试验合格证或者样机型式试验申请表(必要时提供型式试验报告)注:仅新安装时提供复印件加盖施工单位章或电子版4产品合格证(含数据表)、产品质量证明书、整机铭牌复印件注:仅新安装时提供复印件加盖施工单位章或电子版5施工合同复

2、印件加盖施工单位章或电子版6特种设备制造许可证注:仅新安装时提供、安装改造修理许可证或者许可受理决定书等许可证明复印件加盖施工单位章或电子版7安全保护装置(起重量限制器、力矩限制器、制动器、起升高度限制器、缓冲器等)和电动葫芦型式试验合格证注:仅限新安装、改造大修时涉及部分复印件加盖施工单位章或电子版8施工方案复印件加盖施工单位章或电子版以下资料可在现场检验提供,也可在报检时提供:9整机改造或大修后产品合格证(含数据表)、产品质量证明书、整机铭牌复印件(其中大修不需铭牌复印件)原件加盖施工单位章10改造或大修设计文件(含改造或大修清单)原件加盖施工单位章11最近一次检验报告(二手设备买卖需检验

3、有效期内及当地注销证明、同一使用单位内移装的仅提供检验报告、本院检验的可以不提供检验报告)复印件加盖施工单位章或电子版12土建验收说明和预期工作环境说明施工及使用单位公章13试验载荷证明(若有)施工及使用单位公章14其它原件加盖相应单位公章15自检记录原件加盖施工单位公章16电动葫芦合格证、电动葫芦铭牌复印件(若有)注:仅限新安装、改造大修时涉及部分复印件加盖施工单位章或电子版17产品设计文件(总图、主要受力结构件图、电气原理图、液压或者气动系统原理图、使用说明书等)注:仅限新安装、改造大修时涉及部分复印件加盖施工单位章或电子版18质量计划、是否有经其负责人批准的施工作业(工艺)文件(包括作业

4、程序、技术要求、方法和措施等)复印件加盖施工单位章或电子版19现场施工的项目负责人、质量保证体系责任人员、专业技术人员、技术工人名单和特种设备作业人员证、任命文件复印件加盖施工单位章或电子版填写说明:资料审查栏中资料已提交的打“J”,资料未提交的打“X”,资来不存档的打“一一二注:1、1、资料审查栏中资料已提交的打“J”,资料未提交的打“X”,资料不存档的打“一一”;受理资料为电子版的,现场检验时仍需提交纸质资料。2、受申请后,我院将在5个工作日内根据施工进度要求做出监检安排。3、根据中华人民共和国特种设备安全法规定,应于安全检验合格有效期届满前1个月向我院提出定期检验要求。打字检验员审核批准

5、(移交)第联检验机构存档联第二联存移交人第三联返回报检单位序号监检应具备的检验条件条件确认(报检人填写)1需要拆卸才能进行检验的零部件、安全保护和防护装置,按照要求进行拆卸2将起重机械主要受力结构件、主要焊缝、严重腐蚀部位,以及检验人员指定部位和部件清理干净3需要登高进行检验的部位(高于地面或者固定平面2m以上),采取可靠的登高安全措施4安全照明、工作电源满足检验需要5需要进行载荷试验的,配备满足检验所需的载荷6现场的环境和场地条件符合检验要求,没有影响检验的物品、设施等,并且设置相应的警示标志7需要进行现场射线检测时,隔离出透照区,设置安全标志8防爆设备现场,具有良好的通风,确保环境空气中的爆炸性气体或者可燃性粉尘物质浓度低于爆炸下限的相应规定9落实其他必要的安全保护和防护措施以及辅助工具其他消除其他可能危及施工、检验安全的隐患;检验人员认为有必要时,另行通知。注:条件确认具备的打“J”,不具备的打“X”,不适用的打O”

展开阅读全文
相关资源
猜你喜欢
相关搜索

当前位置:首页 > 办公文档 > 工作总结

copyright@ 2008-2023 1wenmi网站版权所有

经营许可证编号:宁ICP备2022001189号-1

本站为文档C2C交易模式,即用户上传的文档直接被用户下载,本站只是中间服务平台,本站所有文档下载所得的收益归上传人(含作者)所有。第壹文秘仅提供信息存储空间,仅对用户上传内容的表现方式做保护处理,对上载内容本身不做任何修改或编辑。若文档所含内容侵犯了您的版权或隐私,请立即通知第壹文秘网,我们立即给予删除!