定时计数器实验.docx

上传人:p** 文档编号:783260 上传时间:2024-02-26 格式:DOCX 页数:6 大小:218.22KB
下载 相关 举报
定时计数器实验.docx_第1页
第1页 / 共6页
定时计数器实验.docx_第2页
第2页 / 共6页
定时计数器实验.docx_第3页
第3页 / 共6页
定时计数器实验.docx_第4页
第4页 / 共6页
定时计数器实验.docx_第5页
第5页 / 共6页
定时计数器实验.docx_第6页
第6页 / 共6页
亲,该文档总共6页,全部预览完了,如果喜欢就下载吧!
资源描述

《定时计数器实验.docx》由会员分享,可在线阅读,更多相关《定时计数器实验.docx(6页珍藏版)》请在第壹文秘上搜索。

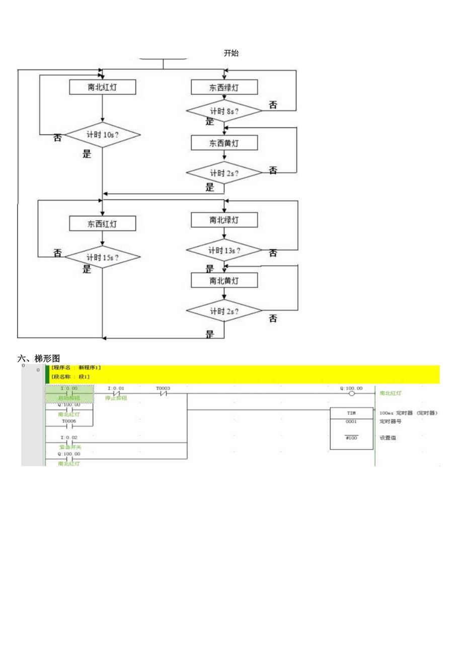
1、院别:控制工程学院课程名称:可编程控制器应用实验名称:实验一定时计数器实验实验教室:指导教师:学生姓名学生学号实验日期:年月日评分:一、实验目的1、掌握CPlHPLC控制系统梯形图设计的一般方法。2、掌握基于PLC的交通控制系统设计方法。二、实验内容 信号灯受一个起动开关控制,起动开关接通时,系统开始工作。 南北红灯亮IOs,同时东西绿灯亮8s,到8s时,东西绿灯熄灭,东西黄灯亮; 东西黄灯亮2s,当东西黄灯熄灭时,东西红灯亮,同时南北红灯熄灭,南北绿灯亮; 东西红灯亮15s,同时南北绿灯亮13s,到13s时,南北绿灯熄灭,南北黄灯亮, 南北黄灯亮2s,当南北黄灯熄灭后,南北红灯亮,东西绿灯亮

2、。 若有紧急情况,合上紧急处理开关,则东西方向和南北方向同时亮红灯;拉开紧急处理开关,并重新按启动按钮,则恢复正常运行。 任何时候按下停止按钮,关断系统工作。在实验室的CPIHPLe实验箱上实现上述设计。三、实验步骤(一)关断电源,通过USB接口将CPIHPLC和计算机相连,把并按以下步骤连线:1、输入接线区域的XCOM端子和输出接线区域的GND端子相连;2、输出接线区域的+24V端子和装配流水线控制模拟区域的XCOM端子相连;3、输出接线区域的GND端子和交通灯控制模拟区域的GND端子相连;4、输入接线区域的XOXI、X2(或其他可用端子,CPlHPLC实验箱中端子X0-X7对应PLCCIO

3、区域地址0.00-0.07)端子和和装配流水线控制模拟区域的“启动”、“停止”、“移位”端子(分别控制系统的启动、停止和紧急处理)相连;。5、输出接线区域的Y0、Yl、Y2(或其他可用端子,CPlHPLC实验箱中端子Y0-Y7对应PLCCIO区域地址100.00-100.07)端子和交通灯控制模拟区域的Gl、Yl、Rl端子(对应东西方向的绿灯、黄灯、红灯)相连;输出接线区域的Y10、YU、Y12(或其他可用端子,CPlHPLC实验箱中端子YlOTI7对应PLCClo区域地址IOLooTOL07)端子和交通灯控制模拟区域的G2、Y2、R2端子(对应南北方向的绿灯、黄灯、红灯)相连;检查电路连接无

4、误后,方可打开电源。(二)根据实验内容要求,编写PLC梯形图程序;(三)在CX-Programer软件中汇制梯形图(注意设备名称可根据需要任意给定,但设备类型必须是CPlH,CPU类型必须是X或XA型,由具体实验箱决定);(四)编译并下传到PLC,启动运行模式,运行程序,检查运行结果。四、I/O资源分配表输入电器:输入端子输出电器:输出端子工作开关00000东西红LDHO10001紧急处理开关00001东西黄LDHU10002从新启动按钮00002东西绿LDLV10003停止按钮00004南北红LLHO10004南北黄LLHU10005南北绿LLLV10006五、程序流程图开始六、梯形图191

5、:0 00启33钮T0002 IzlT00061:0 停上2IST0002Q:IOooS 东含灯1:0 伶上T0321I. 01lvHI. 01ttaT0003-M-Q: 1冬0。东西绿灯TIMIM$定时解淀时器)0002定的噩号设置值Q: 1. OS东西云灯TIB100.S定时g 症时器)0003定时翳号设置值1:0 OlT0004-UFQ 100.03-O东西缸灯535641Q 100.0371:0.02素急并关Q :100. 03红灯 T0003 T I1:0 OlifcT0005-M-TIM100n定时器 丘时器)0004定时器号#150-设置值南北绿灯Q 100.Ol-O-TIM00

6、05#130Q:100.01T00051:0.011001定时器 定时器)定时器号设置值南:I.02停J加1Q: 100.02-O-南北黄灯TIM100m定时器 届时器)0006定时器号设置值结束EHDSo 11七、实验结果(实验结果数据表格及实验分析与结论等)按下启动开关南北红灯亮10秒,同时东西绿灯亮,8秒时东西绿灯灭,东西黄灯亮,2秒后,东西黄灯灭,东西红灯亮,同时南北红灯灭,南北绿灯亮,东西红灯亮15秒,同时南北绿灯亮13秒,13秒后,南北绿灯灭,南北黄灯亮,2秒后,南北黄灯灭,南北红灯亮,东西绿灯亮。周而复始,若有紧急情况,合上紧急处理开关,则东西方向和南北方向同时亮红灯;拉开紧急处

7、理开关,并重新按启动按钮,则恢复正常运行。任何时候按下停止按钮,关断系统工作。八、实验思考题1、如果将要求中的紧急处理开关换为按钮形式,梯形图应如何改进?紧急处理开关:通常1就是开关闭合,0是开关断开.按钮开关:利用按钮推动传动机构,使动触点与静触点按通或断开并实现电路换接的开关。按钮开关的结构种类很多,可分为普通揪钮式、蘑菇头式、自锁式、自复位式、旋柄式、带指示灯式、带灯符号式及钥匙式等,有单钮、双钮、三钮及不同组合形式,一般是采用积木式结构,由按钮帽、复位弹簧、桥式触头和外壳等组成,通常做成复合式,有一对常闭触头和常开触头。436T00031:0.01T0005Q:100.01IIIAIr南北绿灯100ms定时器定时器)定时器号设置值IIQ:100.01II停1钮2Tia南小魏灯0005*i542IT00051:0.01T0006Q:100.02IIIICX南北黄灯100ms定时器定时器)定时器号设置值IIQ:100.02停1钮2南越灯TIR0006结束JUWVI成都信息工程学院内容仅供参考,如果您需解决具体问题,建议您详细咨询相关领域专业人士。

展开阅读全文
相关资源
猜你喜欢
相关搜索

当前位置:首页 > IT计算机 > 数据结构与算法

copyright@ 2008-2023 1wenmi网站版权所有

经营许可证编号:宁ICP备2022001189号-1

本站为文档C2C交易模式,即用户上传的文档直接被用户下载,本站只是中间服务平台,本站所有文档下载所得的收益归上传人(含作者)所有。第壹文秘仅提供信息存储空间,仅对用户上传内容的表现方式做保护处理,对上载内容本身不做任何修改或编辑。若文档所含内容侵犯了您的版权或隐私,请立即通知第壹文秘网,我们立即给予删除!