江西理工大学PLC期末考试试题试卷4答案.docx

上传人:p** 文档编号:789919 上传时间:2024-03-01 格式:DOCX 页数:6 大小:191.63KB
下载 相关 举报
江西理工大学PLC期末考试试题试卷4答案.docx_第1页
第1页 / 共6页
江西理工大学PLC期末考试试题试卷4答案.docx_第2页
第2页 / 共6页
江西理工大学PLC期末考试试题试卷4答案.docx_第3页
第3页 / 共6页
江西理工大学PLC期末考试试题试卷4答案.docx_第4页
第4页 / 共6页
江西理工大学PLC期末考试试题试卷4答案.docx_第5页
第5页 / 共6页
江西理工大学PLC期末考试试题试卷4答案.docx_第6页
第6页 / 共6页
亲,该文档总共6页,全部预览完了,如果喜欢就下载吧!
资源描述

《江西理工大学PLC期末考试试题试卷4答案.docx》由会员分享,可在线阅读,更多相关《江西理工大学PLC期末考试试题试卷4答案.docx(6页珍藏版)》请在第壹文秘上搜索。

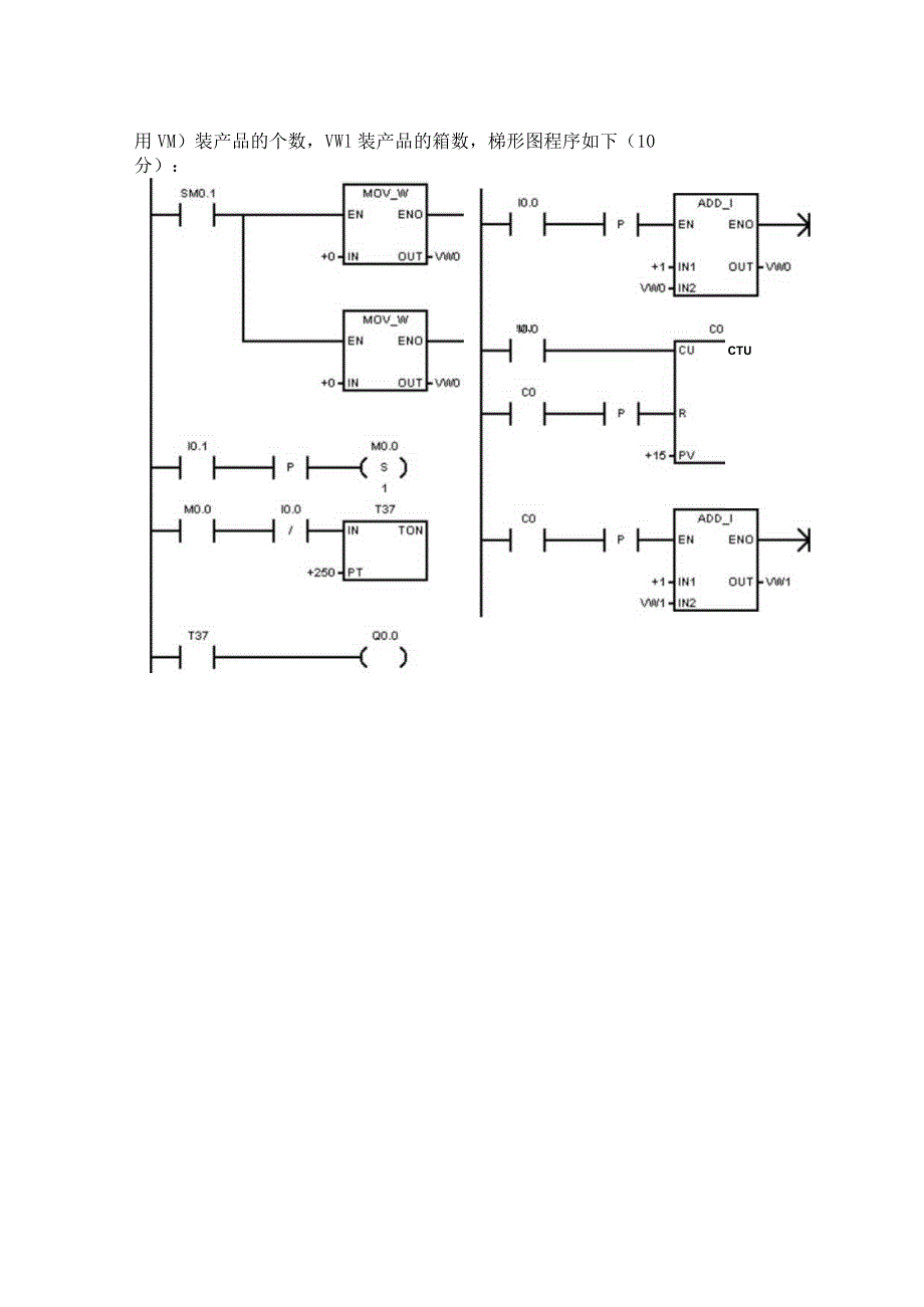
江西理工大学考试试卷一、填空题(每空1分,共10分)1、中央处理2、输入/输出3、输入采样,程序执行,输出刷新4、下一个循环周期5、断开,闭合6、0.1,1二、判断分析题l0.0111、LQQOI|_2、JJXXJ55-453、/=(16800-0)+45=50.2532000-053./MJI I DST P N D DN ID LPOIP ID L Laoalaoln - Lasloar3 5 4 32 , O 4 0 3 1Q CQIM30六、参考答案:I/O地址分配(5分)光电检测开关:10.0;传送带启动开关:10.1;报警器:Q0.0用VM)装产品的个数,VWl装产品的箱数,梯形图程序如下(10分):!UIJCTU七、参考答案:I/O地址分配(5分)启动:10.O,Hl:QO.1,H2:Q0.2,H3:Q0.3,H4:Q0.4梯形图程序(10分)八、I/O地址分配:启动:10.0,前限位开关:10.1,后限位开关:10.2,小车前进:Q0.0,小车后退:Q0.2,翻斗门电动机:Q0.1,底门电动机:Q0.3顺序功能图(5分)SM0.1初始化脉冲T38*COT38*CO梯形图程序:(10分)

展开阅读全文
相关资源
猜你喜欢
相关搜索

当前位置:首页 > 高等教育 > 习题/试题

copyright@ 2008-2023 1wenmi网站版权所有

经营许可证编号:宁ICP备2022001189号-1

本站为文档C2C交易模式,即用户上传的文档直接被用户下载,本站只是中间服务平台,本站所有文档下载所得的收益归上传人(含作者)所有。第壹文秘仅提供信息存储空间,仅对用户上传内容的表现方式做保护处理,对上载内容本身不做任何修改或编辑。若文档所含内容侵犯了您的版权或隐私,请立即通知第壹文秘网,我们立即给予删除!