洛阳万基水泥2800td新型干法熟料生产线高温风机设备技术协议.docx

上传人:p** 文档编号:791500 上传时间:2024-03-01 格式:DOCX 页数:3 大小:22.77KB
下载 相关 举报
洛阳万基水泥2800td新型干法熟料生产线高温风机设备技术协议.docx_第1页
第1页 / 共3页
洛阳万基水泥2800td新型干法熟料生产线高温风机设备技术协议.docx_第2页
第2页 / 共3页
洛阳万基水泥2800td新型干法熟料生产线高温风机设备技术协议.docx_第3页
第3页 / 共3页
亲,该文档总共3页,全部预览完了,如果喜欢就下载吧!
资源描述

《洛阳万基水泥2800td新型干法熟料生产线高温风机设备技术协议.docx》由会员分享,可在线阅读,更多相关《洛阳万基水泥2800td新型干法熟料生产线高温风机设备技术协议.docx(3页珍藏版)》请在第壹文秘上搜索。

1、2800td熟料水泥生产线高温风机设备技术协议甲方:洛阳万基水泥有限公司筹建处乙方:重庆通用工业(集团)有限责任公司甲方28OOtd熟料水泥生产线高温风机设备,委托乙方制造,经双方协商达成如下技术协议,作为商务合同的重要组成部分,共同遵守。一、 设备名称:窑尾高温风机数量:1台(套)二、 供货范围(详见附表)及技术参数1.1 术参数设备名称:窑尾高温风机设备型号:W6-2X29N33.5F(含SKF轴承)用途:用于排出增湿塔和窑尾预热器的废气数量:一台型式:双吸口双支撑进口风量(工况):520000m3h全压:8500Pa气体温度:275C短时最高450转速:950rmin气体重度:1.45k

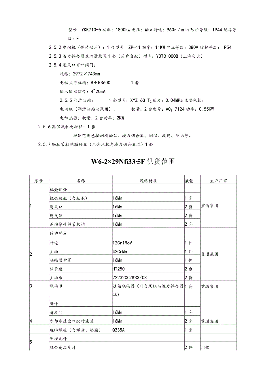
2、gNr(标况,包括含尘量)气体含尘浓度:WloOg/Nr(标)气体介质:水泥窑尾废气进、出风口位置:待定调速方式:液力耦合器调速调速范围:200950rmin效率:83.44%轴功率:1547.97KW1.2 1叶轮叶片形状:多圆弧后向后弯式热处理方式:焊后整体退火1.3 壳体结构型式:剖分式材质:16Mn1.4 主轴材质:42CrMo规格:锻件热处理方式:调质轴密封形式:浮动密封1.5 轴承型号:SKF22232CC/W33/C3制造厂家:SKF供应商数量:2轴承型式:双列向心球面滚子轴承润滑方式:稀油站强制润滑及油环复合润滑振动检测装置:温度检测装置:销热电阻1.6 主要配套件2.5.1电

3、动机(主传动用):1台(用户自配)型号:YKK710-6功率:1800kw电压:Wkv转速:960rmin防护等级:IP44绝缘等级:F2.5.2电动机(慢传动用):1台型号:ZP-11功率:11KW电压等级:380V防护等级:IP542.5.3液力偶合器及泗滑装置1套(用户自配)型号:YOTClOOOB(上海交大)2.5.4进风口百叶阀门:规格:2972743mm电动执行机构:BRS6001套输入输出信号:420mA2.5.5润滑油站:1套型号:XYZ-6G-T2压力:0.04MPa主要包括:电动机(润滑油站油泵用):数量:2台型号:A02-7124功率:0.55KW电加热器:数量:2台功率

4、:2KW2.5.6高温风机电控柜:1套控制范围包括润滑油站、液力偶合器、测温、测速、测振等。2.5.7联轴节柱销联轴器(只含风机与液力偶合器端)1套W6-229Nfi335F供货范围序号名称规格材质数量生产厂家1机壳部分重通集团机壳装配(含轴承)16Mn1套进风口16Mn2套进气箱16Mn2套差动导叶调节机构16Mn2套2传动部分重通集团叶轮12Cr1MoV1件主轴42CrMo1件联轴器护罩16Mn1件轴承座HT2502台主轴承22232CC/W33/C32套3联轴节柱销联轴器(只含风机与液力偶合器端)1套重通集团4附件重通集团清灰门16Mn1套冷却水进出口配对法兰16Mn2套地脚螺栓(含螺母

5、、垫圈)Q235A1套5测控元件双金属温度计2件川仪销热电阻PtlOo2件川仪测振装置速度传感器2件北京6液力偶合器(用户自配)YOTClOOOB(含冷却器)1台上海交大7稀油站XYZ-6G-T21台重通集团8慢转装置XWD11-7-1/291台天津、常州9电控柜PLC仪表盘型1台重通集团10电机(用户自配)YKK710-6/1800kw1Okv/IP44/F1台11电动执行器B+RS6001台天津佰纳德12调节门1台重通集团13电机底板1台重通集团三、提供的技术文件应提供的主要技术文件包括但不限于以下内容1 .设备配置图、设备基础图及设备平面布置图:2 .设备样本外形尺寸及正常操作与安装维修

6、时所需要的空间及位置;3 .外购件的原厂详细货物样本;4 .设备的部件图、易损件图、操作使用说明书及维修手册;5 .对相关专业的工程设计要求;6 .备品备件明细表及更换周期说明;7 .设备安装检测方法、标准及检测仪器;8 .设备最大件及最重件的名称、重量和外形尺寸,以及安装超重设备的技术要求;9 .提供设备的验收标准。以上技术资料、图纸各提供薛套同时提供以上技术资料、技术文件、图纸的光盘二套(AUtOCad2000版、文本文件用Word2000)。五、提供以下服务1 .乙方负责免费正确指导设备的安装、调试,保证在计划时间内达到设计能力,并及时提供合同规定的备品、备件;2 .负责技术培训,培训工作在甲方工厂进行,具体时间在合同中予以明确。3 .乙方保证其提供的设备是全新的,未使用过的、采用最新设计和本技术协议参数的要求制造的,并在各个方面符合合同规定的数量、规格和性能。2004-03-2

展开阅读全文
相关资源
猜你喜欢
相关搜索

当前位置:首页 > 建筑/环境 > 建筑材料

copyright@ 2008-2023 1wenmi网站版权所有

经营许可证编号:宁ICP备2022001189号-1

本站为文档C2C交易模式,即用户上传的文档直接被用户下载,本站只是中间服务平台,本站所有文档下载所得的收益归上传人(含作者)所有。第壹文秘仅提供信息存储空间,仅对用户上传内容的表现方式做保护处理,对上载内容本身不做任何修改或编辑。若文档所含内容侵犯了您的版权或隐私,请立即通知第壹文秘网,我们立即给予删除!