架空输电线路分布式故障定位装置技术规范书(专用部分)V1.0-天选打工人.docx

上传人:p** 文档编号:794976 上传时间:2024-03-01 格式:DOCX 页数:11 大小:63.38KB
下载 相关 举报
架空输电线路分布式故障定位装置技术规范书(专用部分)V1.0-天选打工人.docx_第1页
第1页 / 共11页
架空输电线路分布式故障定位装置技术规范书(专用部分)V1.0-天选打工人.docx_第2页
第2页 / 共11页
架空输电线路分布式故障定位装置技术规范书(专用部分)V1.0-天选打工人.docx_第3页
第3页 / 共11页
架空输电线路分布式故障定位装置技术规范书(专用部分)V1.0-天选打工人.docx_第4页
第4页 / 共11页
架空输电线路分布式故障定位装置技术规范书(专用部分)V1.0-天选打工人.docx_第5页
第5页 / 共11页
架空输电线路分布式故障定位装置技术规范书(专用部分)V1.0-天选打工人.docx_第6页
第6页 / 共11页
架空输电线路分布式故障定位装置技术规范书(专用部分)V1.0-天选打工人.docx_第7页
第7页 / 共11页
架空输电线路分布式故障定位装置技术规范书(专用部分)V1.0-天选打工人.docx_第8页
第8页 / 共11页
架空输电线路分布式故障定位装置技术规范书(专用部分)V1.0-天选打工人.docx_第9页
第9页 / 共11页
架空输电线路分布式故障定位装置技术规范书(专用部分)V1.0-天选打工人.docx_第10页
第10页 / 共11页
亲,该文档总共11页,到这儿已超出免费预览范围,如果喜欢就下载吧!
资源描述

《架空输电线路分布式故障定位装置技术规范书(专用部分)V1.0-天选打工人.docx》由会员分享,可在线阅读,更多相关《架空输电线路分布式故障定位装置技术规范书(专用部分)V1.0-天选打工人.docx(11页珍藏版)》请在第壹文秘上搜索。

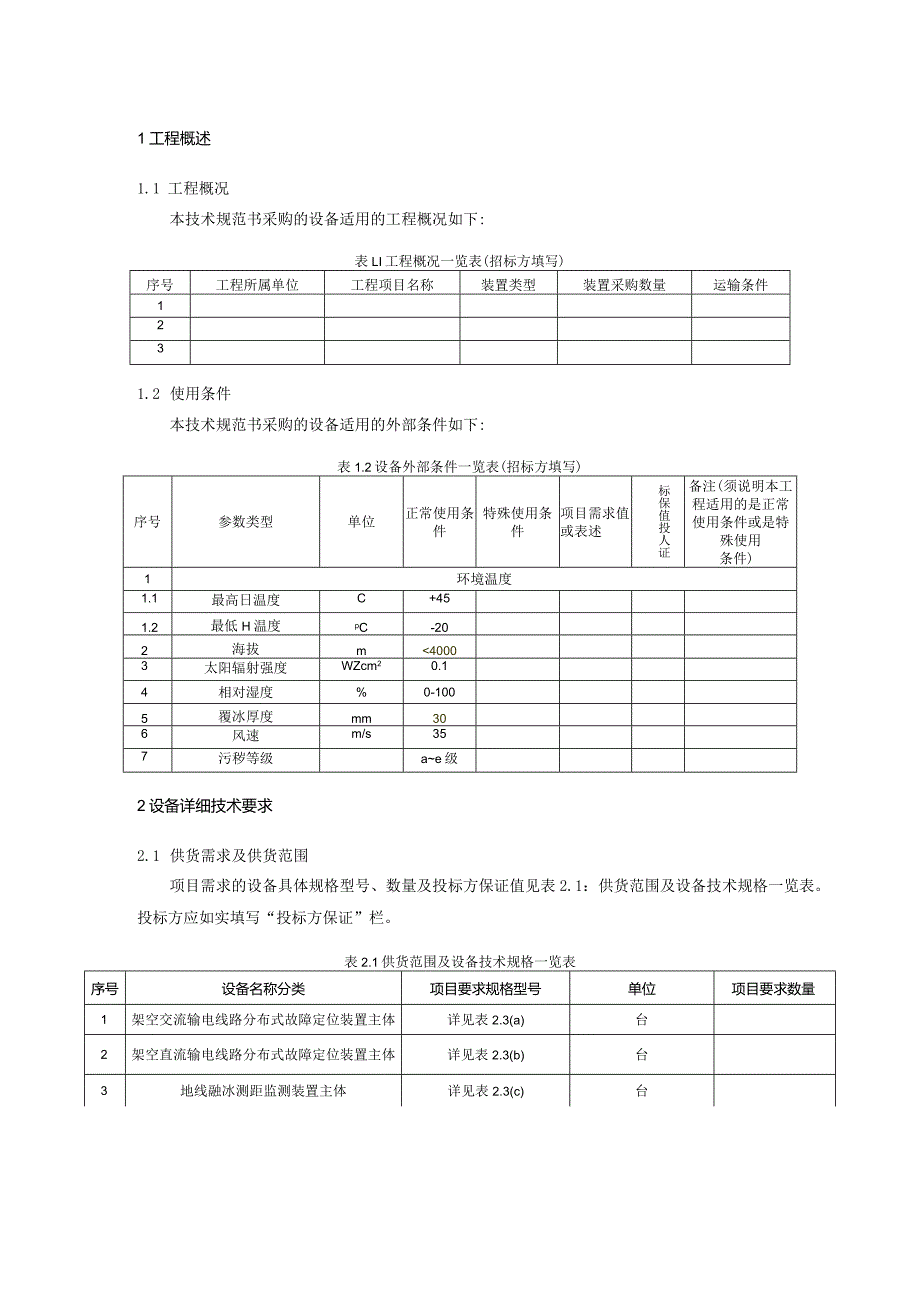
1、(专用部分)版本号征求意碱编号:1工程概述11.1 工程概况11.2 使用条件12设备详细技术要求12.1 供货需求及供货范围12.2 标准技术特性参数表22.3 投标人资料提交时间及培训要求82.4 备品备件、专用工具和仪器仪表供货表82.5 方技术偏差83.1 投标方技术偏差83.2 投标方需说明的其他问题83.3 图纸提交要求94.1 图纸资料提交单位94.2 设备图纸及资料95其他91工程概述1.1 工程概况本技术规范书采购的设备适用的工程概况如下:表LI工程概况一览表(招标方填写)序号工程所属单位工程项目名称装置类型装置采购数量运输条件1231.2 使用条件本技术规范书采购的设备适用

2、的外部条件如下:表1.2设备外部条件一览表(招标方填写)序号参数类型单位正常使用条件特殊使用条件项目需求值或表述标保值投人证备注(须说明本工程适用的是正常使用条件或是特殊使用条件)1环境温度1.1最高日温度C+451.2最低H温度pC-202海拔m1000us需提供第三方证明材料2.5行波(冲击)电流测量时间参数误差+10%需提供第三方证明材料2.6行波(冲击)电流测量幅值参数误差58(当行波电流W40A时,测量误差为2A)需提供第三方证明材料3I二频故障电流测量3.1故障电流传感器频响范围0.IHz-IkHz需提供第三方证明材料3.2故障电流采样率2kHz需提供第三方证明材料3.3单导线故障

3、电流有效值测量范围IOA150OOA需提供第三方证明材料3.4故障电流连续记录时长250OmS需提供第三方证明材料3.5故障电流测量幅值参数误差5%(当工频故障电流WlOOA时,测量误差为5A)需提供第三方证明材料4故障诊断功能4.1故障区间定位准确率295%需提供第三方证明材料1.2故障定位精度300米,并满足前后一基塔范围需提供第三方证明材料4.3雷击与非雷击故障辨识准确率295%需提供第三方证明材料4.4绕击和反击识别准确率290%需提供第三方证明材料4.5故障跳闸告警时间W5分钟需提供第三方证明材料4.6故障诊断结果转警时长30分钟需提供第三方证明材料4.7授时方式北斗、GPS授时5通

4、信模块5.1每月流量NK)OM5.2通信方式兼容AP专用无线网络通讯和普通移动通讯网络(2G/3G/4G/5G)通讯5.3投标方承担通讯卡月租费用260个月5.4通信要求通信接口和应用层数据传输规约应满足南方电网输电线路在线监测装置通用技术规范,并且能够接入超高压公司在线监测平台6电源模块6.1交流线路感应取能最小工作电流20A序号参数类型项目单位要求值证明材料偏差说明6.2交流线路感应取能最大工作电流15006.3交流线路备用电池工作时长22小时7其他7.1防护等级2IP67需提供第三方证明材料7.2整机质保期限25年7.3整机功耗要求峰值功耗:12W;在线状态下采集功耗:3.5W;在线状态

5、下静态功耗:WLOWt)8试验要求8.1基本功能检验满足中国南方电输电线路在线监测通信规约及信息交互规范(试行)要求需提供第三方证明材料8.2通信一致性试验满足中国南方电输电线路在线监测通信规约及信息交互规范(试行)要求需提供第三方证明材料8.3电磁兼容性能试验监测装置的功能和性能应达到GB/T17626.2中规定的a级要求需提供第三方证明材料8.4环境适应性能试验满足技术规范书通用部分要求需提供第三方证明材料8.5电源性能及功耗试验满足技术规范书通用部分要求需提供第二方证明材料9生产、运输、安装9.1生产、运输、安装要求从设备生产、运输到安装全部由投标方完成。表2.3(b)架空直流输电线路分

6、布式故障定位装置标准技术特性参数表序号参数类型项目单位要求值证明材料偏差说明1主控单元1.1最大采样间隔(h)241.2最小采样间隔(min)11.3数据循环存储时长(day)1801.4采集方式同时具备自动采集方式与受控采集方式2行波电流测量指标要求2.1行波(冲击)电流传感器频响范围IkHz-IMHz需提供第三方证明材料2.2行波(冲击)电流采样率22MHZ需提供第三方证明材料2.3单导线行波(冲击)电流峰值测量范围I500OA需提供第三方证明材料2.4行波(冲击)电流连续记录时长21000s需提供第三方证明材料2.5行波(冲击)电流测量时间参数误差10%需提供第三方证明材料2.6行波(冲

7、击)电流测量幅值参数误差+5%(当行波电流S40A时,测量误差为2A)需提供第三方证明材料序号参数类型项目单位要求值证明材料偏差说明3工频故障电流测量3.1故障电流传感器频响范围0.1HZIkHZ需提供第三方证明材料3.2故障电流采样率22kHz需提供第三方证明材料3.3单导线故障电流有效值测量范围IOA1500OA需提供第三方证明材料3.4故障电流连续记录时长250OmS需提供第三方证明材料3.5故障电流测量幅值参数误差5%(当工频故障电流WlooA时,测量误差为5A)需提供第三方证明材料4故障诊断功能4.1故障区间定位准确率295%需提供第三方证明材料4.2故障定位精度W300米,并满足前

8、后一基塔范围需提供第三方证明材料4.3雷击与非雷击故障辨识准确率295%需提供第三方证明材料4.4绕击和反击识别准确率290%需提供第三方证明材料4.5故障跳闸告警时间W5分钟需提供第三方证明材料4.6故障诊断结果告警时长30分钟需提供第三方证明材料4.7授时方式北斗、GPS授时5通信模块5.1每月流量21(X)M5.2通信方式兼容APN专用无线网络通讯和普通移动通讯网络(2G/3G/4G/5G)通讯5.3投标方承担通讯卡月租费用260个月5.4通信要求通信接口和应用层数据传输规约应满足南方电网输电线路在线监测装置通用技术规范,并且能够接入超高压公司在线监测平台6电源模块6.1供电方式太阳能供

9、电6.2直流线路备用电池工作时长30天7其他7.1防护等级2IP67需提供第三方证明材料7.2整机质保期限N5年7.3整机功耗要求峰值功耗:12W;在线状态下采集功耗:3.5W;在线状态下静态功耗:.ow08试验要求8.1基本功能检验满足中国南方电输电线路在线监测通信规约及信息交互规范(试行)要求需提供第三方证明材料8.2通信一致性试验满足中国南方电输电线路在线监测通信规约及信息交互规范(试行)要求需提供第三方证明材料序号参数类型项目单位要求值证明材料偏差说明8.3电磁兼容性能试验监测装置的功能和性能应达到GB/T17626.2中规定的a级要求需提供第三方证明材料8.4环境适应性能试验满足技术规范书通用部分要求需提供第三方证明材料8.5电源性能及功耗试验满足技术规范书通用部分要求需提供第三方证明材料

展开阅读全文
相关资源
猜你喜欢
相关搜索

当前位置:首页 > 行业资料 > 国内外标准规范

copyright@ 2008-2023 1wenmi网站版权所有

经营许可证编号:宁ICP备2022001189号-1

本站为文档C2C交易模式,即用户上传的文档直接被用户下载,本站只是中间服务平台,本站所有文档下载所得的收益归上传人(含作者)所有。第壹文秘仅提供信息存储空间,仅对用户上传内容的表现方式做保护处理,对上载内容本身不做任何修改或编辑。若文档所含内容侵犯了您的版权或隐私,请立即通知第壹文秘网,我们立即给予删除!