某市区10KV电网工程施工组织设计(改造)(DOC62页).docx

上传人:p** 文档编号:797585 上传时间:2024-03-01 格式:DOCX 页数:60 大小:166.48KB
下载 相关 举报
某市区10KV电网工程施工组织设计(改造)(DOC62页).docx_第1页
第1页 / 共60页
某市区10KV电网工程施工组织设计(改造)(DOC62页).docx_第2页
第2页 / 共60页
某市区10KV电网工程施工组织设计(改造)(DOC62页).docx_第3页
第3页 / 共60页
某市区10KV电网工程施工组织设计(改造)(DOC62页).docx_第4页
第4页 / 共60页
某市区10KV电网工程施工组织设计(改造)(DOC62页).docx_第5页
第5页 / 共60页
某市区10KV电网工程施工组织设计(改造)(DOC62页).docx_第6页
第6页 / 共60页
某市区10KV电网工程施工组织设计(改造)(DOC62页).docx_第7页
第7页 / 共60页
某市区10KV电网工程施工组织设计(改造)(DOC62页).docx_第8页
第8页 / 共60页
某市区10KV电网工程施工组织设计(改造)(DOC62页).docx_第9页
第9页 / 共60页
某市区10KV电网工程施工组织设计(改造)(DOC62页).docx_第10页
第10页 / 共60页
亲,该文档总共60页,到这儿已超出免费预览范围,如果喜欢就下载吧!
资源描述

《某市区10KV电网工程施工组织设计(改造)(DOC62页).docx》由会员分享,可在线阅读,更多相关《某市区10KV电网工程施工组织设计(改造)(DOC62页).docx(60页珍藏版)》请在第壹文秘上搜索。

1、某市区IOKV电网工程施工组织设计(改造)(DOC62页)施工组织设计第一章、工程概况及特点1.l工程概况:本工程系某市区电网工程,因其原有供电线路已使用多年,现已不能满足供电质量、安全与美观的要求,为了使该区其基础设施的建设也应与之相配套,本次供电工程的改造是其改造工程内容之一。工程竣工后,能够满足现有用电负荷及未来进展的需要,因此我方对此次工程投标十分重视,力求工期短、质量高,使业主早日受益。通过我方对施工现场实地勘察、研究认为抓住重点部分,精心组织人员,分区、分段、集中与分散的施工,确保工程如期保质完成。1.2施工条件施工现场“三通一平”已具备;要紧施工设备已具备。工程所需材料在开工3天

2、后进入施工现场。1.3施工特点及内容本工程施工内容要紧包含:改造IOKV配网线路共计14.68公里,改造或者新建IOKV配变台区11个,总容量为3890KVA,新建与更换配电变压器11台,总容量为3775KVA,新装配变台区无功补偿装置21个,补偿容量为1290千乏,新装IOKV柱上断路器3台及分段器4台。改造的目的:当线路运行了一定时间之后,由于线路的老化,其绝缘程度降低、过电流及负荷能力减少,这样会影响线路的安全与经济运行,降低线路使用寿命。因此,务必对线路进行改造。施工特点:这部分要紧是根据施工图纸,结合调查资料,简练地概括工程全貌,综合分析,突出重点问题。对新结构、新材料、新技术、新工

3、艺及施工的难点特别应该重点说明。具体内容为:设计特点;结构设计特点;建设地点的特征;施工条件:要紧说明:水、电、道路及场地的“三通一平”、现场临时设施、施工现场及周围环境等情况;当地的交通运输条件,预制构件生产及供应情况;施工企业机械、设备、劳动力的落实情况;内部承包方式、劳动组织形式及施工管理水平等。通过上述分析,应当指出单位工程的施工特点与施工中的关键问题,以便在选择施工方案、组织资源供应、技术力量配备,与在施工准备工作上采取有效措施,使解决关键问题的措施落实于施工之前,使施工顺利进行,提高施工企业的经济效益。其特点为:在规定的期限内完成规定的全部作业,达到质量标准,确保机组安全、经济运行

4、与锅炉房建筑物与构筑物的牢固。尽量使用先进工艺与新技术、新方法,积极推广新材料、新工具、提高工作效率,缩短线路工期。节约原材料,做到合理使用,避免错用、浪费,及时保管好拆旧下来的器材及其他部件。文明施工,遵守有关规章制度,爱护设备、建筑物与设施工机具。经常熟悉、检查设备与系统状况,及时消除设备缺陷。搞好安全,防止发生人身与设备损坏事故。假如我单位施工该地区电网改造工程,我单位具备下列基本条件与优势:我单位具有IIOKV及下列供配电线路的改造、施工许可证,在长年电力安装与电力线路的施工中,我单位具有一批有经验有业务水平与专业技能的领导干部,技术人员与工人构成的骨干队伍。有一支拥有电力安装专业需要

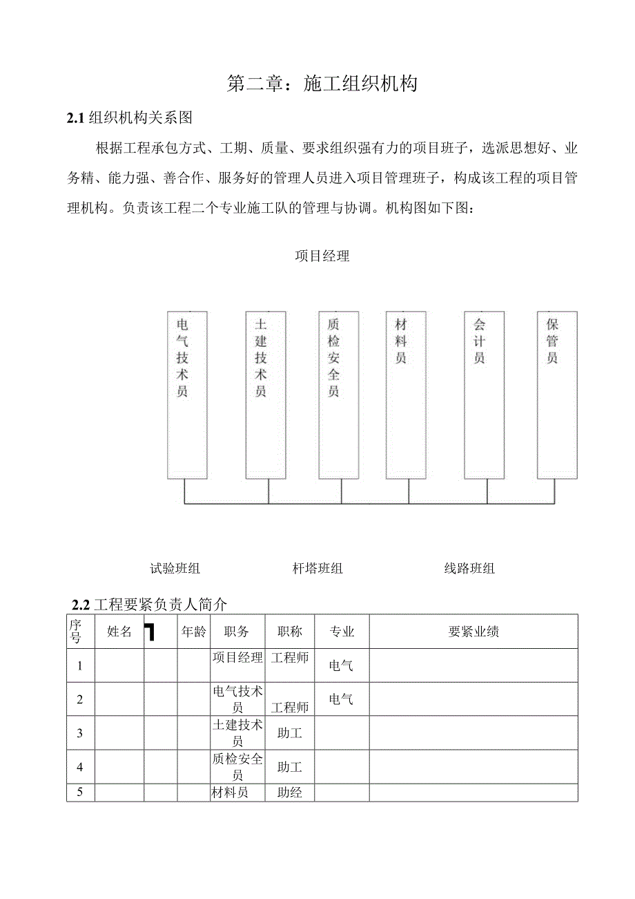
5、的各熟练工种,如高级线路工、试验工、仪表工、起重工构成的施工队伍。有一定数量的责任心强与有经验的安全与质量监督人员,有相应的施工用设备与工具,有一套完整的科学的管理制度。第二章:施工组织机构2.1组织机构关系图根据工程承包方式、工期、质量、要求组织强有力的项目班子,选派思想好、业务精、能力强、善合作、服务好的管理人员进入项目管理班子,构成该工程的项目管理机构。负责该工程二个专业施工队的管理与协调。机构图如下图:项目经理试验班组杆塔班组线路班组2.2工程要紧负责人简介序号姓名E年龄职务职称专业要紧业绩1项目经理工程师电气2电气技术员工程师电气3土建技术员助工4质检安全员助工5材料员助经第三章、施

6、工总平面布置2.1施工现场条件说明本工程建设地点在市区,根据本工程的特点与施工现场的实际情况,施工线路长、点多面广等特点,与考虑施工现场综合管理措施等,施工所用临时设施,建在距施工现场不远的空地内,基地内设置预制场、管材设备堆放点、材料库房等。项目经理部下设二个施工队,便于集中管理。施工平面图每个工程项目在施工前,都务必对施工现场的布置,认真进行周密的规划,合理地、布置施工平面图,以保证现场施工有秩序的进行,实现现场文明施工。施工平面图中应包含下列内容:(1)建筑总平面图上已建的地下与地下一切建筑构筑物与管线;(2)起重机轨道与行驶路线,井架位置等;(3)测量放线标桩,地形等高线,土方取弃场地

7、;(4)材料、加工半成品、构件与机具堆场;(5)生产用临时设施(如混凝土搅拌站砂浆搅拌站、钢筋工棚、木工棚、仓库等);(6)生活用临时设施(如办公室工人宿舍、休息室、饮水站等);(7)供水、供电线路及道路,包含变压站、配电房、永久性与临时性道路等;(8)施工现场安全、防火设施。应该指出:建筑施工是一个复杂多变的生产过程,施工现场的布置应随着生产过程的需要而变化,实行动态管理。但是,关于整个施工现场的要紧道路、垂直运输机械、水、电管线与临时房屋是不可能轻易变动的。因此,既不能求稳怕变,也不能乱变。关于大型施工项目、施工期限较长或者建设地点狭窄时,要按施工阶段来布置施工平面图,以习惯各阶段的施工要

8、求。2.2 现场布置设计说明及根据项目部、项目施工队基地临设建设根据实际场地与消防等情况使用砖砌形式,围墙使用砖砌形式。各类生活性临时性设施如下表:用途面积(平方位置需用时间办公室(12人)64见平面图宿舍(50人、双层120见平面图食堂(55人)50见平面图开水房20见平面图厕所20见平面图警卫室、吸烟室15见平面图会议室25m2见平面图另给建设单位、监理单位各提供1间办公室作为现场办公用。2.3 施工生活用水、用电生活、施工用电:利用建设单位引至施工现场邻近的线路,在其下口接线架空引至用电现场与项目基地。第四章、施工方案4.1 施工准备4.1.1 技术准备图纸会审根据设计及施工现场实际情况

9、,开工前技术员、检查员、预算员、工长认真熟悉审核图纸,熟悉设计意图及要求施工所达到的技术标准,会同建设、设计、监理单位共同审核图纸,编制与完善施工组织设计与重点工程施工方案,特殊作业指导书。制定切实可行的质量、安全、防火、环境保护、文明施工、社会治安综合治理保证措施。根据设计提供的设备、管道、线路定位图,水准操纵网点,进行现场勘测复核,绘制施工平面布置及定位放线图,引测高程,做好复测记录,并及时上报。收集与整理编排各类开工资料。根据设计确定的平面布置情况建立统一的测量操纵网,作为对该工程的平面位置定点放线的根据。技术标准规范与质量记录资料的准备在施工前,应及时准备施工中所需规范与标准,根据工程

10、需要准备质量记录表格,现场技术人员与质量检查人员应认真填写,并将各工种的质量检查记录表格发放给操作工人,并督促检查他们及时认真填写。建立健全施工质量检查与验收制度施工班组实行三检制度,即自检、互检、交接检。开展三工序活动,即保证本工序,监督保护上工序,优质服务下工序。工序检验工序检验是操纵施工质量的关键,工序检验严格执行A、B、C三级质量操纵点检查制度,工序检验与试验操纵流程图有关说明如下:工序检验通知单、委托单、由工序施工技术人员填报,A(AR)级质量操纵点,检验通知单于检查的前一天送到监理单位,B(BR)级质量操纵点,检查通知单提早八小时送到项目质检科,C(CR)级质量操纵点,提早通知专业

11、质量检查员。各级别的参检人员、出具报告与记录人、签字人员及审批签发人员。各操纵点经检查确认合格后,才能放行,进行下一工序施工。最终检验操纵通过实施分项、分部与单位工程的最终检验,完成施工项目的最终检验。分项、分部工程的全部施工工序均完成(除另有约定外),检验试验合格,检验与试验报告或者施工记录齐全。技术负责人填报分项工程质量评定表分部工程质量评定表经施工负责人签字,专业质量检查员与专业质量工程师审定。将最终检验通知单提早48小时送达业主质量监督部门。质量管理部主任组织工程施工负责人、技术负责人、分部技术负责人,并会同业主质量监督代表对单位工程进行最终现场检验,审查分部工程质量评定表。单位工程技

12、术负责人填报单位工程质量评定表经签字盖章后送业主质量监督部门核定。业主质量监督代表在单位工程质量评定上签字认可后,该单位工程最终检验完毕。技术交底制度根据施工组织设计中列出的需编制的分项工程目录,在项目施工前由技术人员应将这些分项工程技术交底编制完成,对参与该分项工程施工的人员进行技术交底。技术交底分二个层次进行,先由项目工程技术负责人根据各项施工方案向现场施工管理人员、负责人交底,专业技术人员向操作班组交底,交底一律使用口头书面、图表三结合形式进行,被交底人需在交底材料上签字以明确责任。材料验收制度物资采购:所有采购的材料、半成品、工程设备务必符合规范标准及合同规定的质量要求。采购计划由项目

13、部材料员据进度计划提出,所有材料计划务必通过项目项目经理批准后方能执行。物资分供方评价:委托物资公司供应的物资,分供方评价由物资公司进行,项目经理部参与。分承包方供应的物资,分供方评价由项目物资材料科与分承包方共同进行,公司材料科审核并登记备案。在市场上采购的零星类材料,由物资材料科进行产品质量评定,不进行合格分供方评审。物资验证:对所有进场的原材料、半成品由项目材料员、施工员、质检员检查验收,验收内容包含材质说明、出厂合格证与试验报告,由保管员建立材料进货台账。材料到达现场或者入库前,材料员务必进行验证,使实物与进料计划单相吻合,验证内容包含物资的名称、品种、规格、数量、质量等,验证方法根据

14、物资不一致,可使用外观、实量、点数等,经验证实物与进料计划完全相符时,应办理签字手续,明确责任。进场材料在投入使用前,务必获取该物资的各类质量证明的文件,如出厂合格证、出厂证明、试验报告单等。建立物资验证台账,即定期检查各类质量证明,对进场的物资验证其各类质量证明及复试报告与事实上体质量,并认真切实做好台账。特殊及重要材料在进行外观品种、规格、型号检查的基础上,还应具体进行检验与试验。对需进行检验与试验的原材料,务必按照试验取样计划的规定及时取样试验。严格执行国家建设部关于“材料试验取样、送检的有关规定”,取样、送检时要主动联系监理代表旁站监督,在有关试验材料资料中加盖“送检见证”及“见证取样

15、”的监理签章,并将试验报告向监理报验,未经检验的材料不得使用。同时关于特殊作业的过程参数的测试,专业安装有关的各类测试,也要主动邀请旁监理并予认可。施工过程的标识由施工员负责,填写施工日记、使用现场施工布置图、工程标识牌的方式进行,要求在施工日记中将生产情况、技术、质量安全等问题全面记录。雨季施工准备措施安排好雨季施工项目,编制雨季施工技术措施,不宜雨季施工项目,尽量躲开雨季施工。做好场地周围防洪排水设施,疏通现场排水沟道,做好低洼地面的挡水堤,准备好排水机具,防止雨水淹泡工程或者地基。准备雨季施工材料及防护材料,铺垫好道路,保证雨天正常作业与运输。采取有效技术措施,防止材料受雨淋,而影响工程质量。做好安全防护,检查加固边坡,预防雨天塌方,检查供电网络,防漏电、触电,做好脚手架防滑、加固等。4.1.2施工现场准备根据工程承包方式、工期、质量、要求组织强有力的项目班子,选派思想好、业务精、能力强、善合作、服务好的管理人员进入项目管理班子。编制各类技术

展开阅读全文
相关资源
猜你喜欢
相关搜索

当前位置:首页 > 建筑/环境 > 施工组织

copyright@ 2008-2023 1wenmi网站版权所有

经营许可证编号:宁ICP备2022001189号-1

本站为文档C2C交易模式,即用户上传的文档直接被用户下载,本站只是中间服务平台,本站所有文档下载所得的收益归上传人(含作者)所有。第壹文秘仅提供信息存储空间,仅对用户上传内容的表现方式做保护处理,对上载内容本身不做任何修改或编辑。若文档所含内容侵犯了您的版权或隐私,请立即通知第壹文秘网,我们立即给予删除!