电气车间风险管控信息排查清单.docx

上传人:p** 文档编号:797636 上传时间:2024-03-01 格式:DOCX 页数:1 大小:14.07KB
下载 相关 举报
电气车间风险管控信息排查清单.docx_第1页
第1页 / 共1页
亲,该文档总共1页,全部预览完了,如果喜欢就下载吧!
资源描述

《电气车间风险管控信息排查清单.docx》由会员分享,可在线阅读,更多相关《电气车间风险管控信息排查清单.docx(1页珍藏版)》请在第壹文秘上搜索。

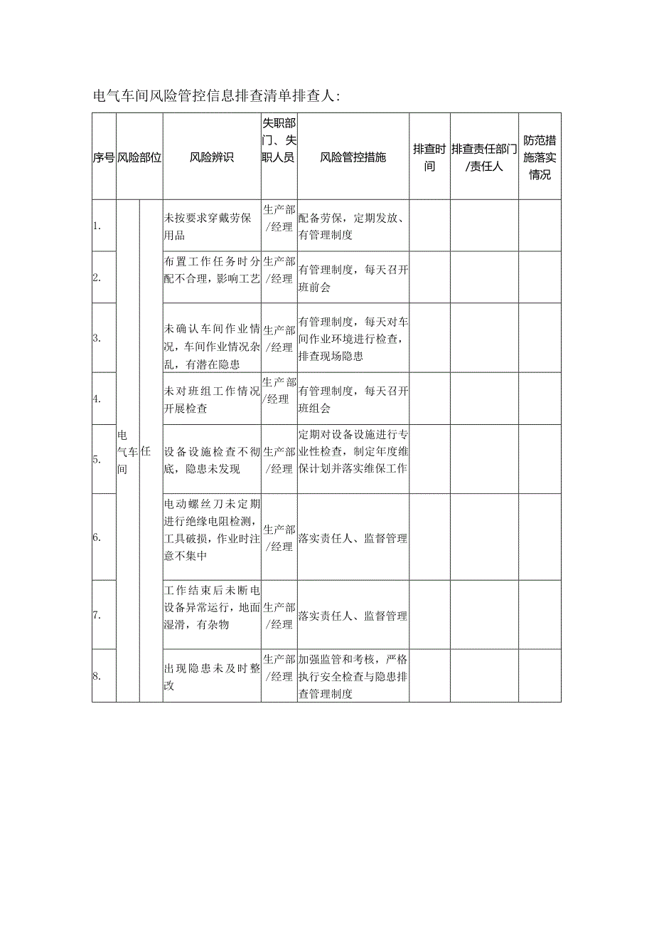
电气车间风险管控信息排查清单排查人:序号风险部位风险辨识失职部门、失职人员风险管控措施排查时间排查责任部门/责任人防范措施落实情况1.电气车间任未按要求穿戴劳保用品生产部/经理配备劳保,定期发放、有管理制度2.布置工作任务时分配不合理,影响工艺生产部/经理有管理制度,每天召开班前会3.未确认车间作业情况,车间作业情况杂乱,有潜在隐患生产部/经理有管理制度,每天对车间作业环境进行检查,排查现场隐患4.未对班组工作情况开展检查生产部/经理有管理制度,每天召开班组会5.设备设施检查不彻底,隐患未发现生产部/经理定期对设备设施进行专业性检查,制定年度维保计划并落实维保工作6.电动螺丝刀未定期进行绝缘电阻检测,工具破损,作业时注意不集中生产部/经理落实责任人、监督管理7.工作结束后未断电设备异常运行,地面湿滑,有杂物生产部/经理落实责任人、监督管理8.出现隐患未及时整改生产部/经理加强监管和考核,严格执行安全检查与隐患排查管理制度

展开阅读全文
相关资源
猜你喜欢
相关搜索

当前位置:首页 > 办公文档 > 统计图表

copyright@ 2008-2023 1wenmi网站版权所有

经营许可证编号:宁ICP备2022001189号-1

本站为文档C2C交易模式,即用户上传的文档直接被用户下载,本站只是中间服务平台,本站所有文档下载所得的收益归上传人(含作者)所有。第壹文秘仅提供信息存储空间,仅对用户上传内容的表现方式做保护处理,对上载内容本身不做任何修改或编辑。若文档所含内容侵犯了您的版权或隐私,请立即通知第壹文秘网,我们立即给予删除!