石膏板吊顶工程施工工艺.docx

上传人:p** 文档编号:798460 上传时间:2024-03-04 格式:DOCX 页数:5 大小:44.32KB
下载 相关 举报
石膏板吊顶工程施工工艺.docx_第1页
第1页 / 共5页
石膏板吊顶工程施工工艺.docx_第2页
第2页 / 共5页
石膏板吊顶工程施工工艺.docx_第3页
第3页 / 共5页
石膏板吊顶工程施工工艺.docx_第4页
第4页 / 共5页
石膏板吊顶工程施工工艺.docx_第5页
第5页 / 共5页
亲,该文档总共5页,全部预览完了,如果喜欢就下载吧!
资源描述

《石膏板吊顶工程施工工艺.docx》由会员分享,可在线阅读,更多相关《石膏板吊顶工程施工工艺.docx(5页珍藏版)》请在第壹文秘上搜索。

1、一、施工准备(一)作业条件1、在所要吊顶的范围内,机电安装均已施工完毕,各种管线均已试压合格,已经过隐蔽验收。2、已确定灯位、通风口及各种照明孔口的位置。3、顶棚罩面板安装前,应作完墙、地湿作业工程项目。4、搭好顶棚施工操作平台架子。5、轻钢骨架顶棚在大面积施工前,应做样板,对顶棚的起拱度、灯槽、窗帘盒、通风口等处进行构造处理,经鉴定后再大面积施工。(二)材质准备轻钢龙骨、配件、吊托、膨胀螺栓、自攻螺钉、拉钾钉、石膏板、纸带、石膏粉等,进场检验合格且有出厂质量证明文件。(三)施工机具型材切割机、电动曲线锯、手电钻、电锤、自攻螺钉钻、手提电动砂纸机等。二、质量要求(一)暗龙骨吊顶工程质量要求符合

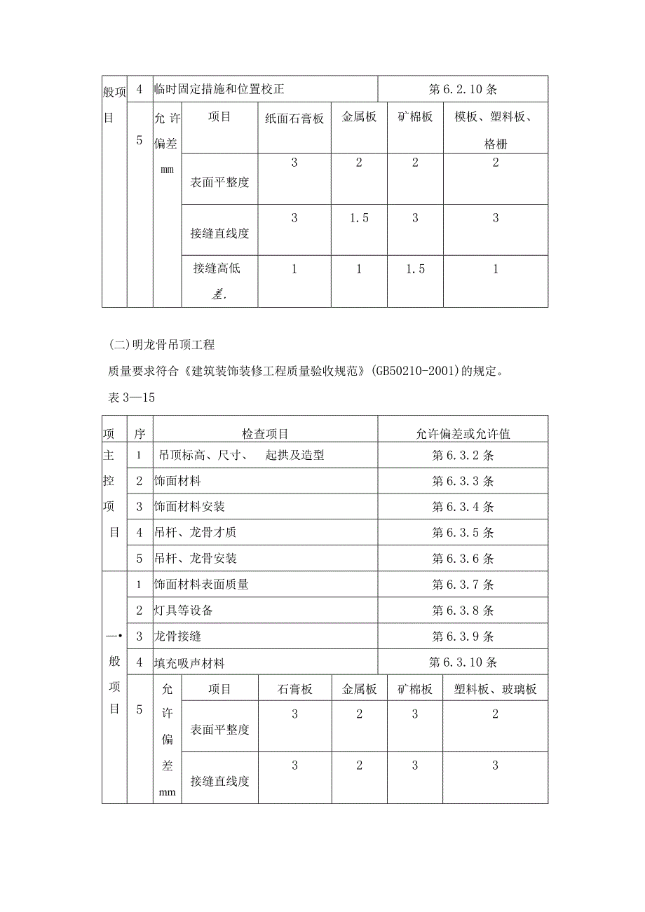
2、建筑装饰装修工程质量验收规范(GB50210-2001)的规定。表314项序检查项目允许偏差或允许值主1标高、尺寸、起拱、造型第6.2.2条控2饰面材料第6.2.3条项3吊杆、龙骨、饰面材料安装第6.2.4条目4吊杆、龙骨材料、间距及连接方式第6.2.5条5石膏板接缝第6.2.6条1预制构件支承位置和方法第6.2.7条2安装控制标志第6.2.8条*3预制构件吊装第6.2.9条般项目4临时固定措施和位置校正第6.2.10条5允许偏差mm项目纸面石膏板金属板矿棉板模板、塑料板、格栅表面平整度3222接缝直线度31.533接缝高低差.111.51(二)明龙骨吊顶工程质量要求符合建筑装饰装修工程质量验

3、收规范(GB50210-2001)的规定。表315项序检查项目允许偏差或允许值主1吊顶标高、尺寸、起拱及造型第6.3.2条控2饰面材料第6.3.3条项3饰面材料安装第6.3.4条目4吊杆、龙骨才质第6.3.5条5吊杆、龙骨安装第6.3.6条1饰面材料表面质量第6.3.7条2灯具等设备第6.3.8条3龙骨接缝第6.3.9条般4填充吸声材料第6.3.10条项允项目石膏板金属板矿棉板塑料板、玻璃板目5许偏表面平整度3232差mm接缝直线度3233接缝高低差1121三、工艺流程弹顶棚标高水平线f画龙骨分档线一安装主龙骨吊杆f安装主龙骨f安装边龙骨一安装次龙骨一安装石膏板一涂料一饰面清理一分项、检验批验

4、收四、施工工艺1、弹顶棚标高水平线:根据设计标高,沿墙四周弹顶棚标高水平线,并沿顶棚的标高水平线,在墙上画好龙骨分挡位置线。2、安装主龙骨吊杆:在弹好顶棚标高水平线及龙骨位置线后,确定吊杆下端头的标高,安装68吊杆。吊杆安装选用膨胀螺栓固定到结构顶棚上。吊杆选用规格符合设计要求,间距小于1200mmo次龙骨吊件UC5O次龙骨3、安装主龙骨:主龙骨间距为9001200mm。主龙骨用与之配套的龙骨吊件与吊杆相连。4、安装次龙骨:次龙骨间距为50Omm600mm,采用次挂件与主龙骨连接。5、刷防锈漆:轻钢骨架草面板顶棚吊杆、固定吊杆铁件,在封罩面板前应刷防锈漆。6、安装石膏板:石膏板与轻钢骨架固定的

5、方式采用自攻螺钉固定法,在已装好并经验收轻钢骨架下面(即做隐蔽验收工作),安装9.5mm厚石膏板。安装石膏板用自攻螺丝固定,固定间距板边为200mm,板中为300mm。自攻螺丝固定后点刷防锈漆。7、接缝处理:在板接缝间采用粘贴纸带嵌缝膏进行嵌缝处理。8、吊顶工程验收时应检查下列文件和记录:吊顶工程的施工图、设计说明及其他设计文件;材料的产品合格证书、性能检测报告、进场验收记录和复验报告;隐蔽工程验收记录;施工记录。五、成品保护1、轻钢骨架、罩面板及其他吊顶材料在入场存放、使用过程中应严格管理,保证不变形、不受潮、不生锈。2、装修吊顶用吊杆严禁挪做机电管道、线路吊挂用;机电管道、线路如与吊顶吊杆

6、位置矛盾,须经过项目技术人员同意后更改,不得随意改变、挪动吊杆。3、吊顶龙骨上禁止铺设机电管道、线路。4、轻钢骨架及罩面板安装应注意保护顶棚内各种管线,轻钢骨架的吊杆、龙骨不准固定在通风管道及其他设备件上。5、为了保护成品,罩面板安装必须在棚内管道、试水、保温等一切工序全部验收后进行。6、设专人负责成品保护工作,发现有保护设施损坏的,要及时恢复。7、工序交接全部采用书面形式由双方签字认可,由下道工序作业人员和成品保护负责人同时签字确认,并保存工序交接书面材料,下道工序作业人员对防止成品的污染、损坏或丢失负直接责任,成品保护专人对成品保护负监督、检查责任。六、安全措施1、现场临时水电设专人管理,不得有长流水、长明灯。2、工人操作地点和周围必须清洁整齐,做到活完脚下清,工完场地清,制定严格的成品保护措施。3、持证上岗制J:特殊工种必须持有上岗操作证,严禁无证上岗。4、中小型机具必须经检验合格,履行验收手续后方可使用。同时应由专门人员使用操作并负责维修保养。必须建立中小型机其的安全操作制度,并将安全操作制度牌挂在机具旁明显处。5、中小型机具的安全防护装置必须保持齐全、完好、灵敏有效。6、使用人字梯攀高作业时只准一人使用,禁止两人同时作业。

展开阅读全文
相关资源
猜你喜欢
相关搜索

当前位置:首页 > 建筑/环境 > 装饰装潢

copyright@ 2008-2023 1wenmi网站版权所有

经营许可证编号:宁ICP备2022001189号-1

本站为文档C2C交易模式,即用户上传的文档直接被用户下载,本站只是中间服务平台,本站所有文档下载所得的收益归上传人(含作者)所有。第壹文秘仅提供信息存储空间,仅对用户上传内容的表现方式做保护处理,对上载内容本身不做任何修改或编辑。若文档所含内容侵犯了您的版权或隐私,请立即通知第壹文秘网,我们立即给予删除!