纠正预防措施控制程序.docx

上传人:p** 文档编号:800764 上传时间:2024-03-04 格式:DOCX 页数:7 大小:60.98KB
下载 相关 举报
纠正预防措施控制程序.docx_第1页
第1页 / 共7页
纠正预防措施控制程序.docx_第2页
第2页 / 共7页
纠正预防措施控制程序.docx_第3页
第3页 / 共7页
纠正预防措施控制程序.docx_第4页
第4页 / 共7页
纠正预防措施控制程序.docx_第5页
第5页 / 共7页
纠正预防措施控制程序.docx_第6页
第6页 / 共7页
纠正预防措施控制程序.docx_第7页
第7页 / 共7页
亲,该文档总共7页,全部预览完了,如果喜欢就下载吧!
资源描述

《纠正预防措施控制程序.docx》由会员分享,可在线阅读,更多相关《纠正预防措施控制程序.docx(7页珍藏版)》请在第壹文秘上搜索。

1、纠正预防措施控制程序文件编号版本号Ol修改次数0编制/日期生效日期审核/日期页码第1页,共7页批准/口期受控状态更改历史版本号文件更改号更改概要修改人批准人01首发行/发放范围1、目的为消除实际和潜在的不合格,进行原因分析,采取措施,实施控制,确保产品质量体系的有效实施和改进,特制定本程序。2、适用范围本程序适用于纠正/预防措施的制定、分析、实施及验证的控制。3、职责3.1 各相关部门根据要求进行原因分析,制定改进、纠正和预防措施,并组织实施。3.2 管理者代表负责质量管理体系纠正和预防措施的批准、协调和监督。4、术语4.1 纠正措施:是通过对已存在的不合格进行原因分析,采取相应的措施,以消除

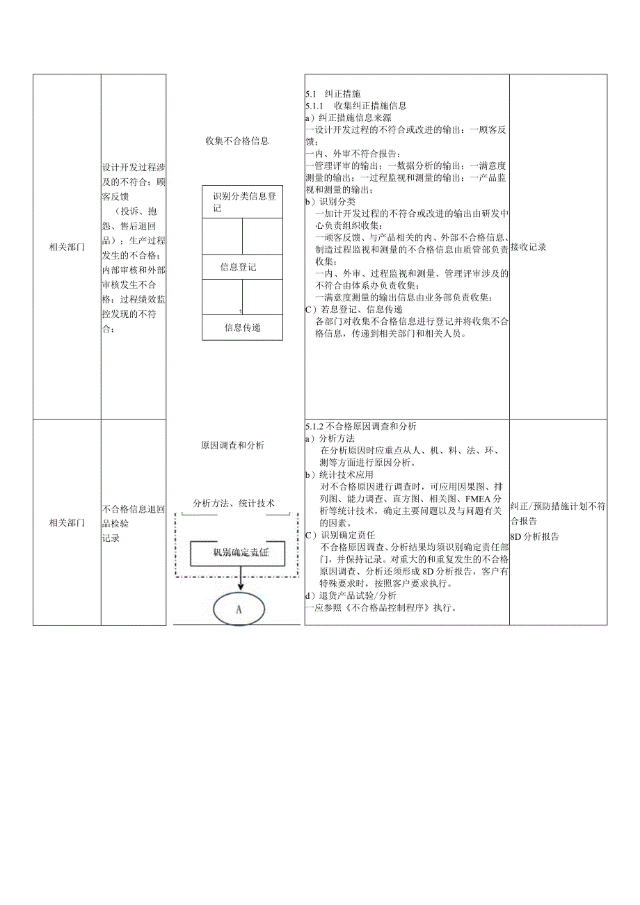
2、不合格原因从而防止其再发生。4.2 预防措施:是对潜在的不合格进行原因分析,采取相应的措施,以消除不合格原因从而防止不合格的发生。5、工作流程5.1 纠正措施责任输入过程活动过程描述输出相关部门设计开发过程涉及的不符合;顾客反馈(投诉、抱怨、售后退回品);生产过程发生的不合格;内部审核和外部审核发生不合格:过程绩效监控发现的不符合;相关部门不合格信息退回品检验记录收集不合格信息识别分类信息登记信息登记1信息传递原因调查和分析分析方法、统计技术巩别确定责任5.1 纠正措施5.1.1 收集纠正措施信息a)纠正措施信息来源一设计开发过程的不符合或改进的输出:一顾客反馈;一内、外审不符合报告:一管理评

3、审的输出;一数据分析的输出;一满意度测量的输出;一过程监视和测量的输出;一产品监视和测量的输出;b)识别分类一加计开发过程的不符合或改进的输出由研发中心负责组织收集:一顽客反馈、与产品相关的内、外部不合格信息、制造过程监视和测量的不合格信息由质管部负责收集:一内、外审、过程监视和测量、管理评审涉及的不符合由体系办负责收集:一满意度测量的输出信息由业务部负责收集:C)若息登记、信息传递各部门对收集不合格信息进行登记并将收集不合格信息,传递到相关部门和相关人员。接收记录5.1.2不合格原因调查和分析a)分析方法在分析原因时应重点从人、机、料、法、环、测等方面进行原因分析。b)统计技术应用对不合格原

4、因进行调查时,可应用因果图、排列图、能力调查、直方图、相关图、FMEA分析等统计技术,确定主要问题以及与问题有关的因素。C)识别确定贲任不合格原因调查、分析结果均须识别确定责任部门,并保持记录。对重大的和重复发生的不合格原因调查、分析还须形成8D分析报告,客户有特殊要求时,按照客户要求执行。d)退货产品试验/分析一应参照不合格品控制程序执行。纠正/预防措施计划不符合报告8D分析报告归口部门GJ5.1.3纠正措施制订和实施5.1.3.1制订纠正措施a)必须严格遵循PDCA循环的方法,实施规定的解决问题的过程,以识别和消除根本原因。若顾客规定了解决问题的格式,必须采用顾客规定的格式。b)对不合格所

5、采取的措施应优先考虑“防错技术”的应用。防错技术包括:自动化装置、防误装置、锁止装置、防差错系统等。防错针对下列方面:产品/过程的设计和开发、过程策划、工装策划、设施与设备的策划等。C)对顾客投诉、顾客反馈、顾客满意度测量、产品交付和顾客退货、安全性等方面发生的不合格,应优先采取纠正预防措施。由品质部会同工程部等相关部门共同分析原因,制定纠正措施,呈交总经理审批。d)项目开发中出现的不符合,由工程部组织分析原因,采取纠正措施,并组织实施、验证。e)对重大的或跨部门质量问题,在管理者代表的协调下,由品质部组织责任人员和相关的职能部门制定纠正措施计划,并由管理者代表审核,经总经理批准后实施。f)内

6、/外部审核所发现的不合格项,由内审组或审核员下达不符合报告,由责任部门分析原因,制定纠正措施,经部门负贡人审批。g)对过程监控、各种检验和作业、等方面反映出的一般、轻微不符合或不良信息,由责任部门负责对不合格的原因进行调查分析,制定纠正预防措施,以消除不合格原因。h)为消除不合格原因所采取的任何纠正/预防措施应与问题的重要性及所承受的风险程度相适应。针对分析出来的真正或根本原因,采取相应的纠正/预防措施,应一条原因一条对策,一一对应。所确定的纠正措施应注重消除不合格的产生原因,以避免其再发生。制订措施时并应考虑成本和有效性。i)纠正措施应明确完成日期和负责人,纠正预防措施计划表必须发送至责任部

7、门和相关人员。不符合报告纠正预防措施计划表制订纠正措施1考虑防错技术I审批责任部门归口部门纠正措施计划5.1.3.2纠正措施实施经批准的纠正措施计划,由责任部门按要求组织实施,并记录实施结果。在实施过程中,归口部门负责跟踪措施实施进度。纠正措施已实施纠正措施实施1r各部门不符合报告纠正/预防措施计划文件控制程序O5.1.4纠正措施跟踪和验证a)归口部门对纠正措施的有效性进行跟踪和验证,并记录验证结果。b)管理者代表组织对重大的、跨部门的纠正措施的验证。C)纠正措施没有达到预期效果时,由责任部门按“8D”及PDCA循环进一步分析原因,重新制定纠正措施。d)纠正措施完成后,对已证明有效的改进,包括

8、设计和工艺的改进应纳入相关文件,文件的更改按文件控制程序执行。e)各部门将纠正防措施的实施情况及时进行分析汇总,并将有关信息提交管理评审,具体按管理评审程序执行。f)顾客要求时,须提供所有的记录。不符合报告纠正/预防措施计划跟踪验证1纳入文件、FMEA归口部门纠正/预防措施计划P5.1.5记录保存纠正/预防措施实施过程中形成的记录,由责任部门按记录控制程序同时归档保存。记录记录保存5.2 预防措施责任输入过程活动过程描述输出故障模式和影5.2.1收集潜在不合格信息a)品质部负责收集整理内外部潜在不合格信息,并进行登记,作为制定纠正措施的依据。响分析:顾客需求和期收集不合格信息望的评审;市场分析

9、;管理评审的输b)信息来源通过采取适宜方法(包括对以往数据的评价以判定趋势)所获得的数据,数据可来自:P出;数据分析的输信息来源一故障模式和影响分析;一顾客需求和期望的评审;潜在不合格信息文件接收记录文件接收记录出;满意程度的测量;一市场分析;一管理评审的输出;一数据分析的输出:归口部门过程测量:相关方信息来信息登记一满意程度的测量:一过程测量:源的汇总系统:质量管理体系1P一相关方信息来源的汇总系统:一有关质量管理体系的记录:一从以往经验获得的教训:的记录;从以往经验获得的教训;自我评价结信息传递一自我评价结果;一提供运作条件失控的早期报警过程。C)信息登记、识别分类、信息传递按本程序5.1

10、.1的相关内容进行。L.果;提i共运作条件失控的早期报警过程。15.2.2潜在不合格原因分析a)各部门可采用FMEA,流程分析等方法进行潜在不合格原因的分析,以发现和消除不合格的潜在原相关部门纠正预防措施负责人计划表因。不合格潜在原因的分析按本程序5.1.2的相关内容进行。b)品质部负责对产品质量检验结果、每月质量总结、不合格统计、内外部质量审核结果进行分析,以发现潜在的不合格影响因素,需要时提出预防措施的计划。C)工程部负责对过程控制和过程能力的进行分析,发现潜在不合格,并提出预防措施的计划。d)业务部负责对顾客满意度信息及对产品意见、服务报告进行分析,发现潜在的不合格,并提出预防措施计划。

11、5.2.3预防措施计划制定和实施a)各部门可采用FMEA、流程分析方法进行潜在不合格原因的分析,以发现和消除不合格的潜在原因。不合格潜在原因的分析按本程序5.1.2的相关内容进行。预防措施需明确完成口期及责任人,并将纠正预防措施计划表报部门负责人批准后实施,如未获批准,责任部门需重新分析研究。b)采取的预防措施应与潜在问题的严重程度相适应。纠正预防措施计划表纠正预防措施计划表归口部门预防措施计划文件控制程序各部门纠正/预防措施计划C)预防措施计划制定和实施按本程序5.1.3的相关内容进行。C)预防措施完成后,责任部门应能提供实施的证实材料,责任部门负责人检查确认后,由归口部门在纠正/纠正预防措

12、施计划表效果验证栏中填写预防措施完成情况并签字。5.2.4预防措施跟踪验证a)归口部门负责对预防措施的跟踪验证,并记录验证结果,以确保其有效性。具体按本程序5.1.4的相关内容进行。b)工程部负责将消除潜在不合格的经验和情况更新FMEA及对应的控制计划中去,并可作为优化和修改各种规范、流程、检测和加工设备、指导书的依纠正预防措施据。计划表c)由于采取预防措施而导致相应文件需要修改时,应按文件控制程序的相应条款进行并记录Od)预防措施计划和信息提交管理评审,并传递到相关部门。对损失预防计划有效性和效率的评价结果应是管理评审的输出,并应作为修改计划以及改进过程的输入。5.2.5记录管理预防措施形成的记录,由成任部门按记录控制程序归档保存。6、过程绩效指标及计算方法纠正/预防措施完成率=纠正/预防措施完成项/纠正/预防措施完成总项XlO0%7、在纠正预防措施后期运行中,仍然需要对纠正预防措施进行验证评审和增加责任人监督,以验证效果和确认有效性。8、相关文件文件控制程序记录控制程序管理评审程序内部审核程序产品监视和测量程序不合格品控制程序持续改进控制程序9、质量记录8D分析报告纠正预防措施报告内部异常处理单供应商来料不良通知单

展开阅读全文
相关资源
猜你喜欢
相关搜索

当前位置:首页 > 管理/人力资源 > 质量管理

copyright@ 2008-2023 1wenmi网站版权所有

经营许可证编号:宁ICP备2022001189号-1

本站为文档C2C交易模式,即用户上传的文档直接被用户下载,本站只是中间服务平台,本站所有文档下载所得的收益归上传人(含作者)所有。第壹文秘仅提供信息存储空间,仅对用户上传内容的表现方式做保护处理,对上载内容本身不做任何修改或编辑。若文档所含内容侵犯了您的版权或隐私,请立即通知第壹文秘网,我们立即给予删除!