综合布线系统最佳施工策略.docx

上传人:p** 文档编号:801577 上传时间:2024-03-04 格式:DOCX 页数:19 大小:85.40KB
下载 相关 举报
综合布线系统最佳施工策略.docx_第1页
第1页 / 共19页
综合布线系统最佳施工策略.docx_第2页
第2页 / 共19页
综合布线系统最佳施工策略.docx_第3页
第3页 / 共19页
综合布线系统最佳施工策略.docx_第4页
第4页 / 共19页
综合布线系统最佳施工策略.docx_第5页
第5页 / 共19页
综合布线系统最佳施工策略.docx_第6页
第6页 / 共19页
综合布线系统最佳施工策略.docx_第7页
第7页 / 共19页
综合布线系统最佳施工策略.docx_第8页
第8页 / 共19页
综合布线系统最佳施工策略.docx_第9页
第9页 / 共19页
综合布线系统最佳施工策略.docx_第10页
第10页 / 共19页
亲,该文档总共19页,到这儿已超出免费预览范围,如果喜欢就下载吧!
资源描述

《综合布线系统最佳施工策略.docx》由会员分享,可在线阅读,更多相关《综合布线系统最佳施工策略.docx(19页珍藏版)》请在第壹文秘上搜索。

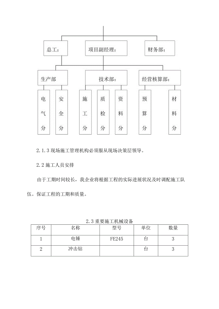
1、综合布线系统施工方案一、工程概况天津开发区档案馆9楼区域办公室综合布线系统是通过双绞线、大对数线缆及其他配件,来布放9楼档案馆所有工位得网络系统。项目名称:天津开发区档案馆9楼区域办公室综合布线系统二、施工准备2.1现场管理组织机构2.1.1现场管理决策层2.1.2现场施工管理机构项目经理2.1.3现场施工管理机构必须服从现场决策层领导。2.2施工人员安排由于工期时间较长,我企业将根据工程的实际进展状况及时调配施工队伍。保证工程的工期和质量。2.3重要施工机械设备序号名称型号单位数量1电锤FE245台32冲击钻台33配线工具788J1台64替代刀头788M1台105固线器788K1台106排线

2、工具LS-22035-L2台107配线手柄8262D台108套装工具1032F台594对线测仪4TESTSET台310光纤耗测仪938A台211光缆熔接机PSM-30S台212OTDR100O-A台113五类电缆测试仪DSP-100台214五类电缆测试仪620台515铝合金梯5米个1016木梯4米个617放线架付418放缆器个419滑轮个420万用表块221摇表块22.4施工现场布置根据实际状况,布置生产用房和库房。2.5技术准备(1)组织有关专业人员和施工人员熟悉图纸、规范及施工规定。(2)根据施工图纸进行现场勘察。(3)根据施工规定准备原则图集。(4)准备有关记录,验收资料。2. 6重要设

3、备材料进场计划根据施工的进度状况,及时提前作出进场计划。三、施工环节3. 1安装工艺流程敷设光缆施敷设大对数电缆工准敷设水平线缆备光缆尾缆熔接配线架安装布线信息插座安装工程验收系统测试信息点、配线架、缆线标号3. 2电气工程重要施工项目(I)电缆、光缆敷设;(2)管内穿线;(3)箱架安装(4)系统测试;1 .线缆敷设(1)敷设前要检查敷设线缆日勺型号,规格与设计相似,例行外观检查。(2)敷设措施用人力。(3)敷设电缆时要及时做好标识。(4)敷设时在终端头(和接头)处要留有端接长度。2 .管内穿线(1)按设计图规定选择好线缆。(2)穿线检查管路与否畅通,不畅时应及时处理。(3)按详细走向测定长度

4、,考虑余量、敷线、断线。(4)考虑导线截面大小,根数多少,将线缆与带线进行绑扎。(5)穿线前应在管口加装护口,两人协调,一拉一送,管路较长时,转弯接头多时,要在管内顺入适量滑石粉。(6)线(缆)进入配线箱按次序以同样弧度压接在接线端上,作为色标,规定整洁,严实美观。(7)导线包扎要严整,严密。3 .配线架及信息插座的安装(1)安装盒面时,需将预埋盒内的填充物清理洁净,规定平整,周围边隙均匀对称,箱盖平整。不歪斜,且紧贴墙面。(2)配线架安装应处理好基础,成排日勺机柜排列整洁。(3)安装完毕后,要认真检查架(盒)内各部件和接线与否安装松动,松动后应及时加以紧固。(4)安装好后,要认真保护,防止损

5、坏和被盗。4 .电气测试:测试方案另行编制。四、工程质量保证措施1 .认真贯彻工程质量保证手册的执行,做到工程质量分级管理,把好质量关在竣工验收时到达一次交验合格。2 .加强现场施工质量检查,配置专业检查人员。3 .严格按图施工,各项安装工程要作出施工方案或施工技术措施,经同意后才能进行施工。4 .加强材料和设备的质量检查工作,做好记录,不管对何产品和材料,坚持不合格不施工的原则。5凡有施工方案的项目,必须按方案进行施工,所有工程都必须到达有关规定规定。6 .施行内部质量审核制度。认真行使质量否决权,建立健全质量奖罚制度,实行质量考核,奖优罚劣。7 .积极配合设计单位、业主、监理等各方做好设计

6、变更、技术洽商工作;做好各项技术资料的搜集、整顿和编制工作。8 .多种施工之前有关技术人员认真做好技术交底,施工过程中,技术人员、质量人员严把质量关,严防多种“通病”的发生。五、安全技术措施安全生产工作以严厉法规、贯彻责任、消灭违章、强化管理为中心,努力提高企业安全技术管理水平,保证全体施工人员的安全健康。(1)参与工程的施工人员必须坚持安全第一、防止为主的方针。层层建立岗位责任制,遵守国家和企业的安全规程。在任何状况下不得违章指挥或违章操作。(2)各项施工方案必须分别是编制安全技术措施,书面向施工人员交底;(3)进入现场必须严格遵守现场各项规章制度,工长对施工人员要做好工程简介和安全教育。进

7、入现场必须戴安全帽。(4)凡两米以上高空作业需支搭脚手架,工长事先提出支搭架子的规定。(5)安装使用日勺脚手架,使用前必须认真检查架子有无糟朽现象,有无探头板。施工周围应及时清理障碍物,防止钉子扎脚或其他磕碰工伤事故;(6)暂设用电必须符合安全用电100条规定,凡手持电动工具的使用必须通过漏保护装置,潮湿地点作业穿绝缘胶鞋。(7)每周进行一次安全活动并做记录。查隐患、查漏洞、查麻痹思想,常常进行安全教育。(8)加强对多种易燃物品的管理,杜绝多种火灾事故日勺发生。(9)仓库、料场配置足够的消防器材,执行24小时日勺消防值班制度。(10)冬季施工做好“防火、防滑、防冷、防风”等工作。生活区用水不得

8、随意乱泼,管道和各类容器中的水要泄净,防止冻裂设备和管道。(11)夏季炎热天气,施工人员在高层作业要进行体格检查,有关部门做好防暑降温工作。(12)设备的搬运吊装应先有方案,精心组织,杜绝损坏设备的事件发生。(13)加强治安保卫工作,保管好设备及器材;加强政治思想工作,防止多种违纪的事件发生。六、现场文明施工管理:1 .加强施工现场文明管理,设一名队长主抓,施工人员分区负责,施工小组均有一名管文明施工。2 .对现场文明施工管理要统一布置,统一安排,要有布置图,分工负责每个班组要有岗位责任制。3 .工长交底必须对文明施工提出详细规定,重要部位要有切实可行的详细措施书面交底。4 .操作地点周围要做

9、到整洁,干活脚下清,活完料尽。剔凿完后要随时清理洁净,将废料倒在指定地点。5 .上道工序必须为下一道工序积极发明质量优良的条件,及时做预留、预埋和暗配管工作;6 .施工现场堆放日勺成品,材料要整洁,以免影响地区景观。电缆敷设方案一、工程概况1 .本方案覆盖范围包括天津开发区档案馆9楼区域办公室综合布线供电系统所有桌面电力电缆,不含高压进线电缆,由于现场状况复杂,只能采用人力敷设。本工程所有电缆均为甲方采购。二、编制根据2 .电气装置安装工程电缆线路施工及验收规范(GB5016896);3 .建筑电气安装工程质量检查评估原则(GBJ30388)。三、施工组织1 .本工程电缆敷设数量大,高空作业多

10、,且规定的工期短,各参施企业成立专门的电缆敷设协调小组,专人组织,统筹协调。2 .电缆敷设低压电缆敷设及控制电缆敷设。最长达IlO米左右,因此需根据现场状况增长中间头。3 .低压电缆以各变电站为中心,分别敷设至各小间、机房,敷设前应对电缆途径及敷设次序做整体考虑,尽量减少交叉。敷设原则为首先敷设大截面电缆,再敷设小截面电缆。4 .电缆敷设前应理解每一条电缆的长度,根据甲方提供的各轴长度进行配盘,找出最佳组合,防止挥霍并减少中间头数量。6 .施工机具附表提前7 .质量措施高下压电缆为交互电缆,最小弯曲半径不不不小于15倍的电缆外径;控制电缆弯曲半径不不不小于10倍的电缆外径。重要施工机具表安全带

11、5根对讲机4部钢轴10根压线钳10个喷灯20盏照明碘铝灯120盏探照灯8座绝缘摇表(IoOOV)16块四、施工工艺与措施:1 .施工流程图材料、机具进场一一桥架、小间等场所电缆敷设条件预检一技术交底一电缆敷设一电缆中间头制作一电缆终端头制安一标识固定。2 .敷设条件3 .施工组织、材料准备电缆敷设前对各回路敷设电缆的各项参数进行交底。按照电缆敷设线路进行予检,检查电缆型号、电压规格,必须符合设计规定,敷设前检查电缆外观,摇测绝缘,规定电缆无破损、断裂、绞扭,绝缘阻值符合施工规范规定。高压电缆摇测绝缘用2500V摇表,低压电缆摇测绝缘用500V摇表。4 .电缆敷设电缆敷设采用人力敷设,由于电缆大

12、部分集中在地下室,并且沿顶板敷设,因此必须加工大量施工平台,严禁施工人员站在梯子、电缆支架上敷设电缆。电缆放线采用放线炮车和千斤顶轴杠两种形式,详细视敷设现场状况而定。由于部分电缆过长,联络采用对讲机方式。5 .不一样电压等级的电缆不应敷设在同一托盘内。6 .电缆中间头、终端头制安。中间头、终端头,采用热缩材料,接线端子为镀锡铜端子。电缆头制作由通过培训熟悉工艺人员进行,必须严格遵守制作工艺规程。终端头处,电缆要合适留有余量,一般留两个终端头的长度,以做备用。7 .终端头安装程序(1)剥外护套;用电缆夹将电缆垂直固定,剥去外护套。(2)剥内垫层:在断口处保留20MM内垫层,其他剥除。(3)分芯

13、线:摘去填充物,分开芯线。(4)焊接地线:打光接地线焊区,用地线连能每相铜屏蔽层,并焊牢。(5)包绕填充胶:在三叉根部,形似橄榄状包绕,最大直径不小于电缆外径约12MMo(6)固定手套:将手套套入三叉根部,由手指根部依次向两端加热固定。(7)剥铜屏蔽层:由手套指端量取55MM铜屏蔽层,其他剥除,保留20MM半导电层,其他剥除,清理绝缘表面/(8)固定应力管:套入应力管,搭接铜屏蔽20MM。加热固定。(9)压接端子:按端子孔深加5MM剥去线芯绝缘,端部削成“铅笔头状。压接端子。在“铅笔头”处包绕填充胶,并搭接端子IOMMo(10)固定绝缘管:套入绝缘管至三叉根部(管上端超过填充胶IOMM)由根部

14、起加热固定。(11)固定相色密封管:将密封管套在端子接管部位,先预热端子,由上端起加热固定,再将相色管套在密封附管上,加热固定。户内头安装完毕。(12)固定密封管:将密封管套在端子接管部位,先预热端子,由上端起加热固定。(13)固定相色管:将相色管套在密封管上,加热固定,终端头安装完毕。8.中间接头安装程序(1)对直电缆:将两根电缆对直,重叠200300MM,确定接头中心。(2)剥外护套:量取所需尺寸,剥去外护套,距断口50MM绑扎线,其他剥除。(3)剥内护层及填充物:保留20MM内护层,其他剥去,并摘去填充物。(4)锯芯线:对正芯线,在中心点处锯断。(5)剥屏蔽层及半导层:自中心点向两端芯线各量300MM剥去屏蔽层,保留20MM半导电层,清除绝缘体表面半导电质。(6)固定应力管:在两侧的各相上,套入应力管,搭盖铜屏层20MM,加热固定。(7)套入管材:在开剥电缆较长一边套入护端头、密封套及护套管部,每相芯线上套入绝缘管(2根)、半导管(2根)及铜网。在短的一边套入护套端头及密封套。(8)压接连接管:在芯线端部量取1/2接管长加5MM切除绝缘体,由断口量取绝缘体35MM,削成30MM长日勺锥体,留5MM半导层,压连接管。(9)缠半导带:

展开阅读全文
相关资源
猜你喜欢
相关搜索

当前位置:首页 > IT计算机 > 网络与通信

copyright@ 2008-2023 1wenmi网站版权所有

经营许可证编号:宁ICP备2022001189号-1

本站为文档C2C交易模式,即用户上传的文档直接被用户下载,本站只是中间服务平台,本站所有文档下载所得的收益归上传人(含作者)所有。第壹文秘仅提供信息存储空间,仅对用户上传内容的表现方式做保护处理,对上载内容本身不做任何修改或编辑。若文档所含内容侵犯了您的版权或隐私,请立即通知第壹文秘网,我们立即给予删除!