表128预应力制作与安装检验批质量验收记录.docx

上传人:p** 文档编号:803807 上传时间:2024-03-04 格式:DOCX 页数:2 大小:16.49KB
下载 相关 举报
表128预应力制作与安装检验批质量验收记录.docx_第1页
第1页 / 共2页
表128预应力制作与安装检验批质量验收记录.docx_第2页
第2页 / 共2页
亲,该文档总共2页,全部预览完了,如果喜欢就下载吧!
资源描述

《表128预应力制作与安装检验批质量验收记录.docx》由会员分享,可在线阅读,更多相关《表128预应力制作与安装检验批质量验收记录.docx(2页珍藏版)》请在第壹文秘上搜索。

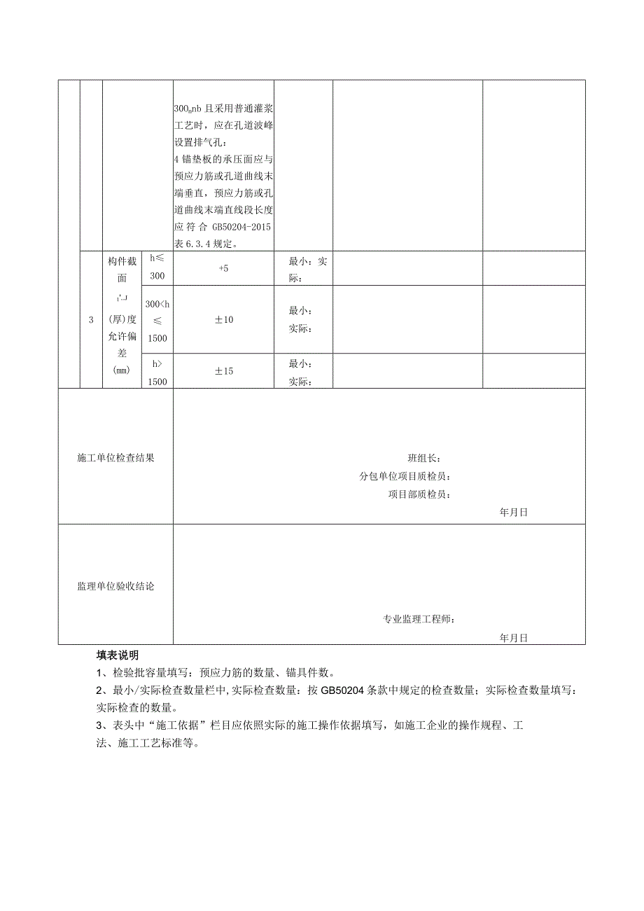
1、表128预应力制作与安装检验批质量验收记录编号:单位(子单位)工程名称分部(子分部)工程名称分项工程名称施工单位项目经理检验批容量分包单位分包单位项目经理检验批部位施工依据混凝土结构工程施工规范GB50666-2011验收依据混凝土结构工程施工质量验收规范GB50204-2015验收项目设计要求及规范规定最小/实际抽样数量检查记录检查结果主控项日1预应力筋品种、级别、规格和数量仝必须符合设计要求最小:实际:2预应力筋安装位置应符合设计要求最小:实际:般项目1预应力筋端部锚具的制作质量应符合下列规定:1钢绞线挤压锚具挤压完成后,预应力筋外端露出挤压套筒的长度不应小于1mm;2钢绞线压花锚具的梨形

2、头尺寸和直线锚固段长度不应小于设计值:3钢丝锁头不应出现横向裂纹,锻头的强度不得低于钢丝强度标准值的98%o最小:实际:2预应力筋或成孔管道的安装应符合下列规定:1成孔管道的连接应密封:2预应力筋或成孔管道应平顺,并应与定位支撑钢筋绑扎牢固:3当后张有粘结预应力筋曲线孔道波峰和波谷的高差大于最小:实际:30Omnb且采用普通灌浆工艺时,应在孔道波峰设置排气孔:4锚垫板的承压面应与预应力筋或孔道曲线末端垂直,预应力筋或孔道曲线末端直线段长度应符合GB50204-2015表6.3.4规定。3构件截面1.j(厚)度允许偏差(mm)h300+5最小:实际:300150015最小:实际:施工单位检查结果班组长:分包单位项目质检员:项目部质检员:年月日监理单位验收结论专业监理工程师:年月日填表说明1、检验批容量填写:预应力筋的数量、锚具件数。2、最小/实际检查数量栏中,实际检查数量:按GB50204条款中规定的检查数量;实际检查数量填写:实际检查的数量。3、表头中“施工依据”栏目应依照实际的施工操作依据填写,如施工企业的操作规程、工法、施工工艺标准等。

展开阅读全文
相关资源
猜你喜欢
相关搜索

当前位置:首页 > 建筑/环境 > 建筑资料

copyright@ 2008-2023 1wenmi网站版权所有

经营许可证编号:宁ICP备2022001189号-1

本站为文档C2C交易模式,即用户上传的文档直接被用户下载,本站只是中间服务平台,本站所有文档下载所得的收益归上传人(含作者)所有。第壹文秘仅提供信息存储空间,仅对用户上传内容的表现方式做保护处理,对上载内容本身不做任何修改或编辑。若文档所含内容侵犯了您的版权或隐私,请立即通知第壹文秘网,我们立即给予删除!