表117普通清水混凝土模板安装检验批质量验收记录.docx

上传人:p** 文档编号:803808 上传时间:2024-03-04 格式:DOCX 页数:3 大小:19.51KB
下载 相关 举报
表117普通清水混凝土模板安装检验批质量验收记录.docx_第1页
第1页 / 共3页
表117普通清水混凝土模板安装检验批质量验收记录.docx_第2页
第2页 / 共3页
表117普通清水混凝土模板安装检验批质量验收记录.docx_第3页
第3页 / 共3页
亲,该文档总共3页,全部预览完了,如果喜欢就下载吧!
资源描述

《表117普通清水混凝土模板安装检验批质量验收记录.docx》由会员分享,可在线阅读,更多相关《表117普通清水混凝土模板安装检验批质量验收记录.docx(3页珍藏版)》请在第壹文秘上搜索。

1、表117普通清水混凝土模板安装检验批质量验收记录编号:单位(子单位)工程名称分部(子分部)工程名称分项工程名称施工单位项目经理检验批容量分包单位分包单位项目经理检验批部位施工依据设计图纸、混凝土结构工程施工规范GB50666-2011验收依据清水混凝土应用技术规程JGJ169-2009验收项目设计要求及规范规定最小/实际抽样数量检查记录检查结果主控项目1模板及其支架模板及支架应根据安装、使用和拆除工况进行设计,并应满足承载力、刚度和整体稳固性要求最小:实际:2模板及支架用材料模板及支架用材料的技术指标应符合国家现行有关标准的规定。进场时应抽样检验模板和支架材料的外观、规格和尺寸最小:实际:3后

2、浇带处的模板及支架设置后浇带处的模板及支架应独立设置最小:实际:4支架竖杆和竖向模板安装在土层上时支架竖杆和竖向模板安装在土层上时,应符合下列规定:1土层应坚实、平整,其承载力或密实度应符合施工方案的要求;2应有防水、排水措施:对冻张性土,应有预防冻融措施:3支架竖杆下应有底座或垫板最小:实际:般1模板安装要求1模板的接缝应严密;2模板内不应有杂物、积水或冰雪等;最小:实际:项目3模板与混凝土的接触面应平整、清洁;4用作模板的地坪、胎膜等应平整、清洁,不应有影响构件质量的下沉、裂缝、起砂或起鼓;5对清水混凝土及装饰混凝土构件,应使用能达到设计效果的模板2隔离剂的品种和涂刷方法应符合施工方案的要

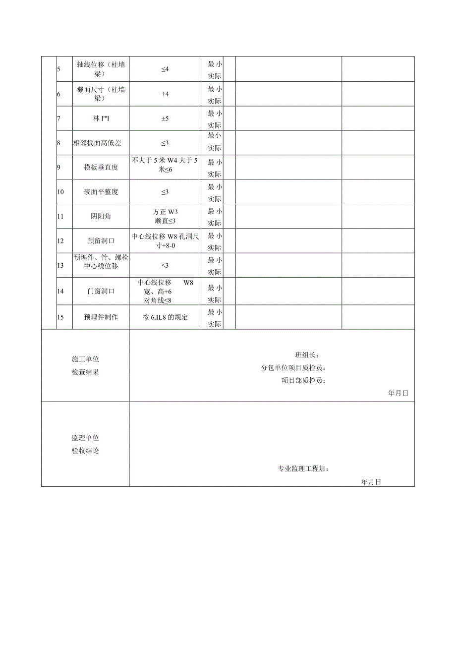
3、求。隔离剂不得影响结构性能及装饰施工:不得沾污钢筋、预埋件和混凝土接搓处:不得对环境造成污染最小:实际:3模板的起拱应符合GB50666的规定,并应符合设计及施工方案的要求最小:实际:4预埋件和预留孔洞安装固定在模板上的预埋件和预留孔洞不得遗漏,且应安装牢固。有抗渗要求的混凝土结构中的预埋件,应按设计及施工方案的要求采取防渗措施。预埋件和预留孔洞的位置应满足设计和施工方案的要求,当设计无具体要求时,其位置偏差应符合本表最小:实际:预埋板中心线位置3最小:实际:预埋管、预留孔中心线位置3最小:实际:插筋中心线位置5外露长度+10-0最小:实际:预埋螺栓中心线位置2外露长度+o-o最小:实际:预留洞中心线位置10尺寸+10-0最小:实际:5轴线位移(柱墙梁)4最小实际6截面尺寸(柱墙梁)+4最小实际7林ll5最小实际8相邻板面高低差3最小实际9模板垂直度不大于5米W4大于5米6最小实际10表面平整度3最小实际11阴阳角方正W3顺直3最小实际12预留洞口中心线位移W8孔洞尺寸+8-0最小实际13预埋件、管、螺栓中心线位移3最小实际14门窗洞口中心线位移W8宽、高+6对角线8最小实际15预埋件制作按6.IL8的规定最小实际施工单位检查结果班组长:分包单位项目质检员:项目部质检员:年月日监理单位验收结论专业监理工程加:年月日

展开阅读全文
相关资源
猜你喜欢
相关搜索

当前位置:首页 > 建筑/环境 > 建筑资料

copyright@ 2008-2023 1wenmi网站版权所有

经营许可证编号:宁ICP备2022001189号-1

本站为文档C2C交易模式,即用户上传的文档直接被用户下载,本站只是中间服务平台,本站所有文档下载所得的收益归上传人(含作者)所有。第壹文秘仅提供信息存储空间,仅对用户上传内容的表现方式做保护处理,对上载内容本身不做任何修改或编辑。若文档所含内容侵犯了您的版权或隐私,请立即通知第壹文秘网,我们立即给予删除!