表16筏形与箱形基础检验批质量验收记录.docx

上传人:p** 文档编号:803827 上传时间:2024-03-04 格式:DOCX 页数:4 大小:20.82KB
下载 相关 举报
表16筏形与箱形基础检验批质量验收记录.docx_第1页
第1页 / 共4页
表16筏形与箱形基础检验批质量验收记录.docx_第2页
第2页 / 共4页
表16筏形与箱形基础检验批质量验收记录.docx_第3页
第3页 / 共4页
表16筏形与箱形基础检验批质量验收记录.docx_第4页
第4页 / 共4页
亲,该文档总共4页,全部预览完了,如果喜欢就下载吧!
资源描述

《表16筏形与箱形基础检验批质量验收记录.docx》由会员分享,可在线阅读,更多相关《表16筏形与箱形基础检验批质量验收记录.docx(4页珍藏版)》请在第壹文秘上搜索。

1、表16筏形与箱形基础检验批质量验收记录编号:单位(子单位)工程名称分部(子分部)工程名称分项工程名称施工单位项目经理检验批容量分包单位分包单位项目经理检验批部位施工依据建筑地基基础工程施工规范GB51004-2015验收依据建筑地基工程施工质量验收标准GB50202-2018混凝土结构工程施工质量验收规范GB50204-2015验收项目设计要求及规范规定最小/实际抽样数量检查记录检查结果主控项目1混凝土强度设计值:最小:实际:2轴线位置15m最小:实际:3外观质量现浇结构的外观质量不应有严重缺陷。对已经出现的严重缺陷,应由施工单位提出技术处理方案,并经监理单位认可后进行处理;对裂缝或连接部位的

2、严重缺陷及其他影响结构安全的严重缺陷,技术处理方案尚应经设计单位的认可。对经处理的部位应重新验收。最小:实际:4现浇混凝土尺寸偏差现浇结构不应有影响结构性能或使用功能的尺寸偏差。混凝土设备基础不应有影响结构性能和设备安装的尺寸偏差。对超过尺寸允许偏差且影响结构性能或安装、使用功能的部位,应由施工单位提出技术处理方案,并经监理、最小:实际:设计单位认可后进行处理。对经处理的部位应重新验收。般项目1基础顶面标高15mm最小实际2平整度+IOmm最小实际3尺寸-10,+15mm最小实际4预埋件中心位置10mm最小实际5预留洞中心线位置15mm最小实际4外观质量一般现浇结构的外观质量不宜有一般缺陷。对

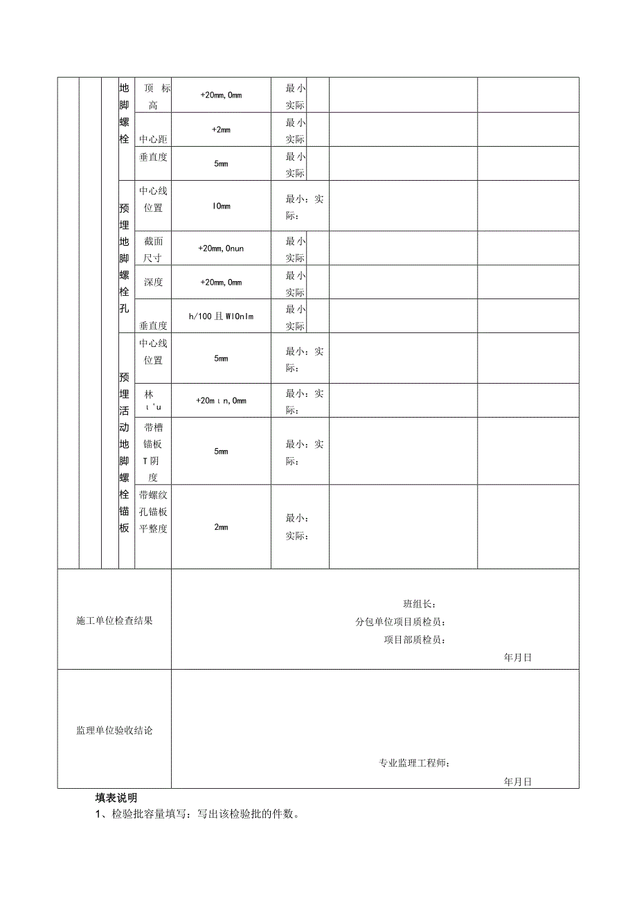
3、已经出现的一般缺陷,应由施工单位按技术处理方案进行处理。对经处理的部位应重新验收。最小:实际:5现浇设备任础位置和尺寸允许偏差(mm)坐标位置20mm最小:实际:不同平面标高Omm,-20mm最小:实际:平面外形尺寸20mm最小:实际:凸台上平面外形尺寸Omm,-20mm最小:实际:凹槽尺寸+20mm.Omm最小实际平面水平度每米5mm最小实际全长IOmm最小:实际:垂直度每米5mm最小实际全高10最小实际预埋中心位置2mm最小实际地脚螺栓顶标高+20mm,Omm最小实际中心距+2mm最小实际垂直度5mm最小实际预埋地脚螺栓孔中心线位置IOmm最小:实际:截面尺寸+20mm,Onun最小实际深度+20mm,Omm最小实际垂直度h/100且WlOnIm最小实际预埋活动地脚螺栓锚板中心线位置5mm最小:实际:林u+20mn,Omm最小:实际:带槽锚板T阴度5mm最小:实际:带螺纹孔锚板平整度2mm最小:实际:施工单位检查结果班组长:分包单位项目质检员:项目部质检员:年月日监理单位验收结论专业监理工程师:年月日填表说明1、检验批容量填写:写出该检验批的件数。2、最小/实际检查数量栏中,实际检查数量:按实填写;最小数量填写:按件数算的为1。3、表头中“施工依据”栏目应依照实际的施工操作依据填写,如施工企业的操作规程、工法、施工工艺标准等。

展开阅读全文
相关资源
猜你喜欢
相关搜索

当前位置:首页 > 建筑/环境 > 公路与桥梁

copyright@ 2008-2023 1wenmi网站版权所有

经营许可证编号:宁ICP备2022001189号-1

本站为文档C2C交易模式,即用户上传的文档直接被用户下载,本站只是中间服务平台,本站所有文档下载所得的收益归上传人(含作者)所有。第壹文秘仅提供信息存储空间,仅对用户上传内容的表现方式做保护处理,对上载内容本身不做任何修改或编辑。若文档所含内容侵犯了您的版权或隐私,请立即通知第壹文秘网,我们立即给予删除!