表151钢结构(多层)安装检验批质量验收记录.docx

上传人:p** 文档编号:803857 上传时间:2024-03-04 格式:DOCX 页数:5 大小:29.98KB
下载 相关 举报
表151钢结构(多层)安装检验批质量验收记录.docx_第1页
第1页 / 共5页
表151钢结构(多层)安装检验批质量验收记录.docx_第2页
第2页 / 共5页
表151钢结构(多层)安装检验批质量验收记录.docx_第3页
第3页 / 共5页
表151钢结构(多层)安装检验批质量验收记录.docx_第4页
第4页 / 共5页
表151钢结构(多层)安装检验批质量验收记录.docx_第5页
第5页 / 共5页
亲,该文档总共5页,全部预览完了,如果喜欢就下载吧!
资源描述

《表151钢结构(多层)安装检验批质量验收记录.docx》由会员分享,可在线阅读,更多相关《表151钢结构(多层)安装检验批质量验收记录.docx(5页珍藏版)》请在第壹文秘上搜索。

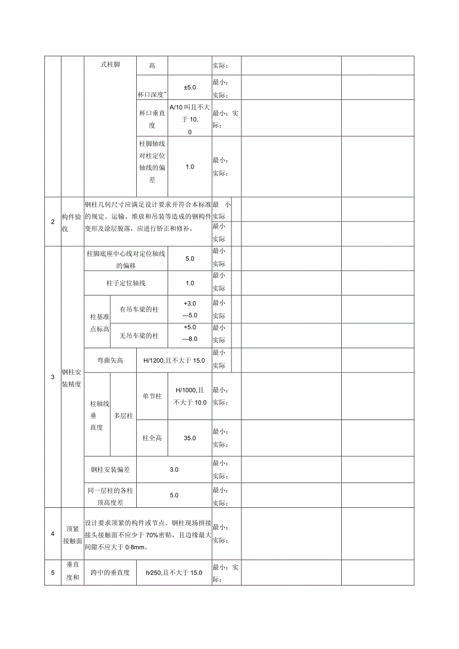
1、表151钢结构(多层)安装检验批质量验收记录编号:单位(子单位)工程名称分部(子分部)工程名称分项工程名称施工单位项目经理检验批容量分包单位分包单位项目经理检验批部位施工依据钢结构工程施工规范GB50755-2012验收依据钢结构工程施工质量验收规范GB50205-2020验收项目设计要求及规范规定最小/实际抽样数量检查记录检查结果主控项日1基础验收项目允许偏差(mm)/建筑物定位轴线1/20000,且不应大于3.0最小:实际:基础上柱的定位轴线1最小:实际:基础上柱底标高3.0最小:实际:基础顶面做柱支撑面或以基础顶面预埋钢板或支座做柱支撑面4支承面标高3.0最小:实际:水平度L/1000地

2、脚螺栓(锚栓)螺栓中心偏移5.0最小:实际:预留孔中心偏移10.0最小:实际:座浆垫板顶而标高03.0最小:实际:水平度L/1000最小:实际:平面位置20.0最小:实际:插入式或埋入底面标05.0最小:式柱脚高实际:杯口深度5.0最小:实际:杯口垂直度A/10叫且不大于10.0最小:实际:柱脚轴线对柱定位轴线的偏差1.0最小:实际:2构件验收钢柱几何尺寸应满足设计要求并符合本标准的规定。运输、堆放和吊装等造成的钢构件变形及涂层脱落,应进行矫正和修补。最小实际最小实际3钢柱安装精度柱脚底座中心线对定位轴线的偏移5.0最小实际柱子定位轴线1.0最小实际柱基准点标高有吊车梁的柱+3.05.0最小实

3、际无吊车梁的柱+5.08.0最小实际弯曲矢高H/1200,且不大于15.0最小实际柱轴线垂直度多层柱单节柱H/1000,且不大于10.0最小:实际:柱全高35.0最小:实际:钢柱安装偏差3.0最小:实际:同一层柱的各柱顶高度差5.0最小:实际:4顶紧接触面设计要求顶紧的构件或节点、钢柱现场拼接接头接触面不应少于70%密贴,且边缘最大间隙不应大于08mm。最小:实际:5垂直度和跨中的垂直度h250,且不大于15.0最小:实际:侧向弯曲侧向弯曲矢高LW30mL1000,且不大于100最小:实际:30m60mL/1000,且不大于50.0最小:实际:6构件对接面精度箱形(四边形、多边形)截面、异型截

4、面对接Ll-L23.0最小:实际:异型锥管、椭圆管截面对接处3.0最小:实际:7同一层标高偏差同一结构层标高偏差5.0最小:实际:同一设计标高异型构件标高偏差8主体结构尺寸主体结构的整体立面偏移高度60m以下的多层(H/2500+10),且不大于30.0最小:实际:主体结构的整体平面弯曲L/1500,且不大于50.0最小:实际:般项目1地脚螺栓精度螺栓(锚栓)直径d3O螺栓(锚栓)外露长度0+1.2(1最小:实际:螺栓(锚栓)螺纹长度0+1.2(1d3O螺栓(锚栓)外露长度0+1.0d最小:实际:螺栓(锚栓)螺纹长度0+1.0d2标记钢柱等主要构件的中心线及标高基准点等标记应齐全。最小:实际:

5、3构件安装精度柱脚底座中心线对定位轴线的偏移5.0最小:实际:柱子定位轴线1.0最小:实际:柱基准点标高有吊车粱的柱+3.0-5.0最小:实际:无吊车粱的柱+5.0-8.0弯曲矢高H/1200,且不大于15.O最小:实际:柱轴线垂宜度多层柱单节柱11/1000,且不大于10.0最小:实际:柱全高35.0最小:实际:钢柱安装偏差3.0最小:实际:同一层柱的各柱顶高度差5.0最小:实际:当钢桁架(或梁)安装在混凝土柱上时,其支座中心对定位轴线的偏差IOmm最小:实际:当采用大型混凝土屋面板时,钢桁架(或梁)间距的偏差10mm构件轴线空间位置偏差WlOmm最小:实际:节点中心空间位置偏差15un构件

6、对接处截面的平面度偏差截面边长13m2mm最小:实际:截面边长13mL/15004主体结构总高度用相对标高控制安装.(7j+2+hO最小:实际:用设计标高控制安装高度60m以下的多层H/1000,且不大于30.0n二最小:实际:H/1000,且不小于一30.031;,5吊车粱安装精度相邻两吊车粱接头部位中心错位3.0最小:实际:上承式顶面高差1.0最小:实际:下承式底面心短1.0最小:实际:6钢梁安装精度同一根梁两端顶面的高差A1/1000,且不大于10.0最小:实际:主梁与次梁上表面的高差+2.0最小:实际:7现场组对精度构件对接处截面的平面度偏差截面边长L3m2un最小:实际:截面边长L3mL1500最小:实际:8结构表面钢柱表面应干净,结构主要表面不应有疤痕、泥沙等污垢最小:实际:施工单位检查结果班组长:分包单位项目质检员:项目部质检员:年月日监理单位验收结论专业监理工程师:年月日

展开阅读全文
相关资源
猜你喜欢
相关搜索

当前位置:首页 > 建筑/环境 > 建筑资料

copyright@ 2008-2023 1wenmi网站版权所有

经营许可证编号:宁ICP备2022001189号-1

本站为文档C2C交易模式,即用户上传的文档直接被用户下载,本站只是中间服务平台,本站所有文档下载所得的收益归上传人(含作者)所有。第壹文秘仅提供信息存储空间,仅对用户上传内容的表现方式做保护处理,对上载内容本身不做任何修改或编辑。若文档所含内容侵犯了您的版权或隐私,请立即通知第壹文秘网,我们立即给予删除!