金刚砂耐磨地面混凝土及施工工艺研究.docx

上传人:p** 文档编号:808385 上传时间:2024-03-08 格式:DOCX 页数:6 大小:128.16KB
下载 相关 举报
金刚砂耐磨地面混凝土及施工工艺研究.docx_第1页
第1页 / 共6页
金刚砂耐磨地面混凝土及施工工艺研究.docx_第2页
第2页 / 共6页
金刚砂耐磨地面混凝土及施工工艺研究.docx_第3页
第3页 / 共6页
金刚砂耐磨地面混凝土及施工工艺研究.docx_第4页
第4页 / 共6页
金刚砂耐磨地面混凝土及施工工艺研究.docx_第5页
第5页 / 共6页
金刚砂耐磨地面混凝土及施工工艺研究.docx_第6页
第6页 / 共6页
亲,该文档总共6页,全部预览完了,如果喜欢就下载吧!
资源描述

《金刚砂耐磨地面混凝土及施工工艺研究.docx》由会员分享,可在线阅读,更多相关《金刚砂耐磨地面混凝土及施工工艺研究.docx(6页珍藏版)》请在第壹文秘上搜索。

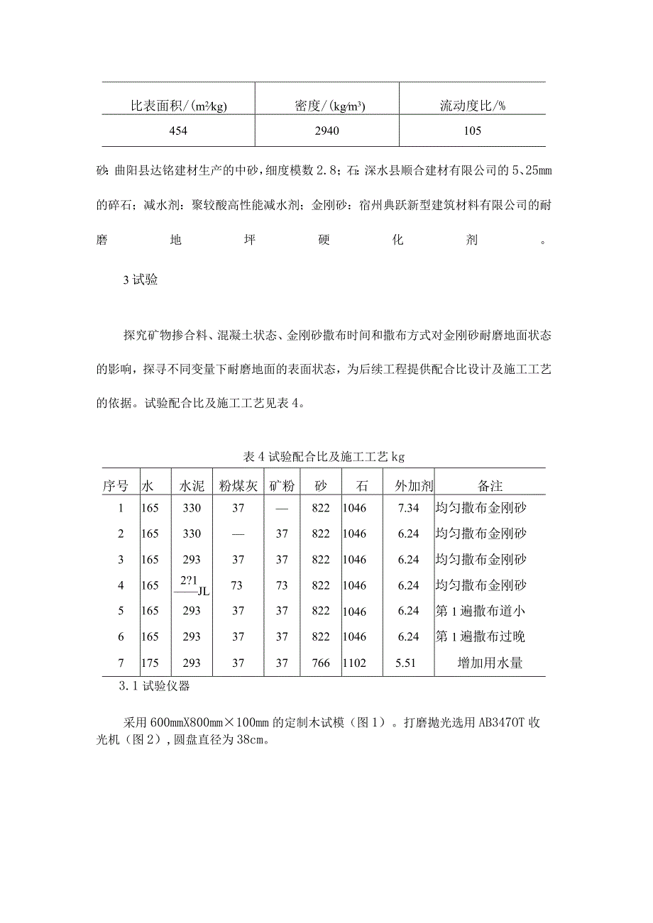
1、1工程概况由于金刚砂地面结构特点,其施工质量直接取决于基层混凝土质量和金刚砂面层的施工技术。如果混凝土质量不达标或者面层施工技术不成熟可能会导致地面出现条状开裂、板面翘曲、下层空鼓、龟裂状裂纹等质量缺陷,严重影响地面的使用功能。从混凝土配合比和施工工艺两方面对金刚砂耐磨地面进行研究,观察金刚砂地面的表面状态,探索不同工程要求的混凝土最佳配制方法及最优施工工艺。2原材料水泥:P-O42.5普通硅酸盐水泥,性能见表1。表1水泥的物理力学性能标准稠度用水量/%凝结时间/min抗折工、;MPaMPa,小失;%表观密度/(kgm3)初凝终凝3d28d3d28d25.81902505.99.030.658

2、.72.063110粉煤灰:F类11级粉煤灰,其性能指标见表2。表2粉煤灰的性能指标细度/%需水量比/%含水量/%烧失量/%20.5990.22.64矿粉:S95矿粉,其性能指标见表3。表3矿粉的性能指标比表面积/(m2kg)密度/(kgm3)流动度比/%4542940105砂:曲阳县达铭建材生产的中砂,细度模数2.8;石:深水县顺合建材有限公司的5、25mm的碎石;减水剂:聚较酸高性能减水剂;金刚砂:宿州典跃新型建筑材料有限公司的耐磨地坪硬化剂。3试验探究矿物掺合料、混凝土状态、金刚砂撒布时间和撒布方式对金刚砂耐磨地面状态的影响,探寻不同变量下耐磨地面的表面状态,为后续工程提供配合比设计及施

3、工工艺的依据。试验配合比及施工工艺见表4。表4试验配合比及施工工艺kg序号水水泥粉煤灰矿粉砂石外加剂备注11653303782210467.34均匀撒布金刚砂21653303782210466.24均匀撒布金刚砂3165293373782210466.24均匀撒布金刚砂41652?1JL737382210466.24均匀撒布金刚砂5165293373782210466.24第1遍撒布道小6165293373782210466.24第1遍撒布过晚7175293373776611025.51增加用水量3.1试验仪器采用600mmX800mm100mm的定制木试模(图1)。打磨抛光选用AB347OT

4、收光机(图2),圆盘直径为38cm。图1 木试模图2 收光机3.2试验方法首先制备基层混凝土,混凝土浇筑插捣完毕后,待其表面凝固到一定程度且潮湿时,撒布金刚砂。金刚砂分2次撒布,总量为5kgm2,第1次铺撒2/3,第2次铺撒1/3。金刚砂总用量为2.4kg,即第1次铺撒L6kg,第2次撒布0.8kg0撒布时,不得用力抛洒,应使金刚砂骨料颗粒自由下落,否则易使骨料出现分离现象。撒布完成后迅速抹平。等到金刚砂吸收了一些水分、混凝土表面的颜色变成深灰色时,即可安排操作人员使用圆盘收光机进行抹平,使金刚砂与混凝土能够结合紧密。之后撒布剩余的金刚砂,铺撒方向与第1次撒布方向垂直,撒布完毕后,使用圆盘收光

5、机打磨抹平,次数不少于3次。打磨作业时应纵横向交错进行,以提高打磨均匀性。在试件成型的24h后进行拆模以及洒水养护,养护时长至少14d,并于养护完毕后观测其表面状态。4结果与分析撒布金刚砂并打磨完成后的混凝土表面状态如图3所示。(a)(b)(c)(d)(e)(f)(g)图3打磨后的混凝土表面状态(a)第1组;(b)第2组;(C)第3组;(d)第4组;(e)第5组;(f)第6组;(g)第7组金刚砂耐磨地面刚成型时,由图3(a)”(d)可知,第1组只单掺粉煤灰的金刚砂地面表面颜色较深,而第2组单掺矿粉、第3组低掺量双掺矿粉和粉煤灰、第4组高掺量双掺矿粉和粉煤灰的这3组配合比打磨后表面颜色较浅且无明

6、显差异。由图3(e)(f)可知,过早撒入金刚砂,此时混凝土未凝结,没有硬度,无法抹平,导致混凝土表面产生裂纹,而且会导致金刚砂沉入混凝土中。撒入时间过晚,则会使金刚砂与混凝土粘结不牢固,混凝土表面不平整。用水量增加,混凝土表面存在泌水现象,金刚砂撒布后易于抹平。在施工现场,需要根据施工现场的实际温度、湿度情况和混凝土初凝终凝时间灵活调整金刚砂骨料的铺撒时间,杜绝撒布时间过早或过晚。观察成型后表面状态较好的第1组“第4组和第7组的14d龄期混凝土表面状态,如图4所示。(a)第1组;(b)第2组;(C)第3组;(d)第4组;(e)第7组由图4可知,矿物掺合料对金刚砂耐磨地面的表面状态有一定影响。第

7、1组单掺粉煤灰的混凝土表面颜色最深,第3组低掺量双掺粉煤灰和矿粉的混凝土表面颜色最浅,第2组单掺矿粉与第4组大掺量双掺粉煤灰和矿粉的混凝土表面颜色深度相近,介于第1组和第3组之间。在金刚砂耐磨地面的混凝土配制时,可以通过调节矿物掺合料对其表面颜色进行调整。同时,矿物掺合料的掺入还能降低地面的开裂风险。此外,当混凝土产生泌水现象时,其与金刚砂混合易出现金刚砂分布不均匀的情况,从而引起金刚砂耐磨地面的表面色差。5结论矿物掺合料种类、掺入方式及掺量对混凝土表面状态均有影响,可以通过调节矿物掺合料对其表面颜色进行调整。同时,掺入矿物掺合料可以降低混凝土的开裂风险。金刚砂的撒布方式和撒布时间对耐磨地面的质量至关重要,探究了撒布时间对耐磨地面表面状态的影响。过早撒入金刚砂,混凝土表面易产生裂纹,而且会导致金刚砂在混凝土中沉入过深。如撒入时间过晚,则会使金刚砂与混凝土粘结不牢固,混凝土表面不平整。在施工过程中,对金刚砂的撒布时间进行严格控制尤为重要,须安排专人撒布金刚砂。

展开阅读全文
相关资源
猜你喜欢
相关搜索

当前位置:首页 > 建筑/环境 > 设计及方案

copyright@ 2008-2023 1wenmi网站版权所有

经营许可证编号:宁ICP备2022001189号-1

本站为文档C2C交易模式,即用户上传的文档直接被用户下载,本站只是中间服务平台,本站所有文档下载所得的收益归上传人(含作者)所有。第壹文秘仅提供信息存储空间,仅对用户上传内容的表现方式做保护处理,对上载内容本身不做任何修改或编辑。若文档所含内容侵犯了您的版权或隐私,请立即通知第壹文秘网,我们立即给予删除!