金属表面处理质量检验规范.docx

上传人:p** 文档编号:808428 上传时间:2024-03-08 格式:DOCX 页数:24 大小:96.47KB
下载 相关 举报
金属表面处理质量检验规范.docx_第1页
第1页 / 共24页
金属表面处理质量检验规范.docx_第2页
第2页 / 共24页
金属表面处理质量检验规范.docx_第3页
第3页 / 共24页
金属表面处理质量检验规范.docx_第4页
第4页 / 共24页
金属表面处理质量检验规范.docx_第5页
第5页 / 共24页
金属表面处理质量检验规范.docx_第6页
第6页 / 共24页
金属表面处理质量检验规范.docx_第7页
第7页 / 共24页
金属表面处理质量检验规范.docx_第8页
第8页 / 共24页
金属表面处理质量检验规范.docx_第9页
第9页 / 共24页
金属表面处理质量检验规范.docx_第10页
第10页 / 共24页
亲,该文档总共24页,到这儿已超出免费预览范围,如果喜欢就下载吧!
资源描述

《金属表面处理质量检验规范.docx》由会员分享,可在线阅读,更多相关《金属表面处理质量检验规范.docx(24页珍藏版)》请在第壹文秘上搜索。

1、金属表面处理检查规范1合用范围本规范合用于品质部门对电镀、氧化、化学处理、喷塑、喷漆、喷砂、拉丝等金属表面处理一般检查。2术语和定义2.1 A级表面:在使用过程中总能被客户看见H勺部分(如:面壳的正面和顶面,后壳的顶面,手柄,透镜,按键及键盘正面,探头整个表面等)。2.2 B级表面:在使用过程中常常被客户看见的部分(如:面壳的左右侧面,底壳或后壳的左右侧面及背面等)。这些表面容许有轻微不良,不过不致引起挑剔客户不购置产品。2.3 C级表面:在使用过程中很少被客户注意到的表面部分(如:面壳的底面,底壳或后壳的底面,内部零件表面)。此表面的外观缺陷应合理并且不至于给客户觉得该产品质量不佳。2.4

2、金属表面:包括电镀、氧化、钝化等体现为金属质感的表面,非喷涂表面。2.5 基材花斑:电抛光、电镀或氧化前因基体材料腐蚀、或者材料中的杂质、材料微孔等原因所导致的、与周围材质表面不一样光泽或粗糙度的斑块状花纹外观。2.6 抛光区:对基材上的腐蚀、划伤、焊接区、钾接区等部位进行机械打磨抛光后体现出的局部高光泽、光亮区域。2.7 浅划痕:镀(膜/塑/漆)层表面划伤,但未伤及底层(即底层未暴露);对其他无镀(膜/塑/漆)层表面则为:目测不明显、手指甲触摸无凹凸感、未伤及材料本体的伤痕。数控冲床加工中机床台面对板材口勺摩擦产生的轻微痕迹属于此类划痕。2.8 凹痕:由于基体材料缺陷,或在加工过程中操作不妥

3、等原因而在材料表面留下的小坑状痕迹。2.9 凹凸痕:因基材受撞击或校形不良等而展现出的明显变形、凹凸不平的现象,手摸时有不平感觉。2.10 烧伤:拉丝、电抛光、电镀处理时因操作不妥、导致零件表面过热而留下的烧蚀痕迹。2.11 水印:电镀、氧化或电抛光后因清洗水未及时干燥或干燥不彻底所形成的斑纹、印迹。2.12 露白:镀锌钝化膜因磨擦而被清除、露出新层,或因缝隙截留溶液导致H勺无钝化膜现象,展现为区别于周围颜色的白色。2.13 修补:因膜层损伤而用涂料所作的局部遮盖。2.14 色点:由材料、模具、环境或设备中的灰尘或夹杂物等影响,在表面处理层中形成不一样色的斑点。2.15 颗粒:因材料夹杂物或外

4、来物(如焊渣)的影响而在表面形成的、颜色与正常表面一致的凸起现象。2.16 挂具印:指电镀、电抛光、氧化、喷涂等表面处理生产过程中,因装挂用辅助工具的遮挡而使其与零件相接触的部位产生局部无表面处理层的现象。2.17 氢脆:由于浸蚀、除油或电镀等过程中金属吸取氢原子和有应力存在下而引起的脆性。2.18 针孔:表面处理上可看见类似针刺成口勺微小孔。2.19 孔隙率:单位面积上针孔的个数。2.20 起泡:在电镀中由于镀层与底金属之间失去结合力而引起一种凸起状缺陷。2.21 流痕:喷涂涂料过多且不均匀干燥导致U勺流痕,或镀层厚度不均导致零件表面的异常区域。2.22 桔皮:喷涂表面因涂料附着力差而导致起

5、皱,象桔子皮样的外观。2.23 粉化:氧化膜表面疏松引起的粉沫状物。2.24 露底:局部无表面处理层/J现象。3职责与权限3.1 SQA/TQC工程师根据此规范监督供应商的金属表面处理制程控制、外观检查和性能检查。3.2 IQe和机加中心质检员根据此规范进行成品检查。4检查方案4.1 一致性和外观:全检项,或由IQC工程师根据实际来料品质状况根据检查方案调整工作规范对详细物料检查方案实行调整;4.2 性能:抽检项。IQC或机加中心质检员每批零件核查供应商检查汇报,每季度对每种表面处理至少检查一次。当外观检查发现存在有也许影响性能的缺陷时,需及时检查该批零件或制作试样进行性能检查。5检查项目及措

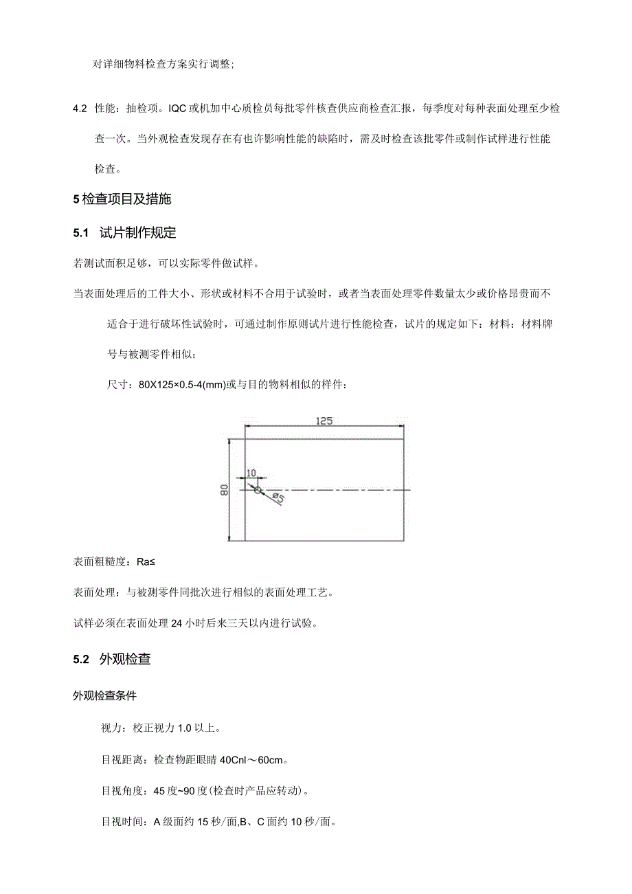
6、施5.1 试片制作规定若测试面积足够,可以实际零件做试样。当表面处理后的工件大小、形状或材料不合用于试验时,或者当表面处理零件数量太少或价格昂贵而不适合于进行破坏性试验时,可通过制作原则试片进行性能检查,试片的规定如下:材料:材料牌号与被测零件相似;尺寸:80X1250.5-4(mm)或与目的物料相似的样件:表面粗糙度:Ra表面处理:与被测零件同批次进行相似的表面处理工艺。试样必须在表面处理24小时后来三天以内进行试验。5.2 外观检查外观检查条件视力:校正视力1.0以上。目视距离:检查物距眼睛40Cnl60cm。目视角度:45度90度(检查时产品应转动)。目视时间:A级面约15秒/面,B、C

7、面约10秒/面。灯光:不小于500LX的照明度或正常迈瑞企业车间照明度。喷砂拉丝.1喷砂和拉丝的目数符合图纸规定,图纸未指明时喷砂按120目的原则,拉丝按220目的原则;.2拉丝方向按图纸规定,图纸未指明时与零件长边方向一致;.3拉丝后整个表面纹路均匀;.4喷砂后零件表面不得有明显变形,形位公差符合图纸规定。塑层漆层.1喷塑喷漆的I颜色符合图纸规定,以目视检查为主,不得有明显色差:比对原则色板或签样,以一致或极靠近为合格;对目视有异议时用色差仪检测,鉴定原则按MRSZSO5NO1-311产品颜色及色板管理工作规范。.2电泳漆层颜色符合图纸规定,图纸未指明时为黑色。电镀锌.1镀层结晶均匀、细致;

8、颜色符合图纸规定,图纸未指明时为彩虹色;.2容许表面缺陷:由于零件表面状态不一样而导致同一零件上有不均匀的颜色或光泽,盲孔、通孔深处可以无镀层。电镀银.1镀层结晶均匀、细致;一般银镀层呈稍带淡黄色日勺银白色,光亮银镀层是光亮的银白色;.2容许表面缺陷:由于零件表面状态不一样而导致同一零件上有不均匀的颜色或光泽,盲孔、通孔深处无镀层,但需防锈处理。化学镀银.1镀层结晶均匀、细致;呈稍带浅黄色的J银白色或钢灰色;.2容许表面缺陷:由于零件表面状态不一样而导致同一零件上有不均匀的颜色或光泽。电镀硬珞.1镀层结晶均匀、细致;呈略带浅蓝的银白色到亮灰色;.2容许表面缺陷:由于零件表面状态不一样而导致的同

9、一零件上有不均匀的颜色或光泽,盲孔、通孔深处可以无镀层。电镀装饰锦.1镀层结晶均匀、细致;呈镜面般光亮的银白色;.2容许表面缺陷:盲孔、通孔深处可以无镀层。电镀金.1镀层结晶均匀、细致;硬金(合金)镀层为略带微红或微棕色的浅黄色;纯金镀层应是有光泽的金黄色;.2容许表面缺陷:由于零件表面状态不一样而导致的同一零件上有不均匀的颜色或光泽;盲孔、通孔深处可以无镀层。电镀银.1镀层结晶均匀、细致;呈银白色;.2容许表面缺陷:由于零件表面状态不一样而导致的同一零件上有不均匀的颜色或光泽,盲孔、通孔深处可以无镀层。铝合金(硬质)阳极氧化.1膜层均匀、完整;膜层颜色符合图纸规定,图纸未指明时为本色。.2容

10、许表面缺陷:由于零件表面状态不一样而导致的同一零件上有不均匀的颜色或光泽。铝合金化学氧化.1膜层均匀、完整;膜层颜色符合图纸规定,图纸未指明时化学氧化为无色透明。.2容许表面缺陷:由于零件表面状态不一样而导致的同一零件上有不均匀的颜色或光泽。钢铁发蓝(发黑).1膜层均匀、完整,碳钢、低合金钢为黑色;合金钢按其化学成分和含量的不一样可呈蓝色、紫色至褐色;铸铁、硅钢为带黄色至棕红色的黑色;铸钢呈暗褐色;.2容许表面缺陷:由于热处理、焊接或表面加工状态不一样而有不一样的颜色和光泽。氮化或渗碳处理的表面灰白、浅红或采虹色。不锈钢钝化.1不锈钢钝化后表面应为靠近金属本色、银白、灰白或钢灰色;.2容许表面

11、缺陷:因材责问题,在同零件上色泽可稍有不样,可有轻微的水流痕迹;在焊接温度影响区内可有氧化色彩。不锈钢电抛光.1电抛光表面应光亮、平滑、均匀;.2容许表面缺陷:零件凹下部位由于抛光不到的发暗。其他表面缺陷规定见下表:外观缺陷类型缺陷所处表面类型容许范围A级表面B级表面C级表面基材花斑金属表面不容许不容许S总W被测面积的5%浅划痕所有表面不容许L500.4,P2PW5深划痕所有表面不容许不容许不容许凹坑非拉丝面、喷砂面不容许直径05,P2不限制凹凸痕所有表面不容许不容许直径W20,P5抛光区金属表面不容许不容许S总W被测面积的5%水印镀层、化学处理层、电抛光不容许S3.0,P2SiiW被测面积的

12、5%露白镀彩锌不容许不容许SW4.0,PW3修补塑层、漆层不容许不容许SW4.0,P2颗粒所有表面不容许直径1.0,P2直径3.0,P5挂具印所有表面不容许不容许不限制色点所有表面S0.15,P2,1.50S0.2,P31.50SaW被测面积的2%烧伤镀层、拉丝面、电抛光不容许不容许不容许露底镀层、塑层、漆层不容许不容许S4.0,P3起泡镀层、塑层、不容许不容许不容许漆层污迹所有表面不容许不容许不容许流痕塑层、漆层、镀层不容许不容许不限制手印塑层、漆层、镀层、化学处理层不容许不容许不限制桔皮塑层、漆层不容许不容许不容许粉化化学处理层、塑层、漆层不容许不容许不容许针孔镀层、塑层、漆层不容许S1.

13、0,PWlS1.0,PW3锈蚀所有表面不容许不容许不容许5.3性能检查5.3.1 电镀锌5.3.1.1 镀层厚度.LIX-RAY光谱仪或库仑仪测量,基体是磁性钢的试样还可采用磁性测厚仪测量,在测量面上,至少测量不一样位置三点;.1.2镀层厚度应符合图纸规定,图纸未指明时按710m,在不影响镀层性能及零件尺寸精度的前提下,局部镀层厚度可为715m:能被直径为20mm的球接触到的区域镀层厚度需到达上述规定,直径为20mm的球接触不到的区域镀层厚度不做规定。5.3.1.2 结合力百格法:用百格刀(或介刀)在表面划ImmXlmm格子100个,以足够的压力一次刻线即穿过镀层切割到金属基体。把胶纸贴在格子

14、上,用手指抚压10个来回,使胶纸充足贴紧,再以45方向向上迅速拉起,无镀层脱落。5.3.1.3 耐蚀性中性盐雾试验测试周期和质量规定见下表。电镀类型 测试周期(H)质量规定彩锌72到达GB6461原则保护评级Rp8级以上黑锌96到达GB6461原则保护评级Rp8级以上蓝锌36到达GB6461原则保护评级Rp8级以上白锌24到达GB6461原则保护评级Rp8级以上5.3.1.4 氢脆性(非必检项).4.1当图纸有规定期可进行氢脆性测试。5.3.1.4.2测试措施和接受原则按HB5067。5.3.2 电镀银5.3.2.1 镀层厚度.1.1X-RAY光谱仪或库仑仪或磁性测厚仪测量,在测量面上,至少测量不一样位置三点;.1.2镀层厚度按图纸,图纸未指明时为1215um(包括铜底):钢铁基材镀层:铜67m,银68m,半光银+光亮锲;铜合金基材镀层:银1215um,半光银+光亮银;能被直径为20mm的球接触到的区域镀层厚度需到达上述规定,直径为20mm的球接触不到的区域镀层厚度不做规定。5.322结合力如下措施任选一种:.2.1划痕法:采用硬质划刀或钢针,在镀层表面划两根相距2mm的平行线或Imm2的正方形格子,

展开阅读全文
相关资源
猜你喜欢
相关搜索

当前位置:首页 > 建筑/环境 > 环保行业

copyright@ 2008-2023 1wenmi网站版权所有

经营许可证编号:宁ICP备2022001189号-1

本站为文档C2C交易模式,即用户上传的文档直接被用户下载,本站只是中间服务平台,本站所有文档下载所得的收益归上传人(含作者)所有。第壹文秘仅提供信息存储空间,仅对用户上传内容的表现方式做保护处理,对上载内容本身不做任何修改或编辑。若文档所含内容侵犯了您的版权或隐私,请立即通知第壹文秘网,我们立即给予删除!