钢筋加工技术交底.docx

上传人:p** 文档编号:808512 上传时间:2024-03-08 格式:DOCX 页数:8 大小:46.26KB
下载 相关 举报
钢筋加工技术交底.docx_第1页
第1页 / 共8页
钢筋加工技术交底.docx_第2页
第2页 / 共8页
钢筋加工技术交底.docx_第3页
第3页 / 共8页
钢筋加工技术交底.docx_第4页
第4页 / 共8页
钢筋加工技术交底.docx_第5页
第5页 / 共8页
钢筋加工技术交底.docx_第6页
第6页 / 共8页
钢筋加工技术交底.docx_第7页
第7页 / 共8页
钢筋加工技术交底.docx_第8页
第8页 / 共8页
亲,该文档总共8页,全部预览完了,如果喜欢就下载吧!
资源描述

《钢筋加工技术交底.docx》由会员分享,可在线阅读,更多相关《钢筋加工技术交底.docx(8页珍藏版)》请在第壹文秘上搜索。

1、技术交底记录表C2l编号O工程名称交底日期施工单位分项工程名称钢筋交底提要钢筋加工!皮术交底交底内容:一、材料要求各种钢筋的型号、规格及强度等级要符合设计要求,具有出厂合格证和实验报告单。二、主要机具塔吊、钢筋调直机、钢筋切断机、钢筋弯曲机、无齿锯、钢丝刷等。三、作业条件:1、钢筋加工前,现场中使用的钢筋调直机、弯曲机、切断机、无齿锯等机械设备已经通过调试,能正常使用,并能在工期上满足钢筋加工要求;2、钢筋加工合理布置料场,各种加工机械及成品钢筋堆放区布置合理,同钢筋加工程序相一致,实现流水作业,避免料场内部不必要的抬、搬等操作;四、操作工艺1、钢筋除锈1.1钢筋使用前其表面应整洁,油渍、漆污

2、和敲击时能剥落的陈皮、铁锈清理干净;1.2钢筋在冷拉或调直过程中除锈较为经济省力,本工程中对大批量采用在钢筋调直机中除锈,其余的钢筋局部除锈采用钢丝刷或砂盘进行手工除锈。1.3除锈中若发现钢筋表面的氧化铁皮磷落现象严重并一损伤钢筋截面或除锈后表面有严重麻坑、斑点伤蚀截面时,及时报项目技术人员,由项目部决定降级使用或剔除不用;1.4焊接前,焊接用钢筋焊点处水锈应清除干净。2、钢筋调直用调直机调直钢筋时,要根据钢筋的直径选用调直模和传送压辐,并正确掌握调直模和压辐的压紧程度,调直模的偏移量要根据其磨耗程度及钢筋品种通过试验确定。调直筒两端的调直模一定要在等孔二轴心线上,若发现钢筋不直时,应及时调整

3、调直模的偏移量。钢筋要保证平直,无局部曲折;冷拨低碳素钢筋在调直机上调直后,其表面不得有明显擦伤,抗拉强度不能低于设计要求。审核人交底人接受交底人技术交底记录表C2l编号0工程名称交底日期施工单位分项工程名称钢筋交底提要钢筋加工皮术交底交底内容:3、钢筋切断3.1本工程中钢筋采用无齿锯切割或用钢筋切断机切断。3.2钢筋切断时应考虑同规格钢筋根据不同长度长短搭配,统筹安排,一律先断长料,再断短料,充分应用钢筋,减少损耗;3.3断料时可在工作台上标尺寸刻度线,并设置控制断料用档板,而不能直接用短尺量长料,这样3.4、会产生累计误差;1.4. 1使用切断机前应检查切断机刀片,注意螺栓要紧固、刀口要密

4、合,同时调整好固定刀片和冲切刀片刀口的距离,具体如下:3. 4.2断直径小于等于20mm钢筋时,宜重叠1至2亳米;4. 4.3断直径大于20mm钢筋时,宜留5mm左右。4.1. 切断中如发现钢筋有劈裂、缩头或严重的弯头,必须切除。如发现钢筋的硬度与该钢种有过大出入,应向有关人员反映,查明情况;4.2. 钢筋切断后质量要求:1.6. 1钢筋断口不得有马蹄形后弯起等现象,有特殊要求的钢筋(例如:顶模撑钢筋)不得有毛刺等现象;3. 6.2钢筋断料长度力求准确,允许偏差为IOmm(顶模撑除外4、钢筋弯曲成型4. In一般规定:4.1.1一级钢筋末端做180度弯钩时,其圆弧弯曲直径控制在钢筋直径的2.5

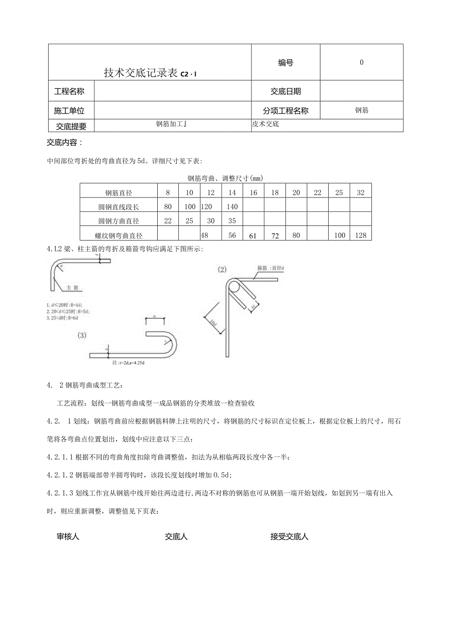
5、倍,但不小于主筋直径,平直部分长度为10d;二级以上钢筋需做90度或135度弯折时,弯曲直径控制在钢筋宜径4倍,锚固末端平直部分为5d。箍筋末端135度弯折时平直部分为IOd及75mm中较大值;弯起钢筋审核人交底人接受交底人技术交底记录表C2l编号0工程名称交底日期施工单位分项工程名称钢筋交底提要钢筋加工皮术交底交底内容:中间部位弯折处的弯曲直径为5d。详细尺寸见下表:钢筋弯曲、调整尺寸(mm)钢筋直径8101214161820222532圆钢直线段长80100120140圆钢方曲直径22253035螺纹钢弯曲直径48566172801001284.L2梁、柱主箭的弯折及箱箭弯钩应满足下图所示

6、:注:r=2d,a=4.25d4. 2钢筋弯曲成型工艺:工艺流程:划线一钢筋弯曲成型一成品钢筋的分类堆放一检查验收4.2. 1划线:钢筋弯曲前应根据钢筋料牌上注明的尺寸,将钢筋的尺寸标识在定位板上,根据定位板上的尺寸,用石笔将各弯曲点位置划出,划线中应注意以下三点:4.2.1.1根据不同的弯曲角度扣除弯曲调整值,扣法为从相临两段长度中各一半:4.2.1.2钢筋端部带半圆弯钩时,该段长度划线时增加O.5d;4.2.1.3划线工作宜从钢筋中线开始往两边进行,两边不对称的钢筋也可从钢筋一端开始划线,如划到另一端有出入时,则应重新调整,调整值见下页表:审核人交底人接受交底人技术交底记录表C2l编号0工

7、程名称交底日期施工单位分项工程名称钢筋交底提要钢筋加工皮术交底交底内容:4. 2.2弯曲成型:钢筋划线后,在钢筋弯曲机上弯曲成型。钢筋在弯曲机上成型时,轴心直径应是钢筋直径2.5倍。成型轴配有偏心轴套,以适应不同直径的钢筋弯曲需要。为使弯弧一侧的钢筋保持平直,挡铁轴应作成固定挡架(加钢板调直)。钢筋弯起点和心轴的关系根据经验积累,一般情况下:弯90度,弯曲轴线与心轴内边缘齐;弯180度,弯曲点距轴心内边缘为L5d。5. 2.3成品钢筋堆放:钢筋弯曲成型后,钢筋质量必须先通过加工操作人员自检。检查其规格、尺寸和形状,待成品钢筋检查合格后,按编号栓上料牌。清点某一编号的成品钢筋确定无误后,将该编号

8、钢筋堆放在指定场地。钢筋堆放时,注意要按编号分隔整齐堆放,同时注意钢筋使用顺序,按使用顺序整齐堆放好钢筋,防止先用的钢筋被堆放在底部而导致使用时翻垛产生成型钢筋的变形。审核人交底人接受交底人弯曲调整值弯曲角度30456090135调整值0.35d0.5d0.85d1.2d2.5d钢筋直径调整值82.846.89.620103.558.51225124.2610.214.430144.9711.916.835165.6813.619.240186.3915.321.64520710172450227.71118.726.455258.7512.521.253062.53211.21627.238

9、.480技术交底记录表C2l编号O工程名称交底日期施工单位分项工程名称钢筋交底提要钢筋加工皮术交底交底内容:5、钢筋加工及成品堆放总原则5.1加工班组拿到料单核对无误后,按料单下料。下料时统筹考虑,长短结合,注意提高钢筋的利用率。马竞、定位筋考虑要用废料加工。5. 2加工时按料单统一配料成型,钢筋加工好后按料单分规格、型号、使用部位挂料牌布堆放,每堆钢筋料牌布不少于两块,单件、少件的要单独存放,以免混淆。5. 3墙体的封顶钢筋必须加工出弯头。6. 4二级钢筋与三级钢筋必须分开堆放,严禁混淆。五、钢筋加工质量要求1、钢筋形状正确,平面上没有翘曲等不平现象;2、钢筋弯曲点不得有裂缝,特别是级及以上

10、的钢筋不能弯过头再弯回来;3、钢筋成型后的允许偏差为:钢筋成型后的允许偏差钢筋全长IOmm弯曲钢筋方曲点位移5mm弯曲钢筋的弯起高度5mm箍筋边长3mm,且箍筋在一个平面内。两个135度弯钩平直长度相等,且互相平行钢筋弯曲角度偏差4度六、安全施工措施1、钢筋加工时严禁使用电焊。2、钢筋加工机械用电必须统一管理,严禁其他人员私自接电线。审核人交底人接受交底人技术交底记录表C2l编号O工程名称交底日期施工单位分项工程名称钢筋交底提要钢筋加工皮术交底交底内容:3、加工场地必须配备灭火器。4、钢筋加工时根据不同的加工工序佩戴防护用具。5、机械操作必须严格按照机械操作手册,正确使用机械;6、钢筋调直时,

11、被调直的钢筋长度必须符合有关规定,不能过短,防止钢筋甩尾伤。7、钢筋搬运中,搬运人员应小心,注意脚下,防止绊倒。8、吊运钢筋时,信号工要在保证堆放处无人员时方可指挥下料。七、环保措施1、施工中必须严格遵守现场有关规章制度,做到文明施工;2、钢筋截断及切割所产生的碎硝及时清理,切割机前加设挡板,防止产生火星引起火灾。3、维修机械所用机油、润滑剂需存放于维修班,更换下的废件及时回收。4、钢筋加工时应轻拿轻放,严禁随意乱扔乱放,加工所产生的钢筋头应分规格及长短尺寸分别码放,以便允分利用。5、钢筋切断严禁在夜间进行。审核人交底人接受交底人技术交底记录表C2l编号O工程名称交底日期施工单位分项工程名称钢筋交底提要钢筋加工皮术交底交底内容:审核人交底人接受交底人

展开阅读全文
相关资源
猜你喜欢
相关搜索

当前位置:首页 > 建筑/环境 > 设计及方案

copyright@ 2008-2023 1wenmi网站版权所有

经营许可证编号:宁ICP备2022001189号-1

本站为文档C2C交易模式,即用户上传的文档直接被用户下载,本站只是中间服务平台,本站所有文档下载所得的收益归上传人(含作者)所有。第壹文秘仅提供信息存储空间,仅对用户上传内容的表现方式做保护处理,对上载内容本身不做任何修改或编辑。若文档所含内容侵犯了您的版权或隐私,请立即通知第壹文秘网,我们立即给予删除!