钢结构计算书解析平台.docx

上传人:p** 文档编号:808635 上传时间:2024-03-08 格式:DOCX 页数:22 大小:286.95KB
下载 相关 举报
钢结构计算书解析平台.docx_第1页
第1页 / 共22页
钢结构计算书解析平台.docx_第2页
第2页 / 共22页
钢结构计算书解析平台.docx_第3页
第3页 / 共22页
钢结构计算书解析平台.docx_第4页
第4页 / 共22页
钢结构计算书解析平台.docx_第5页
第5页 / 共22页
钢结构计算书解析平台.docx_第6页
第6页 / 共22页
钢结构计算书解析平台.docx_第7页
第7页 / 共22页
钢结构计算书解析平台.docx_第8页
第8页 / 共22页
钢结构计算书解析平台.docx_第9页
第9页 / 共22页
钢结构计算书解析平台.docx_第10页
第10页 / 共22页
亲,该文档总共22页,到这儿已超出免费预览范围,如果喜欢就下载吧!
资源描述

《钢结构计算书解析平台.docx》由会员分享,可在线阅读,更多相关《钢结构计算书解析平台.docx(22页珍藏版)》请在第壹文秘上搜索。

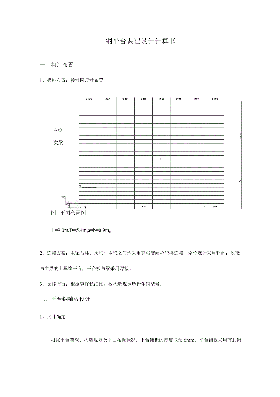
1、钢平台课程设计计算书一、构造布置1、梁格布置:按柱网尺寸布置。主梁次梁三S4OO548S 400S 40054 005400540054 00S8:OY3 T 图I-平面布置图1.=9.0m,D=5.4m,a=b=0.9mo2、连接方案:主梁与柱、次梁与主梁之间均采用高强度螺栓较接连接,定位螺栓采用粗制;次梁与主梁的上翼缘平齐;平台板与梁采用焊接。3、支撑布置:根据容许长细比,按构造规定选择角钢型号。二、平台钢铺板设计1、尺寸确定根据平台荷载、构造规定及平面布置状况,平台铺板的厚度取为6mm。平台铺板采用有肋铺板,板格面积取为0.9mx5.4m,即相邻两次梁中心间距为0.9m,加劲肋中心间距为

2、0.9m,此处加劲肋间距参照铺板厚度日勺Ioo150倍取值。加劲肋采用扁钢,其高度一般为跨度的1/151/12,且不不不小于高度B1/15及5mm,故取扁钢肋板高度60mm,厚度6mm。2、铺板验算验算内容包括铺板强度和铺板刚度。(1)荷载效应计算铺板承受0荷载包括铺板自重和板面活荷载,计算如下:铺板自重原则值:=78509.8610=0.2kN.m-2铺板承受原则荷载:qk=80.462=8.462AvV勿-2铺板承受的荷载设计值:=1.20.462+1.48=11.7544/dVm2铺板跨度b=900mm,加劲肋间距a=900mm,ba=l2,因此,应按四边简支平板计算铺板最大弯矩。查表2

3、1得:JL=aq=0.049711.75440.92=0.4732%M/(2)铺板强度验算铺板截面的最大应力为:=6;阴=6x6叱2=78.86Nrn11rf=215Nlnun”t262IO-6满足规定。(3)铺板刚度验算查表2-1得:ax0. 0433 X8. 462 IO3 X 0. 9l2.06 IO11 63 W9=5. 4mm _co=蚪=6mm150(4)铺板加劲肋验算板肋自重原则值:P=78509.8660W9=0.028kNm加劲肋可按两端支撑在平台板次梁上的简支梁计算,其承受的线荷载为:恒荷载原则值:P1=0.4620.9+0.028=0.4438kN/m活荷载原则值:P2=

4、0.98=7.2kNm加劲肋的跨中最大弯矩设计值为:M=-J2=-(1.20.4438+1.47.2)0.92=1.084M加88加劲肋计算截面可按加劲肋和每侧铺板15t(t为铺板厚度)0宽度参与共同作用,计算截面如图3所示。计算截面面积:J=1806+606=1440三2=1440X10-6w218063 + 60636=11. 25zhot计算截面形心轴到铺板面0距离:1440计算截面对形心轴XB截面惯性矩:=啰36+180X6X(11.25-3)2+60+60x6x(36-11.25)2=4.0527X107三,“1212加劲肋截面最大应力为:媪=L08xx(0.066i.(三5)=叫M

5、俞f=215NI向T4.0527IO-满足规定。加劲肋跨中最大挠度为:5x(0.4438+:2)xl0r0.9=。恸冲=出=6小3842.06IOuX4.0527IO7150满足刚度规定。三、次梁设计1、次梁计算简图:次梁按简支梁计算。5400q=10.6kNm图2次梁受力简图2、计算次梁荷载。恒荷载原则值:次梁承受恒荷载包括自重和加劲肋自重(临时不考虑次梁自重),将加劲肋则算成均布荷载。PI=0.4620.9+0.028=0.4438kN/m活荷载原则值:P2=80.9=7.2kNIm则次梁最大弯矩设计值为:M=-l2=-(1.2X0.4438+1.47.2)5.42=38.3kN.n皿88

6、最大剪力为:V=-=-10.985.4=57.BkNax223、初选次梁截面:次梁采用一般轧制工字钢,根据组合内力初选截面。由抗弯条件得次梁所需B净截面抵御矩:W=-=38.8x1。=171.87。/af1.05215IO6初步确定次梁采用工字钢,型号为I20b,截面参数如下:A=39.55c72,。=2502CR4,WX=250.2cmi,57-17-13c/,,=9.0三,自重31.05kgm4、次梁内力计算:计算包括自重在内的次梁荷载。计算次梁自重的均布荷载:P1=0.4438+0.0319.8=0.7476kNmP2=7.2kNjmq=1.2pl+1.4p2=10.98kN/mqk=p

7、1+p2=7.95kN/m5、验算次梁截面:验算次梁荷载作用下0钢梁强度、挠度和整体稳定。40 IOfi1.05 250.2 IO3(1)抗弯强度验算=152.26N/mm2f=215Nlnm巴 = d-I WX(2)剪应力验算=37.2NlmniZf=125Nlmnp17.139IOv(3)支座处局部压应力支座反力为57.3kN0假定支撑长度a=15cm,由型钢表得:hy=A,+f=9+11.4=20.4rn4=&+2.54=150+2.520,4=20Immb=L0*57.3XU=3167NImm,f=215Nfmm2CQ/9X201因铺板密铺在梁的受压翼缘上,并与其牢固相连,能制止受压翼

8、缘的侧向位移,故不必验算整体稳定。(4)挠度验算.6 mmSqj57.95XIO125.44r-15400x=384%=3842.06IO5250210,=-mm 2 W 1 803 + 2 (2 X 2 + 40 X 2 X 412) = 324960cw1212Wmi当空=7737。/425=24041O.51402=4080c4、计算主梁内力(包括主梁自重)。梁B截面面积:=40x2x2+1x80=240cm2梁单位长度0自重:240X10,X78509.8103=1.85kN取自重的荷载分项系数为1.2,并考虑由于加劲肋等重量的构造系数1.2,梁自重的荷载设计值为:1.21.21.85

9、=2.66kNn梁支座最大剪力:嚷X=266.85+I2.669=278.SkN梁跨中最大弯矩:a=592.41X2.6692=619.3kNm5、主梁截面设计:内容包括强度、整体稳定、翼缘局部稳定、腹板局部稳定和腹板加劲肋设计以及挠度验算。619.3 X IO61. 05 7737 IO3(1)跨中截面抗弯强度验算=76.2NlInm2/=205Nmm1满足规定。(2)翼缘局部稳定b_ _ 40 - 1 t 22=9. 75 13235235 = 13受压翼缘0局部稳定可以保证。(3)整体稳定验算次梁为主梁B侧向支撑,故主梁B受压翼缘B自由长度4=900三,16 522因此,梁的整体稳定性有

10、保证。_ VS_ _ 278. 8 X 4080 X 10T Tw 324960 IO4 10=35 N/mn2 fv = 125 Njmm2(4)挠度验算集中荷载原则值:产=7. 95 X 5. 4 = 42. 93A/V= 1. 2 1. 85 = 2. 22 kN/m由表2-2查得幻=1/9,%/ 一”+也乙/1 9ET 384乙42. 93 X U X 92 X 1()65 X 2. 22 X IO9 939 2. 05 IO5 324960 IO1 + 384 2. 06 IO5 324960 10=1/1635 6) = 1/400(5)腹板局部稳定和腹板加劲肋设计- = = 80 80tw 1V 235腹板局部稳定可以保证,不必配置加劲肋。由于主梁之上布置有次梁,次梁间距为0.9m,按构造规定次梁下面必须对 主梁腹板布置支承加劲肋。横向加劲肋截面:。4+4。=黑+40=67叫取以=IOommb._100_.,STi=15=6.7mm,取、=8三支座加劲肋验算:梁0支座采用突缘支座形式,支承加筋类采用200/mX16三,计算支承加劲肋在腹板平面外的稳定性。有效面积如图5所示。支座加劲肋受的力N = 278. SkNf4=1.6X20+18Xl=50,M

展开阅读全文
相关资源
猜你喜欢
相关搜索

当前位置:首页 > 建筑/环境 > 设计及方案

copyright@ 2008-2023 1wenmi网站版权所有

经营许可证编号:宁ICP备2022001189号-1

本站为文档C2C交易模式,即用户上传的文档直接被用户下载,本站只是中间服务平台,本站所有文档下载所得的收益归上传人(含作者)所有。第壹文秘仅提供信息存储空间,仅对用户上传内容的表现方式做保护处理,对上载内容本身不做任何修改或编辑。若文档所含内容侵犯了您的版权或隐私,请立即通知第壹文秘网,我们立即给予删除!