保温浆料系统墙体节能工程检验批分项工程质量验收表.docx

上传人:p** 文档编号:80972 上传时间:2022-12-20 格式:DOCX 页数:2 大小:18.10KB
下载 相关 举报
保温浆料系统墙体节能工程检验批分项工程质量验收表.docx_第1页
第1页 / 共2页
保温浆料系统墙体节能工程检验批分项工程质量验收表.docx_第2页
第2页 / 共2页
亲,该文档总共2页,全部预览完了,如果喜欢就下载吧!
资源描述

《保温浆料系统墙体节能工程检验批分项工程质量验收表.docx》由会员分享,可在线阅读,更多相关《保温浆料系统墙体节能工程检验批分项工程质量验收表.docx(2页珍藏版)》请在第壹文秘上搜索。

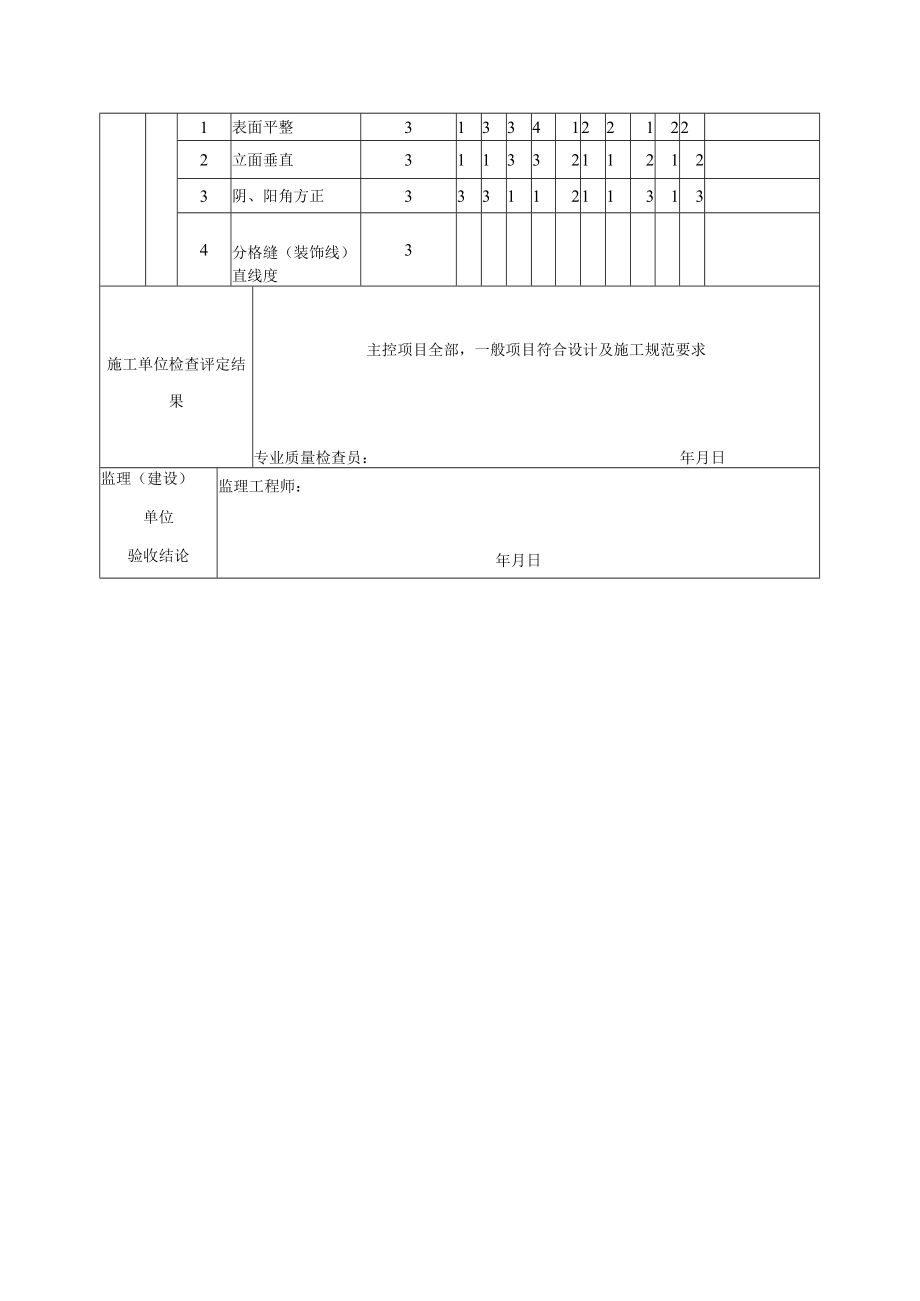
保温浆料系统墙体节能工程检验批分项工程质量验收表编号:工程名称分项工程名称建筑节能检验批/分项系统、部位一层外墙施工单位专业工长项目经理施工执行标准名称及编号夏热冬冷地区居住建筑节能设计标准分包单位/分包项目经理/施工班组长/国家验收规范、省验收规程规定施工单位检查评定记录监理(建设)单位验收记录一般项目1保温材料与构件的外观和包装规范4.3.1符合设计和规范要求2夏热冬冷地区外墙热桥部位隔断热桥措施/3穿墙套管、脚手眼、孔洞等隔断热桥措施/4保温浆料连续施工、厚度均匀及接茬平顺密实规范4.3.6规程4.3.8规程4.4.8符合设计和规范要求5阳角、门窗洞口及不同材料基体的交接处等特殊部位规范4.3.7符合设计和规范要求6加强网铺压,搭接长度规程4.3.9符合设计和规范要求7外保温面层允许偏差规程4.3.11规程4.4.10符合设计和规范要求项次项目允许偏差(nun)实测值1表面平整313341221222立面垂直311332112123阴、阳角方正333112113134分格缝(装饰线)直线度3施工单位检查评定结果主控项目全部,一般项目符合设计及施工规范要求专业质量检查员:年月日监理(建设)单位验收结论监理工程师:年月日

展开阅读全文
相关资源
猜你喜欢
相关搜索

当前位置:首页 > 建筑/环境 > 保温建筑

copyright@ 2008-2023 1wenmi网站版权所有

经营许可证编号:宁ICP备2022001189号-1

本站为文档C2C交易模式,即用户上传的文档直接被用户下载,本站只是中间服务平台,本站所有文档下载所得的收益归上传人(含作者)所有。第壹文秘仅提供信息存储空间,仅对用户上传内容的表现方式做保护处理,对上载内容本身不做任何修改或编辑。若文档所含内容侵犯了您的版权或隐私,请立即通知第壹文秘网,我们立即给予删除!