隧道项目的主要施工方法.docx

上传人:p** 文档编号:809899 上传时间:2024-03-08 格式:DOCX 页数:14 大小:57.61KB
下载 相关 举报
隧道项目的主要施工方法.docx_第1页
第1页 / 共14页
隧道项目的主要施工方法.docx_第2页
第2页 / 共14页
隧道项目的主要施工方法.docx_第3页
第3页 / 共14页
隧道项目的主要施工方法.docx_第4页
第4页 / 共14页
隧道项目的主要施工方法.docx_第5页
第5页 / 共14页
隧道项目的主要施工方法.docx_第6页
第6页 / 共14页
隧道项目的主要施工方法.docx_第7页
第7页 / 共14页
隧道项目的主要施工方法.docx_第8页
第8页 / 共14页
隧道项目的主要施工方法.docx_第9页
第9页 / 共14页
隧道项目的主要施工方法.docx_第10页
第10页 / 共14页
亲,该文档总共14页,到这儿已超出免费预览范围,如果喜欢就下载吧!
资源描述

《隧道项目的主要施工方法.docx》由会员分享,可在线阅读,更多相关《隧道项目的主要施工方法.docx(14页珍藏版)》请在第壹文秘上搜索。

1、隧洞重要项目施工措施一、朝庄支洞施工设计主体隧洞在20258位置开凿支洞,以加紧主体隧洞的施工进度和施工时的通风工作,支洞设计断面4X3m(宽X高),由地表按倾角20度、开口掘进斜井,然后与主体隧洞相接后,分别掘进至相邻标段分界点。1、洞口位置确定后,根据设计规定挖掘斜井洞口土石方,土方用挖掘机开挖翻运,石方采用凿岩爆破法挖掘后用铲运机铲运,抵达斜井落坡点后按倾角20度向下,用YT-24型风钻凿岩,炮孔按设计断面布置,为减少超挖量,周围眼以光面爆破眼距参数布置,装药采用柱状装药、炸药为2#岩石硝胺炸药,用非电导爆管,火雷管引爆。斜井出渣,暂考虑人工出渣,工作面采用潜水泵排水至临时水池,然后用多

2、级水泵排出到斜井地表,地面安装调度卷扬机一台,提高0.75立方米V型翻斗车,将矿车提出斜井,用人工推车至排废场卸硝。直到掘至引水隧洞。二、应用光面爆破技术施工引水隧洞光面爆破技术就是运用岩石抗拉强度远比抗压强度小的物理力学性质,采用合理的炮孔布置及药量分派,来实现沿炮孔连线方向上把岩石爆裂,形成巷道的轮廓线,为此本隧洞工程掘进中采用如下措施,来保证光面爆破顺利实行,以抵达标文中对光面爆破B规定。1、合理布置隧洞日勺周围炮孔周围眼时间距,根据掘进岩石性质不同样控制在500-600mmo周围眼应精确0钻凿在设计0轮廓线上,互相保持平行,深度一致,眼底落在轮廓线外Ioonlm处,既控制超挖,又能以便

3、下一循环凿岩。对的确定光面层厚度,则周围眼的抵御线,根据隧洞通过的岩石等级,分别取600-800mmo同步起爆周围眼,用同一段雷管起爆以保证爆破瞬间产生重叠应力场,使爆破相遇和叠加,产生药包连线上拉应力,形成炮孔连线方向上0破裂。2、选用低猛度的炸药与合理的炮孔装药构造本工程采用2#岩石炸药,掏槽眼,辅助眼药卷采用中32i长200mm、每节重150g,周围眼采用中25mm、长20Omm0小药卷,每节重100g。控制周围眼装药量,每米炮孔装药量在公斤,比一般爆破法少。周围眼采用反向间隔装药构造,尽量使炸药均匀0分布在炮孔中。3、凿岩凿岩设备采用YT-24型或ZY-24型风动凿岩机,22mm六角钢

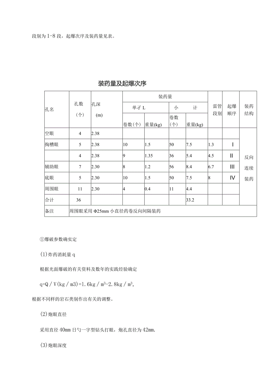
4、成钢成品钎,钎杆长1.5m、2.0m、2.5m三种,钻头为一字形硬质合金钻头,钻头直径为40mm,成孔后直径约42mm.工作面需3台凿岩机同步作业,分区包干,采用定人、定机、定位、定眼数、定期间0岗位责任制,凿岩时间约3小时。4、爆破爆破工作是光面爆破中的一项重要工序,尤其是周围眼之间B起爆时差,直接关系到巷道壁的平整程度,为了满足爆破的规定,我们采用半秒差雷管起爆,段别为1-8段,起爆次序及装药量见表。装药量及起爆次序孔名孔数(个)孔深(m)装药量雷管段别起爆顺序装药结构单孑L小计卷数(个)重量(kg)卷数(个)重量(kg)空眼42.38反向连续装药掏槽眼52.38101.5507.51.3

5、I42.3891.35365.44.5II辅助眼72.3081.2568.46.7III底眼52.30101.5507.58IV周围眼112.3040.4114.4合计3633.2备注周围眼采用25mm小直径药卷反向间隔装药爆破参数确实定(1)炸药消耗量q根据光面爆破的有关资料及数年的实践经验确定q=QV(kgm3)=l.6kgm3-2.8kgm3,根据不同样的岩石类别作出有关的调整。(2)炮眼直径采用直径40mm日勺一字型钻头打眼,炮孔直径为42mm.(3)炮眼深度采用2.5m长六角钢成品钎进行打眼,每次循环空眼深度为2.2m,装药眼深度为2.Om0(4)炮眼数目根据现场岩石硬度系数f值不等

6、,以f=7-9为例来进行阐明,经有关光面爆破资料和经验,我们确定一次循环钻眼36只,详见图,当f为其他值时,视现场状况合适调整眼数。5、装药构造与炮孔堵塞掏槽眼与辅助眼的装药构造采用反向持续装药,周围眼采用不偶合装药,使用直径为25mm的药卷反向间隔装药炮眼的填塞用1:3的泥沙混合炮泥,湿度为18-20%,因其具有良好的可塑性,又具有较大的摩擦系数。6、起爆措施装药结束后,将相邻炮孔的导爆管捆扎成2-3束,然后用火雷管连接,导爆管与火雷管用塑料带扎紧扎实,火雷管聚能穴用小纸团堵塞,防止火雷管的聚能穴冲断导爆管,影响正常传爆,最终点燃导火线一次起爆。以上爆破参数需要在实践中试验、调整,通过多次探

7、索、总结,根据不同样的岩石,选择合理参数,使光面爆破的巷道周围轮廓能符合设计,超(欠)挖量很小,岩面平整,对围岩破坏轻微,周围炮孔中0半面炮孔眼痕迹可清晰地保留在岩面上。预期爆破效果名称单位数量名称单位数量炮眼运用率%95炸药消耗量kgm32.7每循环工作面进尺M2.2每米巷道耗药量kg/m15.09每天一种作业面进尺M6.6每天一种作业面耗药量kg99.6每循环爆破实体岩石3m12.32每循环炮眼总长度m83巷道的掘进断面2m5.6每循环爆堆量3m19.7循环作业图表班次工序名称时间-班二班三班Min123456789101112131415161718192021222324掘进班交接班准

8、备30装岩180钻眼180装药联线40放炮通风30撬浮石10铺临时轨道30检修装岩机30脚I设备工具10备用时间20临时支护准备工作180喷混凝土180清理120三、岩楂装运隧洞掘进中的装岩和转载运送工作,是掘进循环中最为繁重而又耗工费时的一道工序,一般状况下装岩工序占掘进循环总时间030-50%,因此必须采用合理0组织措施,配置合适B装截设备及转载调车设备,实现装岩转载机械化,减少调车辅助时间,以提高装岩机日勺实际生产能力,缩短装岩工序时间,是减轻劳动强度,提高掘进速度I向重要措施。1、装岩设备的配置主体隧洞分南北二作业面,每个工作面一种循环进尺2.2米,岩楂量为20立方米(松方)需装车26

9、辆,每个作业面各配一台Z-30型电动铲斗后卸式装载机,备用壹台。075立方米V型翻斗车24辆,可以满足装岩规定,经测算每循环装车时间3小时。2、转载调车措施在隧洞掘进中,每隔100米掘一种调车场,每个调车场能停放8辆矿车,调车场的长度控制在15m以内,在调车场到撑子面采用人工推车,调车场外采用电瓶车拉运。3、麓石拉运工作面爆破下来B石磴用Z-30型装岩机装入0.75立方米矿车,用2.5吨蓄电池电瓶车拉至支洞斜井底部车场。4、提高排殖斜井提高配置调度卷扬机一台,斜井斜长118M每次提高二辆重车,每小时提高10辆,每次循环爆破磴石提高时间为2.6小时,二个作业面提高为5.2小时/班。磴石拉至地面后

10、由人工推车至至排废场卸磴。四、隧洞掘进时日勺临时支护输水隧洞通过0岩层地质条件虽然很好,但由于受断层影响和不可预见地质状况出现,在施工准备阶段仍考虑巷道需要临时支护,以保证职工0人身安全和施工进度,本次隧洞掘进B临时支护采用本支护和钢支护,考虑地质有也许局部出现破碎地段,还准备采用素喷碎和锚杆金属网碎联合支护。1、素喷射碎支护重要用于11I类岩石地段的支护,采用425-525#一般硅酸盐水泥,中粗砂及瓜子片,为加紧初凝速度,合适0加入速凝剂。喷射次序先墙后顶的次序进行,如需加喷第二层时,时间间隔在30分钟左右,临时支护喷碎厚度为50-70毫米,每米支护量为0.4m3m02、锚杆、金属网、喷射碎

11、联合支护在隧洞通过断层IV类岩石时,岩石节剪发育、破碎、松软,采用锚杆,金属网喷射碎联合支护,这种支护形式,使巷道顶、邦的压力由锚杆承受,而锚杆间0不稳定岩层由金属网和喷射碎承受,形成一种整体,增长围岩的整体性和稳固性。锚杆孔深2-2.5m,锚杆采用20mm螺纹钢配扣板,平面布置采用梅花形,锚杆孔排距为1米。金属网由4-6画钢丝编制而成,每张网的规格为10001500mm2,便于运送。喷射碎应复盖所有金属网,不能露筋,厚度根据设计规定。3、型钢金属支架支护对特殊地段松软、破碎岩层、碉口部分平巷及涌水量大B地段,采用喷锚网碎支护有困难,采用金属支架支护,金属支架由14号槽钢加工制成,用金属构件在

12、现场装配,每架金属支架之间用16圆钢作连接拉杆,形成整体,防止继续冒落。特殊状况下,在永久支护时不拆除金属临时支加。碎衬砌时浇灌在里面。金属支架间距,视岩层稳固状况而定,一般在之间,每架14号槽钢金属支架加钢网及配件重约150公斤。4、木支护:对破碎地段的临时支护二边立柱,上部横木,横木上纵向木填塞到洞顶,具有支护快,造价低的好处。五、不良地质条件及复杂地段下隧洞的施工根据甲方提供0输水隧洞工程地质平面图,第7标段主体工程隧洞穿越岩层为凝灰岩,虽然围岩很好,但局部有也许由于受断层、压扭性、张扭性,形成破碎带和内劈剪发育或含水流砂层,地貌上形成冲沟,工作面涌水量增高,在断层带中掘进隧洞,极易引起顶板冒落,对巷道施工进度和工程质量的保证影响极大,确定合理、可行卧J施工方案,对顺利通过复杂水文地质条件、J地段,加紧施工速度,保证工程质量有很大0实际意义。1、在不稳定软岩或流砂层块段掘进:(1)当工作面岩石不容许按设计断面施工时,可考虑用半园木,头部削尖,通过后架设的临时支架顶向上10T5度强制插入,采用先护顶,后护邦。也可采用轻型铁轨替代园木公同样方式护顶、护邦开凿的隧洞断面必须能抵达设计碎浇灌厚度0掘进断面。(2)采用型钢金属支架由于岩层松软。架设的支架在碎浇灌时很难拆除,为保证工程质量,简化施工

展开阅读全文
相关资源
猜你喜欢
相关搜索

当前位置:首页 > 建筑/环境 > 施工组织

copyright@ 2008-2023 1wenmi网站版权所有

经营许可证编号:宁ICP备2022001189号-1

本站为文档C2C交易模式,即用户上传的文档直接被用户下载,本站只是中间服务平台,本站所有文档下载所得的收益归上传人(含作者)所有。第壹文秘仅提供信息存储空间,仅对用户上传内容的表现方式做保护处理,对上载内容本身不做任何修改或编辑。若文档所含内容侵犯了您的版权或隐私,请立即通知第壹文秘网,我们立即给予删除!