风电场线路维护策略.docx

上传人:p** 文档编号:810978 上传时间:2024-03-08 格式:DOCX 页数:17 大小:41.90KB
下载 相关 举报
风电场线路维护策略.docx_第1页
第1页 / 共17页
风电场线路维护策略.docx_第2页
第2页 / 共17页
风电场线路维护策略.docx_第3页
第3页 / 共17页
风电场线路维护策略.docx_第4页
第4页 / 共17页
风电场线路维护策略.docx_第5页
第5页 / 共17页
风电场线路维护策略.docx_第6页
第6页 / 共17页
风电场线路维护策略.docx_第7页
第7页 / 共17页
风电场线路维护策略.docx_第8页
第8页 / 共17页
风电场线路维护策略.docx_第9页
第9页 / 共17页
风电场线路维护策略.docx_第10页
第10页 / 共17页
亲,该文档总共17页,到这儿已超出免费预览范围,如果喜欢就下载吧!
资源描述

《风电场线路维护策略.docx》由会员分享,可在线阅读,更多相关《风电场线路维护策略.docx(17页珍藏版)》请在第壹文秘上搜索。

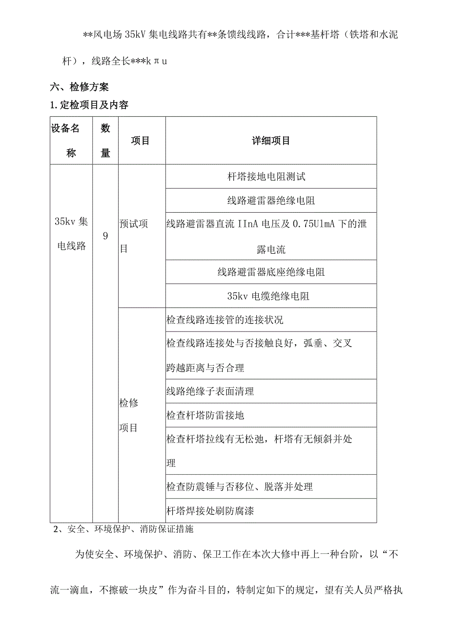
1、*风电场35kV线路检修方案同意审核编制一、概述1 .项目名称:35kV馈线线路检修预试2 .计划检修时间为*年*月*曰至*年*月*曰,总工期*天。二、根据1 .部颁现场绝缘试验实行导则2 .部颁电力设备预性防试验规程DL/T596-19963 .国标GB50061-9766kV及如下架空电力线路设计技术规程4 .国标高电压试验技术GBT16927.16927.25 .国标电力安全作业规程(电力线路部分)GB26859-2023三、定检施工组织机构施工总指挥:*施工副总指挥:*施工安全监督:*检修工作负责人:*检修工作组组员:*四、参照资料5.1 电气设备竣工投运前交接试验记录4. 2电力勘测

2、设计院图纸及设计变更告知单4.3电气设备产品技术参数、使用阐明书及出厂试验汇报4. 4设备运行记录、技术档案4.5电力勘测设计院图纸及设计变更告知单4. 6近来一次有关电气设备定检记录五、线路概况*风电场35kV集电线路共有*条馈线线路,合计*基杆塔(铁塔和水泥杆),线路全长*ku六、检修方案1.定检项目及内容设备名称数量项目详细项目35kv集电线路9预试项目杆塔接地电阻测试线路避雷器绝缘电阻线路避雷器直流IInA电压及0.75UlmA下的泄露电流线路避雷器底座绝缘电阻35kv电缆绝缘电阻检修项目检查线路连接管的连接状况检查线路连接处与否接触良好,弧垂、交叉跨越距离与否合理线路绝缘子表面清理检

3、查杆塔防雷接地检查杆塔拉线有无松弛,杆塔有无倾斜并处理检查防震锤与否移位、脱落并处理杆塔焊接处刷防腐漆2、安全、环境保护、消防保证措施为使安全、环境保护、消防、保卫工作在本次大修中再上一种台阶,以“不流一滴血,不擦破一块皮”作为奋斗目的,特制定如下的规定,望有关人员严格执行。1 .1贯彻安全施工生产责任制牢固树立“安全第一、防止为主”的思想,坚持管施工必须管安全日勺原则,保证一方平安。检修施工总指挥为安全施工第一负责人,负责安全施工的全面领导,检修施工副总指挥为安全施工的详细负责人,负责现场施工的全面指挥和协调;检修单位设置施工安全监督小组,负责施工现场安全检查、监督、控制并填写安全记录。作业

4、层设兼职安全员,负责平常安全工作详细贯彻和安全隐患整改,检修工人在各自的岗位上牢树“我要安全”意识,执行安全操作规程,不违章作业。动工前工段施工安全监督小组要做好安全技术交底,在施工过程中做好安全技术交底。现场安全工作要做到一级抓一级,一级保一级,横向到边,纵向究竟。2 .2安全、环境保证措施安全保证措施(1)特种作业人员必须持证上岗,无证不准上岗。(2)检修中心对作业人员要结合工程特点逐层进行安全教育。(3)试验设备的操作人员必须纯熟掌握其操作规程,严禁违章作业。(4)坚持安全交底和安全例会制度,工程动工此前必须进行安全交底。(5)施工现场要保持整洁洁净,道路畅通平坦,施工危险区域设置明显安

5、全警戒标志。运送车辆按规定路线行驶。进入施工现场人员必须戴好安全帽,系好帽扣,工作时对的使用安全防护用品,L5m以上高空作业要戴安全带。(6)检查和修理机械或电器设备时,必须拉启动动装置或电源开关,并挂牌以示提醒。(7)凡接触有腐蚀性或有毒物质作业人员必须穿戴好劳保用品,并做好自我保护。采用安全可靠的防备措施或定期换人作业。做好现场通风工作。(8)进入现场施工人员牢记三不伤害原则,即:我不伤害他人,我不被他人伤害,我不伤害自己。(9)临时用电的安装、拆除、维修必须由电工严格按技术操作规程完毕。(10)施工现场所有电气盘箱及机具设备等均需可靠接地或接零保护。(11)所有配电箱内布线整洁,实行“一

6、机一闸一保险”制,严禁一闸多机,开关箱须装设漏电保护器,配电箱内多路配电要标识清晰。(12)各级配电装置的容量应与实际相匹配,其构造形式,盘面布置和系统接线要规范化。(13)现场施工临时用电的电源线应架空敷设,并且远离附近热力管道,电缆接头应牢固可靠,并做绝缘包扎。(14)现场施工临时照明宜采用高光效、长寿命的照明光源,地下电缆隧道应保证足够日勺照明光度,照明设专用回路并设漏电保护。(15)高处作业必须挂安全带,拉安全网。(16)所有从事高处作业人员必须进行安全技术教育及交底,贯彻所有安全技术措施和人身防护用品。(17)攀登作业日勺用品,构造构造上必须牢固可靠,使用梯子作业时,梯脚底部应坚实,

7、不得垫高使用。上端应有固定措施,立梯工作角度以65度为宜。(18)悬空作业应有牢固的立足处,并视详细状况,配置防护栏网,栏杆或其他安全设施。(19)悬空作业所有的索具、脚手板、吊篮、吊笼等设备,均需通过技术鉴定后方可使用,使用吊篮作业时应加两道保险绳。(20)各工种进行上下立体交叉作业时,不得在同一垂直方向上操作,下层作业的位置,必须处在其上层高度确定的也许坠落范围半径以外,不符合时应设置安全防护层,脚手架拆除时,下方不得有人。施工现场环境保护措施作业人员要做到工完料净场地清,对生产中产生的多种固体废弃物,必须要按甲方各类废弃物投放管理规定分类投放,严禁随手乱扔,导致环境污染。3 .检修流程1

8、)杆塔接地电阻测试1.1 杆塔工频接地电阻测量措施分为两种三极法、钳表法。杆塔工频接地电阻的测量宜采用三极法。对新建杆塔接地装置的验收应采用三极法测量。1.2 三极法测量接地电阻一般性规定a采用三极法测量前,应将杆塔塔身与接地极之间的电气连接所有断开。b测量前应查对被测杆塔的接地极布置型式和最大射线长度,记录杆塔编号、接地极编号、接地极型式、土壤状况和当地气温。c布置电流极和电压极时,宜防止将电流极和电压极布置在接地装置的射线方面上。d电压极和电流极的辅助接地电阻不应超过测量仪表规定的范围。在测量时,测量电极插入土壤深度不低于0.6米并与土壤接触良好。e测量时应注意保持接地电阻测试仪各接线端子

9、、电极和接地装置等电气连接的接触良好。f测量接线时,应尽量缩短接地电阻测试仪的接地端子与接地装置之间的引线长度。g当杆塔是单点接地时,只测试一种电阻值,当杆塔是两点或四点接地时,必须每个接地点都应进行测量,且每个电阻值都应进行记录。h所测得的接地电阻值应根据土壤干燥及潮湿状况乘以季节系数后才是最终的接地电阻值。1.3 三极法测量接地电阻接线图OGPC2)避雷器绝缘电阻该试验是多种氧化锌避雷器的必做项Ho重要用于判断避雷器阀片与否受潮。内部零件装配与否合格。试验前应将避雷器瓷套管擦净,用2500V摇表测出的!绝缘电阻应不小于100OMQ。3) 线路避雷器直流ImA电压及0.75UlnIA下的泄露

10、电流该电压又称标称直流电压、参照电压、最小参照电压、临界动作电压、起始动作电压等等。该电压反应氧化锌避雷器由小电流工作区到大电流工作区的分界点,是无间隙氧化锌避雷器的必做项目。由于避雷器型号规格不一样、通流量不等、厂家不一样等原因,该电压差值较大。凡厂家没提供数据的,安装时实测UlmA。UlmA值与下式计算值相比较,若在系数范围之内,可认为合格,后来试验数值与这次实测值相比较,差值不应超过5%。75%UImA时值稍不小于运行相电压的峰值,该试验重要检查长期容许工作电流与否符合规定,泄漏电流愈大,说叫阀片愈老化,愈严重,避雷器寿命愈短。在75%UlmA电压数值下保持一分钟,泄漏电流应不不小于50

11、A,泄漏电流不应有大的波动。4) 35kv电缆绝缘电阻(1)选用与电缆额定电压相适应的绝缘电阻表。对额定电压500V如下的电缆,选用500V绝缘电阻表;对额定电压5001000V0,选用IoOoV绝缘电阻表;对额定电压IOoOV以上的)选用2500V表;对额定电压35kV及以上的选用5000V绝缘电阻表。(2)测量前应检查绝缘电阻表。(3)将电缆对地放电。(4)擦净电缆头,并对的接线。将绝缘电阻表的“相线”端“L”接电缆一相的线芯;“接地”端“E”端接电缆外皮地线和此外两相线芯。根据需要可清除电缆表面漏电的影响,将“屏蔽”端“G”端接在电缆的外绝缘上。注意使与“L”端相连接的单根导线与大地绝缘

12、,可将“L”导线吊在空中。(5)按规定转速120rmin摇测Inlin后,表针稳定后读数。(6)在不停止摇动的状况下,戴手套断开“L”连接线,再慢慢停止摇动,然后拆下“E”和“G”端。(7)将电缆相芯对地放电。4、定检项目4. 1检查线路连接管的连接状况检查线路各类连接有无放电痕迹,连接与否牢固,有无损坏。用扳手紧固螺丝。4.2检查线路连接处与否接触良好,弧垂、交叉跨越距离与否合理目测弧垂、交叉跨越线路与相邻线路的距离与否合理。4. 3线路绝缘子表面清理用抹布、清洗剂等清除线路绝缘子表面污秽。4.4 检查杆塔防雷接地检查杆塔防雷接地线与否完好,若有损坏,重新焊接接地线,重做的接地线应距地面深6

13、0Cnb扁铁接地应距地面深50Cnb并扎实地面。4.5 检查杆塔拉线有无松弛,杆塔有无倾斜并处理采用链条葫芦(双钩)在杆塔倾斜反方向进行调整。如杆塔偏斜过大,则应编制详细的施工方案,审批后执行。详细施工措施:1、作业人员携带绝缘绳,将钢丝绳在横担处绑好。2.、杆上作业人员下杆,地面工作人员将葫芦与钢丝绳和地锚连接,并收紧带力。3.、将电杆周围土挖至卡盘处。不许卡盘受力。4、收紧葫芦,工作负责人目测将杆塔逐渐调正。5、调整电杆拉线,回填土应扎实,每回填30Omm扎实一次。6、松开葫芦(双钩),上杆将钢丝绳解下。4.6 检查防震锤与否移位、脱落并处理若有防震锤位移、脱落应由工作经验的线路工,在做好

14、防护措施日勺条件下处理。4.7 杆塔焊接处刷防腐漆。5、施工技术质量保证措施本次检修设备复杂且工作量较大,为此制定如下技术质量保证措施望(1)对所有项目进行现场调查,每个项目都贯彻项目负责人并做好项目的准备工作。(2)凡重点项目必须对工作班人员进行技术交底,作好技术交底记录。(3)所有要更换的备品备件,有关施工班组提前与上级领导联络,对有关尺寸进行复查,及早发现问题,及时处理。(4)电气检修人员必须持证上岗。(5)被检查仪表的I校验数据应有自检,互检和专检的过程,试验表格应原则,通用。多种的集中信号记录要及时,精确,规范。(6)如有更换电缆时不要缠绕和损伤电缆,应在电缆二端分别留出合适的检修备

15、用长度,电力电缆一般二端各留1.5m。电缆牌上的电缆标志应写明电缆编号,字迹应明显,耐久,并应用防腐耐用的材料做成。盘柜内的配线要布置合理,美观清晰,电缆牌号拴挂要整洁,多芯线要压接电缆端头。七、检修准备、工器具配置及劳动力、工期安排7.1有关小组配好梅花扳手、套筒扳手、插口扳手、活动扳手。7.2定检人员准备好直流高压发生器、绝缘电阻测试仪、接地电阻测试仪、数字万用表、专用导线、发电机等。7.3定检人员定检前查阅档案及运行记录理解设备运行状况,查阅交接试验记录或近来一次检修记录理解设备绝缘状况;7.4各施工小组应按既定工期保证保质保量、按期竣工。八、工作条件8.1接运行人员令,35KV*集电线路已停电并且由电厂运行人员验电确认*35KV集电线路确已停电。8.2由电厂运行人员在35KV*集电线路侧验电后挂好容量足够的接地线或合上接地刀闸。在工作处挂一组临时接地线。8.3风电场35Kv*集电线路线路所带风机退出运行并经运行人员验电确认。8.435KV站内*集电

展开阅读全文
相关资源
猜你喜欢
相关搜索

当前位置:首页 > 行业资料 > 能源与动力工程

copyright@ 2008-2023 1wenmi网站版权所有

经营许可证编号:宁ICP备2022001189号-1

本站为文档C2C交易模式,即用户上传的文档直接被用户下载,本站只是中间服务平台,本站所有文档下载所得的收益归上传人(含作者)所有。第壹文秘仅提供信息存储空间,仅对用户上传内容的表现方式做保护处理,对上载内容本身不做任何修改或编辑。若文档所含内容侵犯了您的版权或隐私,请立即通知第壹文秘网,我们立即给予删除!