加油站安全隐患排查清单.docx

上传人:p** 文档编号:82179 上传时间:2022-12-20 格式:DOCX 页数:12 大小:37.55KB
下载 相关 举报
加油站安全隐患排查清单.docx_第1页
第1页 / 共12页
加油站安全隐患排查清单.docx_第2页
第2页 / 共12页
加油站安全隐患排查清单.docx_第3页
第3页 / 共12页
加油站安全隐患排查清单.docx_第4页
第4页 / 共12页
加油站安全隐患排查清单.docx_第5页
第5页 / 共12页
加油站安全隐患排查清单.docx_第6页
第6页 / 共12页
加油站安全隐患排查清单.docx_第7页
第7页 / 共12页
加油站安全隐患排查清单.docx_第8页
第8页 / 共12页
加油站安全隐患排查清单.docx_第9页
第9页 / 共12页
加油站安全隐患排查清单.docx_第10页
第10页 / 共12页
亲,该文档总共12页,到这儿已超出免费预览范围,如果喜欢就下载吧!
资源描述

《加油站安全隐患排查清单.docx》由会员分享,可在线阅读,更多相关《加油站安全隐患排查清单.docx(12页珍藏版)》请在第壹文秘上搜索。

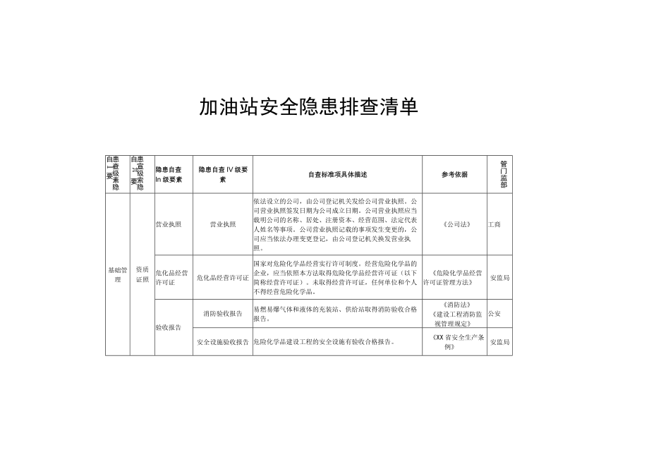
1、加油站安全隐患排查清单患查级素隐自I要患宣级索隐自要隐患自查In级要素隐患自查IV级要素自查标准项具体描述参考依据管门监部基础管理资质证照营业执照营业执照依法设立的公司,由公司登记机关发给公司营业执照。公司营业执照签发日期为公司成立日期。公司营业执照应当载明公司的名称、居处、注册资本、经营范围、法定代表人姓名等事项。公司营业执照记载的事项发生变更的,公司应当依法办理变更登记,由公司登记机关换发营业执照。公司法工商危化品经营许可证危化品经营许可证国家对危险化学品经营实行许可制度。经营危险化学品的企业,应当依照本方法取得危险化学品经营许可证(以下简称经营许可证)。未取得经营许可证,任何单位和个人不

2、得经营危险化学品。危险化学品经营许可证管理方法安监局验收报告消防验收报告易燃易爆气体和液体的充装站、供给站取得消防验收合格报告。消防法建设工程消防监视管理规定公安安全设施验收报告危险化学品建设工程的安全设施有验收合格报告。XX省安全生产条例安监局主要负责人主要负责人生产经营单位主要负责人应取得安监部门核发的安全生产知识和管理能力考核合格证,且合格证在有效期内。安全生产法生产经营单位安全培训规定全产理构人安生管机及员安全生产管理机构及人员设置安全生产管理机构及人员设置从业人员三十人以上的必需设置专门从事安全生产管理的机构,旦安全生产管理的机构配备的专职安全生产管理人员不得少于三人,从业人员不足三

3、十人的应当配备两名以上的专职安全生产管理人员。XX省安全生产条例安全生产管理人员安全生产管理人员安全生产管理人员应取得安监部门核发的安全生产知识和管理能力考核合格证,且合格证在有效期内。安全生产法生产经营单位安全培训规定安监局安全生产责任制责任落实状况责任落实状况生产经营单位的安全生产责任制应当明确各岗位的责任人员、责任范围和考核标准等内容。其中生产经营单位的主要负责人(法人单位为法定代表人)是本单位安全生产第一责任人,对本单位的安全生产工作负全面责任。安全生产法XX省安全生产条例安全生产管理制度和操作规程规章制度规章制度企业应制订的安全生产规章制度,至少包括:1)安全生产职责;2)识别和获取

4、适用的安全生产法律法规、标准及其他要求:3)安全生产会议管理;4)安全生产费用;5)安全生产奖惩管理;6)管理制度评审和修订;7)安全培训教育;8)特种作业人员管理;9)管理部门、基层班组安全活动管理;10)风险评价;11)隐患治理:12)重大危险源管理;13)变更管理;14)事故管理:15)防火、防爆管理,包括禁烟管理;16)消防管理:17)仓库、罐区安全管理:18)关键危险化学品从业单位安全标准化通用规范装置、重点部位安全管理;19)生产设施管理,包括安全设施、特种设备等管理;20)监视和测量设备管理:21)安全作业管理,包括动火作业、进入受限空间作业、临时用电作业、高处作业、断路作业、设

5、备检维修作业、高温作业、抽堵盲板作业管理等:22)危险化学品安全管理:23)检维修管理;24)设施拆除和报废管理:25)承包商管理;26)供给商管理;27)职业卫生管理,包括防尘、防毒管理;28)劳动防护用品(具)和保健品管理:29)作业场所职业危害因素检测管理;30)应急救援管理:31)安全检查管理:32)自评等。操作规程操作规程企业应根据生产工艺、技术、设备设施特点和原材料、辅助材料、产品的危险性,编制操作规程,并发放到相关岗位。危险化学品从业单位安全标准化通用规范安全生产教育培训管理人员培训管理人员培训生产经营单位主要负责人和安全生产管理人员初次安全培训时间不得少于48学时。每年再培训时

6、间不得少于16学时。生产经营单位安全培训规定特种作业人员和特种设备作业人员特种作业人员和特种设备作业人员资格证特种作业人员必需依照国家有关规定进行专门的安全作业培训,取得特种作业操作资格证书,且在有效期内。XX省安全生产条例新上岗职工培训新上岗职工培训企业应对新上岗的所有职工(包括临时工、合同工、劳务工、轮换工、协议工等)都必需进行强制培训,培训时间不得少于72学时。未经安全生产教育和培训合格的从业人员,不得上岗作业。生产经营单位安全培训规定安全生产法日常教育日常教育企业职工每年接受再培训的时间不得少于20学时。生产经营单位安全培训规定转岗、复工教育转岗、复工教育从业人员在本生产经营单位内调整

7、工作岗位或离岗一年以上重新上岗时,应当重新接受安全培训。生产经营单位安全培训规定“四新”教育“四新”教育生产经营单位实施新工艺、新技术或者使用新设备、新材料时,应当对有关从业人员重新进行有针对性的安全培训。生产经营单位安全培训规定培训内容培训内容生产经营单位主要负责人、安全生产管理人员及其从业人员的安全生产的教育和培训主要包括以下内容:1)安全生产法律、法规和规章;2)本单位安全生产规章制度和操作规程;3)岗位安全操作技能:4)安全设备、设施、工具、劳动防护用品的使用、维护和保管知识;5)作业场所和工作岗位存在的危险因素、防范措施及事故应急措施:6)生产安全事故的防范和应急措施、自救互救知识;

8、7)生产安全事故案例;8)其他需要把握的安全生产知识。XX省安全生产条例全产理案安生管档安全生产检查和隐患排查记录档案安全生产检查和隐患排查记录档案生产经营单位应当建立健全生产安全事故隐患排查治理制度,采取技术、管理措施,及时发现并消除事故隐患。事故隐患排查治理状况应当如实记录,并向从业人员通报。安全生产法安全培训档案安全培训I档案生产经营单位应当建立安全生产教育和培训档案,如实记录安全生产教育和培训的时间、内容、加入人员以及考核结果等状况。安全生产法事故管理档案台帐事故管理档案台帐企业应建立事故档案和事故管理台帐。危险化学品从业单位安全标准化通用规范安全设备设施管理档案台帐安全设备设施管理档

9、案台帐生产经营单位必需对安全设备进行经常性维修、保养、定期检测,维修、保养、检测应做好记录,并由有关人员签字。安全生产法合格承包商档案合格承包商档案企业应严格执行承包商管理制度,对承包商资格预审、选择、开工前准备、作业过程监视、表现评价、续用等过程进行管理,建立合格承包商名录和档案。企业应与选用的承包商签订安全协议书。危险化学品从业单位安全标准化通用规范合格供给商档案合格供给商档案企业应严格执行供给商管理制度,对供给商资格预审、选用和续用等过程进行管理,并定期识别与购买有关的风险。危险化学品从业单位安全标准化通用规范安全生产投入安全费用提取安全费用提取企业以上年度实际营业收入为计提依据,采取超

10、额累退方式依照以下标准平均逐月提取:1)营业收入不超过IOOO万元的,依照佛提取;2)营业收入超过1000万元至1亿元的部分,依照2%提取:3)营业收入超过1亿元至10亿元的部分,依照0.5%提取;4)营业收入超过10亿元的部分,依照0.2%提取。企业安全生产费用提取和使用管理方法安全费用使用安全费用使用企业应依照规定的安全生产费用使用范围,合理使用安全生产费用,建立安全生产费用台帐。企业安全费用应当依照以下范围使用:1)完善、改造和维护安全防护设施设备支出(不含“三同时”要求初期投入的安全设施),包括车间、库房、罐区等作业场所的监控、监测、通风、防晒、调温、防火、灭火、防爆、泄压、防毒、消毒

11、、中和、防潮、防雷、防睁电、防腐、防渗漏、防护围堤或者隔离操作等设施设备支出:2)配备、维护、保养应急救援器材、设备支出和应急演练支出;3)开展重大危险源和事故隐患评估、监控和整改支出;4)安全生产检查、评价(不包括新建、改建、扩建工程安全评价)、咨询和标准化建设支出:5)配备和更新现场作业人员安全防护用品支出;6)安全生产宣传、教育、培训支出:7)安全生产适用的新技术、新标准、新工艺、新装备的推广应用支出;8)安全设施及特种设备检测检验支出;9)其他与安全生产直接相关的支出。企业安全生产费用提取和使用管理方法保险工伤保险购买状况工伤保险购买状况生产经营单位必需依法加入工伤保险,为从业人员缴纳

12、保险费。安全生产法应急管理应急救援预案应急救援预案的制定生产经营单位风险种类多、可能发生多种事故类型的,应当组织编制本单位的综合应急预案。综合应急预案应当包括本单位的应急组织机构及其职责、预案体系及响应程序、事故预防及应急保障、应急培训及预案演练等主要内容。生产安全事故应急预案管理方法安监局对于某一种类的风险,生产经营单位应当根据存在的重大危险源和可能发生的事故类型,制定相应的专项应急预案。专项应急预案应当包括危险性分析、可能发生的事故特征、应急组织机构与职责、预防措施、应急处置程序和应急保障等内容。生产安全事故应急预案管理方法对于危险性较大的重点岗位,生产经营单位应当制定重点工作岗位的现场处

13、置方案。现场处置方案应当包括危险性分析、可能发生的事故特征、应急处置程序、应急处置要点和本卷须知等内容。生产安全事故应急预案管理方法预案的评审、修iT应当组织专家对本单位编制的应急预案进行评审。评审应当形成书面纪要并附有专家名单。生产经营单位制定的应急预案应当至少每三年修订一次,预案修订状况应有记录并归档。生产安全事故应急预案管理方法预案备案应急预案应送安全生产监视管理部门和有关主管部门备案。生产安全事故应急预案管理方法应急预案演练应急预案演练每年至少组织一次综合应急预案演练或者专项应急预案演练,每半年至少组织一次现场处置方案演练。生产安全事故应急预案管理方法应急预案演练评估报告应急预案演练终

14、止后,应急预案演练组织单位应当对应急预案演练效果进行评估,撰写应急预案演练评估报告,分析存在的问题,并对应急预案提出修订看法。生产安全事故应急预案管理方法应急救援器材、设备和物资应急救援器材、设备和物资危险化学品经营单位应当配备必要的应急救援器材、设备和物资,并进行经常性维护、保养,保证正常运转。中华人民共和国安全生产法其他基础管理安全生产标准化安全生产标准化企业应每年至少一次对本单位安全生产标准化的实施状况进行评定。企业安全生产标准化基本规范第现场管理场所环境防雷防电过电压(电涌)保护器1加油加气站信息系统的配电线路首、末端与电子器件连接时,应装设与电子器件耐压水平相适应的过电压(电涌)保护器。2.380/220V供配电系统宜采用TN-S系统,供电系统的电缆金属外皮或电缆金属保护管两端均应接地,在供配电系统的电源端应安装与设备耐压水平相适应的过电压(电涌)保护器。汽车加油加气站设计与施工规范建筑物防雷设计规范GB/T爆炸和火灾危险场所防雷装置检测技术规范住建接地以下必需接地:1.油罐组必需进行防雷接地,接地点不应少于两处。2.加油站的信息系统应采用铠装电缆或导线穿钢管配线。配线电缆金属外皮两端、保护钢管两端均应接地。3.加油站的汽油罐车和液化石油气罐车卸车场

展开阅读全文
相关资源
猜你喜欢
相关搜索

当前位置:首页 > 建筑/环境 > 工程造价

copyright@ 2008-2023 1wenmi网站版权所有

经营许可证编号:宁ICP备2022001189号-1

本站为文档C2C交易模式,即用户上传的文档直接被用户下载,本站只是中间服务平台,本站所有文档下载所得的收益归上传人(含作者)所有。第壹文秘仅提供信息存储空间,仅对用户上传内容的表现方式做保护处理,对上载内容本身不做任何修改或编辑。若文档所含内容侵犯了您的版权或隐私,请立即通知第壹文秘网,我们立即给予删除!