公共建筑机电工程全过程调适仪表要求、问题日志模板、风、水系统平衡调适程序、机电系统验收模板.docx

上传人:p** 文档编号:826530 上传时间:2024-03-15 格式:DOCX 页数:13 大小:105.85KB
下载 相关 举报
公共建筑机电工程全过程调适仪表要求、问题日志模板、风、水系统平衡调适程序、机电系统验收模板.docx_第1页
第1页 / 共13页
公共建筑机电工程全过程调适仪表要求、问题日志模板、风、水系统平衡调适程序、机电系统验收模板.docx_第2页
第2页 / 共13页
公共建筑机电工程全过程调适仪表要求、问题日志模板、风、水系统平衡调适程序、机电系统验收模板.docx_第3页
第3页 / 共13页
公共建筑机电工程全过程调适仪表要求、问题日志模板、风、水系统平衡调适程序、机电系统验收模板.docx_第4页
第4页 / 共13页
公共建筑机电工程全过程调适仪表要求、问题日志模板、风、水系统平衡调适程序、机电系统验收模板.docx_第5页
第5页 / 共13页
公共建筑机电工程全过程调适仪表要求、问题日志模板、风、水系统平衡调适程序、机电系统验收模板.docx_第6页
第6页 / 共13页
公共建筑机电工程全过程调适仪表要求、问题日志模板、风、水系统平衡调适程序、机电系统验收模板.docx_第7页
第7页 / 共13页
公共建筑机电工程全过程调适仪表要求、问题日志模板、风、水系统平衡调适程序、机电系统验收模板.docx_第8页
第8页 / 共13页
公共建筑机电工程全过程调适仪表要求、问题日志模板、风、水系统平衡调适程序、机电系统验收模板.docx_第9页
第9页 / 共13页
公共建筑机电工程全过程调适仪表要求、问题日志模板、风、水系统平衡调适程序、机电系统验收模板.docx_第10页
第10页 / 共13页
亲,该文档总共13页,到这儿已超出免费预览范围,如果喜欢就下载吧!
资源描述

《公共建筑机电工程全过程调适仪表要求、问题日志模板、风、水系统平衡调适程序、机电系统验收模板.docx》由会员分享,可在线阅读,更多相关《公共建筑机电工程全过程调适仪表要求、问题日志模板、风、水系统平衡调适程序、机电系统验收模板.docx(13页珍藏版)》请在第壹文秘上搜索。

1、附录A.调适仪表要求分检测参数检测仪器仪表精度风系统参数送、回风温度()玻璃水银温度计、电阻温度计、热电偶温度计等各类温度计(仪)0.5oC风速(ms)风速仪/毕托管和微压计0.5m/s风量(m7h)毕托管和微压计/风速仪/风量罩5%(测量值)动压、静压(Pa)毕托管和微压计WIPa读数大气压力(Pa)大气压力计2hPa水系统参数水温度玻璃水银温度计、钳电阻温度计等各类温度计(仪)0.2oC(空调)水流量超声波流量计或其他型式流量计2%(测量值)水系统压力压力仪表5%(测量值)室内环境参数温度温度计(仪)0.5oC相对湿度对湿度仪5%(测量值)噪声声级计0.5dB(八)照度照度仪8%(测量值)

2、风速风速仪5%(测量值)二氧化碳二氧化碳红外线气体分析器电流(八)交流电流表、交流钳形电流表不低于2级电压(V)电压表不低1级电参数功率(kW)功率表或电流电压表不低于1.5级功率因数功率因数表不低于1.5级转速Crmm)各类接触式、非接触式转速表不低于1.5级电阻(Mo)兆欧表5%谐波电能质量分析仪(O-100O)A(600)VW4%读数接地电阻(Q)接地电阻测试仪(TloO)0.01附录B.问题日志模板问题编号:发生日期:问题简述:归属系统或设备:发生地点:预计解决时间:问题详细描述记录人:解决问题的责任人员/单位:解决日期:问题解决对OPR或设计造成的更改解决问题的方法或措施简述:问题解

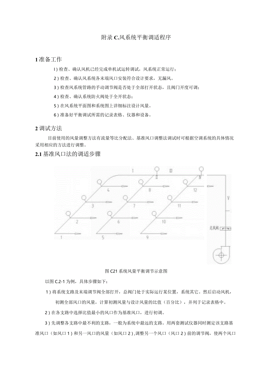
3、决情况验收/测试结果验收人:年月日甲方对问题解决结果及OPR或设计更改的意见甲方(签字/盖章):年月日备注附录C.风系统平衡调适程序1准备工作I)检查、确认风机已经完成单机试运转调试,风系统正常运行;2)检查、确认风系统各末端风口安装符合设计要求,无漏风。3)检查风系统管路的手动调节阀是否处于全部打开状态,且阀门开度可调;4)检查、确认系统防火阀处于全开状态;5)在风系统平面图和系统图上详细标注设计风量。6)准备好平衡调试所需的记录表格、仪器和设备。2调试方法目前使用的风量调整方法有流量等比分配法、基准风口调整法调试时可根据空调系统的具体情况采用相应的方法进行调整。2.1基准风口法的调适步骤图

4、C21系统风量平衡调节示意图以图C.2-1为例,具体步骤如下:1)将系统支路及末端调节阀全部打开,总阀门处于实际运行某位置,系统其它。然后启动风机,初测全部风口的风量,计算初测风量与设计风量的比值(百分比),并列于记录表格中。2)在各支路中选择比值最小的风口作为基准风口,进行初调。3)先调整各支路中最不利的支路,一般为系统中最远的支路。用两套测试仪器同时测定该支路基准风口(如风口1)和另一风口的风量(如风口2),调整另一个风口(风口2)前的调节阀,使两个风口的风量比值近似相等;之后,基准风口的测试仪器不动,将另一套测试仪器移到另一风口(如风口3),再调节另一风口前的调节阀,使两个风口的风量比值

5、近似相等。如此进行下去,直至此支路各个风口的风量比值均与基准风口的风量比值近似相等为止。4)同理调整其它支路,各支路的风口风量调整完后,再由远及近,调整两个支路(如支路I和支路H)上的手动调节阀(如手动调节阀B),使两支路风量的比值近似相等,如此进行下去。5)各支路送风口的送风量和支路送风量调适完后,最后调节总送风道上的手动调节阀,使总送风量等于设计总送风量,则系统风量平衡调试工作基本完成。6)但总送风量和各风口的送风量能否达到设计风量,尚取决于送风机的出风率是否与设计选择相符。若达不到设计要求就应寻找原因,进行其它方面的调整。调整达到要求后,在阀门的把柄上用油漆做好标记,并将阀位固定。7)在

6、调适前应将各支路风道及系统总风道上的调节阀开度调至80%85%的位置,以利于运行时自动控制的调节并保证系统在较好的工况下运行。8)风量测定值的允许偏差:风口风量测定值与设计值的允许偏差为15%;系统总风量的测定值应大于设计风量10%,但不得超过20%。2.2流量等比分配法(也称动压等比分配法)此方法用于支路较少,且风口调整试验装置(如调节阀、可调的风口等)不完善的系统。系统风量的调整一般是从最不利的环路开始,逐步调向风机出风段。如图C.2-2所示,先测量支管I和2的风量,并用支管上的阀门调整两支管的风量,使支管I和2风量的比值与二者设计风量的比值近似相等。然后测量并调整支路4和5、支管3和6的

7、风量,使其风量的比值与设计风量的比值都近似相等。最后测量并调整风机的总风量,使其等于设计总风量。这一方法称“风量等比分配法调整达到要求后,在阀门的把柄上用油漆记上标记,并将阀位固定。图C.2-2流量等比分配法管网风量平衡图附录D.水系统平衡调适程序1静态水力平衡调节1.1准备工作1)校核设计院提供的水系统每个分支的空调冷热水设计流量是否合理;2)检查水泵、新风机组、空调机组和风机盘管的水过滤器是否已清洗干净;3)检查空调冷热水管路的手动阀门(包括蝶阀、闸阀、静态平衡阀)是否处于全部打开状态,且阀门开度可调;4)检查新风机组、空调机组和风机盘管的冷热水电动阀是否可以正常工作,且处于完全开启状态:

8、5)检查系统静压是否足够,以防止真空和气蚀;6)检查一、二次水泵的开启台数是否符合设计要求;7)在水系统平面图和系统图上详细标注设计流量。8)准备好平衡调试所需的记录表格和设备。1.2调节方法常用的静态水力平衡调节方法有比例调节法和补偿调节法。(1)比例调节法适用条件每个支路的阻抗不发生变化;每个支路均安装具有良好调节特性的水利平衡阀。调适范围干管上的各立管间的平衡、立管上的各支管间的平衡、支管上各末端装置间的平衡。调适步骤a.支管上各末端装置间的平衡图D.1-1分区空调冷冻水系统图a.l.启动并联冷冻水泵(P和P2),此时冷水机组可以不运转。a.2.首先测量记录主管平衡阀(M)的总流量以及其

9、与设计流量的流量比。若总流量低于设计流量,可能是手动阀、平衡阀及温控阀等未全开,或管路中有气体,或(Y型)过滤器堵塞,或水泵扬程不足。须逐一排除,找到并解决问题。a.3.逐一记录其他所有平衡阀的流量及其流量比,此时最不利环路上的阀门如3U9,可能测不到流量,可不必理会。测量时无顺序要求。a4找出流量比值最大的区域管平衡阀,例如Zl,通常为离水泵最近者,但也可能例外。a5.找出区域平衡管ZI中流量比最大的支管阀例如1B1,此支路及时应最先进行平衡调节的管路。第一次测量的结果,即是实施平衡调节前的原始水系统状态。a.6.在第一轮测量的结果中,找出支管阀IBl中流量比最小的设备管平衡阀例如1U3,以

10、此阀作为指标阀,保持其全开状态。此时,1U3的流量可能低于设计流量,即其流量比小于1。a.7.将一台平衡阀测量计接在此指标阀(1U3)上,在以下步骤中测量其他设备管平衡阀(1U1、1U2)时,观察其流量比值的变化(可利用无线对讲机远方测试者通话,比对流量比值)。a8调节主管平衡阀M,使其流量在100%至110%设计流量间,例如取110%,亦即流量比=1.10。a9.缓缓关小支管阀IBI中流量比值最大的设备管平衡阀(例如1U1),使其流量比值降至LlOoa.10.继续关小流量比值次大的设备管平衡阀(例如1U2),使其流量比值同样降至LlOoall.将所有流量比大于1.10的设备管平衡阀关小,使流

11、量比值降至1.10。注:此时指标阀1U3的流量比值亦逐渐上升。a.12.继续测量原流量比值小于1.10之设备管平衡阀,此次测量,将发现其流量比值上升,若上升至流量比1.10,将其流量比值调回1.10。在完成IBl支管中最后一个设备管平衡阀的测量和调节后,我们会发现之前完成的设备管平衡阀其流量比值已经变化,不再是l10了。因此,我们需要重复a.7到a.12.7的步骤,直至IBl支管上所有设备管平衡阀的流量比值相等且等于1.10。完成IBl支管调节后,我们将重复上述步骤,依次完成Zl区域管中流量比值次大的支管阀比如1B2的设备管平衡阀(IU4、1U5和1U6),直到属于同一区域管Zl的设备管平衡阀

12、完成平衡调节为止。同上步骤,继续对区域管Z2的设备管平衡阀2U12U9和Z3的设备管平衡阀3U13U9进行测量调节,直到完成所有设备管平衡阀的平衡调节工作。b.立管上各支管间的平衡完成设备管平衡阀平衡调节后,原各支管阀中各设备管阀对同一支管而言,就如同将原来单个的AHU组合成一台型号更大的“中AHU”(如图D.1-2),因此图D.1-2设备管路平衡后采用“中AHU”所有支管平衡阀(IBl1B3,2B12B3及3B13B3)之平衡作业与前述设备管平衡阀的步骤一样,其重点如下:b.l.测量记录原流量比值最大的区域管阀Zl中的各支管阀(1B1、1B2及1B3)的流量及流量比值,以流量比值最小的支管平

13、衡阀(例如1B3)为指标阀。此指标阀(1B3)暂时保持全开状态,不调节。b.2.将使用于步骤a.7中的设备管指标阀测量计,改接到此支管指标阀(1B3)上。b.3.缓缓关小流量比值最大的支管平衡阀(例如1B1),使流量比值=Ll0。b4.缓缓关小流量比值次大的支管平衡阀(例如1B2),使流量比值=LI0。b.5.观察指标阀1B3的流量比值,若流量比值1.10,则将其调节为流量比值=1.10。b.6.根据上述步骤,依序调节各支管平衡阀(2B12B3及3B13B3),使其流量比值等于IJOoc.干管上各立管间的平衡完成支管平衡作业后,原各支管平衡阀(1B1、1B2及1B3),对区域管平衡阀ZI而言,

14、就如同一台“大AHlr(如图D.1-3),因此所有区域管平衡阀(Zl、Z2及Z3)的平衡作业,如同前述支管平衡阀的平衡步骤一样,其重点如下(此时所有区域管平衡阀(Z1、Z2及Z3)仍为全开状态,但其流量比值已不同于初步测量时之流量比值):/l11j3/3建23XIMU2/2弦削XIAUl/1Vy处二-魅FWI技d2U2勤11/外U1图D.1-3支管路平衡后采用“大AHU”c.l.测量记录各区域管平衡阀(Zl、Z2及Z3)的流量及流量比值,以流量比值最小的区域管平衡阀例如Z3为指标阀。此指标阀Z3暂时保持全开状态,不调整。c.2.将接于b.2中的指标阀测量计,改接到此区域管指标阀(Z3)上。c.

15、3.缓缓关小流量比值最大的区域管平衡阀(例如Zl),使流量比值降为1.10。c.4.缓缓关小流量比值次大的区域管平衡阀(例如Z2),使流量比值降为1.10。c5观察Z3的流量比值,若流量比1.10,则将其调节为流量比=Ll0;若流量比V1.10,则重新测量调节主管阀(M),使指标阀Z3的流量比值上升至1.10。d.干管的调整方法干管上仅有一只平衡阀(M),故没有平衡问题,只有调整过程:d.l.缓慢调节主管平衡阀(M)至流量比=1.00,并观察区域管指标阀(Z3)的测量计。d2.若Z3阀之流量比值等于1.00,则其他所有平衡阀之流量比值亦应接近LOOod.3.将阀Z3之流量计改接至初步测量中FR值最小之设备阀(例如3U9

展开阅读全文
相关资源
猜你喜欢
相关搜索

当前位置:首页 > 高等教育 > 大学课件

copyright@ 2008-2023 1wenmi网站版权所有

经营许可证编号:宁ICP备2022001189号-1

本站为文档C2C交易模式,即用户上传的文档直接被用户下载,本站只是中间服务平台,本站所有文档下载所得的收益归上传人(含作者)所有。第壹文秘仅提供信息存储空间,仅对用户上传内容的表现方式做保护处理,对上载内容本身不做任何修改或编辑。若文档所含内容侵犯了您的版权或隐私,请立即通知第壹文秘网,我们立即给予删除!