220kV智能变电站非同期并列事故探讨.docx

上传人:p** 文档编号:826691 上传时间:2024-03-15 格式:DOCX 页数:9 大小:190.87KB
下载 相关 举报
220kV智能变电站非同期并列事故探讨.docx_第1页
第1页 / 共9页
220kV智能变电站非同期并列事故探讨.docx_第2页
第2页 / 共9页
220kV智能变电站非同期并列事故探讨.docx_第3页
第3页 / 共9页
220kV智能变电站非同期并列事故探讨.docx_第4页
第4页 / 共9页
220kV智能变电站非同期并列事故探讨.docx_第5页
第5页 / 共9页
220kV智能变电站非同期并列事故探讨.docx_第6页
第6页 / 共9页
220kV智能变电站非同期并列事故探讨.docx_第7页
第7页 / 共9页
220kV智能变电站非同期并列事故探讨.docx_第8页
第8页 / 共9页
220kV智能变电站非同期并列事故探讨.docx_第9页
第9页 / 共9页
亲,该文档总共9页,全部预览完了,如果喜欢就下载吧!
资源描述

《220kV智能变电站非同期并列事故探讨.docx》由会员分享,可在线阅读,更多相关《220kV智能变电站非同期并列事故探讨.docx(9页珍藏版)》请在第壹文秘上搜索。

1、220kV智能变电站非同期并列事故分析介绍了电网中的两个系统在用某220kV智能变电站220kVI、11母联测控同期合母联断路器时所发生的非同期合闸事故,并通过对此事故发生原因以及暴露问题的深入分析,结合测控同期装置的工作原理,提出合理的解决方法,为今后变电站同期合闸的安全操作以及类似事故的分析和处理提供了参考方法。目前,两个电网的连接通常通过同期装置操作进行,而智能变电站中通常采用测控装置中的手动同期功能来实现两个不同源的系统连接。本文针对电网一起22OkV变电站非同期合闸事故发生原因及暴露的问题,从测控同期装置手动同期功能、测控装置相关电压二次回路、测控装置缺陷、运行人员失误等方面进行深入

2、分析,提出合理的解决方法,为今后变电站同期合闸的安全操作以及类似事故的分析和处理提供参考方法,以防止以后发生同类问题。1手动方式同期合闸功能1.1 母联手动同期合闸的原理对于母联间隔来说,若实现同期合闸功能,则需确定参考电压及抽取侧(同期侧)电压取用。发生事故的智能变电站设计220kVI母三相电压为参考电压,220kV11母为抽取电压,即同期侧电压,根据抽取接用的电压相别在测控装置中进行相应参数的整定,事故发生的智能变电站接取22OkV【I母A相电压为抽取电压。在同期合闸时,对220kVl、【I母A相电压进行电压、频率和相位的比较,若满足测控同期装置定值中压差、频差和角差的要求,则测控装置合闸

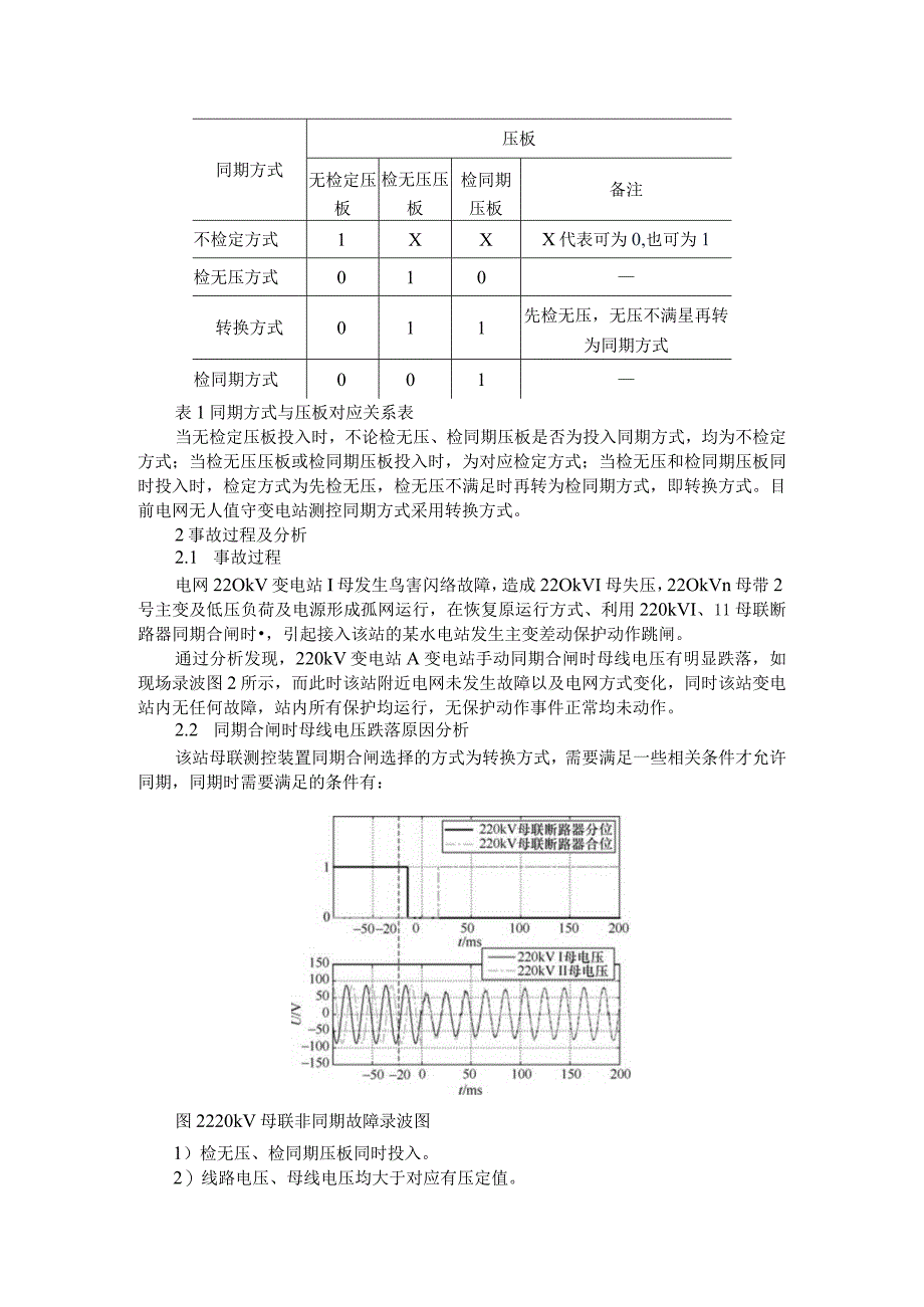
3、开出接点闭合。母联断路器同期合闸示意图如图1所示。1.2 母联测控同期方式选择该站母联测控装置同期方式的选择通过3个软压板(无检定、检无压、检同期)实现。同期方式与压板的对应关系见表1。【I母电压互感器0UN sunq+攀僚)式中:Ab为两侧电压角度差;V为两侧电压频率差;等为频率滑差;Aq为合闸导前时间。根据故障录波中的数据,断路器合闸时刻Ab=102.04,V=O.05Hz,或接近于零,装置整定的dtAq=Os,断路器允许合闸角度为20。,根据同期合闸角度公式及相关数据可知,断路器合闸时刻同期合闸角度九=102.07。,该角度远大于断路器允许合闸角度定值(现场整定为20),即检同期不满足。

4、现场投入检无压、检同期压板后执行的同期逻辑如图3所示。根据图3及图2可知,事故发生时,220kVIH母线电压均为有压状态,在同期方式为转换方式情况下,现场同期逻辑将按检同期方式执行。根据现场录波及合闸时同期合闸角度计算,不符合同期合闸要求,但断路器却合闸成功,由此可以判断220kV母联断路器合闸时为非同期合闸。图3转换方式下同期逻辑执行示意图2.3 母联非同期合闸原因分析为确认母联非同期合闸原因,现场检验母联测控装置同期功能,功能完好。梳理220kV母联测控装置电压引入方式时发现,引入该测控装置的220kV母线电压为计量电压,该电压引入示意如图4所示。0.2计量级电压经220kVl、II母线电

5、压汇控柜分别转接至220kVI、H母线合并单元和220kV计量电压并列柜,220kV母联测控装置用的电压由220kVl、H母线合并单元送出,计量屏内各220kV间隔电压由各间隔电压切换后送至对应的电能表。图4母联测控电压引入示意图现场检查发现在22OkVI母跳闸失压同时220kVI、H母线电压汇控柜内计量电压二次空开跳闸信号,为确认计量电压二次空开跳闸原因,检查计量电压二次回路,发现计量电压柜内2号主变高压侧计量电压切换回路I母电压切换继电器节点未复归,如图5所示。图52号主变高压侧计量电压切换回路图3非同期合闸引发的几个问题1)根据规程要求,应将测控装置接入0.5级的测量电压,而该站测控装置

6、电压使用计量电压,违反了规程要求。2)站内常规计量电压切换装置仍采用双位置电压切换继电器,且未将切换继电器同时动作告警信号接至后台告警信号,导致计量电压二次回路长期并列。3)现场运维人员在同期合闸操作中存在疏漏,在操作22OkV母联断路器同期合闸前,未认真检查母联测控装置实时同期电压采样数据,未及时发现母联同期断路器两侧均无电压的异常现象,导致非同期合闸。4)测控装置同期方式设置的不合理,测控同期装置在所有同期功能压板不投入的情况下默认为不检定方式合闸,易发生非同期合闸。5)测控装置不具备电压互感器(potentialtrans-former,PT)断线闭锁同期功能,当二次回路无法反映一次设备

7、电网真实情况时,易导致非同期合闸。4解决方法针对事故发生的问题应采取以下防范措施:1)应对22OkV母联测控装置电压接取进行调整,调整为接入0.5级的测量电压。2)应将计量电压切换装置更换为单位置电压切换,防止发生二次电压误并列,或将切换继电器同时动作告警信号接至后台告警信号,便于监控电压切换状态。3)应完善变电站同期操作流程,编制同期操作票、注意事项及同期合闸前的检查方法,在同期操作前确认监控后台及测控同期装置是否异常,当前投入的压板是否正确。4)针对所有同期功能压板不投入的情况下默认为不检定方式合闸的情况,应改进同期方式判别逻辑。改进后同期方式与压板的对应关系见表2,仅保留表2中4种有效的

8、同期方式,压板设置为其他方式时,装置应判别为异常,发出告警信息并闭锁同期合闸。同时,改进检无压判别方式,检无压方式的双侧无压合闸通常用于合空开关或测试使用,实际运行系统中均采用单侧无压方式。修改测控装置逻辑,在装置中增加“双侧无压合闸”控制字定值,在该定值投入时,检无压允许双侧无压合闸,否则,检无压仅允许单侧无压合闸。同期方式压板无检定压板检无压压板检同期压板备注不检定方式100检无压方式010转换方式011先检无压,无压不满足再转为同期方式检同期方式001表2改进后同期方式与压板对应关系表5)完善测控装置PT断线告警及闭锁功能,具体修改逻辑为任一相电流大于0.5%In,同时任一相电压小于30

9、%Un且正序电压小于70%Un;或者若负序电压或零序电压(3U0)大于10%Un,则发PT断线,可通过定值投退PT断线闭锁检同期合闸和检无压合闸功能。PT断线告警与复归时间统一为IOso本逻辑仅用于判别系统侧三相电压的PT断线,不能用于单相抽取电压PT断线的判别。5结论1)通过分析二次回路设备,梳理出测控装置非同期合闸的原因,给出了回路调整的方法,为今后此类事故的分析和处理提供了参考依据。2)通过此次事故,提出了今后变电站测控同期合闸前的注意事项,为减小非同期合闸提供参考方法。3)通过深入分析现有同期装置原理,提出同期装置的同期方式、同期判据等修改方法,为今后同期装置的原理设计、验收试验和现场

10、维护提供了参考方案。附参考资料:非同期合闸事故分析及改进措施1、事情经过:某电厂300MW发变组单元接线方式,接入220kV升压站双母线,某日机组启励升压正常后,运行人员按照操作票操作,将“自动准同期投入”切换开关切至“投入”位置,尚未操作“自动准同期”并网命令,发电机组出口断路器205即合闸,并网瞬间发变组A、B柜误上电保护动作,205开关跳闸,发电机解列。事故发生时,现场运行人员反映听到此机组发出短暂的异响,同时挂在本厂220kV系统双母线上的其他发电机组均出现轻微的功率突变现象。2、处理、检查过程及发现问题:2.1 现场立即调取发变组保护及22OkV网控系统录波器数据,发变组保护A、B套

11、保护均动作出口。根据录波报告,确定205开关合闸后,发电机二次电流峰值最大达到9.4A,接近发电机额定电流2倍,符合误上电保护动作原理,即发电机启励升压正常,在开关合闸后保护开放20OmS内,如果电流超过定值(一一般设定为85%额定电流),保护判定发生非同期合闸,延时0.1秒保护动作跳开205开关,故发变组保护是正确动作。2.2 现场立即检查发电机及主变一次设备,未发现设备异常;2.3 检查所有同期回路未发现明确故障点后,拉开205开关220kV母线侧隔刀,反复用实际电压做假同期试验,检查同期装置均在同期允许范围内发出合闸脉冲。次日清晨7点,将机组重新转入热备用状态,正常操作205开关同期合闸

12、,并网成功。2.4 事故发生后继续查找。(1)发现在合闸瞬间DCS顺序记录出现不同于正常并网的异常状态信息“发电机电压不正常”告警、“手动状态变位为0”,查找开机前后“自动”、”手动”及“OFF”三个状态变位信号的记录,发现本次并网前“手动”一直在投入状态,操作“自动准同期”投入后“手动”同步退出。(2)对同期装置做模拟试验:机组采用的是日本DAnCHl公司的自动准同期装置ASS(ASY-96-S2)和手动准同期装置MSY(CSY-96-S2),试验发现所加两侧电压无论是否满足同期条件,在手动同期装置MSY上电或切断电压的瞬间,MSY同期接点会短暂导通,并能够驱动扩展继电器25M动作。试验反复进行,此现象多次但并不是每次出现。查阅厂家说明书,外文资料里提及装置在电压非稳定区域存在误动可能性以及原则上要求在装置动作闭合后再退出同期电压的注意事项。3、原因分析:3.1机组同期控制逻辑介绍:本进口机组2001年安装投运,所有指令的发出是由运行人员在电脑界面上点击操作后,经DCS逻辑输出硬接点DO,故同期回路还是采用大量扩展继电器(欧姆龙MM4XP等类型)的设计,为便于分析、说明,将同期回路简化

展开阅读全文
相关资源
猜你喜欢
相关搜索

当前位置:首页 > 汽车/机械/制造 > 电气技术

copyright@ 2008-2023 1wenmi网站版权所有

经营许可证编号:宁ICP备2022001189号-1

本站为文档C2C交易模式,即用户上传的文档直接被用户下载,本站只是中间服务平台,本站所有文档下载所得的收益归上传人(含作者)所有。第壹文秘仅提供信息存储空间,仅对用户上传内容的表现方式做保护处理,对上载内容本身不做任何修改或编辑。若文档所含内容侵犯了您的版权或隐私,请立即通知第壹文秘网,我们立即给予删除!