7.2.0.1-5 管道及附属设备安装工程观感质量评价项目和质量要求.docx

上传人:p** 文档编号:828398 上传时间:2024-03-15 格式:DOCX 页数:1 大小:15.98KB
下载 相关 举报
7.2.0.1-5 管道及附属设备安装工程观感质量评价项目和质量要求.docx_第1页
第1页 / 共1页
亲,该文档总共1页,全部预览完了,如果喜欢就下载吧!
资源描述

《7.2.0.1-5 管道及附属设备安装工程观感质量评价项目和质量要求.docx》由会员分享,可在线阅读,更多相关《7.2.0.1-5 管道及附属设备安装工程观感质量评价项目和质量要求.docx(1页珍藏版)》请在第壹文秘上搜索。

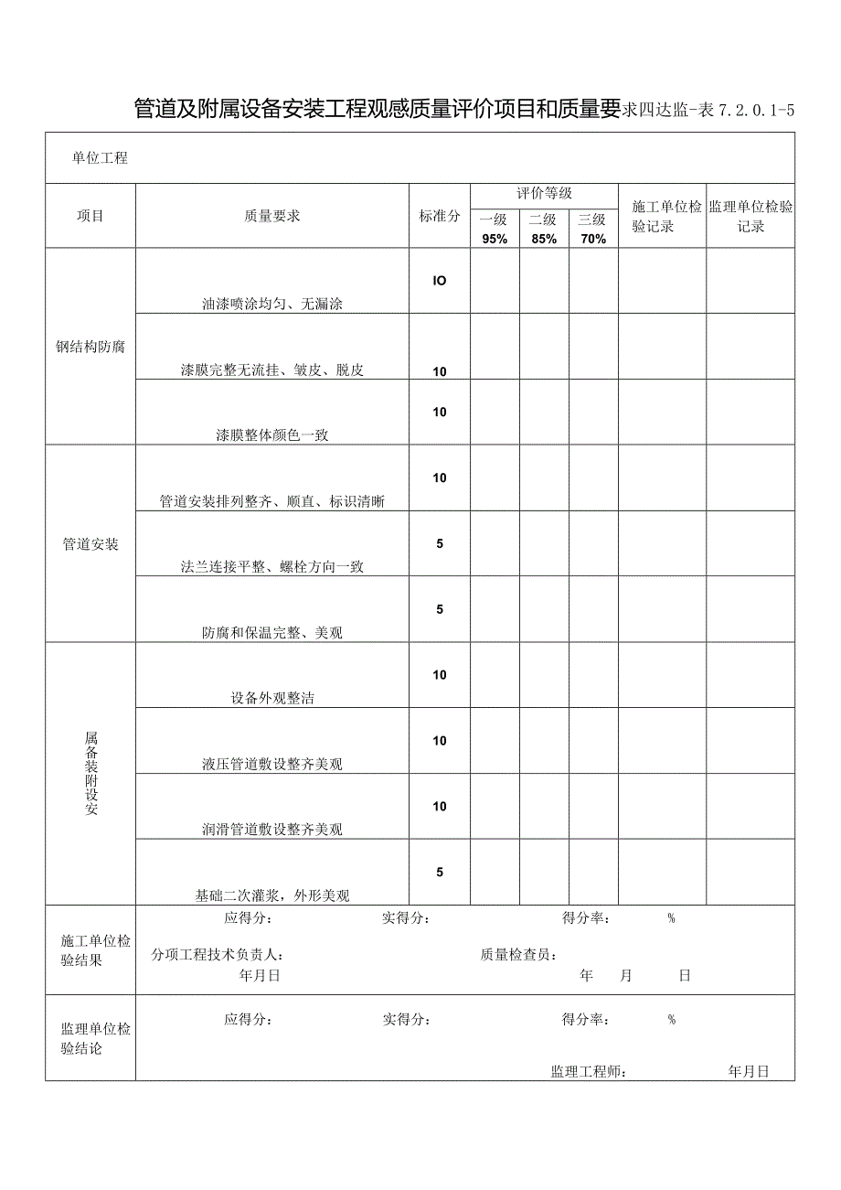
管道及附属设备安装工程观感质量评价项目和质量要求四达监-表7.2.0.1-5单位工程项目质量要求标准分评价等级施工单位检验记录监理单位检验记录一级95%二级85%三级70%钢结构防腐油漆喷涂均匀、无漏涂IO漆膜完整无流挂、皱皮、脱皮10漆膜整体颜色一致10管道安装管道安装排列整齐、顺直、标识清晰10法兰连接平整、螺栓方向一致5防腐和保温完整、美观5属备装附设安设备外观整洁10液压管道敷设整齐美观10润滑管道敷设整齐美观10基础二次灌浆,外形美观5施工单位检验结果应得分:实得分:得分率:%分项工程技术负责人:质量检查员:年月日年月日监理单位检验结论应得分:实得分:得分率:%监理工程师:年月日

展开阅读全文
相关资源
猜你喜欢
相关搜索

当前位置:首页 > 管理/人力资源 > 质量管理

copyright@ 2008-2023 1wenmi网站版权所有

经营许可证编号:宁ICP备2022001189号-1

本站为文档C2C交易模式,即用户上传的文档直接被用户下载,本站只是中间服务平台,本站所有文档下载所得的收益归上传人(含作者)所有。第壹文秘仅提供信息存储空间,仅对用户上传内容的表现方式做保护处理,对上载内容本身不做任何修改或编辑。若文档所含内容侵犯了您的版权或隐私,请立即通知第壹文秘网,我们立即给予删除!