A#施工电梯拆除方案(最终版)模板 .docx

上传人:p** 文档编号:828496 上传时间:2024-03-15 格式:DOCX 页数:18 大小:214.51KB
下载 相关 举报
A#施工电梯拆除方案(最终版)模板 .docx_第1页
第1页 / 共18页
A#施工电梯拆除方案(最终版)模板 .docx_第2页
第2页 / 共18页
A#施工电梯拆除方案(最终版)模板 .docx_第3页
第3页 / 共18页
A#施工电梯拆除方案(最终版)模板 .docx_第4页
第4页 / 共18页
A#施工电梯拆除方案(最终版)模板 .docx_第5页
第5页 / 共18页
A#施工电梯拆除方案(最终版)模板 .docx_第6页
第6页 / 共18页
A#施工电梯拆除方案(最终版)模板 .docx_第7页
第7页 / 共18页
A#施工电梯拆除方案(最终版)模板 .docx_第8页
第8页 / 共18页
A#施工电梯拆除方案(最终版)模板 .docx_第9页
第9页 / 共18页
A#施工电梯拆除方案(最终版)模板 .docx_第10页
第10页 / 共18页
亲,该文档总共18页,到这儿已超出免费预览范围,如果喜欢就下载吧!
资源描述

《A#施工电梯拆除方案(最终版)模板 .docx》由会员分享,可在线阅读,更多相关《A#施工电梯拆除方案(最终版)模板 .docx(18页珍藏版)》请在第壹文秘上搜索。

1、一、工程概况5二、编制依据5三、施工电梯拆除设计61、施工电梯拆除采用的30吨起重机技术参数表62、施工电梯拆除设计7四、施工准备及计划81、施工准备82、人员准备83、材料、构件计划94、器械、设备计划9五、施工方法91、拆除工艺程序92、拆除工艺10六、安全保障措施121、拆除措施122、安全保障措施13七、应急预案131、应急组织机构及职责132、危险源识别分析163、应急演练174、安全事故应急流程175、安全事故应急事故及处理186、安全事故应急救援电话及定点医院19八、资质附件19A地块1#施工电梯拆卸安全专项施工方案一、工程概况1、工程名称:某某万达广场项目。施工单位:中国建筑第

2、二工程局总承包公司。工程地址:某某市岳塘区芙蓉路北、晓塘路南、月华东路与月华西路之间。建设单位:某某万达广场投资总承包公司。监理单位:某某勤奋工程建设监理总承包公司。工程面积:88.6万平方米。结构:框架剪力墙结构。2、拆除施工电梯基本信息:电梯编号所属楼号电梯型号安装高度附着道数备注AW写字楼A座SC200/200B130M15道3、写字楼A座土建及粗装修已施工完毕,周边无高压线、材料运输交通通畅。A1#需拆除施工电梯位于场地写字楼A座。二、编制依据序号类别名称编号1国豕标准吊笼有垂直导向的人货两用施工升降机GB26557-202*2施工升降机安全规则GB10055-202*3行业标准建筑施

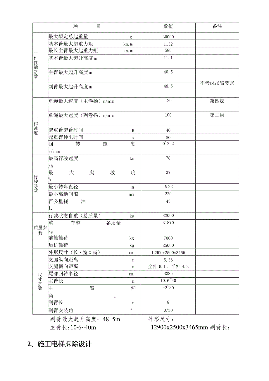
3、工安全检查标准JGJ59-202*4施工现场临时用电安全技术规范JGJ46-202*5建筑施工电梯安装、使用、拆卸安全技术规程JGJ215-202*6其他某某万达项目施工组织设计7某某万达项目施工图纸8施工电梯安装安全专项施工方案三、施工电梯拆除设计1、施工电梯拆除采用的30吨起重机技术参数表最大额定总起重量:30T基本臂最大起重力矩:1132KN最长主臂最大起重力矩:588KN主臂最大起升高度:40.5m项目数值备注工作性能参数最大额定总起重量kg30000基本臂最大起重力矩kn.m1132最长主臂最大起重力矩kn.m588基本臂最大起升高度m11.1主臂最大起升高度m40.5不考虑吊臂变形

4、副臂最大起升高度m48.5工作速度单绳最大速度(主卷扬)m/min120第四层单绳最大速度(副卷扬)m/min100第二层起重臂起臂时间S40起重臂伸出时间s80回转速度r/mim02.2行驶参数最高行驶速度km/h78最大爬坡度%37最小转弯直径m22最小离地间隙mm220百公里耗油1.45质量参数行驶状态自重(总质量)kg32000整车整备质量kg31870前轴轴荷kg7000后桥轴荷kg25000尺寸参数外形尺寸(长X宽X高)mm12900x2500x3465支腿纵向距离m5.36支腿横向距离m全伸6.1、半伸4.2尾部回转半径mm3385主臂长m10.640主臂仰角。-280副臂长m8

5、副臂安装角0/30副臂最大起升高度:48. 5m 主臂长:10640m外形尺寸:12900x2500x3465mm 副臂长:8m2、施工电梯拆除设计(1)写字楼A座Al#施工电梯拆除平面布置施工电梯自降80个标准节,至10米后采用3#塔吊或30T汽车吊配合拆除,拆除时施工电梯所拆除的构件堆放于写字楼A座1#西侧位置,汽车吊位于写字楼A座前方位置,具体布置详见下图:某某万达广场项目施工电梯拆除平面布置图某某万达广场项目施工电梯拆除汽车吊行车路线图(2)某某万达广场项目施工电梯构件拆除吊装受力分析序号施工电梯构件构件重量塔吊吊装距离该距离下塔吊吊装能力吊车吊装水平距离吊车臂长该距离下吊车吊装能力是

6、否满足要1底盘400kg7m300kg/满足要求2标准件145kg/8m10.640m25T满足要求3电梯笼2250kg/4对重/四、施工准备及计划1、施工准备(1)编制施工电梯拆除安全专项施工方案,报监理、业主及公司审核;(2)项目技术负责人对管理人员及工人进行安全技术交底;(3)拆卸时升降机上下方需作防护,防止拆除地点上方掉落物体,必要时加安全。拆除前对电梯进行全面检查,并形成检查记录。(详见附表一2、人员准备楼栋号工种人数单位名称职责写字楼A座施工员霍毅胜建工华旺全面负责现场拆除作业的安全、协调和人员调配等工作安全员某文桂建工华旺负责现场安全监督,电梯拆除过程中全程进行监督,并记录拆除过

7、程电梯拆除工人4人建工华旺在负责人指挥下,按照拆卸程序从事各部件的拆卸,一切作业均需有负责人的指令,不得擅自作业。3、材料、构件计划序号名称规格数量备注安全帽1顶/人2安全带套/高空作业人3牵引绳20m1套4警戒线1套4、器械、设备计划序号名称规格数量备注汽车吊30T1台2货车5t2辆3撬棍Im2根4活络扳手350mm450mm各15死扳手1套6二锤12B14B各1五、施工方法1、拆除工艺程序按原厂说明书程序正常拆除,流程如下:导轨架、附墙架的拆卸及电梯平台一电缆导向装置的拆卸一上传动机构,吊笼的拆卸一外笼的拆卸导轨架2.1、拆除注意1)清理升降机和场地。2)考虑到安全,施工升降机拆卸前先做防

8、坠落实验,实验合格后才能进行下面的拆卸工作。拆除作业必须遵循自上而下进行逐级拆卸(标准节一电缆护圈一附墙置)。3)绝对不允许高空抛物。所有拆卸的零部件必须放到吊笼顶上或吊笼里运送至地面。4)梯笼爬升(下降)时应调好刹车,无关人员严禁进入梯笼,不允许梯笼超载运行,检查运行通道是否通畅。拆除工作时梯笼爬升应在梯顶操作,确认各操作按纽开关功能的准确性,上升到厘米后停车观察有无溜车现象,待一切正常后再继续工作,启动前应鸣铃示警,梯笼爬升时应用专人指挥,操作人员应高度集中,接近顶端时,应用低速,以防冒顶事故发生,到位后应关问总停开关。2.2、导轨架、附墙架及电梯平台的拆卸D先将吊杆安装在吊笼顶的吊杆孔内

9、,然后利用吊杆上的葫芦将标准节逐节提起,从上往下逐节拆卸导轨架及附墙架,直至中间挑线架处。电梯平台拆卸与导轨架同步,拆下来的材料运输与标准节及附墙架同样。2)拆卸中间挑线架及静电缆。3)接上述方式拆卸其余导轨架、附墙架,直至一层。4)拆卸外笼门限位,外笼门锁碰铁,吊笼门锁碰铁,下限位碰铁及笼顶安全围栏。5)拆卸导轨架及附墙架时必须注意:a、拆卸时,每次用塔吊吊起的标准节不超过6节;b、从拆卸处到最顶部未拆的附墙的距离不得大于7.5%从吊笼上平面到最顶部未拆下的附墙的距离不得大于7.5m。使缆2.c、拆卸时的载重量不得大于该升降机额定拆卸载重量(见”本工地用施工升降机技术性能参数表”)d、拆卸时

10、须随时注意电缆,防止电缆挂在别的零部件上而拉断电3、电缆导向装置的拆卸3)若为电缆滑车装置,还须拆卸工字钢导轨及轨道支撑。2.4、 上传动机构、吊笼的拆卸1)、将吊笼开到最底部,拆卸传动小车与吊笼的连接销。2)、切断总电源,并拆卸随行电缆。3)、用一台塔机,将传动小车及吊笼吊起拆卸。4)、若为带对重升降机,还须用吊车或塔机将对重吊起拆卸。5)、拆卸其余标准节。2.5、 外笼的拆卸1)、拆卸所有外笼围栏。2)、拆卸底盘。3)、拆卸完后,应当清理现场,将各零部件分类,整齐放置,清除安全隐患。六、安全保证措施1、拆除措施1)必须按说明书要求和现场具体情况制定详细的安全技术方案,并经主管领导批准。2)

11、拆除前组织拆除人员进行拆除安全技术交底,明确各拆除人员的工作内容及职责,井有相关的文字记录。3)拆除人员戴好安全帽,在高空作业时应正确使用安全带,做到一切行动听指挥,作业人员必须持证上岗。4)拆除现场应安排人员进行警戒,拉警戒线,非作业人员不得进入。5)六级以上大风、大雨、大雾等恶劣气候,严禁进行拆除作业。6)安全员安排现场安全防护,监督整个拆除作业,制止违章行为。7)在拆除过程中,应注意各构件完好无损。8)、拆除作业中零部件、螺栓、工具要认真保管不得随意堆放,防止空中坠物伤人。2、安全保障措施认真贯彻执行安全第一,预防为主”的安全生产方针,树立”以人为本,安全第一、责任重于泰山的安全生产意识

12、O项目部相关部门要加强安全生产的管理,狠抓项目部制定的各项安全管理制度的落实,符合国家的安全法律、法规的要求,加强平时的监督检查,及时排除隐患,做到”防范胜于救灾”。1)、完善预防和预警机制,加强紧急抢险救援组织机构和队伍建设,制定并落实相应的应急工作预案。2)、做好购齐必要的应急救援物资准备,如药箱、绷带、一般急救药品、温度计、手术剪等。常用工具如扳手、钢针、大锤、铁锹、手电筒等。3)、项目部建立安全值班制度,设值班电话并保证24小时轮流值班。按照早发现、早报告、早处置的原则,项目指挥部接到应急事件报告后应立即奔赴现场,指挥、协助现场急救工作。确保应急处理工作高效、有序地进行,使突发事件得到

13、控制或终止,最大限度地减轻事件所造成的灾害。4)、在项目部范围内广泛开展进行自救知识技能宣传和培训,自救知识培训包括处理简单外伤、轻微中毒及骨折固定、止血等力所能及的有效的救援技能。以便现场发生安全生产事故,项目部快速组织抢救的同时,受伤者或附近人员能尽力组织自救,现场人员保持头脑清醒,在第一时间施救,待项目部抢救小组到达后提供及时、详细、准确的伤亡信息及救援措施,避免造成更大的经济、人员损失。5)、抢救结束后由指挥长指派有关人员组成事故调查组,在指挥长的领导下工作。做媒伤亡经济损失的统计,上报上级有关部门调查、处理。写出事故报告,汲取事故教训,及时进行整改,并对责任人给予责任追究。七、应急预案为贯彻落实安全第一、预防为主”的方针,加强起重设备拆除安全的监督管理,预防和减少起重设备拆除安全方面可能出现的紧急情况,以及对可能出现的紧急情况进行有效控制,针对紧急情况做出快速响应,依据公司生产安全防控和应急预案,针对工程现场拆除工作的具体情况,特制定本预案。1、应急指挥机构某某万达广场项目应急指挥中心,领导企业对突发事件的应急处理和生

展开阅读全文
相关资源
猜你喜欢
相关搜索

当前位置:首页 > 建筑/环境 > 设计及方案

copyright@ 2008-2023 1wenmi网站版权所有

经营许可证编号:宁ICP备2022001189号-1

本站为文档C2C交易模式,即用户上传的文档直接被用户下载,本站只是中间服务平台,本站所有文档下载所得的收益归上传人(含作者)所有。第壹文秘仅提供信息存储空间,仅对用户上传内容的表现方式做保护处理,对上载内容本身不做任何修改或编辑。若文档所含内容侵犯了您的版权或隐私,请立即通知第壹文秘网,我们立即给予删除!