主要采购内容及技术参数要求管网工程.docx

上传人:p** 文档编号:828798 上传时间:2024-03-15 格式:DOCX 页数:6 大小:35.58KB
下载 相关 举报
主要采购内容及技术参数要求管网工程.docx_第1页
第1页 / 共6页
主要采购内容及技术参数要求管网工程.docx_第2页
第2页 / 共6页
主要采购内容及技术参数要求管网工程.docx_第3页
第3页 / 共6页
主要采购内容及技术参数要求管网工程.docx_第4页
第4页 / 共6页
主要采购内容及技术参数要求管网工程.docx_第5页
第5页 / 共6页
主要采购内容及技术参数要求管网工程.docx_第6页
第6页 / 共6页
亲,该文档总共6页,全部预览完了,如果喜欢就下载吧!
资源描述

《主要采购内容及技术参数要求管网工程.docx》由会员分享,可在线阅读,更多相关《主要采购内容及技术参数要求管网工程.docx(6页珍藏版)》请在第壹文秘上搜索。

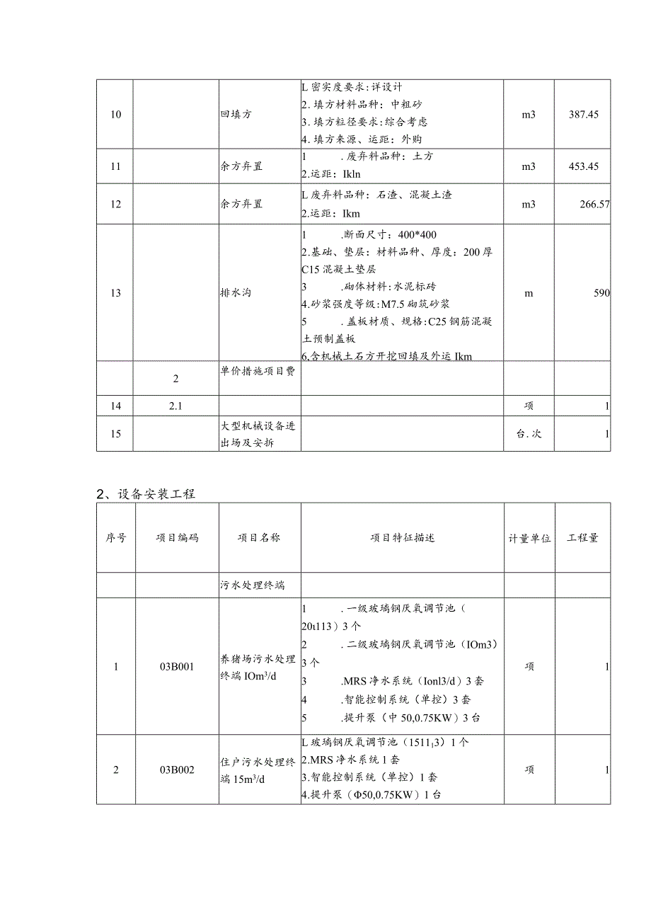
1、主要采购内容及技术参数要求1、管网工程序号项目编码项目名称项目特征描述计量单位工程量整个项目1塑料管1 .垫层、基础材质及厚度:详设计2 .材质及规格:U-PvC管DNllO3 .连接形式:粘接4 .铺设深度:详设计m3122塑料管1 .垫层、基础材质及厚度:详设计2 .材质及规格:HDPE双壁波纹管DN2003 .连接形式:胶圈连接4 .铺设深度:详设计m2903砖检查井1 .井截面、深度:7002 .砖品种、规格、强度等级:水泥标砖3 .垫层材料种类、厚度:C15混凝土4 .井盖安装:重型铸铁井盖5 .砂浆强度等级:M7.5砌筑砂浆座154水泥混凝土1 .构件名称:混凝土地面2 .拆除厚度

2、:200厚3 .拆除方式:机械拆除m2361.25施工缝1.类别:锯缝机切缝2.深度:20cmm12046水泥混凝土1.混凝土强度等级:c252.厚度:200mm3.碎石垫层:200mm4.素上夯实m2361.27挖沟槽土方1 .土壤类别:三类土2 .挖土深度:综合考虑3 .开挖方式:机械开挖装车斗容0.6m3m3453.458挖沟槽石方1 .岩石类别:极软岩2 .开凿深度:综合考虑3 .开挖方式:机械开挖装车斗容0.6m3m3194.339回填方L密实度要求:详设计2 .填方材料品种:土方3 .填方粒径要求:综合考虑4 .填方来源、运距:原土回填m372.2410回填方L密实度要求:详设计2

3、 .填方材料品种:中粗砂3 .填方粒径要求:综合考虑4 .填方来源、运距:外购m3387.4511余方弃置1 .废弃料品种:土方2 .运距:Iklnm3453.4512余方弃置L废弃料品种:石渣、混凝土渣2.运距:Ikmm3266.5713排水沟1 .断面尺寸:400*4002 .基础、垫层:材料品种、厚度:200厚C15混凝土垫层3 .砌体材料:水泥标砖4 .砂浆强度等级:M7.5砌筑砂浆5 .盖板材质、规格:C25钢筋混凝土预制盖板6,含机械土石方开挖回填及外运Ikmm5902单价措施项目费142.1项115大型机械设备进出场及安拆台.次12、设备安装工程序号项目编码项目名称项目特征描述计

4、量单位工程量污水处理终端103B001养猪场污水处理终端IOm3/d1 .一级玻璃钢厌氧调节池(20113)3个2 .二级玻璃钢厌氧调节池(IOm3)3个3 .MRS净水系统(Ionl3/d)3套4 .智能控制系统(单控)3套5 .提升泵(中50,0.75KW)3台6 .叠螺机3台项1203B002住户污水处理终端15m3/dL玻璃钢厌氧调节池(151113)1个2 .MRS净水系统1套3 .智能控制系统(单控)1套4 .提升泵(50,0.75KW)1台项1303B003养猪场污水处理终端20m3/dL一级玻璃钢厌氧调节池(3(3)1个2 .二级玻璃钢厌氧调节池(20?)1个3 .MRS净水系

5、统(20m3/d)1套4 .智能控制系统(单控)1套5 .提升泵(50,0.75KW)1台6 .叠螺机1台项12单价措施项目费2、水处理工程序号项目编码项目名称项目特征描述计量单位工程量1#污水收集池1挖基坑土方L土壤类别:三类土2 .挖土深度:综合考虑3 .开挖方式:机械开挖装车斗容0.6m3m3128.352挖基坑石方L岩石类别:极软岩2 .开凿深度:综合考虑3 .开挖方式:机械开挖装车斗容0.6m3m355.013回填方L密实度要求:详设计2 .填方材料品种:土石方3 .填方来源、运距:原土回填m3133.44余方弃置1 .废弃料品种:土方2 .运距:Ikmm356.395余方弃置L废弃

6、料品种:石渣2.运距:Ikmm356.396现浇混凝土池底1. 15OnIIn厚C15混凝土垫层2. 原土夯实3. 1:2.5防水砂浆m34.447立面砂浆找平层1.池壁20mm厚防水砂浆找平m2758实心砖墙L砖品种、规格、强度等级:水泥标砖2.砂浆强度等级、配合比:M7.5砌筑砂浆m317.819现浇混凝土池盖板1 .混凝土种类:现拌混凝土2 .混凝土强度等级:C253 .含模板m33.1110现浇构件钢筋L钢筋种类、规格:圆钢2.直径12mmt0.311圈梁L墙顶圈梁2.现拌混凝土c253.含模板m32.0612现浇构件钢筋L钢筋种类、规格:带肋钢筋HRB4002.直径6mmt0.048

7、13现浇构件钢筋2#污水收集池L钢筋种类、规格:圆钢2.直径18mmt0.63414挖基坑土方L土壤类别:三类土2 .挖土深度:综合考虑3 .开挖方式:机械开挖装车斗容0.6m3m356.9115挖基坑石方1 .岩石类别:极软岩2 .开凿深度:综合考虑3 .开挖方式:机械开挖装车斗容0.6m3m324.3916回填方L密实度要求:详设计2 .填方材料品种:土石方3 .填方来源、运距:原土回填m392.7117余方弃置L废弃料品种:土方2.运距:Ikinm317.6818余方弃置L废弃料品种:石渣2.运距:Ikmm317.6819现浇混凝土池底1. 15Omm厚C15混凝土垫层2. 原土夯实3.

8、 1:2.5防水砂浆m32.2320立面砂浆找平层1.池壁20mm厚防水砂浆找平m23021实心砖墙1 .砖品种、规格、强度等级:水泥标砖2 .砂浆强度等级、配合比:M7.5砌筑砂浆m37.5122现浇混凝土池盖板1 .混凝土种类:现拌混凝土2 .混凝土强度等级:C253 .含模板m31.623现浇构件钢筋1 .钢筋种类、规格:圆钢2 .直径12mmt0.1724圈梁1 .墙顶圈梁2 .现拌混凝土c253 .含模板m30.8625现浇构件钢筋1 .钢筋种类、规格:带肋钢筋HRB4002 .直径6mmt0.02126现浇构件钢筋一体化调节池L钢筋种类、规格:圆钢2.直径18mmt0.263(一体

9、化设备(日处理13m3)27挖基坑土方1 .土壤类别:三类土2 .挖土深度:综合考虑3 .开挖方式:机械开挖装车斗容0.6m3m314.728挖基坑石方L岩石类别:极软岩2 .开凿深度:综合考虑3 .开挖方式:机械开挖装车斗容0.6m3m36.329回填方L密实度要求:详设计2 .填方材料品种:土石方3 .填方来源、运距:原土回填m31530余方弃置1 .废弃料品种:土方2 .运距:Ikmm3331余方弃置L废弃料品种:石渣2.运距:Ikmm3332设备基础300mm细砂垫层200mmC20混凝土100mm碎石垫层原土夯实m28.533砖检查井L井截面、深度:7002 .砖品种、规格、强度等级

10、:水泥标砖3 .垫层材料种类、厚度:C15混凝土4 .井盖安装:铸铁井盖5 .砂浆强度等级:M7.5砌筑砂浆座134带形基础L混凝土强度等级:c252.围栏基座m31535砖基础L砖品种、规格、强度等级:水泥标砖2 .基础类型:栏杆砖基础3 .砂浆强度等级:M7.5砌筑砂浆m315.636块料墙面1 .墙体类型:栏杆砖基础瓷砖贴面2 .面层材料品种、规格、颜色:釉面砖m217237金属扶手、栏杆、栏板设备基础地上式(一体化设备(日处理13m3)1.栏杆材料种类、规格:40*40方钢m20038设备基础20OnInI厚C25混凝土垫层300mm厚碎石垫层原土夯实m2202单价措施项目费392.1项1

展开阅读全文
相关资源
猜你喜欢
相关搜索

当前位置:首页 > 办公文档 > 招标投标

copyright@ 2008-2023 1wenmi网站版权所有

经营许可证编号:宁ICP备2022001189号-1

本站为文档C2C交易模式,即用户上传的文档直接被用户下载,本站只是中间服务平台,本站所有文档下载所得的收益归上传人(含作者)所有。第壹文秘仅提供信息存储空间,仅对用户上传内容的表现方式做保护处理,对上载内容本身不做任何修改或编辑。若文档所含内容侵犯了您的版权或隐私,请立即通知第壹文秘网,我们立即给予删除!