H4路(二期)工程照明施工图设计说明.docx

上传人:p** 文档编号:828973 上传时间:2024-03-15 格式:DOCX 页数:12 大小:53.75KB
下载 相关 举报
H4路(二期)工程照明施工图设计说明.docx_第1页
第1页 / 共12页
H4路(二期)工程照明施工图设计说明.docx_第2页
第2页 / 共12页
H4路(二期)工程照明施工图设计说明.docx_第3页
第3页 / 共12页
H4路(二期)工程照明施工图设计说明.docx_第4页
第4页 / 共12页
H4路(二期)工程照明施工图设计说明.docx_第5页
第5页 / 共12页
H4路(二期)工程照明施工图设计说明.docx_第6页
第6页 / 共12页
H4路(二期)工程照明施工图设计说明.docx_第7页
第7页 / 共12页
H4路(二期)工程照明施工图设计说明.docx_第8页
第8页 / 共12页
H4路(二期)工程照明施工图设计说明.docx_第9页
第9页 / 共12页
H4路(二期)工程照明施工图设计说明.docx_第10页
第10页 / 共12页
亲,该文档总共12页,到这儿已超出免费预览范围,如果喜欢就下载吧!
资源描述

《H4路(二期)工程照明施工图设计说明.docx》由会员分享,可在线阅读,更多相关《H4路(二期)工程照明施工图设计说明.docx(12页珍藏版)》请在第壹文秘上搜索。

1、W分区H4路(二期)工程照明施工图设计说明1设计依据(I)设计合同及委托书(2)供配电系统设计规范(GB50052-2009)(3) 低压配电设计规范(GB554-2011)(4) 2OkV及以下变电所设计规范(GB5OO53-2O13)(5)剩余电流动作保护装置安装和运行(GB13955-2017)(6)电力工程电缆设计标准(GB50217-2018)(7)道路照明用LED灯性能要求(GB/T24907-2010)(8)道路与街路照明灯具性能要求(GB/T24827-2015)(9) LED城市道路照明应用技术要求(GBf31832-2015)(10)电力变压器能效限定值及能效等级(GB20

2、052-2020)(三)建筑物防宙设计规范(GB557-2010)(12)建筑机电工程抗震设计规范(GB50981-2014)(13)城市道路交通工程项目规范(GB55011-2021)(14)城市道路照明设计标准(CJJ45-2015)(15)道路照明灯杆技术条件(CJ/T527-2018)(16)城市道路交通工程项目规范(GB55011-2021)(17)建筑与市政工程抗震通用规范(GB55002-2021)(18)市容环卫工程项目规范(GB55013-2021)(19)建筑环境通用规范(GB55016-2021)(20)建筑电气与智能化通用规范(GB55024-2022)(21)重庆市市

3、政工程施工图设计文件编制技术规定(2017年版)(22)重庆高新区城市道路交通设计导则2020.11(23)道路专业提供的道路相关平面图和横断面图2工程概况及设计范围本次设计H4路(二期),设计起点为K0000,设计终点为K0+320,全长32OnUH4路(二期)道路等级为城市次干路,双向四车道,设计时速40kmh,道路标准路幅宽度为22m=35m(人行道)+15.0m(车行道)+3.5m(人行道)。桥梁设计起点为KO+159.045,设计终点为KO+184.565o桥梁长度为25.52mO沥青混凝土路面.2.1 初步设计专家审查意见及执行情况初步设计阶段建议修改完善的意见(1) 1.6章节设

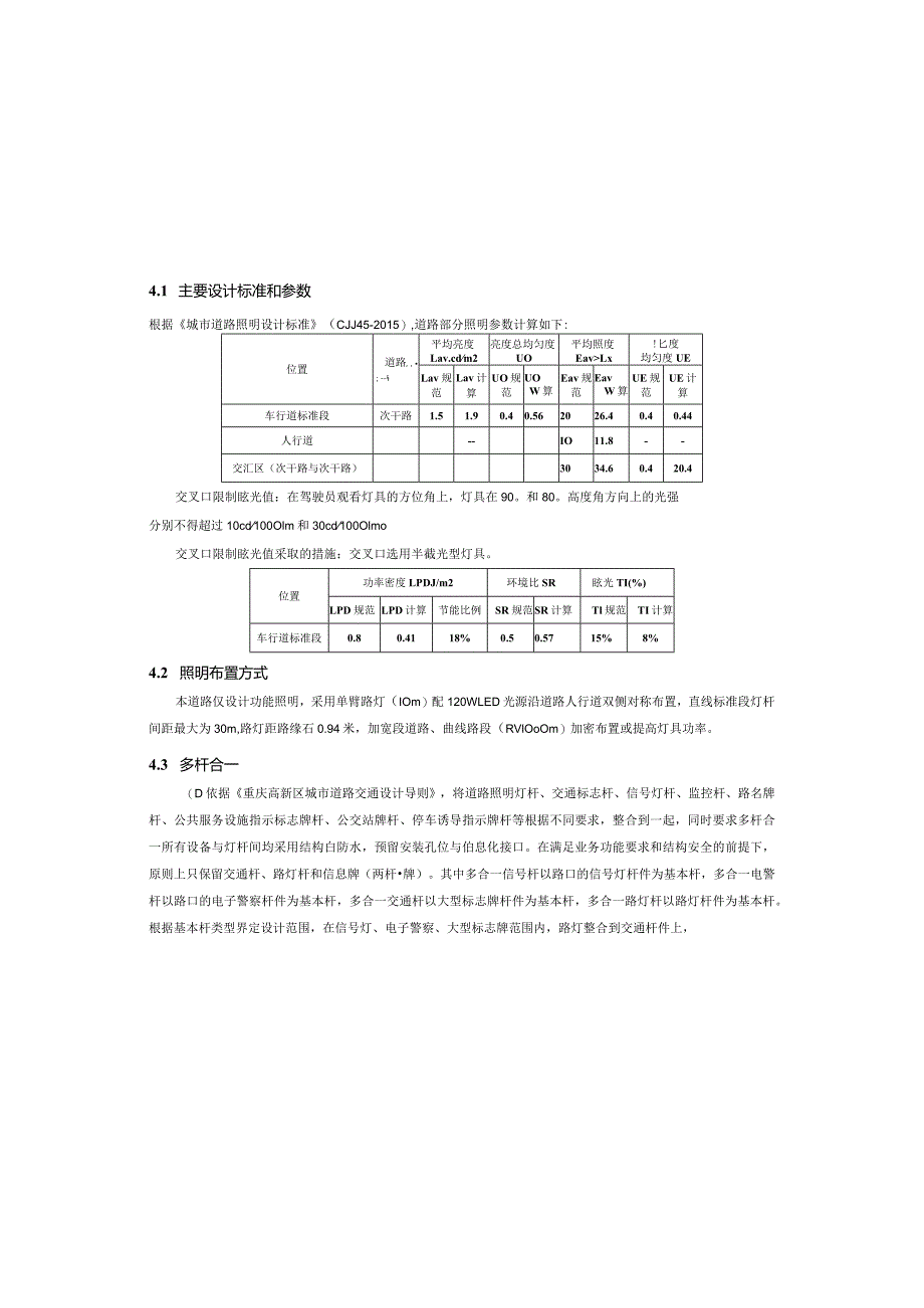
4、计依据GB502I7-20I8规范名称有误,应为电力工程电缆设计标准:回复:同意专家意见,已修改规范名称为电力工程电缆设计标准;(2)文本中未见桥梁照明设计内容:回复:同意专家意见,已在设计说明补充桥梁段照明设计内容:(3)供电区位图箱变设计参数有误,50OkVA;回复:同意专家意见,已调整供电区位图中箱变参数;(4)桥梁上的灯杆灯具应考虑桥梁振动的因素,应采取防振和防坠落措施;回复:同意专家意见,已在设计说明1258抗震措施中补充说明。2.2 设计范围照明设计范围包括以下内容:(1)供配电系统(2)照明系统(3)防雷接地系统(4)多杆合一设计界面4.1 主要设计标准和参数根据城市道路照明设计

5、标准(CJJ45-2015),道路部分照明参数计算如下:位置道路,,;-,li平均亮度Lav.cdm2亮度总均匀度UO平均照度EavLx!匕度均匀度UELav规范Lav计算UO规范UOW算Eav规范EavW算UE规范UE计算车行道标准段次干路1.51.90.40.562026.40.40.44人行道-IO11.8-交汇区(次干路与次干路)3034.60.420.4交叉口限制眩光值:在驾驶员观看灯具的方位角上,灯具在90。和80。高度角方向上的光强分别不得超过10cd100Olm和30cd100Olmo交叉口限制眩光值采取的措施:交叉口选用半截光型灯具。位置功率密度LPDJ/m2环境比SR眩光T

6、I(%)LPD规范LPD计算节能比例SR规范SR计算Tl规范TI计算车行道标准段0.80.4118%0.50.5715%8%4.2 照明布置方式本道路仅设计功能照明,采用单臂路灯(IOm)配120WLED光源沿道路人行道双侧对称布置,直线标准段灯杆间距最大为30m,路灯距路缘石0.94米,加宽段道路、曲线路段(RVlOoOm)加密布置或提高灯具功率。4.3 多杆合一(D依据重庆高新区城市道路交通设计导则,将道路照明灯杆、交通标志杆、信号灯杆、监控杆、路名牌杆、公共服务设施指示标志牌杆、公交站牌杆、停车诱导指示牌杆等根据不同要求,整合到一起,同时要求多杆合一所有设备与灯杆间均采用结构白防水,预留

7、安装孔位与伯息化接口。在满足业务功能要求和结构安全的前提下,原则上只保留交通杆、路灯杆和信息牌(两杆牌)。其中多合一信号杆以路口的信号灯杆件为基本杆,多合一电警杆以路口的电子警察杆件为基本杆,多合一交通杆以大型标志牌杆件为基本杆,多合一路灯杆以路灯杆件为基本杆。根据基本杆类型界定设计范围,在信号灯、电子警察、大型标志牌范围内,路灯整合到交通杆件上,根据基本杆类型界定设计范围。在信号灯、电子警察、大型标志牌范围内,路灯整合到交通杆件上,路灯及其管线等由照明工程计量,杆件、杆件基础由交通工程计量;其余范围内的小型标志牌、违停抓拍等整合到路灯杆上,路灯及其管线、杆件、杆件基础等由照明工程计量,交通标

8、志牌由交通工程计量。本次设计均为多合一路灯杆。3供配电系统3.1 负荷等级及供电电压设计范围内主要用电负荷为路灯照明,负荷等级为T线:各照明回路采用AC380/220V供电,单灯电压AC220VfLED单灯在开关电源后采用DC24V供电。3.2 负荷计算本工程负荷等级为三级用电负荷,照明设备总容量为3.4kW03.3 供电电源及变压器选择考虑低压供电半径的影响、供配电系统经济性以及预留用电负荷,本次设计H4路(二期)顺接Z1路2Y1、2Y2照明供电回路,电源均引自H7路PD2配电箱,配电箱电源引自坪山大道1#箱变。具体布置详见供电区位图。具体布置详见供电区位图。3.4 供电半径及电压降计算箱变

9、低压出线供电半径控制在700m内,道路照明电压偏差允许值应满足+5%T0设3.5 功率因数补偿本工程道路照明用电主要负荷为LED灯,其自然功率因数较高,故不设单灯无功功率因数补偿,仅在变压器低压侧设置集中电容自动补偿方式为补充,耍求补偿后功率因素COS20.95。3.6 电能计量在变压器低压侧设置集中计量,景观照明、广告照明等分度计量,由H7路PDl配电箱计量。4照明系统(4)光源选择选用LED光源,单灯功率为120W、180W和240W。要求灯具效能21IOLrnZW,显色指数Ra7O,LED光源色温R=4000k,同类光源的色品容差小于7SDCM。1.ED灯具在正常工作300Oh的光通维持

10、率不应低于96%,600Oh的光通维持率不应低于92%。道路照明宜采用分体式LED灯具,便于后期检修维护。灯具、灯杆的外观、颜色在满足功能性前提下尽量与环境相协调,可采用具有一定装饰性灯具。4.5 照明控制模式及技术要求道路照明要求通过“四遥”控制、时控控制、光控控制等控制手段,实现LED灯定时调光(无线调光)、分组管理、数据采集管理(例如光线、温度、湿度、噪音、用电量)、智能管理、灯具故障检测报警、地理定位等功能。照明控制系统的选择遵循技术先进、实用可靠、成熟稳定、维护方便、造价合理的方针及原则。经综合考虑,本项目路灯照明采用无线通讯路灯照明节能控制技术,要求如下。1)工程采用单灯控制技术,

11、采用集中照明控制器配合单灯控制器实现单灯调光,照明控制采用自动和手动相结合的控制方式,同时安装路灯监控终端(与当地路灯控制系统兼容)并接入城市路灯管理处的远程控制。2)采用的LED灯具备可调光功能,调光设备集成在LED单灯电路板处,根据当地实际情其余范围内的小型标志牌等整合到路灯杆上。综合杆应分层设计:1)高度0.5m2.5m,适用检修门、仓内设施;2)高度25m55m,适用路名牌、小型标志标牌、治安监控设施、行人信号灯、机动车辅灯及其他小型智能设施等;3)高度55m8m,适用机动车信号灯、治安监控设施、指路标志牌、分道指示标志牌、小型标志标牌及其他小型智能设施等:4)高度8m以上,适用照明灯

12、具、移动通信设备设施等。5)在满足功能需求和使用安全的前提下,街道上设置的照明、交通信号、治安监控、交通检测等设施的配套机箱应进行整合设置,具体大样由厂家提供。(2)本次设计仅对杆件进行整合,本册对照明部分进行供电设计,交通部分供电设计详见交通图纸,其余设备预留土建部分埋管,由各自管理单位按需设置,敷设线缆,箱变内预留各部分挂载设备用电容量。4.4灯杆、灯具、光源、电器主要参数要求(1)灯杆采用圆锥型,并做热浸锌喷塑防腐处理。灯杆和杆座外表色彩为中国建筑色卡国家标准(GB18922)中的灰色(1374号),壁厚不小于4mm。灯杆下部设接线孔。位置灯杆道路恻灯具高度In人行道侧灯具高度m间距m维

13、度壑耳mm车行道胃m道路例灯具仰角。人行道臂长m人行道侧灯具仰角。人行道10301241.510一(2)灯具选择半截光型常规路灯,防护等级不低于IP65,灯具效率不低于80%,灯具自然功率因数K).92.(3)灯杆使用寿命应不小于20年。灯具配光曲线参考图如F:4.8 手孔井规格在电缆保护管过街处,其两端均设置600X600(6孔及以下)防盗检查井:其余位置在每处灯杆旁均设置一个600X600防盗检查井;检杳井雨水采用自然渗漏方式。所有的电缆接头采用热缩式且必须在检查井内完成,保护管内不得有电缆接头。4.9 桥上照明设计(1)桥上单臂路灯(IOm)配120WLED光源沿道路人行道双侧对称布置,

14、直线标准段灯杆间距最大为30m,路灯距路缘石0.5米。(2)桥上灯杆基础及手孔做法详桥梁专业相关图纸,本专业图纸中提供灯具安装位置等。施工时需考虑灯杆基础和手孔的位置预留,桥上灯杆接线孔盖板应设置需使用专用工具开启的闭锁防盗装置和防盗措施。5照明节能措施(I)选用高光效节能LED光源(灯具效能NUOLm/W),利用其灯具效率高的特点实现节能。灯具采用蝙蝠翼配光曲线或等亮度配光曲线。(2)在满足标准规范对照度、均匀度、眩光、环境比要求的前提下,采用合理选择高度、间距、灯具功率、配光曲线等方式尽量降低单位面积功率密度,以响应国家对节能的宏观要求。(3)通过采用智能控制器,加强路灯电压的控制、路灯开

15、关灯时间的精细管理和分级管理实现节能。(4)采用单灯拄制技术,在不降低道路均匀度的前提下,下半夜下调车行道照度,降低运行功率,要求进行控制后下半夜次干路面平均照度不低于IOLX。(5)应制定维护计划,宜定期进行灯具清扫、光源更换及其他设施的维护。交流接触器和照明产品的能效水平应高于能效限定值或能效等级3级的要求。6安全措施6.1 防雷及过电压保护措施与要求利用金属灯杆作为接闪器和引下线与基础钢筋接地作可靠连接。低压进线总开关处设置电涌保护器,对间接雷电和直接雷电影响或其他瞬时过压的电涌进行保护。况设置多个时控段,降低夜间灯具亮度,要求控制黯具有100%、75%和50%三档调光,根据时段进行调光,以实现不同车流量和

展开阅读全文
相关资源
猜你喜欢
相关搜索

当前位置:首页 > 建筑/环境 > 施工组织

copyright@ 2008-2023 1wenmi网站版权所有

经营许可证编号:宁ICP备2022001189号-1

本站为文档C2C交易模式,即用户上传的文档直接被用户下载,本站只是中间服务平台,本站所有文档下载所得的收益归上传人(含作者)所有。第壹文秘仅提供信息存储空间,仅对用户上传内容的表现方式做保护处理,对上载内容本身不做任何修改或编辑。若文档所含内容侵犯了您的版权或隐私,请立即通知第壹文秘网,我们立即给予删除!