大中型建筑公司财务财产管理办法.docx

上传人:p** 文档编号:829498 上传时间:2024-03-15 格式:DOCX 页数:6 大小:34.20KB
下载 相关 举报
大中型建筑公司财务财产管理办法.docx_第1页
第1页 / 共6页
大中型建筑公司财务财产管理办法.docx_第2页
第2页 / 共6页
大中型建筑公司财务财产管理办法.docx_第3页
第3页 / 共6页
大中型建筑公司财务财产管理办法.docx_第4页
第4页 / 共6页
大中型建筑公司财务财产管理办法.docx_第5页
第5页 / 共6页
大中型建筑公司财务财产管理办法.docx_第6页
第6页 / 共6页
亲,该文档总共6页,全部预览完了,如果喜欢就下载吧!
资源描述

《大中型建筑公司财务财产管理办法.docx》由会员分享,可在线阅读,更多相关《大中型建筑公司财务财产管理办法.docx(6页珍藏版)》请在第壹文秘上搜索。

1、大中型建筑公司财务财产管理办法为加强本公司财产管理,防范财产物资的损失、毁坏、确保财产物资的安全和完整,提高财产使用效率,特制定本办法。(1)本公司财产主要包括:办公事务用品:桌椅、公文箱、电话机、打字机、复印机、计算机、交通车等。办公楼、厂房宿舍等建筑物。机器设备:建筑设备、涂装设备、检验仪器、焊接设备、维修设备、输送设备等。原料及成品。(2)各单位根据需要提出请购单或请购计划,报上级核准后,交由财务部办理采购。(3)采购品经验收合格后,即由采购单位填写财产卡交由财务部建档管理,财产实物由使用单位领回使用并负责保管。(4)财务部每年需依折旧年限规定,摊提折旧额送会计部门列账。(5)财务部每年

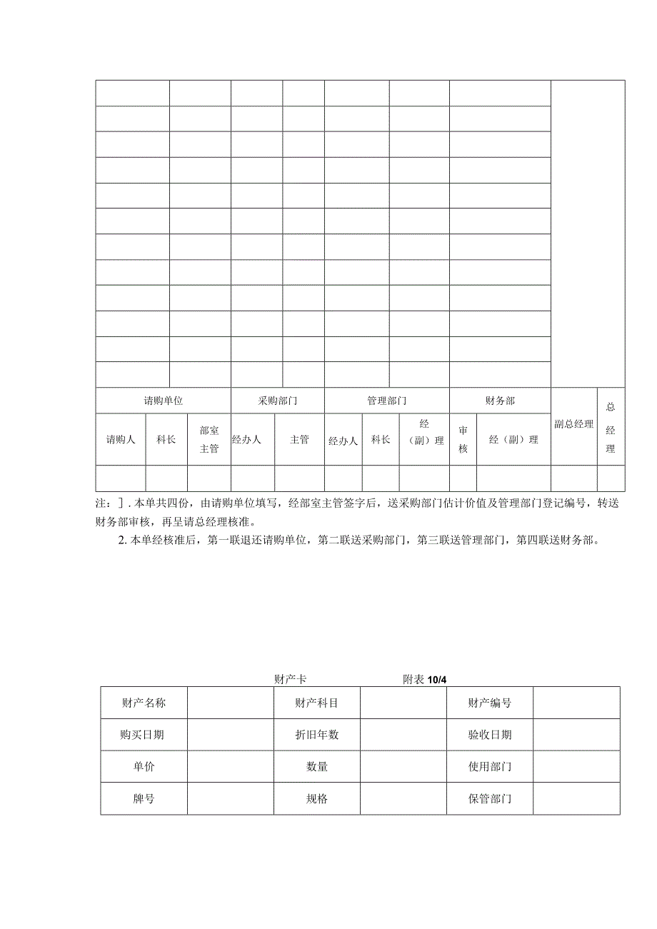
2、12月底前须对公司财产盘点一次,核对财产数量,并由会计单位以盘亏、盘盈状况调整财产金额。(6)对无法继续使用的财产按规定办理报废,或以登报公开招标方式出售,并作相应的会计处理。(7)各项财产的使用说明书、质量保证书等资料统一由财务部保管,使用单位可使用复印件。(8)各单位对所使用的财产负有保管、保养的责任。财产发生损坏时,应查明原因、分清责任,出具调查报告和处理意见,视情节轻重进行处分。附表:财产请购单附表1013财产名称规格用途单位数量需用日期估计价值签注请购单位采购部门管理部门财务部总请购人科长部室主管经办人主管经办人科长经(副)理审核经(副)理副总经理经理注:.本单共四份,由请购单位填写

3、,经部室主管签字后,送采购部门估计价值及管理部门登记编号,转送财务部审核,再呈请总经理核准。2.本单经核准后,第一联退还请购单位,第二联送采购部门,第三联送管理部门,第四联送财务部。财产卡附表10/4财产名称财产科目财产编号购买日期折旧年数验收日期单价数量使用部门牌号规格保管部门耐用年限自年月日至年月日(共计年个月)用途备注总经理:助理:部门主管:科长:财产保管人:财产卡附表105使用部门登记年月日财产名称编类别使用人取得取得修理家具仪器用器机器其他日期价格记录财产卡附表10-16使用部门类别管理部门年月日财管字第号编号品名及规格用途单位数量价值备注财产记录保管表附表1017(正面)财产分类编号中文名称英文名称厂商取得日期原价原币值增加资本支出原值使用年数每年折旧额第年年至年最后年年月年月年月使用部门接管日期使用保管人签章交还经营部门日期经营部门签章

展开阅读全文
相关资源
猜你喜欢
相关搜索

当前位置:首页 > 经济/贸易/财会 > 资产评估/会计

copyright@ 2008-2023 1wenmi网站版权所有

经营许可证编号:宁ICP备2022001189号-1

本站为文档C2C交易模式,即用户上传的文档直接被用户下载,本站只是中间服务平台,本站所有文档下载所得的收益归上传人(含作者)所有。第壹文秘仅提供信息存储空间,仅对用户上传内容的表现方式做保护处理,对上载内容本身不做任何修改或编辑。若文档所含内容侵犯了您的版权或隐私,请立即通知第壹文秘网,我们立即给予删除!