企业安全生产信用风险指标及评价规则示例.docx

上传人:p** 文档编号:829822 上传时间:2024-03-15 格式:DOCX 页数:5 大小:32.78KB
下载 相关 举报
企业安全生产信用风险指标及评价规则示例.docx_第1页
第1页 / 共5页
企业安全生产信用风险指标及评价规则示例.docx_第2页
第2页 / 共5页
企业安全生产信用风险指标及评价规则示例.docx_第3页
第3页 / 共5页
企业安全生产信用风险指标及评价规则示例.docx_第4页
第4页 / 共5页
企业安全生产信用风险指标及评价规则示例.docx_第5页
第5页 / 共5页
亲,该文档总共5页,全部预览完了,如果喜欢就下载吧!
资源描述

《企业安全生产信用风险指标及评价规则示例.docx》由会员分享,可在线阅读,更多相关《企业安全生产信用风险指标及评价规则示例.docx(5页珍藏版)》请在第壹文秘上搜索。

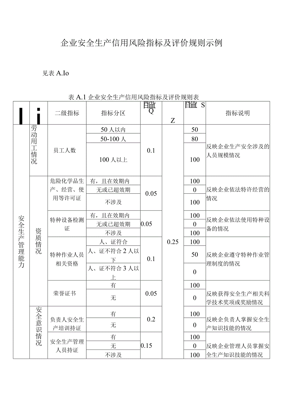
1、企业安全生产信用风险指标及评价规则示例见表A.Io表A.1企业安全生产信用风险指标及评价规则表Ii二级指标指标分区醯QZ醯S指标说明安全生产管理能力劳动用工情况员工人数50人以内0.10.2550反映企业生产安全涉及的人员规模情况50-100人80100人以上100资质情况危险化学品生产、经营、使用等许可证有,且在效期内0.05100反映企业依法特许经营的情况无或已超效期0不涉及100特种设备检测证有,且在效期内0.05100反映企业依法使用特种设备的情况无或已超效期0不涉及100特种作业人员相关资格人、证符合0.1100反映企业遵守特种作业管理制度的情况人、证不符合2人以下50人、证不符合3

2、人以上0荣誉证书有0.05100反映获得安全生产相关科学技术奖项或奖励情况无0安全意识情况负责人安全生产培训持证有0.2100反映企负责人掌握安全生产知识技能的情况无0安全生产管理人员持证有0.15100反映企业管理人员掌握安全生产知识技能的情况无0不涉及100公示主体责任承诺有0.05100反映企业主动承诺承担安全生产主体责任的情况无0安全生产责任制签署有0.05100反映企业内部建立安全生产责任体系的情况无0工会组织参与安全生产监督有0.05100反映企业全员参与安全生产管理的情况无0工会组织参与安全生产维权有0.05100反映工会依法参与安全管理的情况无0全员安全生产教育和培训覆盖率80

3、%以上0.1100反映企业从业人员安全生产受教育培训的情况覆盖率8096以下60无0安全生产基本态势基础管理情况参保比例95%以上0.080.75100反映企业落实员工社保缴纳的情况95280%之间508096以下0安全生产管理机构设置有0.05100反映规模企业依法设置安全管理机构的情况无0不涉及100安全生产情况公示告知有0.01100反映企业安全生产相关制度、风险等公示告知的情况无0劳动防护用品保障有0.01100反映企业落实员工安全防护的情况无或不合格0生产经营场所危险因素警示有0.02100反映企业生产经营场所、岗位危险因素的告知情况无、或执法系统中被发现未告知0职业病危害因素告知有

4、0.02100反映企业生产经营中职业病危害的告知情况无0生产安全事故应急预案有0.03100反映企业应急管理体系完善的情况无0风险管安全生产责任保险缴纳有0.02100反映重点(危化、矿山)企业落实员工保障的情况无50不涉及0理情况安全风险分级管控有且管控措施已落实0.08100反映企业安全生产风险管控的情况有但管控措施未全部落实30无0安全风险隐患排查单次巡查发现10项以内0.12100反映半年内企业开展风险隐患重点排查单次巡查发现隐患数量最多的情况单次巡查发现10-15项50单次巡查发现15条以上0应急预案演练有0.03100反映企业应急管理处置的情况无0第三方评价情况信用等级评价A级以上

5、的0.02100反映第三方对企业信用评价的情况B级80C以下50无0贯标认证情况安全生产标准化达标一级达标0.03100反映企业安全生产标准化情况二级达标90三级达标85无0职业健康安全管理体系认证有0.03100反映企业职业健康安全管理认证的情况无0不涉及100质量:认证体系、其他认证体系有0.02100IS09001质量管理体系认证、IS014001环境管理体系认证、OHSAS18001职业健康安全管理体系认证、IS037301:2021合规管理体系要求及使用指南等无0安全检测有0.02100反映企业安全设备的检测情况无0安全生产类无0.02100反映企业安全生产守法依规情况行政处罚1-2

6、次/年10相关处罚的情况2次以上/年0守法诚信存续3年内且未被行政处罚或列入严重失信主体名单0.02100反映企业存续期间的守法诚信情况存续2年内且未被行政处罚或列入严重失信主体名单80存续1年内且未被行政处罚或列入严重失信主体名单50应急部门严重失信主体名单未纳入0参与评估反映企业是否存在严重失信的情况纳入停估暂评其他部门严重失信主体名单未纳入0.03100反映企业是否存在严重失信的情况纳入0获得其他部门等级认证有0.01100反映企业获得监管部门等级认证的情况无0事故险情情况生产安全事故无0.18100反映年内企业安全生产运营中发生亡人的情况2人以下/次103-9人/次510人以上/次0火灾出警无0.05100反映企业安全生产运营中发生火灾出警的情况有0工伤事态无0.05100反映一年内企业安全生产运营中发生工伤的情况10人以下/年5010人以上/年0职业中毒及新发职业病无0.05100反映企业安全生产运营中发生职业中毒及新发职业病的情况有0风险等级计算公式:C=SI安全信用能力.(O:权重和:i=l;权重赋值:3;指标取值:SonE=sSj=II守信程度(E):权重和:户1;权重赋值:3;指标取值:SoX=ZlC+Z2EIII信用综合得分(X):权重系数:Zl=O.25;Z2=0.75O

展开阅读全文
相关资源
猜你喜欢
相关搜索

当前位置:首页 > 管理/人力资源 > 绩效管理

copyright@ 2008-2023 1wenmi网站版权所有

经营许可证编号:宁ICP备2022001189号-1

本站为文档C2C交易模式,即用户上传的文档直接被用户下载,本站只是中间服务平台,本站所有文档下载所得的收益归上传人(含作者)所有。第壹文秘仅提供信息存储空间,仅对用户上传内容的表现方式做保护处理,对上载内容本身不做任何修改或编辑。若文档所含内容侵犯了您的版权或隐私,请立即通知第壹文秘网,我们立即给予删除!